Неисправности ЭБУ
Электронный блок перестанет нормально функционировать, если одна из микросхем электронного блока перегорит. Каждый чип отвечает за определенную функцию. Например, если окна с одной стороны автомобиля больше не открываются, следует проверить блок управления, а не спешить с заменой всей системы управления окнами.
Размещение блока управления в кабине автомобилей семейства LADA 4×4.
- Выключите зажигание.
- Отсоедините кабель от отрицательной клеммы аккумулятора (кнопка «10»).
- Выкрутите крепежные винты и снимите правую панель консоли панели приборов (крестовая отвертка). На автомобилях семейства LADA 4×4 снимите левую переднюю панель.
- Отсоедините жгут проводов от блока управления.
- На автомобилях семейства LADA PRIORA ослабьте две гайки крепления рулевого колеса и снимите узел рычага рулевого колеса с автомобиля (ключ «8»). Выкрутите четыре винта и отделите кронштейн от блока управления (крестовая отвертка).
На автомобилях семейства LADA KALINA открутите винт крепления блока управления и снимите блок управления и кронштейн с автомобиля (крестовая отвертка). Выкрутите четыре винта и снимите кронштейн с блока управления (крестовая отвертка).
На семействе LADA 4×4 открутите четыре гайки и снимите контроллер (гаечный ключ 8″).
В случае неисправности контроллера в качестве замены необходимо использовать «чистый» контроллер.
Как самостоятельно осуществить диагностику блока?
На первый взгляд может показаться, что диагностика ЭБУ — это сложная задача, с которой справится далеко не каждый. Действительно, произвести проверку своего блока не так просто, но имея теоретические знания, их вполне можно применить на практике.
Необходимые инструменты и оборудование
Чтобы проверить работоспособность модуля самому, нужно будет выполнить ряд действий для подключения к ЭБУ.
Для выполнения проверки вам потребуются следующие устройства и элементы:
- Осциллограф. Понятное дело, что такое устройство есть не у каждого автолюбителя, поэтому если у вас его нет, то можно использовать компьютер с заранее установленным на него необходимым диагностическим софтом.
- Кабель для подключения к устройству. Вам нужно выбрать адаптер, который поддерживает протокол KWP2000.
- Программное обеспечение. Найти диагностический софт сегодня — не проблема. Для этого достаточно промониторить сеть и найти программу, которая подойдет для вашего транспортного средства. Программа подбирается с учетом авто, поскольку на разных машинах ставятся разные блоки управления.
Алгоритм действий
Процедура диагностики электронной системы управления рассмотрена ниже на примере модуля Бош М 7.9.7. Эта модель блока управления является одной из наиболее распространенных не только в отечественных машинах ВАЗ, но и на авто зарубежного производства. Также нужно отметить, что процесс проверки описан на примере использования программного обеспечения KWP-D.
Итак, как проверить ЭБУ в домашних условиях:
Но такой вариант проверки наиболее актуален, если компьютер видит блок. Если же у вас возникли проблемы с подключением к нему, то вам потребуется электрическая схема устройства, а также мультиметр. Сам тестер или мультиметр можно купить в любом тематическом магазине, а электросхема контроллера ЭСУД должна быть в сервисном мануале. Саму схему нужно наиболее внимательно изучить, это потребуется для проверки.
В том случае, если контроллер ЭСУД будет указывать на определенный блок, а не демонстрировать беспорядочные данные, то в соответствии со схемой его нужно найти и прозвонить. Если точной информации нет, то единственным выходом будет диагностика всей системы, как мы уже сказали выше, одной из основных неисправностей считаются пробои.
После того, как пробой будет найден, необходимо произвести проверку сопротивления и точно выявить, в каком месте зафиксирован кабель. Вам нужно будет припаять соответствующий новый провод параллельно старому, если причина кроется в пробое, то эти действия позволят устранить неисправность. Во всех других случаях проблему смогут решить только квалифицированные специалисты.
Из видео, размещенного ниже, вы можете узнать, по каким причинам между контроллером ЭСУД и ноутбуком может отсутствовать связь при проведении диагностики (автор ролика — канал Billye espada).
Как заменить и перенести контроллер (ЭБУ) на ВАЗ 1117-ВАЗ 1119?
Примечание!
Когда ЭБУ будет снят, осмотрите его на нём не должно быть никаких трещин, если будет нужно то разберите его сняв с него крышку (Там винты нужно будет отвернуть боковые) и когда крышка будет снята и перед глазами у вас будет сама плата, то первым делом осмотрите её и на ней не должно быть влаги и она должна находиться в нормальном состоянии и ничего с неё оторванного тоже не должно быть!
Снятие:
1) В начале обесточьте всю бортовую сеть, а то если вода на контроллер или на колодку проводов попадёт когда вы её отсоединять будет, то она сразу выведет его из строя, либо же провода сгорят, но хотя даже и без воды замкнуть провода могут, поэтому всё таки обезопасьте себя скинув для этого клемму минус с аккумуляторной батареи (О том как это сделать, читайте «» в пункте 1), затем со стороны пассажирского сиденья, а если быть точнее то в то место куда пассажиры ноги ставят залезьте и там сбоку будет находиться боковая облицовка тоннеля пола, она крепиться на одном винте, вы его выкрутите и после чего снимите облицовку как это на примере левой облицовки показано на маленьком фото.

2) Как только правая облицовка будет снята, в самом низу разыщите блок управления, он крепиться на одном винте к корпусу отопителя (Указан стрелкой этот винт на фото 1), вы этот винт выкрутите и после этого выньте по направляющим контроллер, когда он будет вынут, отсоедините от него колодку проводов, для этого выдвиньте фиксатор который колодку крепит к блоку управления (см. фото 2) и после чего колодку можно отсоединять от контроллера и тем самым он полностью снят у вас будет.

Установка:
Новый контроллер устанавливается в обратном порядке снятию, но при установке есть кой какие нюансы, во-первых иммобилайзер (Это только к новому блоку управления относиться, поэтому если вы его не меняете то ничего вам делать не нужно) если он у вас не отключен переобучать придётся (О том как это сделать, читайте в статье: «Обучение иммобилайзера на ВАЗ»), а во-вторых устанавливать если соберётесь на то же место контроллер (Что мы вам не советуем), то следите за тем чтобы кронштейны контроллера вошли (Указаны красными стрелками кронштейны, на фото отопитель кстати снят для наглядности с автомобиля) ровно в направляющие корпуса отопителя.

Дополнительный видео-ролик:
Обязательно ознакомьтесь с роликом ниже, в нём рассказывается для чего нужно переносить блок управления со своего штатного места, а так же показывается куда его можно закрепить и при помощи чего всё это делается.
Особенности электрического подключения датчиков к цепям ЭСУД
Каким образом датчики подключаются к блоку управления?
Схема подключения датчиков представляет собой очень важный момент. Обратимся к рисунку.
Существует так называемая «масса», или общий провод электропроводки автомобиля. Она объединяет металлические части кузова и двигателя и подключается к минусовой клемме аккумулятора. Большинству датчиков требуется подключение к массе в силу особенностей их работы. ЭБУ также подключается к массе, на рисунке это точка 1.
Рассмотрим, каким образом подключается масса датчиков. На первый взгляд, массу можно подключить к датчику в любой ближайшей точке двигателя или кузова (точка 2), а сигнальный вывод датчика подключить к одному из контактов в разъеме блока. Посмотрим на полученную схему критически.
Что получается?
А получается, что цепь датчика включает в себя участок кузова или двигателя автомобиля между точками 2 и 1. Одновременно с этим по кузову идут токи мощных нагрузок вроде ламп головного света, вентиляторов, электродвигателей стеклоочистителя и т.п. Получается, что по одному и тому же пути идут слабые токи датчика, содержащие полезную информацию, и большие токи мощных нагрузок. В итоге в цепи датчика возникают сильные помехи от электроприборов автомобиля и системы зажигания.
Такая ситуация совершенно недопустима, и подобное подключение массы датчиков (за редчайшим исключением) нигде не используется.
Куда же подключается масса датчиков? Она подключается непосредственно к блоку управления.
В такой ситуации цепь датчика оказывается не привязанной к цепи протекания токов нагрузок и сигнал датчика без помех и искажений поступает в ЭБУ. Сам блок, конечно же, подключен к массе автомобиля. Внутренняя структура ЭБУ, его характерные дефекты и методики ремонта изложены в обучающем курсе «Ремонт электронных блоков управления».
Если открыть любую базу данных и посмотреть назначение выводов ЭБУ, то можно увидеть назначение выводов вроде «Масса датчика положения дроссельной заслонки», «Масса датчика абсолютного давления» и т.п. Отдельным выводом выполнена «Масса электронного блока управления». Вот это и есть точка подключения массы ЭБУ, а массы всех датчиков подключаются к ЭБУ отдельно, внутри него они соединяются вместе и подключаются к массе блока.
Убедиться в сказанном достаточно просто с помощью тестера: достаточно прозвонить цепь массы любого датчика на минусовую клемму аккумулятора, а затем, сняв разъем с ЭБУ, убедиться, что цепь разорвалась.
В качестве примера приведем часть схемы ЭСУД с блоком управления MR-140.
Несложно убедиться в том, что массы датчика температуры охлаждающей жидкости (Engine Coolant Temperature, ECT Sensor), датчика положения дроссельной заслонки (Throttle Position, TP Sensor), датчика температуры воздуха (Intake Air Temperature, IAT Sensor) объединены сборкой S101 и подключены к выводу М64 блока управления, обозначенному как вывод массы. В эту же точку подключены выводы массы и экранирующей оплетки датчика детонации (Knock Sensor). Массы датчиков давления в системе кондиционирования воздуха (Air Condition Pressure, ACP Sensor) и датчика неровной дороги (Rough Road Sensor) также объединены и подключены к выводу К34 электронного блока.
Есть два исключения из этого правила: резонансный датчик детонации конструкции GM, который применялся на первых системах управления ВАЗ, и однопроводной датчик концентрации кислорода. Но это исключения, а отнюдь не правило.
Снятие и установка ЭБУ на Приоре
Когда заглушка снята, необходимо найти две гайки крепления ЭБУ снизу к металлической планке. Хорошо видно это на фото ниже.

Необходимо откручивать именно гайки крепления пластиковой планки, на которой и располагается контроллер.

Когда обе гайки ослаблены, сдвигаем планку в сторону моторного отсека буквально на 1 см., после чего поднимаем ее немного вверх и отводим в сторону для снятия.

Теперь вытаскиваем блок управления двигателем Приоры на себя, чтобы можно было проводить дальнейшие действия.

Теперь разворачиваем блок таким образом, чтобы удобнее можно было отсоединить колодку с проводами питания. Далее необходимо вытащить при помощи отвертки или руками рамку фиксатора, как это показано на фото:

И теперь без особых проблем разъем контролера отсоединяется.

Установка нового блока управления происходит в порядке, обратном снятию. Желательно проводить подобную процедуру при отключенной аккумуляторной батарее. Если у вас возникла необходимость в замене ЭБУ на Приоре, то новый блок обойдется минимум от 6500 и до 10 000 рублей. Б/у контроллер, купленный с разборки, можно достать за 3000 рублей.
Электронная система управления двигателем — мозг, глаза и руки системы
Нужно отметить, что подобные системы управления используются и у бензиновых двигателей, и у дизельных агрегатов
В этот раз уделим внимание первым. Итак, современный блок контроля мотора управляет такими узлами:
- впрыск;
- зажигание;
- топливная система;
- впуск и выпуск;
- система охлаждения;
- вакуумный усилитель тормозов;
- рециркуляция выхлопных газов;
- устройства улавливания паров бензина.
Электронный мозг, заключённый в блоке где-то между мотором и салоном автомобиля – это лишь часть системы. Чтобы обеспечить контроль и управление параметрами силового агрегата, нужны ещё кое-какие приспособления – датчики и исполнительные устройства. Датчики являются глазами и ушами системы управления двигателем и их поистине огромное количество.
Так, к примеру, у технологии MED-Motronic (технология непосредственного впрыска), презентованной компанией Bosch в 2000 году, используется их более 13, расположившихся во всех уголках мотора. Среди них такие: датчик давления горючего в контуре низкого давления, положения педали газа, оборотов силового агрегата, температуры масла, воздуха во впускном коллекторе и охлаждающей жидкости, кислородные датчики и множество других.
На основе информации, поступившей от них и в соответствии с программами, заложенными в памяти, электронный блок принимает решение о тех или иных действиях и посылает сигналы на исполнительные устройства.
Если датчики – это глаза и уши, то исполнительные устройства – это руки электронной системы управления двигателем. Подчиняются ей самые разные элементы, например, топливный насос, катушки зажигания, форсунки цилиндров мотора, дроссельная заслонка, термостаты охлаждающей системы, вентилятор и ещё много, много других.
Рекомендуем: Как делается замена лампы ближнего света на Ладе Калина
Таблица масс ЭСУД в различных автомобилях
Массой в ЭСУД обычно выступает корпус машины. Если какой-то из контактов с массой теряет надежность, электросхема нарушается, качество работы системы падает. Например, двигатель начинает произвольно менять режим работы, набирая или сбрасывая обороты без участия водителя. Чтобы справиться с такой проблемой, надо знать места заземления ЭСУД.
Диагностика электронных систем управления двигателями легковых автомобилей
Электронная система управления двигателем (ЭСУД) важнейший атрибут всех выпускаемых в настоящее время автомобилей с бензиновым и дизельным впрыском. Другие названия — «ЭБУ» (электронный блок управления) и «контроллер».
Это сложное устройство позволяет не только проконтролировать множество функциональных возможностей двигателя, но также:
- поднять его мощность,
- снизить расход топлива,
- добиться экологичного выхлопа в соответствии с отечественным и европейским стандартом.
Число параметров, характеризующих работу двигательной системы, увеличивается с каждым годом по мере совершенствования ЭСУД. Соответственно увеличивается нагрузка на контроллер.
Электронная начинка системы по мере эксплуатации может давать различные сбои:
- Меняются электрические характеристики двигателя;
- Нарушаются регулировки параметров;
- Выходят из строя датчики, являющиеся исходной точкой получения информации об исправности автомобиля;
- Сгорают предохранители, окисляются контакты в разъёмах.
Может быть много причин. В итоге неисправность ЭБУ значительно снижает работоспособность самого двигателя.
Принцип работы ЭСУД
Главная задача системы – эффективная работа движка. Она на основании получаемой от различных узлов информации она регулирует крутящий момент, мощность и другие показатели в зависимости от режима работы мотора, комплектации ЭСУД и ее типа (самые популярные – м20, м73, м74, м86).
Стандартные режимы мотора, которые различает ЭСУД:
- Запуск и прогревание.
- Холостой ход.
- Движение, торможение.
- Смена передач.
Схема источников, от которых получает данные ЭСУД, зависит от модели авто и его комплектации. Обычно это датчики: положения коленвала, фаз, расхода воздуха, температуры охлаждающей жидкости, положения дроссельной заслонки, скорости, кислорода и детонации.
Кроме того, ЭСУД постоянно проводит самодиагностирование, также на основе показателей датчиков.
Распространенные неисправности ЭБУ и их причины
Электронная система управления может выйти из строя по разным причинам. Так или иначе, автовладелец в таком случае столкнется с необходимостью проведения диагностики, чтобы точно определить неисправность блока, поскольку в большинстве случаев эти устройства ремонту не подлежат. Как показывает практика, даже специалисты обычно не берутся за ремонт девайса, а просто меняют его на новый. Но в любом случае, перед тем, как попрощаться с ЭБУ, необходимо тщательно разобраться в том, по каким причинам он вышел из строя.
Контроллер электронной системы управления мотором российского производства
По мнению многих электриков, с которыми мы консультировались при написании этого материала, основной причиной выхода из строя блока являются скачки напряжения в бортовой сети. Перенапряжение же обычно появляется в результате короткого замыкания одного или нескольких соленоидов.
Но это — только одна из самых распространенных причин, по факту их значительно больше:
Плата электронного блока в снятом виде
В любом случае, по какой бы причине девайс не вышел из строя, проведение ремонта или его замена должны осуществляться после того, как будет выполнена полная диагностика модуля. Необходимо также помнить, что характер поломки может сообщить о возможных неисправностях, присутствующих в работе других систем. Если эти неисправности не будут устранены, это приведет к тому, что новый девайс также выйдет из строя.
Если нет связи с ЭБУ и девайс по каким-то причинам отказывается, автовладелец может заметить это по таким симптомам:
- На приборной панели не горит значок Check Engine, появляющийся при определении неисправностей в работе двигателя. Либо же этот значок может мигать или появляться не сразу. Если индикатор мигает, необходимо удостовериться в том, что проблема заключается не в самой лампочке, после этого уже проверять сам блок.
- При попытке подключить ЭБУ своими руками к диагностическому разъему сканер начал выдавать неверные данные, которые вызывают у вас сомнения. То есть информация может в корне отличаться от той, которая должна быть. Если нет связи с ЭБУ, то сканер может и вовсе не распознать это устройство.
- Силовой агрегат автомобиль работает со сбоями, троит, может не заводиться или заводиться через раз, также он может даже дымиться. При этом никаких причин такому поведению, в том числе перегрева, нет.
- Зажигание автомобиля стало работать с пропусками.
- Вентилятор охлаждения двигателя может включаться произвольно, без команды блока управления.
- В автомобиле начинают выходить из строя предохранительные элементы, при этом они перегорают неоднократно, а видимых причин тому нет. Если предохранители перегорают, это обычно связано с перенапряжением в бортовой сети или на определенном участке электроцепи, но диагностика не выявляет скачков напряжения.
- С различных датчиков импульсы не поступают либо поступают, но нерегулярно.
- Кроме того, еще одним симптомом может служить некорректная работа педали газа. Когда водитель жмет ан педаль, она может реагировать на нажатие с замедлением или очень туго. Такой признак является наиболее верным, особенно, если раньше педаль работала в нормальном режиме.
- Также на корпусе устройства могут быть видны следы повреждений. Например, это могут быть выгоревшие контакты либо следы подгорания на проводах.
- Еще один признак — отсутствие сигналов управления системой зажигания или топливным насосом, регулятором холостого хода и прочими устройствами, работу которых контролирует ЭБУ (автор видео о самостоятельной диагностике — Владимир Чумаков).
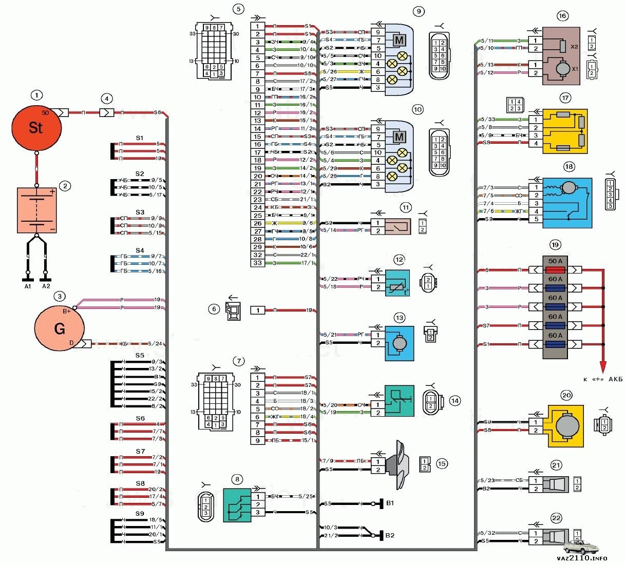
LADA 2170
Схема панели приборов

1, 2, 3, – колодки жгута панели приборов к переднему жгуту
4 – колодка жгута панели приборов к заднему жгуту
5 – контакты колодки монтажного блока
6 – выключатель сигнала торможения
7 – комбинация приборов
8 – модуль управления светотехникой
9 – модуль надувной подушки безопасности водителя
10 – выключатель звукового сигнала
11 – колодка диагностики
12 – переключатель режимов бортового компьютера
13 – выключатель зажигания
14, 15 – колодки к блоку управления электроусилителем
16 – контроллер электропакета 17 – переключатель световой сигнализации
18 – переключатель стеклоочистителей
19 – моторедуктор распределения воздушного потока
20 – блок управления отопителя
21 – переключатель электродвигателя отопителя
22 – выключатель обогрева заднего стекла
23 – часы
24, 25 – колодки жгута панели приборов к радиоаппарату
26 – выключатель аварийной сигнализации
27 – плафон освещения вещевого ящика
28 – выключатель освещения вещевого ящика
29 – колодка жгута панели приборов к жгуту системы зажигания
30 – блок управления системы надувных подушек безопасности
Схема соединений переднего жгута проводов

1 – стартер
2 – аккумулятор
3 – генератор
4 – колодки жгута АКБ и стартера и переднего жгута
5 – 7 – колодка переднего жгуту панели приборов
8 – выключатель подкапотной лампы
9 – фара левая
10 – фара правая
11 – датчик уровня тормозной жидкости
12 – датчик температуры воздуха 13 – электродвигатель омывателей
14 – выключатель лампы света заднего хода
15 – электровентилятор двигателя
16 – моторедуктор заслонки отопителя
17 – добавочный резистор
18 – электродвигатель стеклоочистителя
19 – основной блок предохранителей
20 – электродвигатель отопителя
21, 22 – звуковой сигнал
Схема системы зажигания

1 – контроллер
2 – колодка жгута системы зажигания к жгуту панели приборов
3 – блок предохранителей основной
4 – датчик скорости
5 – датчик неровной дороги
6 – датчик контрольной лампы давления масла
7 – датчик положения дроссельной заслонки
8 – датчик температуры охлаждающей жидкости
9 – датчик указателя температуры охлаждающей жидкости
10 – датчик массового расхода воздуха
11 – регулятор холостого хода
12 – реле бензонасоса
13 – предохранитель цепи питания бензонасоса (15 А)
14 – реле зажигания
15 – предохранитель реле зажигания (15 А) 16 – предохранитель цепи питания контроллера (7,5 А)
17 – датчик положения коленчатого вала
18 – датчик кислорода
19 – датчик фаз
20 – датчик детонации
21 – электромагнитный клапан продувки адсорбера
22 – датчик кислорода диагностический
23 – катушка зажигания
24 – свечи зажигания
25 – форсунки
26 – колодка жгута проводов катушек зажигания к жгуту системы зажигания
27 – колодка жгута системы зажигания к жгуту проводов катушек зажигания
28 – колодка жгута системы зажигания к жгуту форсунок
29 – колодка жгута форсунок к жгуту системы зажигания
А тут находятся электрические схемы Лада Приора Люкс.
РЕМОНТ АВТОЭЛЕКТРОНИКИ ЗАРЯДНЫЕ УСТРОЙСТВА ДЛЯ АКБ
Разновидности памяти ЭБУ
Для того чтобы выполнять свои функции, контроллеру приходится оперировать с множеством данных. Некоторые из них постоянно находятся в работе, другие загружаются периодически. Поэтому память поделена на три разновидности:
- ППЗУ — программируемое постоянное запоминающее устройство. В нем находится так называемая прошивка — программа, управляющая параметрами работы двигателя, такими как момент впрыска топлива, управление опережением угла зажигания, холостым ходом, а также калибровочные данные. Этот вид памяти сохраняется при отсутствующем питании. Изменение данных производится при помощи перепрограммирования.
- ОЗУ — оперативное запоминающее устройство. Выполняет ту же функцию, что и оперативная память обычного компьютера — временное хранение информации на протяжении одной рабочей сессии. В эту память поступают данные датчиков, в ней хранятся диагностические коды, а также промежуточная информация деятельности микропроцессора. Для ее работы требуется наличие электрического тока.
Схема подключения жгута ЭСУД ВАЗ 2170
Эта часть организована для подачи питания на основные приборы и систему управления двигателем машины Лада Приора. Отсюда поступает напряжение на основные узлы, агрегаты силовой установки транспортного средства, а также датчики контроля и ЭБУ.
Стандартная система подключения электрической цепи(распиновка) выглядит таким образом:
- 1 – питание ЭБУ;
- 2 – основная колодка электронной системы к приборной доске;
- 3 – распределительный щиток;
- 4 – спидометр;
- 5 – сенсор неровностей дорожного покрытия;
- 6 – индикация давления в картере двигателя;
- 7 – ДПДЗ;
- 8 – ДТОЖ;
- 9 – индикация датчика температуры антифриза;
- 10 – ДМРВ;
- 11 – контроль ХХ;
- 12 – основное реле топливного насоса;
- 13 – предохранитель цепи ТН;
- 14 – реле БЗ;
- 15 – предохранитель вышеуказанной цепи;
- 16 – плавкая вставка ЭБУ;
- 17 – ДПКВ;
- 18 – питание ДМРВ;
- 19 – фазораспределение;
- 20 – сенсор детонации смеси;
- 21 – ЭМК продувки адсорбера;
- 22 – диагностика ДМРВ;
- 23 – питание катушки зажигания;
- 24 – подача напряжения на свечи;
- 25 – питание топливных форсунок;
- 26 – клемма от катушек зажигания к ЭСУД;
- 27 – обратная связь с 26;
- 28 – разъем ЭСУД к системе впрыска;
- 29 – ответка на предыдущий выход;
- А – фаза на АКБ;
- В1/2 – масса зажигания;
- С1 – масса от КЗ.
Наиболее распространённые неисправности ЭСУД
Оговоримся сразу, статистика приводится средняя и характерная для электронных систем управления всех автомобилей. По мере убывания частоты возникновения неисправности список выглядит так:
- Предохранитель (наиболее простое и дешёвое препятствие, которое легко заменить или просто зачистить контакты);
- Термостат электронный (выходит из строя чаще всего и является причиной многих других дефектов); (а также повреждения в высоковольтной подводке) сбивают показания датчиков;
- Датчики: — холла; — электронной заслонки дросселя; — кислорода; — давления и его аварийного сброса в системе турбонаддува;
- Электроклапаны: — управления системой турбонаддува; — насоса охлаждения наддувной системы; — давления в турбосистеме; — в газораспределительной системе;
- Катушка зажигания; (у инжекторных и дизельных автомобилей).
ДИАГНОСТИКА И РЕМОНТ БЛОКА УПРАВЛЕНИЯ ВАЗ-2114
Как и любое оборудование, контроллер ВАЗ 2114 не застрахован от поломок. В случае первых весточек о его неисправности (нет сигнала на включение зажигания, перестал работать бензонасос, вышли из строя форсунки либо возникли проблемы с холостым ходом) должна выполнятся диагностика ЭБУ, которая считывает сохраненные в памяти устройства ошибки и помогает понять, что именно вышло из строя.
Диагностика блока проводится в сервисном центре, где для этого используется сканер, настроенный на соответствующую модель блока ВАЗ 2114. Также диагностику можно провести самостоятельно, для этого вам потребуется ноутбук, шлейф (кабель подключения к ЭБУ) и специальная программа.
Хорошо себя зарекомендовали программы для диагностики Diagnostic Tool v1.31.2, DiagnozNK и Автоваз-NEW.
Если блок не отвечает на диагностику (довольно часто встречающаяся проблема, не предвещающая ничего хорошего) нужна проверка работоспособности устройства. Для этого требуется:
- Проверить механическую целостность блока, он может иметь повреждения либо пострадать от коррозии;
- Проверить устройство на перегрев;
- Проверить питание блока.
Качественный ремонт ЭБУ своими руками выполнить невозможно, делать это необходимо исключительно в сертифицированных центрах обслуживания ВАЗ 2114. Ремонт ЭБУ в ближайшем СТО также не лучший выбор, единственное, что можно доверить специалистам-самоучкам – выполнить замену блока на новый.
Работа вспомогательной схемы
Список приборов, которые включает дополнительная электросхема ВАЗ, шире, чем основной. К вспомогательной схеме относятся ряд элементов.
| № |
Наименование элемента |
| 1 | Светозвуковые составляющие. |
| 2 | Система обслуживания стекол. |
| 3 | Блок вентилирования внутри салона авто. |
| 4 | Вентилятор охлаждения двигателя. |
| 5 | Элементы, отвечающие за обогрев заднего стекла Приоры. |
| 6 | Панель приборов. |
| 7 | Электрический усилитель. |
| 8 | Приводы зеркал. |
| 9 | Система защиты от угона. |
При этом с каждой составляющей вспомогательной схемы без инструкции первое время трудно будет обходиться. Некоторые модели отечественного авто, к примеру, Приора Люкс, могут дополняться, помимо ранее перечисленных элементов, и другими полезными составляющими: противотуманками, кондиционером, датчиками света и дождя и т. п.
До запуска двигателя весь рассмотренный список оборудования будет питаться от аккумулятора, а после старта схема проводки переводит питание на генератор. При временной высокой нагрузке некоторые приборы могут переключаться на питание от аккумуляторной батареи. Вся электрика и соответствующие приборы контролируются от набора специальных датчиков. При поломке основной схемы использование машины запрещено, в то время как при неисправности дополнительной схемы Приоры движение возможно.
Загрузка …
Распиновка разъёма щитка приборов Лада Приора
Информативный щиток, установленный на приборной панели, содержит больше всего данных.
Каждое вспомогательное устройство подсоединено на щитке к контрольным лампам. За работой всех устройств следит компьютерный чип. Его миссия — управление работой панели в соответствии с его программной прошивкой. Все элементы данного устройства смонтированы на электронной плате, на которую нанесены соединительные дорожки: микросхема с ЭБУ, ЖК монитор, сопротивления, транзисторы, гнездо разъема для жгута проводки. В разъеме для подключения панели приборов 32 ячейки.

| № | Расшифровка |
| 1 | Электроусилитель руля |
| 2 | Контроль аварийки |
| 3 | Подключение к датчику давления масла |
| 4 | Световой индикатор стояночного тормоза |
| 5 | Электронное противоугонное устройство |
| 6 | Модуль управления подушками безопасности |
| 7 | Сигнализатор включения наружного освещения |
| 8 | Указатель и дублер правого поворотника |
| 9 | Указатель и дублер левого поворотника |
| 10 | Блок управления двигателя |
| 11 | Отключение передней подушки безопасности пассажира |
| 12 | Сигнализатор ремней безопасности |
| 13 | Блок тормозной системы ABS |
| 14 | Кнопка подрулевого переключателя |
| 15 | Индикатор расширительного тормозного бачка |
| 16 | Модуль управления системой безопасности ABS |
| 17 | Блок управления головными фонарями дальнего света |
| 18 | Модуль подсветки щитка |
| 19 | Общий минус устройства |
| 20 | Аккумуляторные клеммы постоянного плюса |
| 21 | Контакт замка зажигания |
| 22 | Топливный расходомер |
| 23, 24 | Подрулевые переключатели поворотов |
| 25,26 | Датчики температуры за бортом |
| 27 | Датчик топлива |
| 28 | Датчик скорости |
| 29 | Датчик температуры охлаждения жидкости |
| 30 | Сигнал тахометра |
| 31 | Диагностика щитка |
| 32 | Клемма реле регулятора генератора |





























