Как проверить напряжение электрогенератора на АКБ
Электродвижущую силу или же разницу потенциалов можно определить следующими методами — с помощью генерирующего оборудования и через аккумуляторную батарею. Электрогенератор непосредственно связан с источником питания толстым кабелем, поэтому для проверки уровня разности потенциалов можно измерить напряжение на источнике питания. При применении такого метода Вам понадобятся специальные измерительные приборы — вольтметр, мультиметр или нагрузочная вилка.

Провода устройств подключаются к АКБ в любом порядке. Вилка должна быть соединена с клеммами аккумуляторной батареи, при этом строго соблюдается полярность. Допустимое напряжение в сети не должно быть менее 12,5 вольт. На холостых оборотах с выключенными электрическими устройствами машины этот показатель должен составлять порядка 13,5—14 В. Снижение значений напряжения до 13,3—13,8 вольта является приемлемым.
Основываясь на вышесказанном, основными типами поломок электрогенератора УАЗ Патриот могут быть проблемы с поликлиновым ремнем, неисправность подшипника, выход из строя диодного кремниевого моста. Решить проблему с падением напряжения на генераторе УАЗ Патриот можно также путем установки трехходового регулятора, однако это не решит все имеющиеся проблемы. В случае обнаружения проблем в работе электрогенератора сразу необходимо начать его диагностику для выявления причин поломки.
FakeHeader
Братцы помогите! Нужен руль от 120 короллы, можно только кнопку бибики ( заглушку) без аирбэка . Скоро на охоту, а буханка без биби
На такой серьезной машине с таким не серьезным «галстуком» ;-))
Нормальный ещё купить не успел.
рекомендую к генератору поставить реле-регулятор CARGO 231045, SP-19534. На родной патриотовский генератор прамо-искра 120А встает как родное. Если стоит ЗМЗ-409 е4, то скорее всего стоит именно этот генератор. Поставил такое реле-регулятор на ТО-75000км, «Встало как родное, штатное, с зарядкой дела сразу улучшились — на ХХ напряжение на вольтметре 14.4в, при включенных габаритах, ПТФ, вентиляторе, печке и второй печке на ХХ напряжение остается 14.0в, при движении на 2200 — 2500 оборотов и этих же потребителях напряжение остается 14.0 — 14.1в, вместо 13.6в на родном заводском реле-регуляторе. Ну и щетки у заводского сточились до примерно 5мм длины. «
Сейчас 97 000км, нареканий к работе реле-регулятора или генератора нет. Покупалось с этими артикулами в автодоке.
Источник статьи: http://rezina48.ru/novosti/shchetki-generatora-uaz-patriot-2.html
Системы и стратегии для победы
Эта ошибка связана с предыдущей. Когда игрок считает, что существуют специальные стратегии, помогающие выиграть, он автоматически верит в связь между спинами, которой не существует. Очевидно, что никто не запретит вам изменять размер ставки, количество активных линий и другие. Это делает игру более интересной, помогает контролировать расходы, но не гарантирует успеха на игровых автоматах.
Единственный безопасный способ выиграть – это несколько простых шагов
Для начала вам нужно выбрать лучшую модель для вашей игры, обратить внимание на возможные ставки, количество линий и комбинаций. Тогда вы должны поставить ограничения в деньгах и времени
Очень важно не потерять все
Устройство и особенности
Завод комплектует автомобили синхронными генераторами Iskra, Прамо Электро или БАТЭ, оснащенными кремниевым выпрямительным блоком и автоматическим корректором напряжения. На вал ротора установлен шкив, который фиксируется шпонкой и гайкой. Крутящий момент передается от коленчатого вала мотора при помощи ременной передачи с ручным механизмом натяжения.
При регулировке следует придерживаться рекомендаций завода-изготовителя, т. к. чрезмерное натяжение приводит к преждевременному выходу из строя подшипниковых опор.
Диодный выпрямительный блок выполнен съемный, что упрощает процедуру ремонта оборудования. Устройство выпрямления герметично, т. е. обеспечено сохранение работоспособности при попадании воды. Номинальное напряжение на выходе составляет 14 В, сила тока не превышает 80-90 А (на машинах с кондиционером параметр увеличен до 110-120 А).
Ротор установлен на 2 шариковых подшипниках, вращается в правую сторону (если смотреть со стороны привода). Внешний кожух генератора выполнен из алюминиевого сплава, предусмотрен вентилятор для охлаждения.
Диодный мост
Полупроводниковый диодный мост, установленный на внешней части задней крышки электрогенератора, предназначен для преобразования переменного тока в постоянный. В конструкции узла применены кремниевые диоды, позволяющие проводить напряжение только в одном направлении.
Для предотвращения коротких замыканий детали расположены в герметичном кожухе. При работе устройство охлаждается конвекционным методом и потоком воздуха, создаваемым вентилятором, установленным на роторе.
Трехуровневый регулятор
В заводской сборке в конструкции генератора используется стандартный выпрямительный блок, который работает без учета температуры окружающей среды. В результате наблюдается просадка напряжения и неполноценная зарядка АКБ.
Для повышения рабочих параметров электрогенератора применяется модернизированный 3-уровневый регулятор. Устройство автоматически корректирует параметры тока в выходной цепи генератора, ориентируясь на температуру воздуха. В конструкции предусмотрен механический тумблер для переключения в режим зимней работы.
Автомобили Patriot не обеспечивают зарядку батареи из-за снижения частоты вращения ротора генератора при движении по бездорожью (при подаче дополнительной нагрузки на электрические цепи).
Ситуацию исправляют заменой шкива (для увеличения числа оборотов ротора) или установкой более мощного генератора, производимого альтернативными поставщиками. Применение 3-уровневого регулятора позволяет улучшить работу электрогенератора, монтаж дополнительного устройства выполняется самостоятельно.
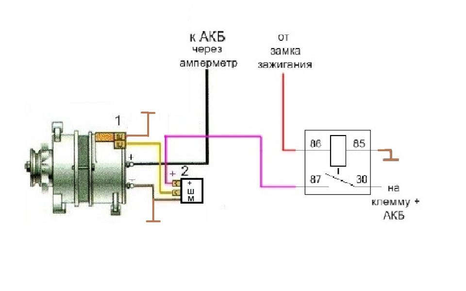
Схема Подключения Генератора Уаз
Замена и снятие электрогенератора Генератор на автомобиле ваз снимают либо для полной замены в случае выхода из строя или для выполнения ремонтных работ по замене неисправных частей.
Выполнение любой работы происходит поэтапно.
Установка генератора от Мерседес Бенц Mercedes-Benz на Газель 3302 (уаз) 402 и 417 двигатель
Генератор УАЗ: подключение, характеристики
На автомобилях до года — это 6РК один ремень , после го — с двумя ремнями 6РК Любые неисправности приводят именно к этим последствиям, приходит в неисправность батарея АКБ или резко увеличивается эксплуатационный бюджет. Отсоединяем колодку с проводами с разъема генератора. При работе двигателя узел подзаряжает аккумуляторную батарею и обеспечивает систему зажигания, обслуживающие системы и сам автомобиль электрическим током. Отсоединить аккумуляторную батарею. Любые неисправности приводят именно к этим последствиям, приходит в неисправность батарея АКБ или резко увеличивается эксплуатационный бюджет. Поделить с друзьями: Вам так же может быть интересно.
Как работает генератор
При покупке нового оборудования следует обращать внимание на срок гарантии и качество изготовления. После этих действий откручивается болтик клеммы фиксатора щеток
Потом мой товарищ сказал, это все ерунда и надо сделать нормально — выкидывай этот уголок!
Снимается сам якорь. Далее изымается и заменяется подшипник. Извлекается сам держатель. Обязательно должна присутствовать контрольная лампа, подключенная к системе. Если, при подключении генератора УАЗ что-либо будет сделано не так, устройство может выйти из строя. Не рекомендуется использовать прибор с переменным током.
Этот агрегат необходим для питания автомобиля электричеством и подзарядки аккумуляторной батареи.
В качестве тюнинга добавил бы вырез сверху и конечно же покрасил бы в красный цвет, а так как времени уже было мало, довольствовались тем что есть! К сожалению, механика, какой бы надежной она ни была, все же не вечна. Если вы видите, что он износился, то вероятнее всего, вам придется его поменять.
Планку натяжителя установил на родное место, только перевернули теперь к верху — планку пришлось немного подработать в кузне — просто погнули буквой Z, чтобы красиво стояла и ничего не задевала в подкапотном пространстве. При прохождении технического обслуживания проводится проверка креплений узла и натяжки ремней.
Новые генераторы имеют другую конструкцию и, соответственно, иную схему подключения. А лампочку нужно было поставить в разрез красного проводе.
УАЗ 31512, 31514, 31519 Мультимедийное руководство
Характеристики генератор для УАЗ
Ну вот, все на месте, все подключено, первый запуск и все работает, отлично!
Рекомендуется проводить разборку механизма только в специальном сервисе. Но величина этого тока зависит от частоты вращения ротора и, соответственно, оборотов двигателя.
В генераторе очень много небольших деталей, потому их необходимо рассортировать на столе.
В ходе технического обслуживания необходимо удостовериться в том, что генераторное устройство а или любое другое на двигателе надежно установлено. У этого генератора регулятор напряжения уже встроен в щеточный узел самого генератора, а у меня был выносной поэтому старый регулятор напряжения открутил как лишнюю деталь и выкинул лишние провода. Номинальный ток, А
Рекомендуем: Подключение света на участке
Думал, все получилось, но после накидывания ремня генератора, мы видим, как ремень проходит под термостатом, и он нам мешается. Осматривается статор. Износ щеток минимален, генератор не шибко грязный, осталась заводская окраска. Изымается крышка вместе с ротором. Ремонт в мастерской обойдется дороже, но качество его выполнения будет намного лучше.
3 метода проверки регулятора напряжения генератора
Потом мой товарищ сказал, это все ерунда и надо сделать нормально — выкидывай этот уголок! Какие модификации имеет ремень генератора? При отсоединении проводов необходимо вытянуть саму колодку. В качестве тюнинга добавил бы вырез сверху и конечно же покрасил бы в красный цвет, а так как времени уже было мало, довольствовались тем что есть!
Ну раз на подходит, думаю на тоже подойдет. Дальнейшие действия следует выполнять в таком порядке. Выбирая подходящий элемент, надо руководствоваться инструкцией по эксплуатации, а также каталогом деталей конкретного двигателя.
Думал, все получилось, но после накидывания ремня генератора, мы видим, как ремень проходит под термостатом, и он нам мешается. 3. Система зарядки — 2
Снятие и установка
В случае выхода из строя или замены требуется ремонт генератора уаз патриот, для этого нужно проделать следящие действия:
- От аккумулятора отключается минусовая клемма;
- От изделия отключается колодка с проводами;
- У устройства откручивается гайка минусовой клеммы и отсоединяется кабель;
- У привода устройства снимается ремень;
- У гаек верхнего крепления и у контрирующего болта ослабляется натяжение;
- Снизу у генератора откручивается болт крепления;
- Откручивается пара болтов которые крепят верхний кронштейн и ГБЦ;
- Снимется генератор.
После снятия можно проводить необходимый ремонт генератора или замену. Устанавливается все в обратном порядке. После этого производится подключение генератора УАЗ 469.
В случае если установить в место штатного реле, трехуровневый регулятор нужно проделать следующие действия:
- У генератора снимается задняя крышка;
- Снимаются щетки и штатное реле, для этого выкручивается пара гаек и один соединительный винт;
- Устанавливается новый регулятор, он прикручивается штанными гайками и с помощью винта соединяется с диодным мостом;
- К кузову автомобиля в удобном месте прикручивается коробочка с регулятором;
- Масса крепится к кузову.
Это устройство поможет продлить срок службы АКБ.
Для подключения генератора УАЗ, а в простонародье буханка существует специальная схема, которая выглядит следующим образом, эта схема включает в себя следующие основные узлы:
Почему генератор выходит из строя?
Одна из причин поломки генератора заключается в небрежной эксплуатации транспортного средства. Предупредить о поломке может неприятный звук, который будет исходить со стороны генератора во время поездки.
Также выйти из строя может не сам генератор, а его составляющие элементы, и в этом случае можно обойтись только лишь ремонтом. Но если вовремя не исправить ситуацию, генератор сломается, и потребуется его замена.
За заменой генератора рекомендуется обращаться в специализированные СТО, где за работу готовы взяться настоящие профессионалы своего дела. Они проведут качественную диагностику, установят причину и быстро отремонтируют генератор или установят новый. При необходимости можно выполнить замену своими руками. Но для этого потребуется ознакомиться с тем, как устроен УАЗ Патриот и схема подключения генератора. Кроме этого, можно посмотреть различные фото или видео проведения подобных процессов.
Замена своими руками подразумевает выполнение нескольких этапов.
Подготовительный этап
В этом случае автовладельцу необходимо подготовить требуемые инструменты, а также купить новый генератор – это может быть оригинальная модель или ее аналог. В качестве инструментов понадобятся:
- отвертки;
- ключи на различные диаметры;
- удлинитель;
- молоток.
После этого можно приступать к следующему этапу.
Основной этап
Основной этап замены генератора подразумевает его снятие и установку нового агрегата. Процесс снятия делится на несколько шагов:
Сначала потребуется установить автомобиль на ремонтное место и позаботиться о фиксации его колес. Также потребуется отключить двигатель и снять клеммы с аккумулятора. Это необходимо, чтобы обеспечить безопасность проводимых работ. Далее необходимо отключить от генератора колодки с проводами
Делать это нужно максимально осторожно, чтобы не повредить проводку и отверстия, куда крепятся провода. После этого необходимо открутить гайку с минусовой клеммы и извлечь основной кабель, подключаемый к генератору. Четвертым шагом станет демонтаж приводного ремня
Для этого сначала потребуется ослабить ролики, за которые закреплен ремень, а потом приступить непосредственно к его снятию
Четвертым шагом станет демонтаж приводного ремня. Для этого сначала потребуется ослабить ролики, за которые закреплен ремень, а потом приступить непосредственно к его снятию.
Следующий шаг – ослабление натяжение контр — болта и гаек верхнего крепления
Важно в это время придерживать генератор, чтобы было легче открутить крепежный элемент
То же самое проделывается с болтами и гайками в нижней части генератора.
Наконец, владельцу «Патриота» останется открутить два болта крепления верхнего кронштейна и извлечь генератор. После этого можно либо отремонтировать вышедший из строя агрегат, если во время осмотра окажется, что это возможно, либо все-таки установить новый.
Обратная установка генератора выполняется точно так же, как разбор конструкции, но действовать нужно в обратно порядке
Поэтому важно в процессе работы помечать болты, гайки и другие крепежные элементы, чтобы можно было понять, за фиксацию какого элемента они отвечают
Проверка работоспособности
Когда сборка конструкции будет завершена, останется только проверить работоспособность нового генератора. Для этого необходимо подсоединить клеммы к аккумулятору и завести двигатель.
Отсутствие какого-либо звука со стороны генератора подскажет, что работа была выполнена успешно и можно продолжать эксплуатацию автомобиля. Те же самые работы проводятся для УАЗ «Патриот» с кондиционером.
Чтобы впоследствии подобные проблемы не возникали слишком часто, и не приходилось изрядно тратиться на покупку нового генератора, рекомендуется регулярно проводить осмотр состояния всего автомобиля и выполнять своевременный ремонт вышедших из строя элементов.
Источник
Проверка и замена щеток генератора ISKRA
Также можно проверить и заменить щетки без снятия генератора
Отсоединяем минусовую клемму аккумулятора
Отсоединяем колодку с проводом от вывода обмотки возбуждения генератора
Снимаем заднюю крышку, отвернув три гайки шпилек ее крепления
Выкручиваем винт крепления вывода щеткодержателя
Откручиваем две гайки крепления щеткодержателя
Снимаем щеткодержатель в сборе с регулятором напряжения
Проверяем, как перемещаются щетки в щеткодержателе. Если щетки заклинило, нужно заменить щеткодержатель в сборе.
Заменять можно если на самих щетках есть дефекты, сколы, трещины.
Измеряем величину выступания щеток из щеткодержателя.
Если величина выступания щеток в свободном состоянии меньше 4,5 мм, нужно заменить щеткодержатель в сборе с регулятором напряжения.
Проверяем исправность регулятора напряжения
Подсоединить контрольную лампу 12 V к щеткам.
При этом контрольная лампа должна гореть.
Если контрольная лампа не горит, регулятор напряжения необходимо заменить.
Генератор — электрическое устройство, при помощи которого происходит преобразование механической энергии двигателя в электрическую. Эта электроэнергия расходуется на работу электроприборов и оборудования в салоне автомобиля. К тому же, без электроэнергии не будет работать ДВС (двигатель внутреннего сгорания), поскольку ему для работы жизненно необходимы свечи зажигания (если только речь не идет о дизельных двигателях).
Подробно об алгоритме работы
Принцип действия генератора основан на простом физическом явлении, называемом электромагнитной индукцией. Суть в следующем: если навести на многовитковую обмотку из медной проволоки магнитное поле, изменяющее направление с определенной частотой, то на выходе катушки возникнет переменный ток той же частоты. Остается лишь создать упомянутое поле вокруг обмоток статора, вырабатывающих напряжение.
На практике генерация электричества происходит по такому алгоритму:
- Источник переменного магнитного поля автомобильного электрогенератора – обмотка самовозбуждения, расположенная в роторе. Чтобы изначально намагнитить клинообразные втулки, к ней подается импульс малой мощности от аккумулятора.
- После запуска мотора и достижения определенных оборотов коленчатого вала обмотки статора выдают переменный ток, выпрямляемый силовыми диодами. С этого момента обмотка ротора питается от самого генератора, то есть, происходит самовозбуждение. Внешний источник питания больше не требуется.
- Постоянный ток от диодного моста направляется в блок реле-регулятора. Поскольку величина напряжения «скачет» вместе с оборотами двигателя, задача электроники – стабилизировать перепады в диапазоне от 13,8 до 14,7 В.
- Дальше напряжение подается на подзарядку аккумуляторной батареи и в бортовую электросеть автомобиля.
Рекомендуем: Атмосферный двигатель или турбированный: основные характеристики и отличия
Реле-регулятор напряжения может входить в состав генераторной установки либо применяться в качестве отдельного блока.
Ток в статорных обмотках возникает в результате вращения переменного магнитного поля, создаваемого катушкой ротора. Чем быстрее крутится вал, тем выше напряжение и частота на выходе. Преобразование в постоянный ток обеспечивают полупроводники (диоды), закрепленные на теплоотводящей пластине и обдуваемые крыльчаткой вентилятора.

Устройство генератора безщеточного типа позволяет обмотке статора возбуждаться без внешнего источника питания. Намагничивание стальных втулок начинается при малых оборотах вала благодаря особой конструкции ротора и дополнительной катушке. Поэтому когда вы заводите с толкача машину с разряженным аккумулятором, оборотов коленчатого вала хватает, чтобы электрогенератор включился в работу.
Подключение агрегата
Схема подключения агрегата
Для удобства и понимания действий, проводимых с генератором, рекомендуется изучить схему подключения. На рисунке показана схема проводов, которые используются в процессе зарядки.
Особое внимание необходимо уделить размеру ремня, который является важной составляющей в работе генератора. На УАЗ обычно ставится ремень 6 РK 1275
Выполнение любой работы происходит поэтапно. От соблюдения очередности действий зависит успех проводимых операций. Для подключения генератора к системе автомобиля достаточно совершить 5 простых шагов.
- Первым делом следует отключить подачу электричества.
- Включить и прогреть бензогенератор.
- Подключить агрегат к сети.
- Отсоединить генератор от резервной сети и заглушить. Если сделать это неправильно, агрегат может повредиться и прийти в негодность.
- Подключить электросеть.
Процесс подключения агрегата
Транспортное средство нужно подготовить к проведению ремонта. Перед тем как отключить генератор для замены, необходимо установить автомобиль на ровной поверхности и зафиксировать. Обязательным условием является очистка всех элементов машины, в том числе днища.
Работы следует проводить только в присутствии механика. Ремонт в мастерской обойдется дороже, но качество его выполнения будет намного лучше. Следует учесть цену самого генератора. Так как ситуация на рынке нестабильная, стоимость агрегата может быстро меняться
При покупке нового оборудования следует обращать внимание на срок гарантии и качество изготовления. Рекомендуется приобретать изделия только известных производителей
При выходе из строя генератора нередко приходится менять и ремень. Для этого необходимо проделать несколько простых действий. Ремень привода извлекается из автомобиля. Затянутый болт следует немного ослабить, но не откручивать полностью, благодаря этому натяжение ремня уменьшится. Далее необходимо установить новый ремень. При этом нужно соблюсти все стандарты, главным из которых является ослабление не более 15 мм при нагрузке в 8 кгс. Нагрузка должна придаваться на середине механизма. После проверки следует закрепить регулировочный болт и установить на прежнее место ремень привода.
Топливный фильтр внедорожника УАЗ Патриот
Топливный фильтр — это очень важная деталь, при неисправности которой, работа двигателя на внедорожнике УАЗ Патриот становится невозможной.
Так как это изделие является расходным материалом, поэтому основной причиной его неисправности является засорение очистительного элемента.
Так как топливный фильтр предназначен для очистки бензина или дизеля, то продолжительность его функционирования зависит от качества этих видов топлива. Рассмотрим основные особенности топливного фильтрующего элемента, а также как производится его замена на УАЗ Патриот.

Особенности
Топливный фильтр тонкой очистки имеет ресурс работы до 15-20 тысяч км пробега. Но это не является основным показателем для его замены. Данная потребность зависит от качества заправляемого топлива, а также среды эксплуатации транспортного средства.
Автомобиль УАЗ Патриот относится к внедорожникам и если он эксплуатируется по назначению, то замену изделия следует осуществлять каждые 10 тысяч км пробега.
Но основным показателем к его замене является ряд негативных признаков, которые водитель обнаруживает во время движения:
- Машина дергается во время движения и при наборе скорости.
- Двигатель на холостом ходу работает со сбоями.
- Автомобиль отказывается заводиться.
Поэтому следует незамедлительно прибегнуть к установке нового изделия на внедорожнике УАЗ Патриот.

Фильтр дизильного двигателя
УАЗ Патриот комплектуется как с бензиновыми двигателями, так и с дизельными. Чем они отличаются — всем известно. А вот есть ли отличие между дизельным фильтром и бензиновым?
Хотите уменьшить расход вашего Патриота? Для этого прочитайте…
Фильтр тонкой очистки, который очищает дизель в системе, конструктивно ничем не отличается от бензинового. Но кроме очистительного элемента, фильтр дизельного двигателя оснащен сепараторами, которые предназначены для отделения из топлива воды. Некоторые модели автомобилей даже оснащены специальными датчиками воды и краниками, для возможности ее слива.
К сведению! Если УАЗ Патриот оснащен дизель-двигателем, то для того, чтобы исключить образование конденсата в баке, рекомендуется его периодически наполнять дополна.
Замена
Замена топливного фильтра тонкой очистки предусматривает выполнение следующих действий:
Снижается давление в системе. Для этого нужно не заводить двигатель в течение 20 минут.
Обесточивается автомобиль путем отключения клеммы «минус». Откручиваем гайки крепления
Для выполнения следующих действий потребуется два ключа. Одним выполняется удерживание штуцера, а вторым отвинчиваются гайки крепления наконечников.
Теперь потребуется ослабить стяжной хомут, с помощью которого фиксируется фильтр.
Отсоединяются топливные трубки. Трубки в месте соединения уплотнены резиновыми кольцами, которые быстро изнашиваются
Поэтому потребуется уделить им особое внимание. Теперь можно извлечь устройство из удерживающего его хомута.
Теперь можно извлечь устройство из удерживающего его хомута.
Замена новой детали осуществляется в последовательности обратной снятию, но первоначально убедившись в правильности направления потока жидкости. Для этого на изделиях имеется специальная стрелочка.
Немалую роль играет и экологический стандарт Евро-3 и Евро-4. Евро-3 предусматривает регулирование выхлопных газов на внедорожнике с бензиновым и дизельным двигателями. Модели УАЗ Патриот, выпускаемые с 2005 года оснащаются двигателями с соблюдением экологического стандарта Евро-4.
Подводя итог, нудно заметить, что наличие фильтрующего топливного элемента в двигателе является обязательным, так как его отсутствие повлечет ряд проблем с системой электронного впрыска топлива, и с состоянием двигателя в целом. Поэтому рекомендуем не убирать эту деталь и следить за ее состоянием.
Признаки неисправности генератора
В современных машинах поломки электрической системы — одни из распространённых. Большое количество электроники обязывает особо тщательно контролировать работу и состояние генератора и аккумулятора, потому что их выход из строя может обездвижить автомобиль. Самыми популярными признаками неисправности генератора являются:
- световая индикация аккумуляторной батареи на панели приборов;
- нестабильная работа АКБ (её выкипание или недозаряд);
- различная интенсивность света фар;
- посторонние звуки со стороны генератора.
Если вы заметили некорректную работу автомобиля, то, возможно, ток зарядки аккумулятора от генератора недостаточен.
Все неисправности электротехнического оборудования, к которому относится генерирующее энергию устройство автомобиля, являются механическими (деформация или поломка креплений, корпуса, нарушение работы подшипников, прижимных пружин, ремня привода и др.) или электрическими (обрывы обмоток, неисправности диодного моста, выгорание или износ щёток, замыкания между витками, пробои и пр.).
Не стоит списывать неработающий генератор со счетов: узнайте, есть ли ремкомплекты и запасные части. По возможности замените их. Если вы не можете самостоятельно осуществить ремонтные работы, то отдайте генератор в мастерскую. Многие умельцы сумеют восстановить агрегат без лишних затрат и в кратчайшее время.
Однако отдельные поломки требуют покупки нового устройства, генерирующего электроэнергию. Например, выходящий из строя подшипник, который впаян в корпус генератора не подлежит восстановлению или замене в большинстве случаев.
Помните, что поломка этого узла может быть вызвана не только износом и коррозией, но и плохим качеством элементов, комплектующих; чрезмерная нагрузка; внешнее воздействие солей, жидкостей, температур.
Проблемы при оплате банковскими картами
Иногда при оплате банковскими картами Visa / MasterCard могут возникать трудности. Самые распространенные из них:
- На карте стоит ограничение на оплату покупок в интернет
- Пластиковая карта не предназначена для совершения платежей в интернет.
- Пластиковая карта не активирована для совершения платежей в интернет.
- Недостаточно средств на пластиковой карте.
Для того что бы решить эти проблемы необходимо позвонить или написать в техническую поддержку банка в котором Вы обслуживаетесь. Специалисты банка помогут их решить и совершить оплату.
Вот, в принципе, и все. Весь процесс оплаты книги в формате PDF по ремонту автомобиля на нашем сайте занимает 1-2 минуты.
Генератор УАЗ: подключение, характеристики
Сбор генератора осуществляется в последовательности, противоположной разборке. Включить и прогреть бензогенератор. Неполадок в его работе не так много. Фото, к сожалению, в спешке не сделал с этой лампочкой, но я думаю все итак понятно.
Щетки не должны заедать в щеткодержателях. Впоследствии параметр увеличился до 60А.
Ввиду того, что в наше время УАЗы используют как внедорожные машины для охоты, рыбалки или экстремальных видов спорта, на них устанавливается большое количество дополнительного электрооборудования. Это вызывает опасное повышение напряжения, что влечет за собой повреждение диодов и регулятора напряжения. На автомобилях до года — это 6РК один ремень , после го — с двумя ремнями 6РК Любые неисправности приводят именно к этим последствиям, приходит в неисправность батарея АКБ или резко увеличивается эксплуатационный бюджет. Отсоединяем колодку с проводами с разъема генератора. При работе двигателя узел подзаряжает аккумуляторную батарею и обеспечивает систему зажигания, обслуживающие системы и сам автомобиль электрическим током.
Отсоединить аккумуляторную батарею. Любые неисправности приводят именно к этим последствиям, приходит в неисправность батарея АКБ или резко увеличивается эксплуатационный бюджет.
Поделить с друзьями: Вам так же может быть интересно. Схема цепи генератора .
Диагностика и подстройка ремней приводов УАЗ «Патриот»
Вакуумная замена масла
Ременная передача является старейшим приводом. Всё, что в нём менялось, – материалы и место применения. Для автомобиля это немаловажная и ответственная деталь, которая из-за своих особенностей нередко требует проверок или замен. Проверять их необходимо при любом прохождении технического обслуживания.
Также в этом выпуске
Преимущества и недостатки оппозитного двигателя
Что такое закрытый блок двигателя
При явных дефектах типа трещин, порезов, расслоения материалов, складок и истирания зубчатой поверхности ремень придётся удалить и поставить новый
Если он не маслостойкий, то обратите внимание, присутствуют ли следы масла. При их наличии ремень также стоит заменить
Обнаружение следов масла говорит о дополнительных проблемах, которые также необходимо устранить. Чаще всего виноваты сальники, утратившие свою герметичность.
Ремни генератора, насоса системы, отвечающей за охлаждение
- Для работы понадобятся ключи 10 и 13.
Немного отвинчиваем крепление натяжного ролика и с помощью регулировочного болта изменяем силу натяжения ремня. Он должен оттягиваться на 13–15 миллиметров при приложенной силе в 80 Н (8 кгс) в середине, между насосом и генератором. Для точной проверки удобно использовать ручные пружинные весы, зачастую известные как безмен. 1 кг натяжения таких весов примерно равен 9,81 Н.
Подстроив натяжение ремня, фиксируем его с помощью крепежа натяжного ролика.
Изменение натяжения ремня между насосом системы охлаждения и генератором мотора ЗМЗ-409 происходит самостоятельно, за счёт автоматического натяжителя. Ручная подстройка не нужна, но требуется диагностика самого натяжителя без ремня. При проблемах, к примеру заедании, механизм натяжения меняется полностью.
Тестирование и подстройка натяжения ремня привода вентилятора и насоса ГУР
Как и на предыдущем ремне, проверяем натяжение. На равном расстоянии от насоса усилителя руля и шкива вентилятора он должен оттягиваться на 10–15 мм при той же нагрузке в 80 Н.
Изменить натяжение ремня можно с помощью смещения насоса ГУР:
Немного отвинчиваем пару болтов, которыми насос крепится к кронштейну.
Подкручивая регулировочный болт, изменяем положение насоса на кронштейне.
Ещё раз убеждаемся в правильном натяжении ремня.
Завинчиваем болты крепления до полной фиксации ГУР.
Гидроусилитель руля – вещь опциональная и присутствует не на каждой машине. В таком случае вместо насоса ГУР на моторе находится ролик, с помощью которого и подстраивается натяжение соответствующего ремня.
Снятие генератора
Алгоритм снятия генератора с автомобилей Патриот с бензиновым двигателем ЗМЗ 409:
- Отключить отрицательный провод от аккумулятора.
- Отсоединить штекер с кабелями, подсоединенный к обмоткам возбуждения.
- Открутить гайку, фиксирующую провод к положительной клемме электрогенератора.
- Ослабить натяжной ролик, провернув болт крепления ролика, а затем вращать винт, уменьшающий натяжение ременного привода.
- Удалить ремень со шкивов, а затем открутить контрящий болт корпуса генератора.
- Открутить гайку, предназначенную для фиксации верхней части устройства к переходному кронштейну.
- По аналогии откручивается нижняя точка крепления, фиксирующий болт извлекается из отверстия.
- Отсоединить кронштейн от блока цилиндров (крепится 2 гайками) и демонтировать генератор для ремонта или обслуживания.
На автомобилях с дизельным двигателем 4CT90-1 (Андория) для привода генератора используется единый ремень, вращающий шкив вентилятора, соединенный с ротором водяной помпы. Перед началом демонтажа электрогенератора потребуется снять крыльчатку, препятствующую удалению ремня и перекрывающую доступ к болтам.
Дополнительно снимаются воздушные патрубки, закрывающие доступ к генератору. Корпус генератора используется для натяжения ремня, регулировочный болт расположен сверху, снизу смонтирована дополнительная опора.
Установка трехуровневого регулятора
Алгоритм установки оборудования на бензиновые и дизельные моторы УАЗ Патриот:
- Демонтировать генератор, а затем снять защитный кожух, расположенный на задней крышке.
- Отсоединить штатный регулятор напряжения, осмотреть состояние коллекторных пластин на роторе генератора.
- Установить на место модернизированный узел, который крепится и подсоединяется штатными гайками и проводами.
- Вывести дополнительный кабель с гофрированной защитой через дополнительное отверстие в защитной крышке.
- Установить контроллер управления на стенке моторного щита. Включить соответствующий условиям эксплуатации режим работы.
- Установить на штатное место генератор.
Следует учитывать, что применение 3-уровневого регулятора не является панацеей. Не рекомендуется подключать дополнительные электрические приборы к автомобилю с мотором, работающим на холостых оборотах.
Для питания внешнего оборудования рекомендуется использовать портативные бензогенераторы, оснащенные выпрямительными блоками.
Схема подключения
Корпус регулятора подключается к кузову автомобиля, штекер с литерой Ш используется для подсоединения к модернизированному щеточному узлу. Второй выход от щеток подходит к третьему контакту Б регулятора. Колодка Б соединяется с положительным полюсом батареи через реле, работающее от замка зажигания.
В панели приборов ставят резистор, чтобы индикатор не выдавал ошибки при холостых оборотах.


























