Генератор
Узел генератора Шевроле Нива позволяет обеспечить весь автомобиль энергией для функционирования всех электронных приборов транспортного средства. Этот узел состоит из 3 основных элементов:
- генераторной установки — создает переменный ток;
- выпрямителя — преобразует переменный ток в постоянный;
- регулятор напряжения — стабилизирует напряжение на выходе.
Общая мощность установки в 5000 оборотов в минуту позволяет поддерживать постоянное напряжение величиной 13-14 В, сила тока при этом составляет 55-60 А. Эти характеристики являются оптимальными для нормального рабочего состояния авто.
Выработанная генератором электроэнергия распределяется на все потребители системы, а остальное идет на подзарядку аккумулятора во время работы двигателя.
Сам генератор расположен возле двигателя и соединен с его коленвалом посредством ременной передачи. Нижняя его часть крепится 2 специальными лапами к кронштейну двигателя 1 болтовым крепежом. Сверху устройство закреплено на планке через шпильку.
Поскольку узел в ВАЗ 2123 расположен очень близко к двигателю автомобиля, он имеет надежную конструкцию, которая выдерживает нагрузки от вибрации, температуры, а также влажную среду и грязь. Ломается генератор редко, но вот некоторые его детали приходят в негодность по истечении определенного срока эксплуатации, например, щетки.
Что делать, если провода от генератора Нива Шевроле сгорели?
Если вы обнаружили, что провода от генератора на вашей Ниве Шевроле сгорели, необходимо принять срочные меры для их замены. Несработавший электрический контакт может привести к снижению эффективности работы генератора и неправильной работе автомобиля в целом.
При первых признаках неполадки, следует:
| Шаг 1: | Выключите двигатель и отсоедините аккумулятор |
| Шаг 2: | Внимательно осмотрите провода от генератора на предмет повреждений, перегоревших мест или обветренности изоляции |
| Шаг 3: | При необходимости, приобретите новые провода на специализированном автомобильном рынке или заказав их у официального дилера |
| Шаг 4: | Аккуратно отсоедините поврежденные провода и замените их новыми, следуя цветовой маркировке |
| Шаг 5: | Удостоверьтесь в надежном соединении проводов с генератором и аккумулятором |
| Шаг 6: | Установите аккумулятор на место, затяните зажимные гайки |
| Шаг 7: | Запустите двигатель и проверьте работу генератора |
Если после замены проводов проблема сохраняется, рекомендуется обратиться в сервисный центр для проведения более глубокой диагностики и ремонта генератора и других электрических компонентов автомобиля.
Демонтаж регулятора напряжения
Регулятор напряжения можно извлечь из Нива Шевроле для замены, воспользовавшись плоской отверткой и ключом на 8. Порядок следующий:
- Делать это стоит, если напряжение в системе не соответствует норме — меньше 13.5 В.
- Отключаем провод от «минуса» аккумулятора.
- Колодку генератора с выводом D+ отключить. Поворачиваем резиновый чехол в сторону, откручиваем гайку.
- Отключаем провода от шпильки.
- Откручиваем гайку фиксации клеммы цепочки возбуждения генератора, а после снимаем саму клемму.
- Ослабляем 3 винтовых крепления пластикового кожуха генераторной установки, снимаем кожух.
- Далее еще 2 гайки крепления, которые фиксируют регулятор напряжения.
- Отключаем винт фиксации клеммы к D+ шине от выпрямителя, после чего можно наконец снять сам регулятор напряжения.
Генератор на Ниве работает очень долго и без особых проблем пробудет в эксплуатации несколько лет. Со временем его мощность заметно падает, тогда и стоит заменить несколько его деталей или весь узел. Если после замены проблему с падением мощности устранить не удалось, стоит отправиться в сервисный центр на диагностику.
Реле-регулятор
Поломка реле-регулятора – нечастое явление, но тем не менее оно встречается чаще, чем выход из строя диодного моста. Особенно если регулятор механический (ВАЗ 2121). При такой неисправности генератор может вообще не давать зарядку, а может выдавать очень высокое (до 16 В), что чревато серьезными последствиями: аккумулятор кипит, бортовые системы горят.
Как было отмечено выше, на Ниве ВАЗ 2121 регулятор расположен в моторном отсеке отдельно от генератора. Найти его несложно – такую коробочку ни с чем не спутаешь, и расположена она практически на виду.
Реле-регулятор в Ниве ВАЗ 2121 расположено в моторном отсеке
В остальных модификациях автомобиля Нива регулятор собран в один блок со щетками и расположен внутри генератора – об этом мы говорили совсем недавно (см. фото в разделе «Проблемы с генератором»). Можно ли как-нибудь проверить исправность этого узла, прежде чем тратиться на новый?
В роли первого может выступать автомобильный аккумулятор, а второй можно легко собрать из той же автомобильной АКБ, подключив последовательно с ней дополнительный источник напряжением 3-5 В. Это может быть зарядное от мобильника, несколько пальчиковых батареек, соединенных последовательно, и т. д. Если у нас БП ноутбука на 19 В, то он подойдет как самостоятельный источник.
Еще нам понадобится автомобильная лампочка мощностью несколько ватт. К примеру, лампа габаритного света или указателя поворотов. Для проверки реле ВАЗ 2121 собираем следующую схему:
Схема проверки реле-регулятора ВАЗ 2121
Методика проверки следующая. Подаем на реле 12 В. Лампа должна загореться. Увеличиваем напряжение до 15-18 В – лампа погаснет. Если она не загорается вообще, то транзисторный ключ регулятора в обрыве. Если горит при обоих напряжениях, то ключ пробит.
Схема для проверки реле-регулятора ВАЗ 21213, 21214, 2131, 2123
Вот мы и разобрали возможные причины, по которым на нашей ВАЗ 2121 (21213, 21214, 2131, 2123) нет зарядки. Теперь мы сможем решить подобную проблему самостоятельно. В этом нет ничего сложного.
Выявление неполадок
Ремонт генератора Нива Шевроле может понадобиться лишь в некоторых случаях, когда замена деталей не решает проблемы. Есть несколько признаков, после которых стоит проверить исправность узла генератора. Они следующие:
- После запуска двигателя лампочка-индикатор с обозначением аккумулятора должна погаснуть. Если после начала работы движка сигнал все еще работает, значит заряд аккумуляторной батареи не производится, напряжение генератора недостаточно для заряда.
- При включенном двигателе свет фар стал тусклым. Заряд от батареи хоть и есть, но он слишком мал, чтобы поддерживать нормальную работу электронных устройств в автомобиле, измерительные приборы показывают низкие характеристики напряжения — 12 В.
- Раздается шум со стороны мотора, кроме того, наблюдаются 1 и 2 пункты. Звуки могут напоминать столкновение металлических поверхностей или свист. Скорее всего, сломался подшипник и требуется его замена.
А еще интересно: Электросхема ВАЗ 21213 Нива карбюратор с описанием и фото Эти 3 признака помогут выявить, но не распознать неполадку. Без специальных устройств очень трудно догадаться, какая именно деталь повреждена. Четкое представление о поломке может дать только диагностика в сервисе.
Провода от генератора Нива Шевроле: важность их прокладки
Роль проводов от генератора
Провода от генератора выполняют две основные функции:
- Подача электрического тока к аккумуляторной батарее: Генератор производит электричество, которое поступает на аккумулятор, заряжая его. Заряженный аккумулятор обеспечивает электроэнергией работу всех электрических устройств автомобиля.
- Подача электрического тока к потребителям: Часть электрического тока, производимого генератором, напрямую подается на потребители, такие как фары, кондиционер, радио и другие электрические приборы.
Проблемы при плохой прокладке проводов
Неправильная прокладка проводов от генератора может вызвать следующие проблемы:
- Плохой заряд аккумулятора: Если провода плохо прокладываются или имеют повреждения, то заряд от генератора может не доходить до аккумулятора полностью или вовсе прерываться. Это приводит к снижению емкости аккумулятора и быстрому разряду.
- Неисправность электрических потребителей: Неправильная прокладка проводов может вызвать скачки напряжения и нестабильную работу электрических приборов. Это может привести к их выходу из строя или сбоям в работе.
- Повреждение проводов: Провода, плохо прокладываемые, могут подвергаться механическим нагрузкам и трению с другими деталями автомобиля. Это может привести к их повреждению и обрывам, что ведет к полному отказу генератора и электрической системы.
Чтобы избежать проблем с проводами от генератора, необходимо правильно прокладывать их, устанавливать их в защитные резиновые гильзы и регулярно проверять на отсутствие повреждений. При обнаружении проблем рекомендуется обратиться к профессиональному автомобильному электрику для диагностики и ремонта.
Принцип работы
Основой получения электрического тока служит явление электромагнитной индукции. Оно представляет собой возникновение в замкнутом контуре индукционного тока при условии изменения пронизывающего этот контур магнитного потока. Идей для реализации генераторной установки может быть несколько. Достаточно вспомнить все опыты по наблюдению ЭМИ. Но рациональные и технические составляющие накладывают свои ограничения. Использовать в качестве источника магнитного поля постоянный магнит нерационально, так как при этом невозможно будет регулировать магнитный поток. Изменяя силу тока в электромагните, можно, в конечном счете, влиять на выходные параметры индукционного тока.
К ротору относят не только обмотки электромагнита, но и вал с контактными кольцами. Благодаря скользящему контакту графитовых щеток с контактными кольцами, обеспечивается возбуждение подвижной обмотки. Ток к регулятору напряжения подводится по одной из двух цепей. Изначально, когда двигатель выключен, обмотка запитана от АКБ. После запуска двигателя генератор самостоятельно питает свой электромагнит. При вращательном движении ротора в статорной обмотке индуцируется переменный электрический ток.
Контроль работы генератора осуществляется посредством включения лампы на панели приборов.
При работающем устройстве потенциал на контакте генератора и на выводе диодного моста одинаков, следовательно, ток через лампу течь не может. Если лампочка светится, это означает низкое напряжение на разъеме диодов, что говорит о неисправности источника тока. Выпрямленный ток питает бортовую сеть и подзаряжает аккумулятор.
Подключение генератора
Замена генератора – это еще полдела
Важно также правильно его подключить к источнику цепи. Перед подключением нужно завершить работы на передней и задней панелях агрегата, только после этого можно подключать клеммы к аккумулятору
Во время подключения контакты должны быть чистыми. Если было обнаружено загрязнение, устранить его можно с помощью специальных очистителей. Также клеммы на аккумуляторе должны быть затянуты, иначе на их поверхности начнется процесс окисления.
Если все было выполнено правильно, то при запуске двигателя лампочка на приборной панели, отображающая низкий заряд аккумулятора, должна погаснуть. Однако специалисты рекомендуют на всякий случай проверить работу генератора с помощью мультиметра, измерив напряжение на клеммах.
Таким образом, чтобы в процессе эксплуатации автомобиля Chevrolet Niva не происходило никаких серьезных проблем с генератором, важно вовремя проходить технический осмотр и выполнять ремонт комплектующих данного агрегата. В бортовой сети автомобиля предусмотрено два источника питания
Роль первого из них выполняет аккумуляторная батарея, однако ее функции весьма ограничены. Она запитывает сеть до запуска двигателя, а также питает некоторые элементы системы управления двигателем во время его работы
В бортовой сети автомобиля предусмотрено два источника питания. Роль первого из них выполняет аккумуляторная батарея, однако ее функции весьма ограничены. Она запитывает сеть до запуска двигателя, а также питает некоторые элементы системы управления двигателем во время его работы.
Профилактика
Для предупреждения поломок, производитель рекомендует придерживаться нескольких советов.
- Один раз в год обрабатывать все клеммы и разъемы специальным маслом – это предупредит образование окислов.
- Периодически проверять плотность креплений контактных разъемов. При расшатывании соединений возможно образование коротких замыканий или снижения проводимости цепи, что будет воспринято ЭБУ как отказ механизма.
- Проверять степень изношенности силовых кабелей и магистралей. При активной эксплуатации автомобиля, оплетки, изготовленные из гибкого полимера, могут износиться и растрескаться. Это обстоятельство может спровоцировать короткие замыкания и механическое осыпание изоляторов. Следовательно, лучше предупредить поломку, чем ее устранять.
Если придерживаться перечисленных правил автомобиль будет служить долго и качественно все время.
Процедура замены
Однако при необходимости поменять генератор можно и самостоятельно, если знать устройство автомобиля и подготовить необходимые инструменты. Кроме этого лучше заранее ознакомиться с алгоритмом замены.
Чтобы поменять генератора на Chevrolet Niva, потребуется выполнить несколько довольно несложных шагов.
- В первую очередь следует позаботиться о безопасности проводимых работ. Для этого необходимо поставить машину на ремонтное место, заглушить двигатель и снять клеммы с аккумулятора.
- Следующий шаг – это демонтаж провода с контактного болта, который расположен на задней панели генератора. Также потребуется снять колодку с узла, который фиксирует щетки.
После этого следует приступить к демонтажу ремня генератора. Натяжение ремня осуществляется посредством специальной пластины — натяжителем. Отрегулировать натяжение можно с помощью болтов крепления, их нужно ослабить. Пластина находится в районе натяжного ролика и крепится к конструкции с помощью трех болтов. Чтобы их открутить, нужно взять рожковый ключ для двух болтов, а для ослабления третьего использовать вороток.
Далее останется только демонтировать ремень и открутить болты крепления генератора. Болтов всего два – сверху и снизу, но они массивные, и потребуется ключ на большой диаметр. Если болты не будут проворачиваться, то потребуется удерживать их сзади.

Когда болты откручены, останется демонтировать генератор и приступить к установке нового.
Ремень является частью системы передач между двигателем и генератором, поэтому его состояние напрямую влияет на работу генераторной установки. Во время эксплуатации он может порваться, что приведет к остановке производства тока в машине. Этого не стоит допускать, поэтому если на нем есть повреждения, его нужно заменить на новый.Для замены потребуются следующие инструменты:
- монтировка;
- отвертка;
- набор ключей;
- домкрат, чтобы поднять машину.
Процесс замены следующий:
- Отключаем аккумулятор, затем крестовой отверткой откручиваем крепежи датчика коленвала.
- Ослабляем гайку крепления ремня.
- Правую сторону авто размещает под домкратом, поднимаем ее, включаем 4 передачу.
- Вращаем правое колесо и стаскиваем ремень сначала со шкива помпы.
- Новый устанавливаем в обратном порядке. Ремень размещается на шкиве коленвала и только в конце закрепляется на генераторе.
- Вращаем колесо, чтобы ремень прошел натяжку и занял нужное положение.
- Закручивается гайка крепления. Устанавливается датчик коленвала.
- Размещается ремень на детали в таком порядке: коленвал, затем верхний ролик натяжения, правый нижний шкив, нижний ролик натяжения, помпа, генератор.
После этого следует приступить к демонтажу ремня генератора. Натяжение ремня осуществляется посредством специальной пластины — натяжителем. Отрегулировать натяжение можно с помощью болтов крепления, их нужно ослабить. Пластина находится в районе натяжного ролика и крепится к конструкции с помощью трех болтов. Чтобы их открутить, нужно взять рожковый ключ для двух болтов, а для ослабления третьего использовать вороток.
Профилактика
Для предупреждения поломок, производитель рекомендует придерживаться нескольких советов.
- Один раз в год обрабатывать все клеммы и разъемы специальным маслом – это предупредит образование окислов.
- Периодически проверять плотность креплений контактных разъемов. При расшатывании соединений возможно образование коротких замыканий или снижения проводимости цепи, что будет воспринято ЭБУ как отказ механизма.
- Проверять степень изношенности силовых кабелей и магистралей. При активной эксплуатации автомобиля, оплетки, изготовленные из гибкого полимера, могут износиться и растрескаться. Это обстоятельство может спровоцировать короткие замыкания и механическое осыпание изоляторов. Следовательно, лучше предупредить поломку, чем ее устранять.

Об основных элементах электрической схемы
В электросхему автомобиля входят следующие компоненты:
- Источники электрической энергии.
- Приборы, отвечающие за ее потребление.
Основное место расположения блока – слева от рулевой колонки. Устройство закрывается снизу специальной крышкой. Надо открутить всего два винта, чтобы добраться до внутреннего содержимого. После этого отжимают верхний край крышки, постепенно освобождая эту часть ото всех креплений. Становится доступной вся схема подключения датчика скорости ВАЗ 2123 и других приборов.
Появится блок, который удерживается на специальном кронштейне. В зависимости от комплектации и года выпуска сама схема бывает разной, как и общее количество предохранителей.
Проводка от генератора Нива Шевроле: особенности установки
При установке проводки от генератора Нива Шевроле следует учитывать следующие особенности:
- Выбор проводов: для подключения генератора рекомендуется использовать провода сечением не менее трех квадратных миллиметров. Такие провода обеспечат достаточную мощность для передачи электрического тока.
- Установка проводов: провода от генератора следует укладывать вблизи других проводов автомобиля, чтобы минимизировать возможный перегрев. Также рекомендуется защитить провода от механических повреждений, например, обмотав их специальной изоляционной лентой.
- Подключение проводов: перед подключением проводов от генератора к аккумуляторной батарее необходимо отключить клемму минус (-) на аккумуляторе. Это предотвратит возможные короткие замыкания и повреждение электрической системы автомобиля.
При установке проводки от генератора рекомендуется обращаться к специалистам или следовать инструкции производителя. Неправильная установка проводов может привести к неисправностям генератора и другим проблемам с электрической системой автомобиля.
Ремонт устройства своими силами
Теперь поговорим о том, как производится ремонт генератора. Процедура ремонта может быть выполнена на СТО или в гаражных условиях, разумеется, если вы имеете понятие о том, что нужно делать.
Замена ремня генератора
- В первую очередь демонтируется разъем с ДПКВ, после чего откручивается и извлекается винт, который фиксирует этот регулятор.
- Гайку, которая фиксирует устройство, следует немного ослабить, но полностью не выкручивать. Генераторный узел можно сдвинуть к блоку, после чего на смещенном устройстве можно будет без проблем демонтировать ремешок, поскольку он будет ослаблен.
- Используя домкрат, который заранее нужно установить с той стороны, где расположен узел, необходимо немного приподнять авто, включив первую скорость.
- Далее, потяните за сам ремешок таким образом, чтобы он мог отойти от вала помпы. Затем прокрутите колесо до того момента, пока на шкив не перейдет место натяжки.
- Следующим этапом замены ремня генератора будет демонтаж ремешка с других валов.
- Что касается установки нового, то его сначала следует надеть на вал узла и коленчатого вала, только после этих действий он может быть установлен на вал помпы.
- Колесо поворачивается до того момента, пока ремешок не попадет на шкив. Затем устройство ставится на место, производится натяжка ремешка, после чего узел фиксируется к кронштейну при помощи гайки. Завершающим этапом будет монтаж ДПКВ на место (автор — канал Иг К).
Замена ролика натяжения
Ремонт генератора Нива Шевроле может заключаться в замене натяжного ролика. Основной деталью этого элемента является подшипник, поэтому если ремешок ослаб, то в первую очередь необходимо проверить именно его. Если ролик исправный, то прокручивание подшипника будет тихим, любые рывки должны отсутствовать.
Для замены элемента выполните следующие действия:
- Сначала установите лом или другой инструмент таким образом, чтобы вал сцепления заблокировался. Это позволит предотвратить движение коленвала.
- Затем ослабляется винт, который фиксирует сам ролик, снимается напряжение, поступающее на ремешок.
- Откручивается осевой винт, после чего ролик можно демонтировать.
- Устанавливается работоспособный ролик, производится регулировка натяжения ремешка. После замены убедитесь в работоспособности устройства.
Замена щетки
Изношенный и новый регуляторы напряжения
- Для замены этих компонентов регулятор необходимо полностью снять. Также от АКБ отключается клемма «-» и отключается проводка, идущая от генераторного узла.
- Далее, демонтируется колодка проводов, с наконечников которых снимается прорезиненный колпачок — этот компонент предназначен для защиты. После этого с проводов необходимо выкрутить гайку, которая крепила их к блоку механизма.
- Затем нужно отсоединить пружинные крепления и демонтировать пластмассовых кожух, используя отвертку с крестовым наконечником, выкручиваются фиксаторы регулятора.
- Демонтируется регулятор вместе с щетками, после чего от этого элемента нужно отключить провода.
- Щетки меняются, дальнейшая сборка конструкции осуществляется в обратной последовательности. Щетки следует менять в том случае, если их длина составляет меньше 0.5 cм. В том случае, если длина щеток нормальная, а генераторное устройство работает некорректно, нужно осуществить диагностику регуляторного элемента, а также электроцепи на участке от него до щеток.
Демонтаж генератора
- Замена генератора начинается с демонтажа устройства из подкапотного отсека. Отсоединяется вся проводка, идущая к нему, также нельзя забывать и об отключении аккумулятора. Демонтируется защитный пластиковый кожух.
- Выкручиваются гайка фиксации проводов и винт, крепящий узел. Отсоединяется крепление в форме болта, оно расположено внизу конструкции, после чего извлекается ремешок.
- Когда все болты будут откручены, механизм можно извлечь из кронштейна, для этого может понадобиться монтажная лопатка.
- Чтобы произвести монтаж нового узла, все действия следует повторить в обратной последовательности. После того, как будет установлен новый генератора, необходимо произвести диагностику состояния ремешка привода, а также произвести регулировку натяжения.
Извините, в настоящее время нет доступных опросов.
Специфика эксплуатации
Генератор на Нива Шевроле работает благодаря эффекту электромагнитной индукции — когда подвижное электромагнитное поле создает переменный ток. В конструкции есть несколько катушек, которые и создают поле. А также приемник, который снимает с них электричество. В основном именно эти элементы и подвергаются наискорейшему износу. Например, обмотки катушек могут быть повреждены в процессе работы генератора. Единственный вариант ремонта — перемотать их, что является сложной и длительной процедурой. Перемотку выполняют ремонтные сервисы, но нет никакой гарантии, что ток в обмотках будет прежний. Иногда наблюдается заметное падение показателей на выходе после ремонтных работ, поэтому более надежный вариант — купить новый генератор Нива Шевроле. После 120 тыс. км пробега авто стоит проверить обмотки на целостность.
Еще одним элементом конструкции, который может стать причиной неполадки, является подшипник.
Нередко ломается реле регулятор. После пробега 100 или даже 120 тыс. км и более эта деталь имеет риск в любой момент почти рассыпаться, если вовремя ее не заменить. Для замены подойдет реле регулятор 2123 КЗАТЭ серии С3, артикул 845.3702.
Распиновка контактов монтажного блока предохранителей Нива Шевроле
Авто поставляется на рынок с несколькими разновидностями монтажных блоков. Точная разновидность устройства зависит от комплектации транспорта и его года выпуска. Дальнейшее описание приведено на примере Bosch M,1,5,4:
- 1 – система зажигания цилиндров;
- 2 – пустой;
- 3 – контакт присоединения топливного насоса;
- 4 – шаговый двигатель;
- 5 – свободен;
- 6 – присоединение главного предохранителя охлаждения силовой установки;
- 7 – входящий импульс от МРВ;
- 8 – пуст;
- 9 – штатный спидометр;
- 10 – не занят;
- 11 – датчик детонации;
- 12 – подача напряжения для сенсоров;
- 13 – L-line;
- 14 – масса на кузов от форсунок;
- 15 – управление приводами форсунок для 1-4 цилиндра;
- 16/17 – не используются;
- 18 – питание устройств от 12 вольт;
- 19 – общий кабель массы электроприборов;
- 20 – подача зажигания на 2 и 3 цилиндры;
- 21 – клемма шагового мотора;
- 22 – лампа проверки двигателя;
- 23 – пуст;
- 24 – масса шагового мотора;
- 25 – выход реле системы кондиционирования воздуха;
- 26/29 – шаговая силовая установка;
- 27 – напряжение на клемму №15 замка зажигания;
- 28 – пуст;
- 30 – масса сенсоров управления мотором;
- 31/32 – не применяются;
- 33 – контроль настроек драйверов форсунок цилиндров №2/3;
- 34-36 – пусты;
- 37 – устройство запитки главного реле;
- 38-40 – не задействованы;
- 41 – подача запроса модуля кондиционирования воздуха внутри салона;
- 42 – пустой;
- 43 – контрольный сигнал тахометра;
- 44 – подача сигнала от потенциометра;
- 45 – ДТОЖ;
- 46 – контроль главного реле;
- 47 – устройство подтверждения допуска к программированию ЭБУ;
- 48 – низкий уровень импульса от ДПКВ;
- 49 – противоположное значение;
- 50-52 – пустые;
- 53 – получение импульса от ДПДЗ;
- 54 – детальрасхода топлива;
- 55 – K-line.
Жгут системы зажигания
Система зажигания обеспечивает образование искры в цилиндрах согласно рабочим тактам. У современных двигателей провода соединяются с датчиками, которые контролируют воспламенение, температуру мотора и другие параметры.
Самая крупная направлена к радиатору и по пути соединяется с ДМРВ, датчиком коленвала, резистором, электровентиляторами.
Перекидываясь через насос гидроусилителя, от жилы отходят провода к датчикам фаз, холостого хода, дроссельной заслонки, детонации и форсункам. Эта проводка контролирует работу двигателя и обеспечивает бесперебойное его функционирование.
На моделях с кондиционером от этого жгута отходит ветвь к его предохранителю.
В этом случае лучше сразу заменить весь жгут, чем обращаться к диагносту, искать один провод и производить его замену при сомнительном результате.
Как заменить провода от генератора Нива Шевроле самостоятельно
Если вы заметили признаки износа проводов (например, трещины изоляции или окисление контактов), то их необходимо заменить. В данной статье рассмотрим, как самостоятельно заменить провода от генератора Нива Шевроле.
- Первым шагом необходимо отключить аккумулятор и снять провод отрицательного полюса с батареи. Это предотвратит возможность короткого замыкания и обезопасит вас от поражения электрическим током.
- Далее, используя соответствующие инструменты, снимите старые провода от генератора. Обычно провода крепятся с помощью зажимов или болтов.
- Перед установкой новых проводов необходимо проверить их на соответствие идентичности с оригинальными проводами. Длина, диаметр и количество проводов должны быть одинаковыми.
- Установите новые провода на генератор, следуя обратной последовательности действий. При креплении проводов не забудьте использовать заданный момент затяжки болтов или зажимов.
- После установки всех проводов, подсоедините отрицательный полюс аккумулятора.
После замены проводов от генератора Нива Шевроле рекомендуется проверить работоспособность автомобиля. Убедитесь, что электроустройства функционируют нормально, и нет проблем с зарядкой аккумулятора. Если возникнут проблемы, обратитесь к специалистам или сервисному центру для диагностики и устранения неполадок.
Что делать в случае поломки
При обнаружении серьезных проблем производитель рекомендует немедленно загнать машину на ремонт. Эксплуатация машины с неисправной электрической частью может стать причиной серьезных дефектов или возникновения аварийных ситуаций на дороге. Также при езде со сломанными осветителями или габаритами сотрудники ГАИ могут выписать штраф или предупреждение.
Электросхема Нива Шевроле отличается от проводок аналогичных моделей благодаря своей простоте и легкости ремонта. В устройстве нет высоко сложных агрегатов и деталей, которые проблематично заменить. Благодаря примитивности конструкции, пользователь может самостоятельно починить машину, без привлечения сторонних специалистов.
1 — к датчику положения дроссельной заслонки; 2 — к регулятору холостого хода; 3 — к датчику температуры охлаждающей жидкости; 4 — к колодке жгута форсунок; 5 — к датчику указателя температуры охлаждающей жидкости; 6 — к датчику массового расхода воздуха; 7 — к модулю зажигания; 8 — к датчику контрольной лампы давления масла; 9 — к колодке жгута проводов заднему; 10 — к реле и предохранителю кондиционера; 11 — к колодке жгута проводов панели приборов; 12 — к контроллеру; 13 — к реле зажигания и его предохранителю; 14 — к реле и предохранителю электробензонасоса; 15 — к реле и предохранителю электровентилятора правого; 16 — к реле и предохранителю электровентилятора левого; 17 — к реле дополнительному; 18 — к датчику кислорода; 19 — к кузову (провод «массы»); 20 — к датчику давления; 21 — к электромагнитному клапану продувки адсорбера; 22 — к датчику фаз; 23 — к жгуту проводов компрессора кондиционера; 24 — к датчику детонации; 25 — к электровентилятору системы охлаждения двигателя правому; 26 — к резистору; 27 — к датчику положения коленчатого вала; 28 — к электровентилятору системы охлаждения двигателя левому; 29 — к «плюсу» АКБ; 30 — к «минусу» АКБ.
ЖГУТ ПРОВОДОВ ПЕРЕДНИЙ 2123-3724010-54 (красный),
ЖГУТ ПРОВОДОВ СОЕДИНИТЕЛЬНЫЙ АКБ И СТАРТЕРА 2123-3724070 (зеленый)
красный 1 — к колодке жгута панели приборов; 2 — к колодке жгута панели приборов; 3 — к электродвигателю стеклоочистителя; 4 — к «плюсу» АКБ; 5 — к выключателю подкапотной лампы; 6 — к датчику уровня тормозной жидкости; 7 — к электродвигателю омывателей; 8 — к указателю поворота правому; 9 — к колодке жгута содинительного АКБ и стартера; 10 — к фаре правой; 11 — к кузову (провод «массы»); 12 — к противотуманной фаре правой; 13 — к генератору; 14 — к лампе подкапотной; 15 — к указателю поворота левому; 16 — к фаре левой; 17 — к кузову (провод «массы»); 18 — к противотуманной фаре левой; 19 — к сигналу звуковому; 20 — к датчику температуры воздуха.
зелёный 21 — к стартеру; 22 — к колодке жгута переднего; 23 — к двигателю (провод «массы»); 24 — к «плюсу» АКБ; 25 — к «минусу» АКБ; 26 — к кузову (провод «массы»).
-
Регулируемая рулевая колонка на ниву 21214 своими руками
-
Свет моих очей читать онлайн бесплатно
-
Поменял колодки проваливается педаль ларгус
-
Landsail шины производитель кто такие
- У воспитанных ребят все дела идут на лад
Схема ВАЗ-2123 после 2009 года
Схема соединений переднего жгута проводов на Chevrolet Niva ВАЗ-2123 выпуска с 2009 года

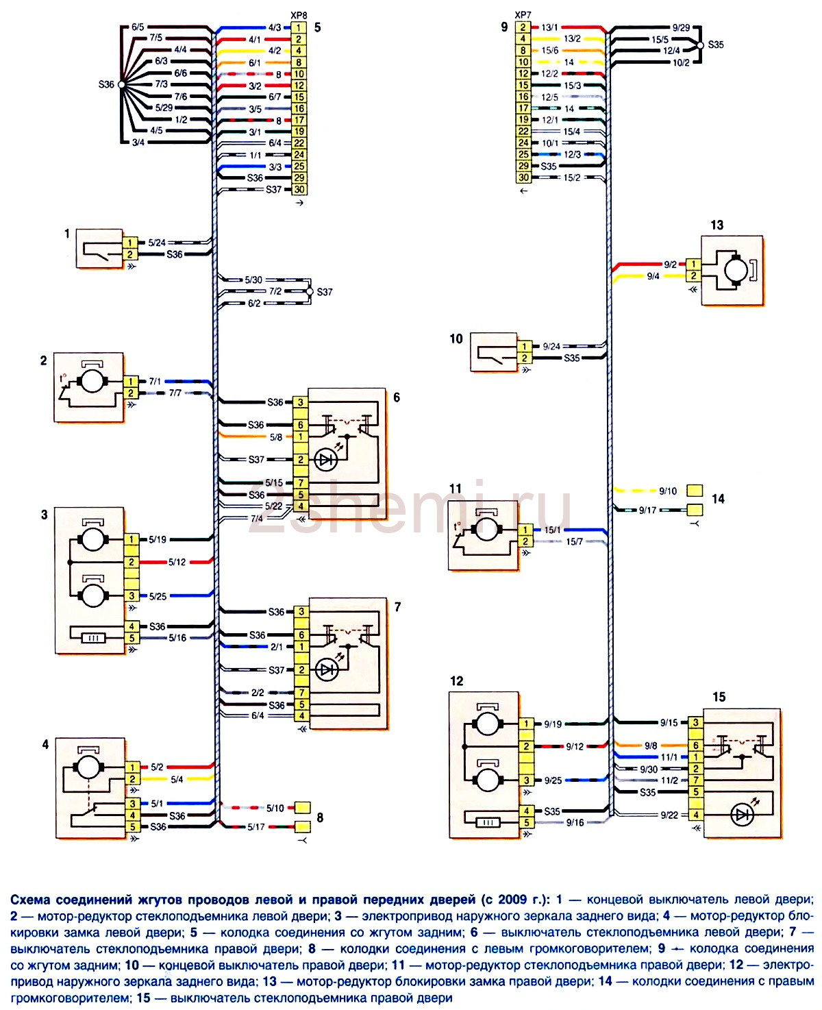
Схема соединений жгутов проводов левой и правой передних дверей на Chevrolet Niva ВАЗ-2123 выпуска с 2009 года

Схемы соединений жгута проводов системы управления двигателем на Chevrolet Niva ВАЗ-2123 выпуска с 2009 года
Схема соединений жгута проводов панели приборов на ВАЗ-2123 с 2009 года выпуска
Схема соединений заднего жгута проводов на Chevrolet Niva ВАЗ-2123 с 2009 года выпуска
Схема соединений жгутов проводов левой и правой задних дверей ВАЗ-2123 с 2009 года выпуска

Схема соединений дополнительного жгута проводов двери багажного отделения Chevrolet Niva с 2009 года

Схема соединений жгута проводов обогрева сидений Chevrolet Niva с 2009 г.






























