📽️ Видео
Обзор обновленный Toyota LC prado — кнопки салона, включение блокировок. Комплектация элеганс плюсСкачать

Полезные советы для Toyota Land Cruiser Prado / Фишки и Лайфхаки для новичковСкачать

Обогрев зеркал 2Скачать

НИКОГДА НЕ НАЖИМАЕТЕ ЭТУ КНОПКУ В АВТОМОБИЛЕ ?Скачать

Подогрев зеркалСкачать

Что если на Автомобиле перестал работать обогрев зеркал!Скачать

Предпусковой подогреватель LAND CRUISER PRADO. Как прогреть дизель зимой. Подогрев лобового стекла.Скачать

Полотна зеркал LX 570, TLC 200, Prado 150 подогревСкачать

ПАНЕЛЬ управления TOYOTA LAND CRUISER PRADOСкачать

Тонкости парковки Прадо 150 — а вы знали?)Скачать

Возможные повреждения системы обогрева зеркал
Система обогрева зеркал в автомобиле Toyota Prado 150 может подвергаться различным повреждениям, которые могут привести к ее неправильной работе или полному отказу. Рассмотрим несколько возможных причин возникновения проблем с обогревом зеркал.
1. Повреждение проводки: при некачественной установке или неправильном подключении проводов системы обогрева зеркал, они могут быть повреждены в процессе эксплуатации автомобиля. Это может произойти, например, при попадании проводки в гидроизоляцию или при механическом повреждении проводов при монтаже других компонентов.
2. Перегорание предохранителей: система обогрева зеркал может быть защищена предохранителями, которые предотвращают перегрев и использование излишнего тока. Если предохранители перегорают, это может свидетельствовать о неисправности самой системы или о повреждении проводки.
3. Неисправность панели управления: в редких случаях, возможна неисправность самой панели управления системой обогрева зеркал. Это может произойти из-за производственного брака или из-за неправильного использования.
4. Неполадки в системе питания: если в автомобиле возникают неполадки в системе питания, это может отразиться на работе системы обогрева зеркал. Например, неправильное подключение аккумулятора или неисправность генератора электроэнергии.
Чтобы предотвратить повреждения системы обогрева зеркал, рекомендуется соблюдать правила правильной установки и подключения компонентов системы, проводить время от времени проверку на наличие повреждений или неисправностей, а также регулярно проводить профилактическое обслуживание.
Схемы электрооборудования Toyota Prado
Схема электрооборудования «Прадо 120» проста. Это позволяет обслуживать электронику мастерам с низкой квалификацией без специализированного оборудования, что нередко создает проблемы в дальнейшем. К тому же по этой причине автомобиль часто оснащают множеством дополнительных приспособлений вроде нестандартных осветительных приборов, охранных систем, акустики.
Основная проблемная часть электрики – регулятор напряжения, считающийся расходным элементом. Его замену осуществляют с периодичностью в 3 года. Использование неисправной детали приводит к выходу из строя аккумулятора и генератора.
В подвеске встречаются случаи выхода из строя электропроводки амортизаторов TEMS. Она подлежит восстановлению. Быстро изнашивается компрессор задней пневмоподвески: даже при заборе воздуха из салона он выдерживает 150–200 тыс. км при эксплуатации по асфальту и 30–40 тыс. по грунту. Наблюдаются сбои его датчиков на задней оси.
В подкапотном пространстве основные проблемы по электрике создают датчики бензиновых двигателей и окисляющиеся разъемы.
Несмотря на простоту устройства, автомобиль имеет множество электрических систем ввиду обширного оснащения. Для обслуживания, ремонта и внесения изменений электрические схемы всех систем «Прадо 120» можно найти в сети. Приведены описания и отдельных систем «Прадо 120» вроде электросхемы салонного света, и общие схемы электрики.
Предохранители и реле Land Cruiser Prado 120
Монтажный блок в интерьере, содержащий предохранители и реле, установлен на приборной панели у руля со стороны водительской двери «Прадо 120» (с разных сторон в зависимости от расположения руля). Реле размещены с обратной стороны монтажного блока.

Всего здесь 25 предохранителей на 6-30А: 24 расположены в три столбца, и 25 установлен отдельно. Одни предохранители отвечают за несколько узлов, другие за отдельные:
- 2 относится к системе зажигания, управлению кондиционером, муфтой его компрессора;
- 9 – к освещению (противотуманки и фонари) и разъему прицепа;
- 17 и 20 – к электроприводам правого и левого передних сидений;
- 29 – к противоугонной системе и центральному замку.
Последние дублируются предохранителями 36 и 42.
Здесь 17 реле и 48 предохранителей на 7,5-140А. Первые сосредоточены в центральной части блока, а вторые – по краям. Большинство из них отвечает за отдельные узлы.
К тому же в моторном отсеке установлены:
- реле омывателя фар (у правой фары);
- блок управления VSC (справа на моторном щите);
- блок реле №1 (слева или справа на моторном щите с противоположной стороны от руля);
- №3 и №4 (справа и сверху от монтажного блока соответственно);
- 3 реле нагревательного элемента впускного подогревателя, свечей, стартера, пневматической подвески, ближнего света.
Блок предохранителей №1 в салоне Toyota Land Cruiser Prado 150
Блок №1 расположен под передней панелью слево от рулевой колонки. Для доступа к предохранителям этого блока нужно, снять защитную крышку блока, потянув на себя. (см. схему ниже)

Схема расположения предохранителей блока №1 Toyota Land Cruiser Prado 150
В блоке №1 расположен предохранитель розетки прикуривателя (№1), его выделим на схеме красным цветом.

Таблица с описанием назначения предохранителей блока №1
| Номер на схеме | Обозначение потребителя | Номинал предохранителя в А. | Назначение потребителя |
|---|---|---|---|
| 1 | P/OUTLET | 15 | Электрическая розетка (Прикуриватель) |
| 2 | ACC | 7,5 | Электродвигатель наружных зеркал заднего вида. BODY ECU, система кондиционирования воздуха, аудиосистема, навигационная система, система помощи при парковке, последовательный переключатель, резервное репе, DSS#2 ECU, индикатор AT EFI ECU, ECU блокировки переключения передач |
| 3 | BKUP LP | 10 | Фонари заднего хода, аудиосистема, многофункциональный дисплей, DSS#2 ECU, датчик системы помощи при парковке |
| 4 | TOWING BKLP | 10 | Буксировка |
| 5 | AVS | 20 | Система пневматической подвески |
| 6 | KDSS | 10 | KDSS ECU |
| 7 | 4WD | 20 | Система 4WD. блокировка заднего дифференциала |
| 8 | P/SEAT FL | 30 | Переднее сиденье с электроприводом (левое) |
| 9 | D/L NO.2 | 25 | Электродвигатель блокировки дверей, открыватель стеклянного люка, BODY ECU |
| 10 | PSB | 30 | PSB ECU |
| 11 | TI & ТЕ | 15 | Регулировка наклона и вылета рулевого колеса |
| 12 | FOG FR | 15 | Противотуманные фары |
| 13 | OBD | 7,5 | DLC 3 |
| 14 | A/C | 7,5 | Система кондиционирования воздуха |
| 15 | AM1 | 7,5 | Система запуска |
| 16 | DOOR RL | 25 | Электрические стеклоподъемники заднего окна (левое) |
| 17 | ECU-IG NO.1 | 10 | ECU блокировки переключения передач, VSC ECU, датчик рулевого управления, датчик скорости рысканья, последовательный переключатель, ECU автоматической работы стеклоочистителя, резервное реле, обогрев наружного зеркала заднего вида, регулировка наклона и длины рулевой колонки, PSB ECU, DSS#1 ECU, передней датчик радара, ECU усилителя рулевого управления, AFS ECU |
| 18 | IG1 | 7,5 | Передней указатель поворота, задний указатель поворота, боковой указатель поворота, повторитель поворота, фонарь прицепа, ALT, VSC, переключатель C/C |
| 19 | ECU-IG NO.2 | 10 | Обогрев заднего стекла, выключатель подогрева сидений, реле инвертора, система кондиционирования воздуха, зеркало ЕС, BODY ECU, переключатель дополнительного отопителя, навигационная система, DSS#2 ECU, ECU люка, переключатель приборов, датчик системы помощи при парковке, вспомогательные приборы, ECU складного сиденья, O/H IG, противообледенительное устройство, AFS ECU, D-модуль, датчик дождя, пневматическая подвеска Р/SEAT IND |
| 20 | S/HTR FR | 20 | Обогреватель сиденья |
| 21 | P/SEAT FR | 30 | Переднее сиденье с электроприводом (правое) |
| 22 | DOOR Р | 30 | Электропривод стеклоподъемника переднего окна (со стороны пасажира) |
| 23 | DOOR | 10 | Электропривод стеклоподъемников окон |
| 24 | DOOR D | 25 | Электропривод стеклоподъемника переднего окна (со стороны водителя) |
| 25 | DOOR RR | 25 | Электрические стеклоподъемники заднего окна (правое) |
| 26 | S/ROOF | 25 | Люк крыши |
| 27 | WIP | 30 | Очистители и омыватель ветрового стекла |
| 28 | WASHER | 20 | Стеклоочистители и омыватель ветрового стекла, стеклоочистители и омыватель заднего стекла |
| 29 | COOLING | 10 | Охлаждаемый отсек |
| 30 | IGN | 10 | EFI ECU, C/OPN RLV, VSC ECU, ECU подушки безопасности, интеллектуальная система входа и запуска, ECU блокировки рулевого управления. ECU шлюза CAN |
| 31 | GAUGE | 7,5 | Приборы |
| 32 | PANEL | 7,5 | Подсветка переключателей, освещение перчаточного ящика, навигационная система, аудиосистема, система кондиционирования воздуха, переключатель наружных зеркал заднего вида, переключатель складывания сидений, многофункциональный дисплей. P/SEAT IND, SHIFT, COOL BOX |
| 33 | TAIL | 10 | Передние габаритные огни, задние фонари, фонари освещения номерного знака, EFI ECU, задние противотуманные фонари, буксировка, передние противотуманные фонари |
Неисправность кнопки и проводки
После проверки и подтверждения исправности предохранителей, необходимо переходить к кнопке. Этот элемент также может выходить из строя. Проявление дефекта сопровождается отсутствием свечения светодиода. То есть, лампочка не будет включаться, и требуется ее замена. В этой ситуации проводится проверка напряжения на выводных контактах кнопки.
Порой возникает вопрос, где находится кнопка обогрева зеркал. Требуемый элемент может располагаться на блоке управления микроклиматом. Часто кнопка включения обогрева зеркал объединена с подогревом заднего стекла, тогда при включении будут работать две системы одновременно. Не исключены и ситуации разделения устройств, когда нужная кнопка располагается на водительской двери.
Как снять зеркало:
- Регулировку нужно опустить вниз, что сопровождается появлением небольшой щели, позволяющей поддеть конструкцию и легко изъять ее.
- Далее, отсоединяется разъем контактов, подключенных к подогреву. Достаточно их потянуть, особых усилий не требуется.
Проверка:
- Используя мультиметр, определяем напряжение. При включенной кнопке показатель должен составлять 12–14В.
- Проверка при помощи лампочки также предполагает подсоединение проводов к выводу. Если включить кнопку, лампочка будет гореть.
Проблемы системы обогрева, устранение неполадок
Если все возможные неисправности исключены, нужно обратить внимание на саму схему подогрева – нити накала, ведь они порой повреждаются. Здесь легко определить, когда и почему не работает обогрев зеркал
Проверка:
- При подключении тестера определяется показатель сопротивления. Оптимальные параметры варьируются в пределах 10–30 Ом. О наличии дефекта свидетельствуют отсутствующие или завышенные показатели.
- Проверка лампочкой предполагает разъединение цепи и последовательное подсоединение проводов. Полное отсутствие свечения может подсказывать о неисправности – система подогрева сгорела.
Другая характерная поломка предполагает отламывание контактов, соединений на медных площадках, которые должны фиксировать провода питания. В этом случае сами нити накала должны быть исправны.
Тогда для устранения дефекта достаточно будет припаять крепления контактов. Если проблема заключается в обрыве нити, при прохождении дорожки значения не высвечиваются. Значит, нужно найти обрыв и пропаять.
Процесс замены обогревательного элемента
Иногда выявляется полная неисправность элемента нагрева и восстановление невозможно. Необходима замена узла и новое устройство, выполненное в виде клейкой ленты, на которую нанесены дорожки – нити накала.
Как установить новый обогреватель:
- работа начинается со снятия пластиковой защиты, для чего нужно разогреть поверхность, используя фен или горячую воду;
- при постепенном отделении пластиковой рамы становится заметным мягкое покрытие, удерживающие нити накала;
- под воздействием высоких температур покрытие также снимается;
- взяв новый обогревательный элемент на боковое зеркало, обрезаем его до нужных размеров и наклеиваем на зеркальную поверхность, удаляя пузырьки воздуха;
- для новых контактов нужно выполнить дополнительные отверстия;
- затем снимается защита и наклеивается пластиковая рама с подходящими отверстиями.
-
Кто работает на своей газели отзывы
-
Как проверить форсунки не снимая с двигателя нива шевроле
-
Нива шевроле аналоги запчастей
-
Особенности вождения автомобиля нива шевроле
- Киа спектра или калина что лучше
Какие данные отображаются на дисплее
Описание значков, появляющихся на приборной панели Прадо 150:
- Забор воздуха снаружи, если нажата соответствующая клавиша. Если индикатор не горит, значит, забор снаружи не осуществляется.
- Индикаторы обогрева заднего и лобового окна. Если эти индикаторы не горят, то стекла не обогреваются. Этот включенный режим в осенне-весеннее время не позволяет окнам запотевать в результате перемены температур снаружи и внутри.
- Обогрев щеток стеклоочистителя. Эта лампочка отключается автоматически.
- Включение и выключение мощности отопителя также отображается на мониторе печки транспортного средства. Клавишу, соответствующую повышению мощности двигателя для увеличения температуры, рекомендуется включать только при неподвижном транспорте.
- Может загораться лампочка с надписью А/С при нажатой одноименной клавише. Индикатор показывает, что в транспортном средстве работает функция охлаждения и снижения влажности.
Кнопки в салоне Прадо 150 также имеют значение. Например, на панели контроля за температурой внутри транспортного средства.
Воздушные дефлекторы во всех моделях могут также регулироваться с помощью механизма, расположенного на приборной доске. Они направляют поток на стекла или от них, тем самым регулируя процесс удаления капель росы с окон.
Кондиционирование осуществляется посредством оборотов двигателя во время экологичного движения. Для улучшения этого процесса рекомендуется отключить функцию экономии топлива.
Шаги по включению обогрева зеркал на Прадо 150 2021
Шаг 1: Включите зажигание
Перед включением обогрева зеркал убедитесь, что зажигание автомобиля включено. Для этого поверните ключ или нажмите кнопку запуска двигателя.
Шаг 2: Найдите переключатель обогрева зеркал
Переключатель обогрева зеркал может быть расположен на панели приборов рядом с переключателями стеклоочистителя или на подлокотнике двери водителя. Он обычно имеет иконку, изображающую зеркало с волнистыми линиями или слова Mirror Heater.
Шаг 3: Включите обогрев зеркал
После нахождения переключателя обогрева зеркал, аккуратно переместите его в положение ON или ВКЛ. При включении вы должны увидеть индикатор того, что обогрев зеркал активирован, обычно это светодиодная лампа или иконка на переключателе.
Примечание: Для экономии энергии и предотвращения проблем с проводкой, обогрев зеркал включается на определенное время и затем автоматически отключается. Если вам необходимо продолжить использование обогрева зеркал, повторите шаги 2 и 3, чтобы включить его снова.
Теперь вы знаете, как включить обогрев зеркал на Toyota Land Cruiser Prado 150 2021 года
Убедитесь, что вы использовали эту функцию с осторожностью и отключили ее, когда она больше не нужна, чтобы избежать ненужного потребления энергии и увеличить срок службы обогрева зеркал
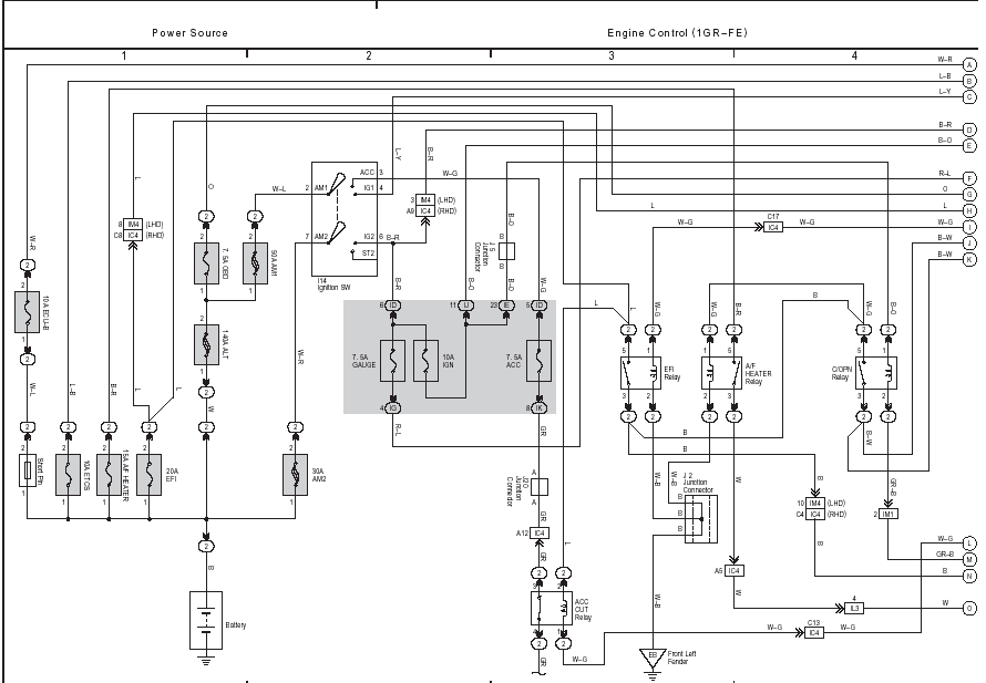
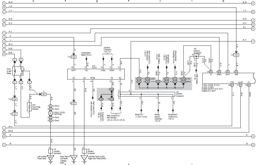
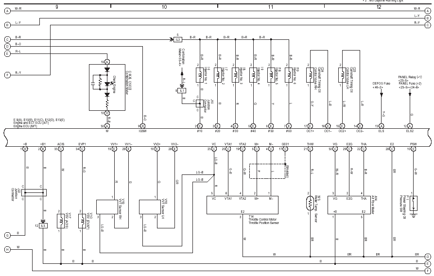
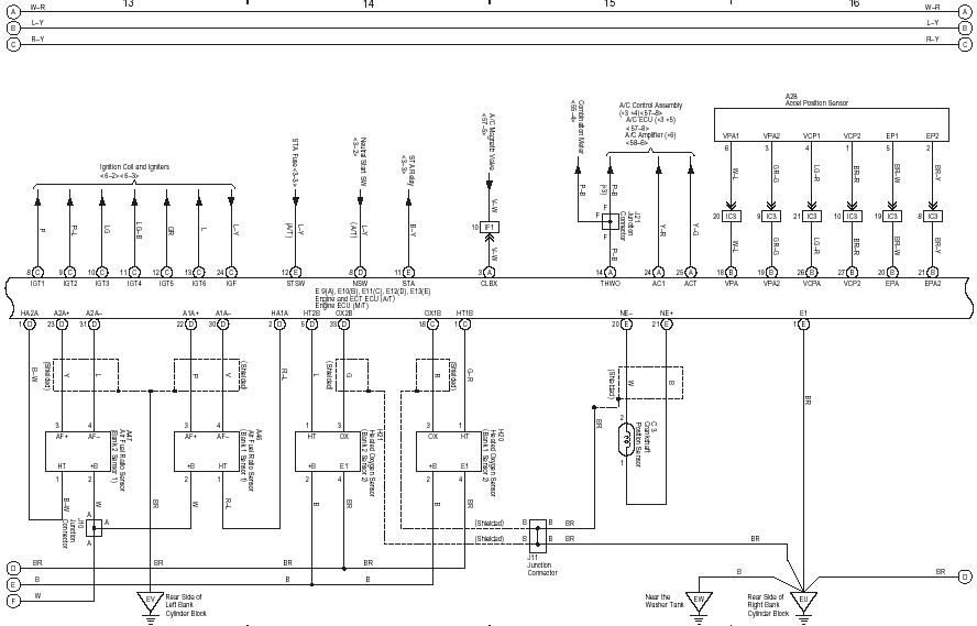
Схема системы впрыска прадо 120 1GR-FE
Схема включения бензонасоса на прадо 120 полностью аналогична сотому крузеру, тут описание подробное.

Схема EFI relay, A/F Heater relay, C/OPN Relay, ACC CUT Relay (отключает цепь аксессуаров во время вращения стартера, управляется от блока управления двигателя)

Схема реле FUEL PUMP Relay, бензонасоса, дополнительного резистора бензонасоса, диагностического разъёма.

Схема топливных форсунок, лампы чек енджин, датчиков положения коленвала и распредвала, клапанов ввт, расходомера воздуха, электронной дроссельной заслонки, датчика температуры охлаждающей жидкости.

Схема датчиков кислорода, электронной педали акселератора.

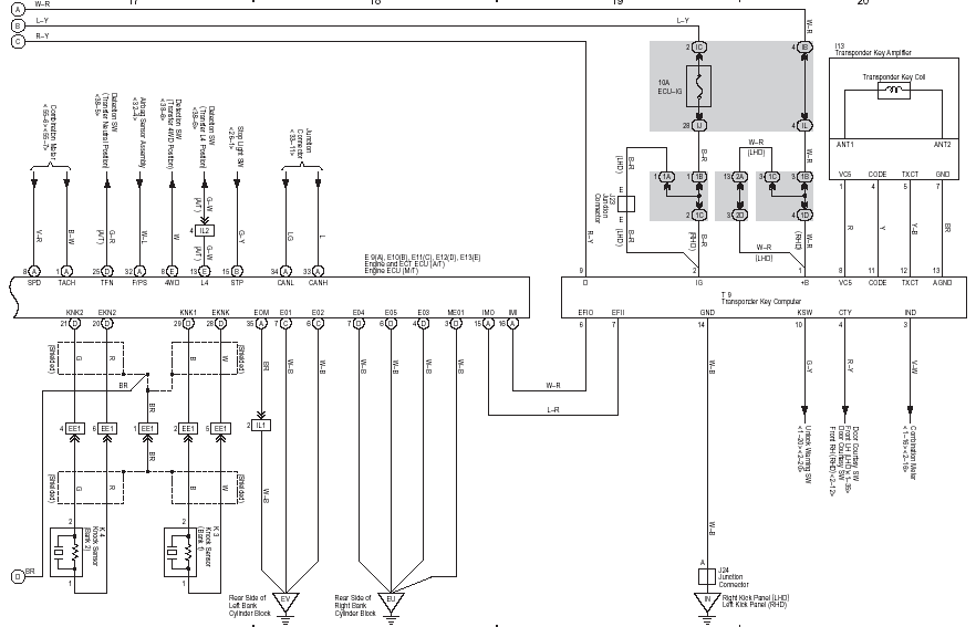
Схема датчиков детонации, блока иммобилайзера Transponder Key Computer Amplifer
Источник
Преимущества использования обогрева зеркал Toyota Prado 150
1. Увеличение обзорности в любую погоду
Обогрев зеркал Toyota Prado 150 позволяет поддерживать оптимальную температуру на их поверхности в любую погоду. Это особенно актуально в зимний период, когда на зеркалах может образовываться лед или запотевание. Благодаря обогреву, зеркала остаются чистыми и обеспечивают хорошую видимость как впереди, так и сзади автомобиля.
2. Безопасность при движении задним ходом
Задние зеркала важным элементом безопасности при парковке и движении задним ходом. Обогрев зеркал позволяет избежать их запотевания или покрытия льдом, что значительно улучшает видимость окружающего пространства. Такой комфортный функционал является неотъемлемой частью автомобильной безопасности и способствует избеганию возможных аварийных ситуаций.
3. Устранение влияния влаги и осадков
Обогрев зеркал также предотвращает конденсацию влаги на их поверхности, что, в свою очередь, не позволяет накапливаться воде и повышать аэродинамическое сопротивление автомобиля. Кроме того, такой обогрев помогает избавиться от ледяной корки и снега на зеркалах, что экономит время на их очистку перед началом движения.
4. Продлевает срок службы зеркал
Постоянный контакт зеркал со снегом, льдом и другими неблагоприятными погодными условиями может негативно сказываться на их состоянии и долговечности. Обогрев зеркал Toyota Prado 150 позволяет уменьшить воздействие внешних факторов и продлевает срок службы данного элемента автомобиля.
5. Возможность использования в различных климатических условиях
Обогрев зеркал призван обеспечить комфорт и безопасность водителя вне зависимости от климатических условий. Благодаря данной функции, зеркала могут использоваться эффективно как в холодные зимние дни, так и во время дождей или других непогодных условий.
Использование обогрева зеркал Toyota Prado 150 предоставляет ряд значительных преимуществ, повышая безопасность и комфорт при вождении в любую погоду.
Видео:Land Cruiser Prado 2019 ОБОГРЕВ ЗИМОЙ , кнопка Idle up, Режим Power Heat , Догреватели двигателяСкачать

Что делать, если не работает кнопка PWR HEAT на ТЛК
Системой предопределены базовые условия запуска механизма дополнительного нагрева. Кнопка PWR HEAT в дизеле Тойота Прадо 150 может не работать по следующим причинам:
- число оборотов коленчатого вала при запущенном двигателе меньше 550 или выше 2500 об./мин.;
- охлаждающая жидкость уже нагрета более 74 о С;
- недожата педаль газа на скорости меньше 40 км/ч.
Power HEAT в Toyota увеличит частоту вращения при работе двигателя вхолостую до 1200 об./мин., если:
- селектор АКПП в режиме «нейтраль» или «парковка» на скорости меньше 3 км/час;
- температура охлаждающей жидкости меньше 69 о С;
- включен обогреватель;
- температура окружающей среды ниже 5 о С;
- запущена система контроля климата в автомобиле.
Если при включенной кнопке двигатель не разгоняется, то нужно определить состояние всех ключевых параметров: температурные режимы, положение селектора, педали акселератора.
Механизм оперативно ускоряет ход двигателя до 1200 об/мин, увеличивая комфорт вождения зимой, дополнительно сокращая расход дизеля.
Панель управления печкой Прадо 150 2014 года: описание
Панель управления Ленд Крузер Прадо 150 установлена на машине для отображения состояния рабочих узлов транспортного средства. Значки, находящиеся на ней, оповещают автовладельца Toyota Land Cruiser Prado о всевозможных неисправностях и характеристиках.
Некоторые автовладельцы не знают, как работать с панелью управления печки на Прадо 150 2014 года. Выясним, где она расположена и как ею управлять.
Системы обогрева зеркал для Toyota Prado 150
Современные автомобили Toyota Prado 150 оснащены различными удобствами и технологиями, включая системы обогрева зеркал заднего вида. Эта функция особенно полезна при езде в холодное время года или при плохой видимости из-за снега, дождя или тумана.
Система обогрева зеркал заднего вида в автомобиле Toyota Prado 150 работает с помощью электрического обогревателя, который поддерживает оптимальную температуру зеркала и предотвращает запотевание. Обогреватели могут быть установлены как во внутренней части зеркала, так и вокруг его края.
Для включения системы обогрева зеркал на Toyota Prado 150 необходимо найти кнопку, расположенную на панели управления зеркалами, или использовать соответствующий переключатель на центральной консоли. После активации системы обогрева, зеркала начнут прогреваться, и скоро стекло на них станет прозрачным, обеспечивая хорошую видимость независимо от погодных условий.
Преимущества обогрева зеркал для Toyota Prado 150:
1. Безопасность на дороге: Система обогрева зеркал повышает безопасность вождения, обеспечивая водителю лучшую видимость заднего вида, особенно в условиях низких температур и плохой погоды.
2. Удобство и комфорт: Функция обогрева зеркал позволяет избежать необходимости очистки зеркал ото льда и снега в холодные зимние дни, что экономит время и силы водителя.
3. Повышение проходимости: Благодаря обогреву зеркал заднего вида, водители могут видеть, что происходит за автомобилем, даже если на зеркалах образуется снег или лед
Это особенно важно при парковке в тесных условиях или в ситуациях, когда необходимо быстро встать в ряд автомобилей
Особенности обслуживания и ремонта обогрева зеркал на Прадо 150 2021
Обслуживание и ремонт обогрева зеркал на Прадо 150 2021 требуют некоторых особенностей. Во-первых, необходимо регулярно проверять работоспособность обогрева зеркал и в случае неисправности немедленно обращаться к специалистам. Ремонт обогрева зеркал должен проводиться только в авторизованных сервисных центрах, чтобы гарантировать качество и сохранить гарантию на автомобиль.
При ремонте обогрева зеркал на Прадо 150 2021 могут потребоваться замена проводов, проверка электрического соединения и замена обогревательного элемента. Работы по замене обогревателя должны проводиться квалифицированными специалистами, так как требуется демонтаж зеркала и точная установка нового обогревателя.
Кроме того, важно помнить, что при эксплуатации обогрева зеркал на Прадо 150 2021 необходимо соблюдать некоторые меры предосторожности. Не рекомендуется нарушать порядок включения и выключения обогрева зеркал и не допускать попадания влаги на провода и обогревательные элементы
В целом, обслуживание и ремонт обогрева зеркал на Прадо 150 2021 требуют специальных знаний и навыков, поэтому рекомендуется обращаться к профессионалам для проведения необходимых работ. Это поможет сохранить функциональность обогрева зеркал и гарантировать безопасную эксплуатацию автомобиля в любых погодных условиях.
Омыватель лобового стекла
Случается, что дворники, очищающие стекла переднего и заднего видов, начинают медленно двигаться или омыватель лобового стекла перестает исправно подавать воду. В таких эпизодах надо искать причину аварии в электросхеме – произошел обрыв провода или сгорел предохранитель. Разобраться с подключением поможет электросхема омывателя лобового стекла Прадо 150.
Из карты по расположению узлов этой системы автовладелец поймет, где находятся предохранители и проложена проводка. Найдя их непосредственно в машине, он сможет прозвонить эти участки с помощью мультиметра и найти истинную причину сбоя в работе опции.
Принцип работы системы обогрева зеркал
Система обогрева зеркал в Toyota Prado 150 основана на принципе нагрева путем пропускания электрического тока через специально разработанный проводящий материал, который находится на задней стороне зеркала. Этот проводящий материал имеет невидимую для глаза структуру, обеспечивающую равномерное распределение тепла по всей поверхности зеркала.
Система обогрева зеркал активируется при включении обогрева заднего стекла. При этом электрический ток поступает на проводящий материал на задней стороне зеркала, в результате чего он нагревается. Тепло, полученное проводящим материалом, передается на переднюю поверхность зеркала и распределяется равномерно по всей его поверхности.
Система обогрева зеркал является эффективным решением для предотвращения образования конденсата и инея на зеркалах в холодные периоды года, что обеспечивает хорошую видимость во время движения. Кроме того, обогрев зеркал также помогает устранить лед и снег с их поверхности, что обеспечивает безопасность и комфорт при эксплуатации автомобиля.
| Преимущества системы обогрева зеркал: | Недостатки системы обогрева зеркал: |
|---|---|
| Предотвращение образования конденсата и инея | Потребление электроэнергии |
| Устранение льда и снега | Возможные поломки в проводящем материале |
| Повышение безопасности и комфорта |
Настройка системы обогрева
Для включения обогрева зеркал в Toyota Prado 150 необходимо выполнить несколько простых шагов.
1. Убедитесь, что зажигание автомобиля включено.
2. Нажмите кнопку Зеркала на панели управления климатической системы.
| Расположение кнопки | Описание |
|---|---|
| 1 | Кнопка Зеркала |
3. Подождите несколько секунд, пока система обогрева активируется. Обычно это обозначается индикацией на панели управления.
Обратите внимание, что система обогрева зеркал может быть включена только при активной работе системы кондиционирования или отопления автомобиля. Если вы испытываете проблемы с включением обогрева зеркал, рекомендуется обратиться к руководству пользователя автомобиля или обратиться к дилеру Toyota для получения дополнительной информации и помощи
Если вы испытываете проблемы с включением обогрева зеркал, рекомендуется обратиться к руководству пользователя автомобиля или обратиться к дилеру Toyota для получения дополнительной информации и помощи.
Видео:Дополнительно настраиваемые функции прадо 150Скачать

Power Heat и расход топлива
При низкой температуре атмосферного воздуха в дизельном топливе начинают образовываться кристаллы парафина, делая структуру жидкости гелеобразной и слоистой. Взвешенные частицы горючего могут склеивать микропористую поверхность фильтра. В течение короткого периода времени топливо перестает попадать через фильтр в систему впрыска. Результат: мотор теряет мощность и останавливается.
Чтобы понять, какова функция PWR HEAT во внедорожнике Toyota LC 200 и что это такое, следует вспомнить, что зимой на холоде двигатель временами замерзает и не запускается. Решить проблему иногда помогает добавка бензина и присадок. Но тогда предугадать ситуацию автовладельцу нужно заранее. Специальные добавки в топливо могут отрицательно повлиять на производительность машины Toyota, уменьшая жизненный цикл двигателя.

Нерегулярная работа мотора в сложных погодных условиях приводит к увеличению потребления топлива. Благодаря возможности дополнительного обогрева машины, двигатель защищен при любой температуре и предотвращает больший расход дизеля.
Причины неисправности обогрева, первые этапы диагностики
Чтобы разобраться в причинах и устранить неисправности системы обогрева задних зеркал, нужно подготовить инструмент. Для работы может потребоваться мультиметр, автомобильная лампочка, паяльник, отвертка, предохранитель, изолента – все зависит от типа неполадок.
Определить дефект легче, изучив основные составляющие схемы подогрева:
- кнопка – обеспечивает запуск;
- проводка – предназначена для передачи напряжения;
- предохранитель – необходим для передачи питания;
- подогрев – система нитей, которые находятся с тыльной стороны.
Осмотр стоит начать с предохранителя, который обычно располагается в специальном блоке, щитке в правой части под торпедой. Определить расположение детали необходимо для проверки тестером. Чтобы точно узнать, какой предохранитель отвечает за обогрев зеркал, нужно изучить мануал. В противном случае придется проверить все предохранители на щитке.
Тестирование предохранителя:
- Выбрав режим сопротивления, нужно прикоснуться щупами тестера к выводам устройства. Хороший показатель – 0 ОМ, если результат измерения существенно отличается от нормы, определяется перегорание.
- Проверка на просвет позволяет оценить целостность нити накала. При повреждениях произойдет деформация, которую легко заметить. Если кожух не прозрачный, без мультиметра не обойтись.
При обнаружении дефекта потребуется замена устройства. Если причина неполадок заключается в предохранителе, часто не прогревается и заднее стекло, так как используется один блок.
Подогрев зеркал: как же он включается?
Повторяю вопрос(ы). Как включается обогев зеркал? Понятно, что джойстиком, который по инструкции нужно потянуть на себя(назад). А дальше? Как понять, что обогрев включился? Где что загорается? И главное: в каком положении остается при этом джойстик? Возвращается в исходное(т.е. не фиксируется никак)? Тогда как узнать включен/не включен? Как выключить? Обогрев зеркал сам по себе или вместе с задним стеклом?
У меня сейчас по джойстику ничего понять нельзя — и нигде ничего не горит и не гаснет. Зеркала после начала движения «отходят» — но может просто сами и обогрев тут не причем?
Рабочий элемент обогревателя заднего стекла представляет собой горизонтальную решетку из токопроводящих нитей, наклеенных на внутреннюю поверхность стекла.
Выключатель обогрева Проверьте исправность функционирования выключателя обогрева, для чего снимите панель управления функционированием систем отопления/кондиционирования воздуха. Отсоедините электропроводку и проверьте правильность распределения проводимости между клеммами соответствующих контактных разъемов с задней стороны панели в обоих положениях выключателя (см. таблицу 28).
Табл. 28 Проверка исправности состояния выключателя обогрева заднего стекла/зеркал заднего вида
Поверните ключ зажигания в положение ON и включите обогрев заднего стекла.
Во избежание повреждения токопроводных нитей нагревательного элемента оберните щупы вольтметра алюминиевой фольгой.
Для локализации обрыва прижмите отрицательный щуп вольтметра к отрицательной клемме решетки нагревательного элемента. Обернутым фольгой положительным щупом начинайте зондировать токопроводные нити решетки, двигаясь со стороны подачи питания к массе. В точке обрыва показание прибора должно упасть от нескольких вольт до нуля.
Восстановление целостности токопроводных нитей производится при помощи специальной двухкомпонентной электропроводной пасты типа Dupont № 4817.
Прежде чем приступать к восстановительному ремонту решетки рабочего элемента выключите обогреватель и дайте элементу остыть в течение нескольких минут. Легонько зачистите поврежденный участок нити войлоком, затем тщательно протрите его спиртом.
Toyota Land Cruiser Prado 150 средне размерный внедорожник, который выпускается в 4 поколения по настоящее время. В данной статье мы покажем описание предохранителей и реле Тойота Ленд Крузер Прадо 150 со схемами блоков и местами их расположения для автомобилей выпускавшихся в 2009, 2010, 2011, 2012, 2013, 2014, 2015, 2016, 2017, 2018, 2019, 2020, 2021 году.
p, blockquote 1,0,0,0,0 —>
p, blockquote 2,0,0,0,0 —>






















