Замена
Перед тем как снять помпу с УАЗ-а, приготавливаем инструмент и машину. Вам понадобится инструмент:
- рожковый ключ на 10-12, открутить вентилятор и кожух при необходимости;
- ключ на 7 или 8 откручивать хомуты;
- головку или ключ 13;
- ключ на 17, при необходимости замены корпуса;
- отвёртка открутить провод датчика температуры;
- герметик.
Перед началом работ по замене ставим УАЗ на ручник и сливаем охлаждающую жидкость.
- отпускаем натяжник и снимаем ремень генератора и ВН;
- откручиваем вентилятор и снимаем его, а также шкив;
- ослабляем хомуты верхнего с нижним патрубком и снимаем их;
- откручиваем гайки крепления насоса и снимаем его.
При необходимости снять полностью ВН:
- откручиваем провод датчика;
- ключом на 17 откручиваем корпус.
Сборка
Перед сборкой и установкой прокладки зачистите площадку. Нанесите на корпус или саму прокладку герметик по инструкции и приступайте к сборке в обратном порядке.
На видео можно посмотреть процесс замены помпы на УАЗ, правда 31512 модели, но суть одна:
Помпа (водяной насос) является основным компонентом системы охлаждения любого ДВС (двигателя внутреннего сгорания) с водяным охлаждением, то есть там, где все время циркулирует какая-то жидкость, будь то антифриз, тосол или даже вода. Помпа выглядит как насос с крыльчаткой (лопастями), за счет которых создается движение жидкости по системе.
Иногда случается так, что насос по какой-то причине перестает нормально функционировать, в результате чего двигатель начинает греться и легко может заклинить, а это уже крупные расходы на ремонт, фактически — капремонт. Чтобы всего этого избежать, необходимо делать замену детали на новую раз в несколько тысяч км, как предписывает регламент, либо ездить до появления характерных признаков скорой поломки насоса.
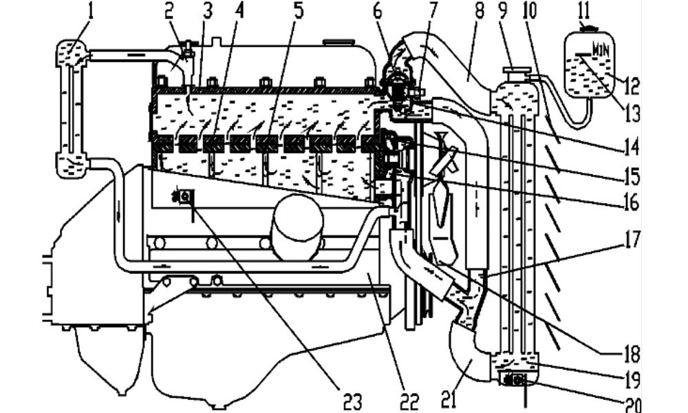
Схема охлаждения Хантера

Рис.1. Система охлаждения двигателей УМЗ-421, УМЗ-4218 для автомобилей автомобилей УАЗ-Хантер, УАЗ-31512, УАЗ-3303, 2206
- 1 – радиатор отопителя;
- 2 – кран отопителя;
- 3 – головка цилиндров;
- 4 – прокладка;
- 5 – межцилиндровые каналы для прохода охлаждающей жидкости;
- 6 – двух клапанный термостат;
- 7 – датчик указателя температуры охлаждающей жидкости;
- 8 – выпускной трубопровод;
- 9 – пробка радиатора;
- 10 – жалюзи;
- 11 – пробка;
- 12 – бачок расширительный;
- 13 – отметка “min”;
- 14 – корпус термостата;
- 15 – насос системы охлаждения;
- 16 – крыльчатка;
- 17 – патрубок соединительный;
- 18 – вентилятор;
- 19 – радиатор;
- 20 сливной кран радиатора;
- 21 – впускной трубопровод;
- 22 – блок цилиндров;
- 23 – сливной кран блока цилиндров.
Для нормальной работы двигателя УМЗ-421 (УАЗ-31512), УМЗ-4218 (УАЗ-Хантер, УАЗ-3303, 2206) температура охлаждающей жидкости должна поддерживаться в пределах плюс 80°- 90°С.
Допустима непродолжительная работа двигателя при температуре охлаждающей жидкости 105°С. Такой режим может возникнуть в жаркое время года при движении автомобиля с полной нагрузкой на затяжных подъемах или в городских условиях движения с частыми разгонами и остановками.
Как снять печку уаз хантер
Все начиналось еще с покупки автомобиля. После перегона автомобиля домой заметил небольшие капли на пассажирском коврике. Подтянул хомуты на кранике печки и вроде как помогло, но не на долго. Постепенно капли на коврике плавно перерастали в небольшие мокрые пятна, а в итоге после приезда из командировки на утро на коврике обнаружил вот ЭТО!
Вот это сюрприз
Приехал в гараж к отцу и начался разбор полетов. Думал в начале что потек радиатор на печке но после разбора оказалось все отлично.
Вот радиатор так радиатор, с таки тяжело замерзнуть
Проверив запасы отец нашел абсолютно новый моторчик на печку, еще по его словам с автобуса ЛИАЗ, на котором он лет 15 назад работал, т.к. по мощности он был по выше решено было его и установить.
Родной моторчик 12/25
новенький 12/60. Как будто только с конвейера. и не скажешь что ему уже 15 лет
Собрали все в родной корпус,
родной корпус печки
заменив при этом патрубки
Патрубки на краник отопителя (кстати кран один в один с ВАЗ)
на радиатор установили все назад. ПЕЧКА заработала как вертолет. Обороты аж сдувало (но при этом проблема запотевания лобового стекла так и ни куда не ушла), да и течь не пропала. Начал все-таки грешить на радиатор — а вдруг он все таки не герметичен. Разбирать по-новому сразу не стали, т.к. через неделю должна была быть доставлена, заказанная за ранее печка НАМИ-4. И она у меня в руках.
родная и такая долгожданная
По быстрому скнинули старую печку.
Второй раз сняли минут 10
Снятие и установка водяного насоса Уаз Хантер 31516
Водяной насос снимайте для доступа к другим деталям, для ремонта или замены при возникновении во время его работы шума, уровень которого превышает обычный и который появляется при образовании большого радиального люфта вала насоса.
3. Снимите ремень привода насоса гидроусилителя и шкива вентилятора (см. «Замена ремня привода насоса гидроусилителя рулевого управления и шкива вентилятора системы охлаждения»).
4. Снимите вязкостную муфту привода вентилятора (см. «Снятие и установка вязкостной муфты»). 5. Снимите ремень привода генератора и водяного насоса (см. «Замена ремня привода генератора»).
18. Установите водяной насос и все снятые детали в обратном порядке, на сопрягаемые поверхности водяного насоса и блока цилиндров нанесите герметик.
19. Залейте охлаждающую жидкость и удалите из системы охлаждения воздушные пробки (см. «Замена охлаждающей жидкости»).
Диагностика и ремонт
Из перечисленных выше признаков нетрудно понять, что в большинстве случаев источник проблем один – резинотехнические изделия, пришедшие в негодность. Манжеты трескаются и набухают, в результате перепускают жидкость и закрывают сбросные отверстия. Отсюда рекомендация: все «резинки» тормозной системы следует менять с интервалом примерно 100 тыс. км, не дожидаясь критического износа.
Прежде чем проверить ГТЦ на работоспособность, убедитесь в отсутствии других неисправностей:
- Осмотрите узлы колес с внутренней стороны на предмет протечки тормозной жидкости из рабочих цилиндров.
- Проверьте целостность расширительного бачка и уровень жидкости в нем.
- Заведите двигатель и на холостом ходу передавите патрубок отбора вакуума к усилителю. Если обороты двигателя заметно выросли, имеет место подсос воздуха и главный цилиндр, скорее всего, исправен.
Явный симптом, указывающий на поломку основного гидроцилиндра, – капли тормозной жидкости на корпусе. Обнаружив протекание, смело демонтируйте агрегат и разбирайте в поисках причины. Другие распространенная неполадка – перетекание жидкости сквозь уплотнители – диагностируется так:
- Откройте крышку расширительной емкости и посадите на водительское место помощника.
- Прислушиваясь к звукам в бачке, отдайте команду помощнику нажать педаль.
- Если педаль идет легко, а в резервуаре слышится бульканье, туда поступает жидкость. Причина – изношенные манжеты неспособны создать давление в контурах, жидкость просачивается через неплотности и попадает в емкость.
Также на проблемы ГТЦ указывает заклинивание либо слишком малый ход педали. Сядьте за руль, нажмите ее несколько раз, и заведите мотор, удерживая педаль ногой. Если она провалилась до пола или не сдвинулась с места, разбирайте гидроцилиндр.
Чтобы произвести замену либо ремонт главного тормозного цилиндра, нужно снять агрегат с автомобиля. Работы ведутся в следующем порядке:
- Откачайте жидкость из бачка шприцем. Если манжеты перепускают, надавите несколько раз педаль и отсосите поступившие излишки жидкости.
- Снимите расширительный бачок.
- Опорожнять все тормозные контуры необязательно. Подставив небольшую емкость, отверните гайку первой трубки и аккуратно отведите ее в сторону, заткнув деревянной палочкой.
- Повторите операцию со второй трубкой, открутите крепление фланца ГТЦ и снимите агрегат.
Дальнейшие действия зависят от конструкции главного цилиндра. Если элемент полностью разбирается, поменяйте резиновые уплотнители. В противном случае придется заменить поршни в сборе. Предварительно вымойте корпус и все отверстия спиртом, использовать бензин не допускается. После сборки долейте жидкость и прокачайте тормозную систему для удаления воздуха.
1KZ-TE

На уаз hunter можно поставить японский двигатель 1KZ-TE или 2L-T, в случае с последним под передний кардан придется вытачивать пластину толщиной около 2 см, а также перенести главный радиатор охлаждения немного вперед. 1KZ-TE является одним из лучших японских дизелей, и в скором времени после выпуска, он вытеснил собой более старый мотор 2LT. Трехлитровый 1KZ-TE имеет в своем составе чугунный блок, максимальный крутящий момент доступен уже с 2000 оборотов, а мощность составляет порядка 130-140 лошадиных сил. Имеет 2 клапана на цилиндр, а средний расход — в районе 7 литров!
Из недостатков можно выделить: применение электронного ТНВД, что несомненно является минусом в плане надежности. Такой ТНВД при замене встанет вам в очень существенную сумму, поэтому рекомендуется брать более старую вариацию мотора 1KZ-T с механическим ТНВД. Сложная система грм вместе с плоскими поршнями (без проточек под клапана) также не добавляют ему надежности, ведь при обрыве ремня поршни с вероятностью 99% встретятся с клапанами, как результат — дорогостоящий ремонт.
Как самостоятельно заменить помпу на Уаз Хантер?
Перед началом работ необходимо убедиться, что у вас есть все необходимые инструменты, такие как гаечные ключи, отвертки, разводной ключ, свечной ключ и специальный ключ для снятия ремня ГРМ. Также потребуется новая помпа для замены.
- Первым шагом является выключение двигателя и ожидание, пока он остынет. Затем необходимо отсоединить клемму отрицательного полюса аккумуляторной батареи, чтобы предотвратить возможные повреждения электрической системы.
- Далее необходимо снять ремень ГРМ с помощью специального ключа. Для этого следует ослабить натяжитель ремня ГРМ и снять ремень со шкивов.
- После того как ремень ГРМ снят, можно приступить к снятию помпы. Необходимо открутить крепления помпы с помощью гаечных ключей и аккуратно снять ее со шкива водяного насоса.
- После снятия старой помпы следует очистить поверхность шкива водяного насоса от остатков кожуха помпы. Рекомендуется также заменить прокладку, чтобы избежать возможных утечек.
- Затем следует установить новую помпу на место старой, аккуратно закрепив ее креплениями с помощью гаечных ключей.
- После установки новой помпы следует установить ремень ГРМ на шкивы, следуя указаниям, приведенным в инструкции по эксплуатации автомобиля.
- Закончив установку ремня, нужно проверить его натяжение, чтобы убедиться в правильной его работе.
Важно помнить, что замена помпы на Уаз Хантер может быть опасной операцией. Если у вас нет навыков автомеханика или опыта в проведении подобных работ, рекомендуется обратиться к профессионалам
Они проведут замену помпы качественно и гарантированно исключат возможность повреждения автомобиля.
Признаки и причины поломки
Основная причина по которой помпа на УАЗ Патриот выходит из строя это износ подшипника ступицы шкива, в результате на него начинает попадать охлаждайка. Помимо этой причины могут быть и другие, например:
- Целостность сальника нарушается. Довольно часто это случается из-за использования некачественных промывок;
- Крыльчатка подвергается коррозии. Это связанно с некачественным тосолом или антифризом;
- Через уплотнительную прокладку расположенную между блоком мотора и насосом начинается течь. Проблема решается заменой прокладки или промазкой герметиком.
Прежде чем помпа выйдет из строя появляется ряд признаков говорящих что имеются проблемы и устройство в скором времени может выйти из строя.
Признаки могут быть следующими:
- Нужно визуально осмотреть насос, если сальник износился вокруг помпы будут иметься потеки;
- Если потеков нет, заведите мотор и если будет доносится свист или срежет, или идут посторонние вибрации то скорей всего имеются проблемы с крыльчаткой или подшипником;
- Начинает греться двигатель, даже в холодное время суток. На первый взгляд при осмотре может показаться что деталь исправна, но если разобрать ее то можно увидеть что лопасти сломались или их разъело и жидкость перестает качаться;
- Антифриз изменил свой цвет;
Для того чтобы не пришлось менять весь узел целиком, желательно устранять неисправность на ранней стадии.
Силовой агрегат, как все знают – это главный узел в абсолютно любом автомобиле, в том числе и УАЗ Патриот. В конструкции любого мотора на авто присутствует система охлаждения, позволяющая полноценно поддерживать температуру движка, и чтобы она не превышала допустимых значений. Необходима такая система для исправной работы силового агрегата. При отсутствии охлаждающей системы, двигатель авто незамедлительно выйдет из строя
В этой важной системе основную роль играет помпа, или как ее по-другому называют водяной насос. Как раз об этом механизме и пойдет речь сейчас
Мы расскажем, как осуществляется замена помпы, какие бывают неисправности. В качестве рассматриваемого автомобиля УАЗ Патриот, который является очень популярным среди отечественных автолюбителей и его 409 двигатель.
Водяной насос позволяет непрерывно охлаждающей жидкости циркулировать в системе машины. Насос оснащен специальными лопастями, которые при вращении обеспечивают собственно движение жидкости, что позволяет мотору не перегреваться.
Когда помпа перестает работать, то сразу же в движке поднимется температура, и 409 двигатель «закипит». Предлагаем вам детально разобрать какие встречаются неисправности, и когда требуется замена помпы на популярном в нашей стране УАЗ Патриот.

Замена помпы на УАЗ Хантер: необходимость и последствия
Неисправность помпы может проявиться различными способами: перегрев двигателя, утечка охлаждающей жидкости, шум в районе двигателя. Если такие симптомы появляются, то замена помпы становится необходимой процедурой.
При замене помпы следует учитывать несколько важных моментов:
1. Качество запчасти
Для замены помпы рекомендуется использовать оригинальные или качественные аналоги. Низкое качество запчастей может привести к дальнейшим проблемам и неисправностям.
2. Техническое исполнение работ
Замена помпы является сложной процедурой, требующей определенных знаний и умений. Лучше всего проводить замену в специализированном сервисном центре или доверить работу опытному автомеханику.
В случае неправильной замены помпы могут возникнуть серьезные последствия:
— Перегрев двигателя может привести к его поломке и требовать дорогостоящего ремонта.
— Утечка охлаждающей жидкости может привести к снижению эффективности охлаждения и повышенному износу двигателя.
— Шум в районе двигателя может быть признаком неполадки помпы, которая, если не заменить вовремя, может выйти из строя полностью.
Преимущества замены помпы на Уаз Хантер своими руками
При неисправности помпы или ее износе возможны серьезные проблемы, такие как перегрев двигателя, потеря мощности и повреждение головки блока цилиндров. Поэтому замена помпы является важным этапом технического обслуживания Уаз Хантера.
Преимущества самостоятельной замены помпы
- Экономия денег. Замена помпы своими руками позволяет избежать расходов на оплату работ механика. Также вы можете выбрать качественную запчасть по более низкой цене, что сократит ваш бюджет на ремонт.
- Уверенность в качестве работы. Когда вы меняете помпу самостоятельно, вы контролируете весь процесс и обеспечиваете правильную установку и настройку. Это дает вам уверенность в качестве работы и надежности системы охлаждения.
- Опыт и навыки. Замена помпы — полезный опыт для каждого владельца Уаз Хантера. Вы сможете понять, как работает система охлаждения, научиться распознавать признаки неисправности и самостоятельно устранять некоторые проблемы.
Шаги замены помпы на Уаз Хантер
- Подготовка. Отключите аккумулятор, сливайте охлаждающую жидкость и удалите ремни и другие детали, которые мешают доступу к помпе.
- Снятие старой помпы. Ослабьте крепление, снимите вентилятор, ремень и другие элементы, затем аккуратно выньте старую помпу из двигателя.
- Установка новой помпы. Установите новую помпу в двигатель, правильно проштампуйте и закрепите ее крепежными болтами.
- Сборка. Верните все снятые детали обратно на свои места, установите ремни, вентилятор и другие элементы, их вы сняли.
- Заливка охлаждающей жидкости. Заполните систему охлаждения свежей охлаждающей жидкостью до требуемого уровня.
После проведенной замены помпы не забудьте проверить работу системы охлаждения и убедиться в ее надежности. Регулярная замена помпы поможет вашему Уаз Хантеру работать эффективно и безопасно на дороге.
Как поменять помпу на уаз 31519
Думаю, что получилось с изменением, будет интересно многим, кто еще с этим не сталкивался.
Итак, после покупки новой 31519, заглянул под капот и обнаружил интересную хрень в вентиляторном железе мясорубки там был большой шайбовидный хлам, гордо именуемый вискомуфтой. Из мануала я понял, что это очень крутая штука.
А тут после пробега в 13 или 14 насос заработал, сначала на холодную, потом на горячую, а потом вообще антифриз стал выливаться специфической вонючей струей.
После снятия помпы обнаружил ТАКОЙ люфт в подшипниках вала, что мне стало немного не по себе оказывается эта байда (вязкостная муфта) вкупе с железным вентилятором (они тяжелые и естественно не балансируются) конкретно сломала подшипники и сальник масло вместе с ними.
Так, после запрессовки нового вала с новыми подшипниками и сальником, вместо вискомуфты и железного вентилятора был установлен пластиковый вентилятор от ГАЗ 53 с обрезанными на 4 см лопастями (чтобы влезть в диффузор и не прилипали к шкив коленчатого вала). Думаю теперь подшипники помпы точно проживут дольше .
5.18.6 Снятие и установка водяного насоса / УАЗ 31519
Водяной насос снимайте для доступа к другим деталям, для ремонта или замены при возникновении во время его работы шума, уровень которого превышает обычный и который появляется при образовании большого радиального люфта вала насоса.
3. Снимите ремень привода насоса гидроусилителя и шкива вентилятора (см. «Замена ремня привода насоса гидроусилителя рулевого управления и шкива вентилятора системы охлаждения»).
4. Снимите вязкостную муфту привода вентилятора (см. «Снятие и установка вязкостной муфты»). 5. Снимите ремень привода генератора и водяного насоса (см. «Замена ремня привода генератора»).
18. Установите водяной насос и все снятые детали в обратном порядке, на сопрягаемые поверхности водяного насоса и блока цилиндров нанесите герметик.
19. Залейте охлаждающую жидкость и удалите из системы охлаждения воздушные пробки (см. «Замена охлаждающей жидкости»).
Улучшаем систему охлаждения УАЗ Хантер
Один из популярных приемов улучшения эксплуатационных качеств автомобиля – установка более совершенных деталей и узлов от других марок и моделей. О том, как самостоятельно модернизировать систему охлаждения двигателя УАЗа, рассказывает Антон УТКИН.
Многие, наверное, видели: зимой капоты армейских «уазиков» укрыты специальными стегаными попонами. Автолюбители, имевшие дело только с «жигулями», недоумевают: попона – это техническая необходимость или просто славная воинская традиция, сохранившаяся с тех времен, когда кавалеристы заботливо укрывали своих коней, уберегая их от простуды? Увы, утепление моторного отсека УАЗа – вынужденная мера: архаичная конструкция его системы охлаждения не способна поддерживать оптимальный тепловой режим двигателя. Характерные особенности – очень медленный прогрев и низкая (60-70°С) рабочая температура в холодное время. Между тем есть простой способ повысить ее в полтора раза (то есть привести в норму) – достаточно заменить устаревший одноклапанный термостат более современным.![]()
Однако двигатели 2,9 л пока редкость, и почти все «уазики» бегают по дорогам с низкотемпературным одноклапанным термостатом ТС-108-03. Идея самостоятельной его замены на двухклапанный «жигулевский» возникла уже давно – примерно тогда же, как и выражение «тепло, как в «Жигулях». Журнал не раз рассказывал о том, как автолюбители делали это на «волгах». К сожалению, они часто лишь копировали вазовскую схему трубопроводов, заранее мирясь с главным ее недостатком – трудностью замены термостата в дорожных условиях. Последнее весьма существенно, ведь качество термостатов ставровского завода АТО (именно их применяют российские автозаводы) весьма нестабильно – один экземпляр может проработать двадцать лет, а другой заклинит уже через месяц.![]()
1 – радиатор; 2 – шланг внутренним диаметром 32 мм; 3 – термостат ТС-103; 4 – стальная трубка диаметром 32 мм; 5 – промежуточный патрубок диаметром 45 мм; 6 – шланги внутренним диаметром 45 мм; 7 – крышка штатного термостата.
Лучше всего подходит для УАЗа, да и в продаже бывает чаще других модификаций термостат ТС-103, применяемый на автомобилях ВАЗ-2101–2107 и 21213, с углом 122° между боковыми патрубками. Несколько кусков резиновых армированных шлангов внутренним диаметром 32 мм, прямых и изогнутых, общей длиной около полуметра можно позаимствовать от автомобилей ВАЗ, АЗЛК, «Таврия», а две стальные тонкостенные трубки наружным диаметром 32 мм – от автомобилей ВАЗ-2108, «Ока», «Таврия» и «Москвич-2141» (с мотором ВАЗ). Закрепить все это «хозяйство» на УАЗе помогут восемь червячных хомутов диаметром 32–50 мм.![]()
Сначала полностью разбираем систему штатных шлангов, отсоединив их от патрубков радиатора и водяного насоса. Удаляем штатный термостат из корпуса и, смазав герметиком прокладку, ставим его крышку на место. В металлический патрубок диаметром 45 мм, соединяющий две части отводящего шланга радиатора, надо вварить (или припаять латунью) изогнутый кусок трубки диаметром 32 мм – для малого контура циркуляции. На «уазиках» вагонной компоновки («головастик» и «буханка») там уже вварен тонкий патрубок для «печки», но он не помешает. При стыковке «жигулевского» термостата с уазовскими патрубками радиатора и крышки термостата никаких переходников не потребуется – шланг с внутренним диаметром 32 мм, хоть с трудом, но натягивается на патрубки диаметром 38 мм, особенно если их смазать скользким герметиком («Гермесил» и др.). На рисунке – наглядная схема подсоединения шлангов, но фактически вертикальная ветвь малого контура расположена ближе к радиатору, а термостат занимает почти горизонтальное положение чуть ниже заливной горловины радиатора.
Опыт эксплуатации УАЗа с «жигулевским» термостатом показал полный успех такой переделки. Не подтвердились опасения, что уменьшение на 40% сечения подводящей ветви радиатора может вызвать перегрев двигателя. Отнюдь, даже на груженой машине в пекле летних московских пробок он стабильно держит свои 90° С. Те же 90° на указателе температуры и зимой, причем безо всяких там жалюзи, фартуков и попон. Основной радиатор при этом холоден, как снег на обочине, зато «печка» дует знойным суховеем – в машине стало намного теплее. Да и сам мотор словно получил второе дыхание
Раньше при 60° на указателе он тянул неважно и отзывался провалом на открытие дросселя. Теперь, нагретый до 90°, он аж рычит от удовольствия, принимая нагрузку
В общем, игра стоит свеч, попробуйте – и не пожалеете!
Подведем итоги
Подводя итог всему выше написанному, отметим, что насос в рассматриваемой нами системе авто UAZ Patriot – это обязательное устройство, которое всегда должно быть исправно. Следовательно, каждый владелец такой машины должен периодически проверять целостность механизма и контролировать состояние помпы.
Помпа на УАЗ Патриот: назначение, замена
Основным узлом каждого автомобиля является двигатель. Чтобы двигатель исправно функционировал, в конструкции имеется система охлаждения, которая позволяет поддерживать температуру мотора и не превышать нормированного значения. Отсутствие системы охлаждения приводит к немедленному выходу из строя двигателя автомобиля. Важную функцию в охлаждении двигателя внедорожника УАЗ Патриот играет водяной насос или помпа. Именно о данном изделии и поведает сегодняшняя статья.

Итог
Перед тем, как произвести замену двигателя необходимо получить разрешение в ГИБДД на переоборудование автомобиля, ведь в таком случае у вас не будут совпадать номер двигателя и тот, что указан в ПТС. Другими словами, у вас (если делаете сами), или у тюнинговой компании должны быть все необходимые документы на новый двигатель, прибывший из-за рубежа (и не только). Это нужно для того, чтобы в будущем не возникало проблем с регистрацией транспортного средства.
Сопутствующие работы по замене:
- Необходимо будет поменять всю электропроводку, либо ее отдельную часть.
- Переделка выхлопной магистрали, в случае установки v8 — нужно будет сделать двойной выхлоп.
- Установка нестандартного ЭБУ и прошивки.
- Переделка креплений двигателя под новый агрегат.
- Состыковка нового двигателя с не родной для него коробкой передач.

























