Проблемы при оплате банковскими картами
Иногда при оплате банковскими картами Visa / MasterCard могут возникать трудности. Самые распространенные из них:
- На карте стоит ограничение на оплату покупок в интернет
- Пластиковая карта не предназначена для совершения платежей в интернет.
- Пластиковая карта не активирована для совершения платежей в интернет.
- Недостаточно средств на пластиковой карте.
Для того что бы решить эти проблемы необходимо позвонить или написать в техническую поддержку банка в котором Вы обслуживаетесь. Специалисты банка помогут их решить и совершить оплату.
Вот, в принципе, и все. Весь процесс оплаты книги в формате PDF по ремонту автомобиля на нашем сайте занимает 1-2 минуты.
Схема электрооборудования автомобиля Ауди 100/А6 ( Audi 100/A6)
Условные обозначения на электрических схемах
- На схемах общепринятую нумерацию имеют следующие контакты:
- 15 — контакт (+12В), на который подается напряжение при включении зажигания;
- 30 — контакт (+12В), который всегда находится под напряжением аккумуляторной батареи;
- 31 — соединение с «массой»;
- 50 — контакт («плюсовый»), на который подается напряжение при повороте замка зажигания в положение «Пуск»;
- 85 — входной контакт реле;
- 86 — контакт соединения реле с «массой»;
- 87 — выходной контакт реле; 87а — выходной контакт реле.
- Места расположения контактов с «массой» автомобиля:
- Е1 — моторный отсек (провод отрицательной клеммы аккумуляторной батареи);
- Е2 — соединение с «массой» двигателя (генератор);
- ЕЗ — под левой стороной комбинации приборов;
- Е4 — жгут проводов комбинации приборов;
- Е5- жгут проводов в моторном отсеке;
- E6 — левая сторона моторного отсека;
- Е7 — под левой стороной комбинации приборов;
- Е8 — жгут проводов правой фары;
- Е9 — жгут проводов левой фары;
- Е10 — жгут проводов в моторном отсеке;
- Е11 — жгут проводов задней части кузова;
- Е12 — блок цилиндров;
- Е13 — впускной коллектор;
- Е14 — жгут проводов в моторном отсеке;
- Е15 — впускной коллектор;
- Е16 — основание левой передней стойки кузова;
- Е17 — жгут проводов крышки багажника;
- Е18 — жгут проводов комбинации приборов;
- Е19 — правая задняя стойка кузова;
- Е20 — жгут проводов центральной консоли;
- Е21 — жгут проводов электрического стеклоподьемника;
- Е22 — жгут проводов двери;
- Е23 — левая сторона багажного отделения;
- F24 — жгут проводов динамика.
На данных схемах переход сигнального провода с одного рисунка схемы на другой, указан черной стрелкой с обозначением номера рисунка и координаты места соединения.
Для удобства поиска в пределах страницы, фрагмента схемы, ниже представлены ссылки. Возврат на начало страницы, клавиши Ctrl+Home.
- Система запуска двигателя и заряда аккумулятора автомобилей с автоматической коробкой передач
- Вентиляторы охлаждения двигателя и отопителя
- Система управления дизельным двигателем
- Система управления двигателем Mono Motronic
- Система управления двигателем KE Motronic
- Система управления двигателем KE Jetronic
- Контрольные лампы и приборы
- Система наружного освещения
- Система наружного освещения (продолжение)
- Система внутреннего освещения, обогреватель заднего стекла
- Очиститель/ омыватель ветрового стекла, электропривод зеркал заднего вида
- Центральный замок и аудисистема
- Электрические стеклоподъемники
- Расположение монтажных блоков на автомобиле Ауди 100/А6
- Монтажный блок предохранителей и реле автомобилей Ауди 100 годов выпуска 1990-1994
- Предохранители и реле расположенные в монтажных блоках автомобилей Ауди 100 ( 1990-1993гг)
- Предохранители расположенные в монтажном блоке автомобилей Ауди 100/А6 (1994-1998гг)
- Расположение реле в монтажных блоках
- Дополнительные монтажные блоки
Система запуска двигателя и заряда аккумулятора автомобилей с автоматической коробкой передач
Вентиляторы охлаждения двигателя и отопителя
Система управления дизельным двигателем
Система управления двигателем Mono Motronic
Система управления двигателем KE Motronic
Система управления двигателем KE Jetronic
Контрольные лампы и приборы
Система наружного освещения
Система наружного освещения (продолжение)
Система внутреннего освещения, обогреватель заднего стекла
Очиститель/ омыватель ветрового стекла, электропривод зеркал заднего вида
Центральный замок и аудисистема
Расположение монтажных блоков на автомобиле Ауди 100/А6
Монтажный блок предохранителей и реле автомобилей Ауди 100 годов выпуска 1990-1994
Предохранители и реле расположенные в монтажных блоках автомобилей Ауди 100 ( 1990-1993гг)
Предохранители расположенные в монтажном блоке автомобилей Ауди 100/А6 (1994-1998гг)
Расположение реле в монтажных блоках
Руководства на все автомобили
1. Органы управления и приборы
2. Технические характеристики
3. Двигатели
4. Система охлаждения
5. Выхлопная система
6. Система питания
7. Трансмиссия
8. Ходовая часть
9. Рулевое управление
10. Тормозная система
11. Кузов
12. Электрооборудование
12.0 Электрооборудование
12.1 Предохранители, реле и блоки управления
12.2. Генератор
12.3. Стартер
12.4. Освещение и световая сигнализация
12.5 Система зажигания
12.6. Транзисторная система зажигания
12.7. Электронная система зажигания
12.8 Бесконтактная система зажигания FEI
12.9. Электрические схемы
12.9.1 Электрические схемы
12.9.2 Точки соединения с «массой»
12.9.3 Генератор, аккумулятор, стартер
12.9.4 Система зажигания, реле топливного насоса
12.9.5 Стабилизация холостого хода, контроль давления масла
12.9.6 Вентилятор радиатора (работа после остановки двигателя)
12.9.7 Указатели поворотов, аварийная сигнализация, фонари стоп-сигнала
12.9.8 Замок зажигания, сигналы стояночного тормоза
12.9.9 Выключатель указателей поворотов, габаритных огней и фар
12.9.10 Фары и задние противотуманные фонари
12.9.11 Фонари заднего хода, освещение панели приборов, моторного отсека
12.9.12 Стеклоочистители, стеклоомыватели, омыватели фар, звуковой сигнал
12.9.13 Контрольные лампы охлаждающей жидкости и износа тормозных колодок
12.9.14 Панель приборов, спидометр
12.9.15 Панель приборов
12.9.16 Обогрев заднего стекла, вентилятор отопителя
12.9.17 Прикуриватель, освещение прикуривателя, магнитола
12.9.18 Внутреннее освещение багажника
12.9.19 Устройство впрыска KE-Jetronic
12.9.20 Впрыск топлива с регулировкой детонационного сгорания
12.9.21 Система зажигания, устройство контроля давления масла
12.9.22 Панель приборов, датчик температуры охлаждающей жидкости
12.9.23 Устройство впрыска KE III-Jetronic (двигатель мощностью 100 КВт)
12.9.24 Аккумулятор, стартер, генератор (дизельный двигатель)
12.9.25 Калильные свечи, реле калильных свечей
12.9.26 Устройство контроля давления масла
12.9.27 Корпус панели приборов
12.9.28 Вентилятор радиатора (работа после остановки двигателя)
12.9.29 Наружные зеркала с электроприводом и электрообогревом
12.9.30 Центральный замок
12.9.31 Магнитола
12.9.32 Фары и задние противотуманные фонари Часто задаваемые вопросыСсылки на другие сайты
Модификации
Получив весомый объем продаж, и растущий спрос на новинку, автопроизводитель пустил в серию сразу несколько кузовов Ауди:

- 4-х дверный седан (заводской индекс 43, C2) выпускался с 1976 по 1982 гг.;
- спустя 2 года появился 5 дв. хэтчбек (заводской индекс 43, C2), который продержался на конвейере с 1978 по 1982 г.г;
- модернизированный 4 дв. седан (индекс 44, 44Q, C3) пришел на смену предыдущему С2 и выпускался с 1982 по 1991гг.;
- также прошел омологацию и 5 дв. универсал (индекс 44, 44Q, C3), продержавшийся в заводской программе с 1983 по 1991гг.;
- в 1991 году появился новый 4 дв. седан (индекс 4A, C4), выпускавшийся вплоть до 1994 гг.;
- в это же время появился и новый 5 дв. универсал (индекс 4A, C4), также выпускавшийся с 1991 по 1994гг.

Кроме кузовов и, как следствие» различной электропроводки, автомобили оснащались и разными типами силовых агрегатов и трансмиссий:
- бензиновыми версиями с системой впрыска и бесконтактным электронным зажиганием;
- дизельными версиями;
- автоматическими коробками передач;
- механическими коробками передач;
- вариаторами (поздние версии).
Электрические схемы Ауди 100
Набор электронных схем для популярного серийного автомобиля Audi 100 помогут автослесарю с ремонтом машины. Подробно даны общие сведения всех схем, а также устройство впрыска KE III – Jetronic.
Машина марки Audi, модель 100 стал в свои годы очень распространённым автомобилем. Её выпускали с 1982 по 1991 год включительно, и за этот промежуток времени было выпущено с конвейера примерно 1 078 443 машин (седан и универсал). Эти переднеприводные машины имели бензиновые двигатели с различным объёмом, начиная от 1,6 л и до 2,3 л, а также 2,0 л, 2,4 л и 2,5 литров турбодизель. Коробка передач также шла на выбор: автомат или механика. Преимуществам такого немецкого транспорта послужила продуманная аэродинамика кузова (коэффициент лобового сопротивления 0,30). Такие показатели Ауди 100 помогли значительно сэкономить топливо, а очень просторный салон не оставил равнодушным не одного покупателя, он и по сей день является очень вместительным и удобным даже среди новых выпущенных автомобилей.
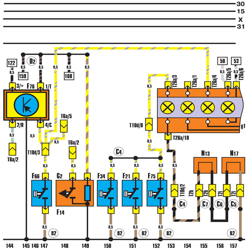
Контрольные лампы охлаждающей жидкости и износа тормозных колодок — схемы

F14 – датчик перегрева охлаждающей жидкости;F21 – датчик усилителя тормозов;F34 – датчик уровня тормозной жидкости;F66 – датчик уровня охлаждающей жидкости;F75 – датчик давления масла в гидросистеме;F76 – электронный термовыключатель;G2 – датчик указателя температуры охлаждающей жидкости;К3 – контрольная лампа давления масла;К28 – контрольная лампа температуры охлаждающей жидкости;К32 – контрольная лампа износа тормозных колодок;К66 – контрольная лампа неисправности блока электронного зажигания;N13 – датчик износа тормозной колодки слева;N17 – пусковая форсунка;T2h – 2-контактный разъем (левая амортизаторная стойка);T2i – 2-контактный разъем (правая амортизаторная стойка);T6a – 6-контактный разъем (черный) за панелью приборов;Т10d – 10-контактный разъем (желтый) за панелью приборов;Т26а – 26-контактный разъем (коричневый) в корпусе панели приборов;82 – соединение с «массой» 1 в переднем жгуте проводов слева.

Е20 – регулятор освещения панели приборов;К1 – контрольная лампа фар;К6 – контрольная лампа аварийной сигнализации;К64 – контрольная лампа правого указателя поворотов;К65 – контрольная лампа левого указателя поворотов;L8 – лампа освещения часов; L10 – лампа освещения панели приборов;Т4d – 4-контактный разъем на корпусе панели приборов;Т26–26-контактный разъем (черный) на корпусе панели приборов;Т26а – 26-контактный разъем (коричневый) на корпусе панели приборов;Y2 – электронные часы Ауди 100.
Особенности электрооборудования
Автомобили с электронным зажиганием эксплуатировались и в нашей стране. А вот машины с автоматическими коробками передач (АКПП) были в диковинку:
- комплектации с АКПП существенно увеличивали количество электронных компонентов автомобиля. Добавлялись электронные блоки управления режимами работы АКПП, датчики, новая проводка;
- обслуживать своими руками автомобили в такой комплектации было невозможно – только на специализированных СТО.
Проводка
Для отечественных автовладельцев проводка Ауди 100 не представляла особых тайн и загадок. Основные параметры электрооборудования были аналогичны схемам, применявшимся в отечественном автомобилестроении.
- бортовое напряжение в системе электрооборудования автомобиля 12 В;
- проводка однопроводная, провода подают «+» на приборы и механизмы;
- роль второго провода выполняет металлический кузов («масса»);
- отрицательные выводы потребителей электроэнергии соединены на «массу»;
- основные цепи питания защищены плавкими предохранителями.

Функции комфорта
Новинкой для отечественного рынка легковых автомобилей было наличие функций контроля:
- центрального замка;
- иммобилайзера;
- электростеклоподъемников;
- омывателей фар головного света;
- климат-контроля и т.п.

Совет: Хотя эти системы были достаточно надежными, все же возникали ситуации, требовавшие вмешательства мастера или опытного владельца. Разбирать устройства можно только в отключенном от сети состоянии.
А электрических схем для осуществления ремонтно-восстановительных работ, также как и учебных видео материалов не было, поскольку:
- большая часть автомобилей Ауди 100 попадали в нашу страну неофициально (пригонялись из Европы), поскольку цена авто в таком случае была доступной;
- сервисные центры, чьи специалисты прошли обучение у автопроизводителя, появились гораздо позже.
Ауди 100/А6 С4

Если вы собираетесь делать ремонт самостоятельно, будет полезен раздел с конкретными рекомендациями по уходу за автомобилем в условиях домашней мастерской. Наиболее подробно рассмотрены процедуры по ремонту двигателя (как текущий, так и капитальный ремонт), системы зажигания, системы впрыска топлива (по отдельности рассматриваются системы впрыска Ke-Motronic, Ке III-Jetronic, Monomotronic, Motronic, Мp I и Mpf I), топливной системы дизельных двигателей, системы охлаждения. сцепления, ходовой части и рулевого управления, передней и задней подвесок, тормозной системы, кузова, электрооборудования, коробки передач.

Рекомендации по техническому обслуживанию, электросхемы Audi 100, 200, контрольные размеры и регулировочные данные приведены в отдельных главах. Мануал предназначен для автовладельцев Ауди 100 / 200, работников СТО и автосервисов. Для распаковки загруженного файла используйте пароль: viamobile. ru Выпуск: с 1990 г. Мультимедийное руководство по ремонту и эксплуатации автомобиля.

Для распаковки загруженного файла используйте пароль: viamobile. ru Выпуск: с 1982 г. Мультимедийное руководство по ремонту и эксплуатации автомобиля. Для распаковки загруженного файла используйте пароль: viamobile. ru выпуска 1983-1991 г. г. Качество: Сканированные страницы, хорошее Настоящее руководство является пособием по тех. обслуживанию и ремонтным работам автомобилей Audi сто с 4- и 5-цилиндровыми бензиновыми двигателями моделей Audi 100, Audi 100 CC, Audi 100 CS, Audi 100 CD, Audi 100 2,0 E, Audi 100 Avant, Audi 100 Avant CC, Audi 100 Avant CD, Audi 100 Avant 2,0 E, Audi 100 Avant 2,2 E, Audi 100 Avant 2,3 E 1983-1991 модельных годов оборудованных двигателями моделей DR, DS, WH, KP, WC, KU, NP, RT, NF. В мануале приведены возможные неисправности и методы их устранения, сопрягаемые размеры основных деталей и пределы их допустимого износа, рекомендуемые смазочные материалы и рабочие жидкости.
Книга предназначена для автовладельцев, персонала СТО и ремонтных мастерских.
Для распаковки загруженного файла используйте пароль: viamobile. ru Инструкция по ремонту Ауди 100 (C4 / A4), а также пособие по техническому обслуживанию и эксплуатации Audi 100 (C4 / A4) / Audi 100 Avant / Audi 100 Quattro / Audi A6 Avant / Audi A6 Quattro 1990-1997 гг. выпуска. Автомобили оборудованы бензиновыми двигателями рабочим объемом 1,8 л. , 2,0 л. , 2,3 л. , 2,6 л. и дизельными рабочим объемом 19 л. , 2,4 л. , 2,5 л. Типы двигателей: ADR / AAE / AAD / ABK / ACE / AAR / ABC / AAH / AHU / AAS / ABP / AAT.
Электрическая схема автомобиля Ауди 100
Ниже предоставленны электросхемы оборудования на AUDI 100 / А6.

Электросхема системы пуска двигателя, заряда аккумуляторной батареи и звукового сигнала

Вентилятор охлаждения двигателя и вентилятор отопителя салона


Схема системы управления диз. двигателем

Электросхема управления двигателем Mono — Motronic

Схема системы управления двигателем KE — Motronic

Эл.схема системы управления двигателем KE — Jetronic

Схема контрольных ламп и приборов

Система внешнего освещения — схема на Ауди 100



Центральный замок и аудиосистема — электросхема

РЕМОНТ АВТОЭЛЕКТРОНИКИ ЗАРЯДНЫЕ УСТРОЙСТВА ДЛЯ АКБ





















