Классификация ГРМ
На современные двигатели устанавливают разные типы газораспределительных механизмов и различаются они по следующим признакам:
- по месту распредвала — снизу или сверху;
- по количеству распредвалов — 1 (SOHC) или 2 (DOHC);
- по числу клапанов — их может быть от трёх до пяти;
- по виду привода — цепной, зубчато-ремённый, шестерёнчатый.
Наиболее частое размещение вала — верхнее, оно же и самое эффективное. Клапаны открываются и закрываются благодаря рычагам привода, что даёт возможность производить двигатели меньшей массы и проще спроектированными.
Двигатели оснащаются различными типами ГРМ, что напрямую зависит от характеристик мотора, а точнее, от места установки коленвала, распредвала и открывающих/закрывающих клапанов.
При нахождении ГРМ в верхней части распредвал устанавливается в головку цилиндра там же, где и сами клапаны. Они закрываются и открываются с помощью рычагов от распределительного вала. Привод запускается от коленвала через роликовые цепи или ремни зубчатые.
Высокая надёжность и относительная бесшумность двигателя достигается именно верхним размещением распределительного вала. Это снижает вес мотора и силу инерции открывающихся/закрывающихся клапанов.
Цепной и зубчато-ремённый вид распредвала также характеризуется тихой работой газораспределительного механизма.
Распределительный вал размещается рядом с коленвалом в отсек с цилиндром. Такое расположение ГРМ называется нижним. Клапаны закрываются и открываются от распредвала сквозь толкатели. С помощью шестерёнок коленвала запускается привод коленчатого вала. Вся система двигателя и газораспределительный механизм становятся немного сложнее при таком размещении (нижнем) распредвала. Силы инерции возрастают. Количество распределительных валов и клапанов в газораспределительном механизме зависит от типа двигателя. Чем их больше, тем качественнее и равномернее происходит наполнение цилиндров, а также очистка газов на выходе. Мощность двигателя и крутящий момент возрастают в разы.
Имеется разновидность газораспределительного механизма, где клапаны располагаются смешанно. Он так и называется — смешанный. Клапаны открытия располагаются в блочной головке, идентично верхнему виду. А клапаны закрытия соответствуют нижнему. Такое размещение характеризуется более мощными показателями, чем у первых двух. Область применения была многие годы назад как в Советском Союзе, так и за рубежом. Далеко не многие заводы производили моторы с таким газораспределительным механизмом, поэтому чаще всего автолюбители, среди которых большинство были гонщики, переделывали «нижний» ГРМ в смешанный, добиваясь максимума мощности и скорости для участия в гонках.
Строй-Техника.ру
Строительные машины и оборудование, справочник
Категория:
Устройство автомобиля
Публикация:
Механизмы газораспределения и взаимодействие их деталей
Читать далее:
Детали газораспределительного механизма
Механизмы газораспределения и взаимодействие их деталей
Четырехтактные автомобильные двигатели имеют клапанные механизмы газораспределения, в которых впуск горючей смеси и выпуск отработавших газов происходит при помощи впускных и выпускных клапанов. В двухтактных двигателях газораспределение осуществлено при помощи шатунно-кривошипного механизма или смешанной системы.
В зависимости от расположения клапанов различают газораспределительные механизмы с нижними клапанами, расположенными в блоке цилиндров, и с верхними клапанами, размещенными в головке блока. При размещении клапанов в головке блока камера сгорания имеет наиболее рациональную форму и меньшую поверхность теплоотдачи, что благоприятно отражается на рабочем цикле: улучшается наполнение цилиндров горючей смесью или воздухом; удобнее регулировать клапаны. Однако такой газораспределительный механизм сложнее, более металлоемок и дороже, чем механизм с нижними клапанами. В карбюраторных двигателях применяют оба газораспределительных механизма, а в дизелях только механизм с верхними клапанами.
На большинстве автомобильных двигателей распределительные валы установлены в блоке цилиндров — нижнее расположение вала. Распределительные валы устанавливают и на головках блока — верхнее расположение вала (двигатели автомобилей «Москвич-2140», «Жигули» и др.). В этом случае газораспределительный механизм проще, но имеет довольно сложный цепной привод. Обычно газораспределительный механизм приводится в движение от коленчатого вала через соответствующие шестерни. При вращении распределительного вала кулачок набегает на толкатель, который поднимается вверх и регулировочным болтом нажимает на стержень клапана. Головка клапана отходит от седла, и цилиндр соединяется с впускным или выпускным трубопроводом. Пружина клапана сжимается. После наполнения или очистки цилиндра кулачок выходит из-под толкателя, и клапан под действием пружины опускается на седло. Клапан передвигается в направляющей втулке, запрессованной в блок цилиндров. Пружина одним концом опирается на тарелку, соединенную с клапаном при помощи сухарей, а другим — в кольцевую проточку блока цилиндров. Положение регулировочного болта в толкателе фиксируется контргайкой (двигатели автомобилей ЗИЛ-130К и ГАЗ-52-04).
Рекламные предложения на основе ваших интересов:
Во время такта сжатия и рабочего хода клапан неподвижен и под действием пружины плотно прижат к седлу. При вращении распределительного вала кулачок набегает на толкатель и поднимает его вместе со штангой вверх. Штанга поворачивает на оси коромысло, которое нажимает на стержень клапана. Вследствие этого клапан опускается вниз и цилиндр двигателя соединяется с впускным или выпускным трубопроводом. При дальнейшем вращении распределительного вала кулачок выходит из-под толкателя, и клапанный механизм под действием пружины возвращается в первоначальное положение. Толкатель, перемещающийся в отверстии блока цилиндров, опускается вниз. В короткое плечо коромысла ввернут регулировочный винт имеющий контргайку. Клапан с пружиной соединяется при помощи тарелки и сухарей. Под нижний конец пружины установлена опорная шайба.

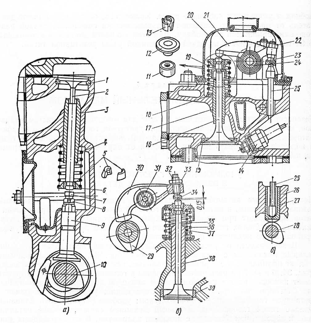
Рис. 1. Газораспределительные механизмы:
а — нижним расположением клапанов и распределительного вала; б — с верхним расположением клапанов и нижним расположением распределительного вала; в — с верхним расположением клапанов и распределительного вала; 1, 15 и 39 — седла клапанов; 2, 16 и 35 — клапаны; 3, 17 и 38 — направляющие втулки; 4 и 19 — пружины; 5 и 13 — сухари; 6 и 12 — тарелки пружин клапанов; 7 — регулировочный болт; 8, 22 и 33 — контргайки; 9 а 27 — толкатели; 10, 28 и 29 — кулачки распределительных валов; 11 — маслоотражательный колпачок клапана; 14 — свеча зажигания; 18 — опорная шайба; 20 — крышка головки блока; 21 и 30 — коромысла; 23 и 32 — регулировочные винты; 24 и 31 — оси коромысел; 25 — штанга; 26 — блок цилиндров; 34 — наконечник; 35 — внешняя пружина; 37 — внутренняя пружина
При вращении распределительного вала, установленного на головке блока (рис. 1, в), кулачок набегает на плечо коромысла, и оно поворачивается на оси. Наконечник регулировочного винта нажимает на стержень клапана, пружины сжимаются, и клапан открывается. После выхода кулачка из-под коромысла клапан под действием пружин плотно садится на седло.
Инструкция по замене
Выполнять процедуру замены ремня ГРМ на Киа Спектра удобнее всего на подъемном устройстве. Кроме того, понадобиться помощник.
Необходимые инструменты
Для проведения процедуры не потребуется много инструментов, достаточно приготовить обычный инструментарий:
- набор рожковых или накидных ключей;
- плоскую отвертку;
- головки с удлинителем;
- монтировку;
- пассатижи;
- домкрат;
- автомобильную лампу;
- чистую ветошь.
Комплект для замены ремня ГРМ на Киа Спектра
Этапы работы
Установив авто на подъемное устройство, можно приступать к замене ремешка на Киа Спектра.
Процедура включает в себя последовательность шагов:
- В первую очередь следует открыть капот.
- Для того, чтобы обеспечить доступ к газораспределительному ремешку, нужно снять пластиковую защитную крышку ГРМ, открутив болты крепления крышки к кожуху.
- Демонтировать ремешок дополнительного оборудования. Для этого нужно ослабить болт крепления помпы.
- Далее нужно снять защиту картера и демонтировать правое переднее колесо.
- Затем необходимо снять боковую подушку силового агрегата. Для этого нужно ослабить болт по центу подушки и выкрутить гайку, с помощью которой подушка крепится к кронштейну.
- Также нужно демонтировать кронштейн крепления щупа для измерения уровня масла.
- Теперь можно демонтировать верхнюю часть кожуха, открывается доступ для работ в нижней части.
- Чтобы демонтировать нижнюю крышку, необходимо снять шкив коленвала. Для этого следует включить пятую передачу и машину поставить на ручной тормоз. Шкив удерживает болт с правой резьбой, его необходимо сорвать резким рывком. Открутив болт крепления, снимаем шкив с двигателя.
- Теперь можно демонтировать нижнюю защитную крышку.
- Далее необходимо ослабить крепежный болт натяжного ролика. Сам ролик можно отвести его в сторону. Таким образом, когда ослабнет натяжение ремешка, его можно снять.
- На следующем этапе следует выставить установочные метки.
- Удобнее всего для выставления меток поднять правое колесо домкратом, установить его на опору и вращать. Метки на шкивах представляют собой выдавленные буквы «I» и «E». Их нужно совместить с метками на крышке ГРМ. На фото видно, как должны быть выставляться метки.
- Далее нужно совместить метку на шкиве вспомогательного оборудования с меткой на выступе возле него.
- Теперь можно натягивать новый зубчатый ремень. При этом нельзя проворачивать шкивы. Если не совпадают зубья, под них можно подогнать положение коленвала. Одновременно следует заменить ролики.
- После того, как ремешок надет на все шкивы, нужно отрегулировать его натяжение. Для этого проворачивается коленчатый вал на пару оборотов по часовой стрелке. Пружина ролика автоматически натянет ремешок до нужной степени.
- После установки новых расходников нужно проверить очередной раз установочные метки. Если они не совпадают, то необходимо повторить установку расходника.
- Теперь следует окончательно затянуть крепежный болт крепления натяжителя.
- Далее сборка выполняется в обратной последовательности.
Таким образом, процедура замены ремня ГРМ на Киа Спектра своими руками завершена. Остается завести двигатель, послушать, как он работает. При работе двигателя не должно быть слышно каких-либо подозрительных звуков или посторонних шумов в районе двигателя.
Важные моменты
- Приведённая выше инструкция позволяет снять ремень ГРМ с Киа Спектра 2.0. Для моделей Киа Спектра 1.6 последовательность действий будет точно такой же, за исключением двух нюансов. Во-первых, ремень для 1.6 будет короче примерно на 1 см. Во-вторых, между верхними метками там должно помещаться не 17, а 16 зубцов ремня (валы там расположены немного ближе друг к другу). Так что, покупая ремень, обязательно следует сообщать продавцам модификацию своего автомобиля.
- На каждом фирменном ремне имеются стрелки, указывающие направление его вращения. Многие водители не придают этому значения и устанавливают ремень как придётся. Это серьёзная ошибка, приводящая к преждевременному износу. Ремень ГРМ вращается по часовой стрелке (если смотреть на него со стороны кожуха), так что при правильной установке стрелки на нём должны указывать слева направо.
- При покупке ремня следует обязательно уточнять дату его изготовления (она указывается на упаковке). Если ремень был изготовлен более 3 лет назад, от его покупки лучше воздержаться. Иногда у долго хранящихся ремней в основании зубьев появляются тонкие трещины, увидеть которые можно только после сильного перегиба ремня. Такой ремень может прийти в негодность уже после 20 тыс. км пробега.
Как видно из этой статьи, заменить ремень ГРМ на Киа Спектра под силу даже водителю-новичку. Главное — соблюдать последовательность действий и ни в коем случае не снимать старый ремень до того, как валы выставлены по меткам. Также следует тщательно проверять совпадение меток после установки нового ремня. Если этого не сделать, то при первом же запуске двигателя его клапана будут повреждены, а их замена обойдётся автовладельцу очень дорого.
Какой выбрать ремень ГРМ для «Киа Спектра»
Для замены лучше брать оригинальные ременные передачи и ролики для «Киа Спектра». Хорошо зарекомендовали себя аналоги от:
- Bosch;
- Bando (часто этой фирмы оригинальный ремень);
- Gates;
- AMD;
- «Гатекс».
Приобретение дешевых деталей от малоизвестных компаний чревато быстрым обрывом узла.
Одновременно с ремнем меняются ролики (лучше оригинальные GMB, в качестве заменителя можно SKF). Масляные пятна на передаточном ободе указывают на износ сальников. Тогда их тоже нужно менять.
Иногда в комплект к ременной передаче добавляют водяной насос. Если на старом есть сколы, царапины, тогда меняем.
Замена ремня и роликов ГРМ
Примечание: чтобы отвернуть шкив коленвала, существует много различных способов зафиксировать его от проворачивания. Самый простой из них это: поставить автомобиль на 5-ю передачу, и попросить помощника давить с максимальным усилием на педаль тормоза. Направление резьбы — обычное. Если болт давно не отворачивался, то может потребоваться весьма значительное усилие. Возможно потребуется мощный ключ и усиление для него, например труба. Так же подходит штатный балонный ключ, которым удобно откручивать шкив снизу автомобиля (на подъёмнике, или яме), усилив его трубой.
Замена роликов ремня ГРМ
| Если слышен шум от ремня привода распределительных валов, есть вероятность, что вышел из строя подшипник натяжного или опорного ролика. Снимите ролик и проверьте работоспособность его подшипника. Если при проворачивании подшипника чувствуется заедание, осевой люфт или заметны следы вытекания смазки из подшипника, замените ролики. |
| Вам потребуется ключ «на 14». |
Виды неисправностей генератора
К механическим неисправностям относятся нарушение работы подшипников, механические повреждения корпуса, креплений, пружин, ременного привода, шкивов и др.

Электрические – это выгорание щеток, биение ротора, межвитковые замыкания, поломки диодного моста, пробои, обрывы обмотки, неисправности реле и др.
Признаки неисправности автогенератора:
О возможных неисправностях генератора следует задуматься, если
- индикатор разряда аккумулятора горит или мигает во время работы мотора;
- произошла разрядка аккумулятора или его выкипание (перезарядка);
- яркость света фар снизилась;
- от генератора исходят писк, вой, другие посторонние звуки.
Диагностика неисправностей генератора
Нестабильная работа генератора не обеспечивает подзарядку аккумулятора. В момент, когда аккумулятор разрядится полностью, двигатель заглохнет, автомобиль остановится в самом неподходящем месте. Чтобы не попасть в такую ситуацию, следует периодически проверять исправность этого узла и аккумуляторной батареи.
Диагностику генератора следует производить только с помощью вольтметра или амперметра.
Во время диагностики или ремонта генератора следует неукоснительно соблюдать правила техники безопасности. Чтобы при проверке не угробить генератор ни в коем случае нельзя:
Проверять путем короткого замыкания, «на искру». Значительные перепады напряжения с большой долей вероятности выведут из строя все электронные системы автомобиля.Соединять клемму «30» или «В+» с «массой» или клеммой 67 ( «D+»).Позволять работать генератору при отключенном аккумуляторе или без нагрузки, то есть, когда нет включенных потребителей.Осуществлять сварку кузова при подключенных проводах генератора и аккумулятора.При включении аккумулятора внимательно следить за полярностью батареи. Иначе большая вероятность вывести из строя диоды выпрямителя.При отсоединении проводов генератор следует внимательно следить за тем, где они находятся, чтобы случайно не замкнуть их между собой
Неосторожное соединение проводов может вывести из строя узлы генератора.Если необходимо заменить проводку, то использовать можно только на провода с аналогичными параметрами (сечением и длиной)
Причины следить за своевременной заменой ремня
Ремень ГРМ обеспечивает сообщение между коленчатым и распределительными валами, тем самым приводя автомобиль в движение. Узел Этот очень важен, и недооценивать его значение нельзя. Синхронизация валов – вот его непосредственная задача. Синхронизация пропадет, если ремень будет оборван. А это вполне может произойти, если за ним не следить и не менять его вовремя. Из-за обрыва станет неизбежной встреча клапанов с поршнями. Это обязательно приведет к тому, что клапана загнуться. Поршни тоже получат большие повреждения. Пострадают и цилиндры, и втулки клапанов. Ремонт после этого понадобится капитальный, и стоить он будет недешево.
А вот какие факторы обязательно будут способствовать выходу привода из строя:
- ремень эксплуатировался после получения явных признаков износа;
- автомобиль эксплуатировался неправильно;
- изделие было низкого качества;
- на поверхности были масляные пятна.
Если ремень оборвется, то завести автомобиль уже не получится. Будет очень хорошо, если после этого, придется только заменить саму передачу, вполне возможен серьезный ремонт. Производитель рекомендует совершать замену передачи после 60 000 км. Его рекомендациям, конечно, нужно следовать, но не забывайте производить диагностические процедуры после 30 000 км.
Если во время осмотра на поверхности ремня будут обнаружены трещины или вздутия, его необходимо менять. Также замены становится необходимой в случае, если на ремне будут обнаружены масляные разводы. В этом случае вместе с ремнем придется заменить и сальники. Ведь если этого не сделать, то масло будет капать и на новый ремень, а резина разрушается от действия масла. Также ремень необходимо заменить, если его торцы расслоятся, а поверхность потреплется.
Вместе с ремнем обязательно поменяйте и ролики, ведь они могут выйти из строя еще до того, как вы снова будете менять ремень, и тогда придется разбирать машину именно из-за роликов. Стоит проверить и водяной насос. При наличии люфта его также следует поменять.
Менять ременную передачу ГРМ можно и, приподняв автомобиль домкратом, но лучше производить данную процедуру на эстакаде. А еще вам обязательно нужно поискать помощника. Он вам тем более понадобится, если процедуру вы будете производить в первый раз.
Процесс замены
Итак, вынимаем наши рабочие инструменты, достаем купленный заранее комплект передачи и начинаем процедуру замены ремня. Открываем капот и снимаем крышку с механизма ГРМ. Для этого придется открутить несколько болтов.

Ослабляем помпу и снимаем ремень дополнительных агрегатов. Снимаем картерную защиту и правое колесо спереди. Теперь ослабляем крепление подушки силового агрегата и откручиваем подушку. Нам будет мешать щуп, которым производятся замеры уровня масла. Снимаем и его вместе с кронштейном крепления. Демонтируем верхнюю и нижнюю крышки ГРМ, предварительно выкрутив шкив коленвала. Для этого потребуется резко надавить на тормоз на пятой передаче. Здесь вам и потребуется помощник. Теперь с двигателя необходимо снять шкив. После этого демонтируется нижняя защита.

Ослабляем ролик натяжения и отводим его. Так мы ослабляем натяжение передачи, после чего ремень может быть снят. Теперь необходимо выставить метки. Отнеситесь к этой процедуре серьезно, так как правильное положение установочных меток имеет большое значение. Чтобы выставлять метки было удобно, нужно приподнять правую часть автомобиля при помощи домкрата. Метки, нанесенные на шкив, должны совместиться с метками на корпусе механизма. Снимаем старый ремень. Посмотрите на фотографию ниже. Именно так должны располагаться метки.

Теперь совмещаем метку, нанесенную на выступ возле шкива дополнительных агрегатов, с меткой на самом шкиве. Сейчас уже можно заниматься натяжкой нового ремня. Следите за тем, чтобы шкивы при этом не проворачивались. Подгоняем совпадение зубьев, изменяя положение коленчатого вала. Теперь регулируем натяжку передачи. Коленвал для этого необходимо провернуть на 2 оборота вправо. После этого ремень будет натянут нижней пружиной.

Еще раз проверьте корректность совпадения нанесенных меток. Установку ремня придется осуществить повторно, если они не будут совпадать. Теперь затягиваем натяжитель до самого упора. После этого все остальные снятые детали следует установить в обратной последовательности.
Все, теперь заводим автомобиль и слушаем, как он работает. При обнаружении посторонних шумов процедуру придется повторить, так как шум работающего механизма должен быть ровным, без скрежета или свиста.
Свист ремня генератора Киа Рио III на холодную. Причины. Способ устранения.
Вращаем основной болт регулировки и натягиваем ремень. После натяжки, фиксируем болтом который с торца. Основной причиной запаха в салоне является утечка ОЖ из расширительного бачка. Как правило, в пожилых машинках к этому приводит износ и неправильная эксплуатация, нарушение технических рекомендаций, несвоевременная замена запчастей. А на современных, практически новых, авто данный огрех может происходить из-за производственных браков или также из-за неправильно выбранных режимов работы моторного узла в целом.
Надавите пальцем руки на ремень посередине между шкивами генератора и коленчатого вала. Если прогиб ремня отличается от номинального значения, отрегулируйте его натяжение. Механизм корейского автомобиля достаточно прост и большинство операций по небольшому ремонту водитель может производить самостоятельно. Деталь отвечает за работоспособность двигателя, передавая крутящий момент от мотора к осям. Натянуть или заменить его своими руками несложно, эта операция займет совсем немного времени и потребует стандартного набора инструментов.
Ремень привода генератора и водяного насоса заменяют при сильном замасливании и износе рабочей поверхности, а также в том случае, если он растянулся настолько, что не удается восстановить его натяжение (смотрите “Проверка и регулировка натяжения ремня привода генератора и водяного насоса”). Вам потребуются: ключи “на 12”, “на 14”. Установите ремень привода генератора и водяного насоса в порядке, обратном снятию, и отрегулируйте его натяжение (смотрите “Проверка и регулировка натяжения ремня привода генератора и водяного насоса”).
Длительность периода эксплуатации ремня генератора Kia Spectra может зависеть от таких факторов, как стиль вождения, условия использования, нагрузка, качество производства изделия, корректность установки. В процессе эксплуатации ремень генератора Киа Спектра постепенно растягивается. Однако, это нормальный процесс и в автомобиле предусмотрена система натянуть его. Чтобы проверить силу натяжения не нужны никакие спецсредства. Достаточно зацепить изделие крючком весов-безмен и потянуть.
При недостаточном натяжении ремня появляется посторонний шум, ремень быстро изнашивается. Чрезмерное натяжение ремня приводит к повреждению подшипника водяного насоса или генератора. Проверьте натяжение ремня нажатием пальца на середину ветви между шкивами генератора и водяного насоса. При нажатии с усилием 98 Н (9,8 кгс) прогиб ремня должен составлять 8–10 мм. Для проверки натяжения ремня можно использовать весы-безмен, оттягивая крючком ветвь ремня.
Привод, обеспечивающий функционирование генератора и водяного насоса Киа Спектра, как и прочие детали любого автомобиля, время от времени необходимо менять. Определить, когда нужна замена, довольно просто, также возможно самостоятельно произвести процедуру установки нового элемента, следуя подробной инструкции на нашем сайте. Итак, определимся с тем, как выявить, пришла ли пора поставить новый ремень генератора Киа Спектра. Для этого нужно внимательно его осмотреть.
Иногда ремень генератора Kia Spectra может издавать довольно неприятный звук, напоминающий одновременно свист, писк и скрип. Очевидно, что это приносит дискомфорт водителю, пассажирам и даже окружающим, так как сила звука довольно велика. Очевидно, что часть проблем решается только заменой элемента. Иногда свист может возникать ввиду неисправности подшипника в натяжном ролике. В таком случае требуется тщательная диагностика указанных узлов.
Процедура замены

Снимаем декоративную крышку двигателя. Откручиваем четыре болта на 10 верхней крышки ГРМ.
Верхняя крышка ремня ГРМ.
Откручиваем натяжной болт насоса ГУР, снимаем ремень гидроусилителя руля. Как то плохо сфотографировал, не очень понятно получилось.
Натяжитель ремня ГУР.
Далее, пока вы не сняли ремень генератора ослабляем три болта на 10 крепления шкива помпы.
Крепление шкива помпы.
Ослабляем контрящий болт на 13 и натяжной на 10 и сдвинув генератор снимаем ремень генератора. После снимаем шкив помпы.
Натяжитель ремня генератора.
Блокировка коленвала
Стопорим коленвал, в случае АКПП, вставив специально обученную отвертку в маховик.


Если у вас механика, то застопорить коленвал можно включив пятую передачу вставив отвертку в вентиляционные отверстия тормозного диска в районе суппорта.
Откручиваем болт коленвала и четыре болта крепящие шкив.
Крепление шкива коленвала.
Откручиваем четыре болтика на десять крепления нижней крышки ремня ГРМ.
Крепление нижней крышки ремня ГРМ.
Ну и еще два болта средней крышки ГРМ.
Крепление средней крышки ремня ГРМ.
Выставляем верхнею мертвую точку. Для этого, временно закрутив болт коленвала вращаем его, обязательно по часовой стрелки до совпадения меток на звездочках распредвалов и задней крышки ГРМ.
Метка впускного распредвала.
Метка выпускного распредвала.
Соответственно метка на звездочке коленвала должна совпасть с меткой на масленом насосе.
Метка коленвала.
Ослабляем болт на 13 натяжного ролика ГРМ и снимаем ремень.
Крепление натяжного ролика.
Обратите внимание что ремень ГРМ натягивается при помощи пружинки. Натяжная пружина
Натяжная пружина.
Снимаем натяжной и обводной ролики. Устанавливаем новые ролики, болт обводного затягиваем, а натяжного просто наживляем. Не забудьте про пружинку. Мне удобно установить ее сразу, некоторые ставят ее после установки ремня.
Новый комплект ГРМ.
Kia Spectra
Автомобиль Kia Spectra был представлен в 2000-ом году, он пришел на смену предшествующей марки Kia Sephia. В Корее модель производилась под брендом «Ментор» в 1999-2000-х годах, а до 2004 года выпускалась в Америке. Следует заметить, что для американского рынка машина поставлялась в двух кузовах:
- пятидверный хэтчбек;
- четырехдверный седан.
Корейская марка Kia Spectra на ижевском автозаводе выпускалась с 2005 по 2011 год, и только в кузове седан. В 2009 году выпуск «Спектра» в Ижевске прекратился, но, чтобы выполнить все свои обязательства перед корейской был вынужден выпустить небольшую партию автомобилей летом 2011 года.
Через сколько и как поменять, как правильно выставить метки + видео
Как правило, ремню ГРМ автовладелец уделяет не слишком много внимания, так как полагает, что ломаться в ней просто нечему. Так продолжается до тех пор, пока он не выйдет из строя. И тогда выясняется, что внезапно оборвавшийся ремень влечёт за собой множество неприятностей и финансовых затрат. О том, как не допустить обрыва ремня ГРМ на автомобиле Киа Спектра и своевременно провести его замену, мы и расскажем в этой статье.
Назначение ремня ГРМ
Ремень ГРМ для Киа Спектра, изготовитель — фирма Dayco
Ремень ГРМ связывает распредвал и коленвал двигателя в единую, синхронно работающую систему. Он передаёт крутящий момент от одного вала к другому. И если эта передача нарушается, двигатель выходит из строя.
Через сколько менять, признаки необходимости замены
На самых первых моделях Киа Спектра производитель рекомендовал замену ремня ГРМ через каждые 60 тыс. км пробега. На более поздних моделях эта цифра была скорректирована до 45 тыс. км. Специалисты сервисных центров рекомендуют менять ремни ещё раньше — через каждые 40 тыс. км, поскольку они не отличаются высокой износостойкостью.
Перечислим самые распространённые признаки износа ремня ГРМ:
- Во время работы двигателя слышен характерный тихий вой натяжных роликов.
- Двигатель работает нестабильно, не только во время езды, но и на холостых оборотах.
- Двигатель начал сильно греться, это наблюдается даже в холодную погоду, причём перегрев может сопровождаться высоким расходом как моторного масла, так и антифриза.
- Работа мотора сопровождается негромкими хлопками, после которых из выхлопной трубы вылетают клубы чёрного дыма.
- Заводить мотор стало очень тяжело, причём запуск затруднён, даже если мотор горячий.
Какой выбрать для Киа Спектра
Поскольку сейчас в магазинах есть масса самых разных ремней ГРМ для автомобилей Киа, у автовладельца неизбежно возникнет вопрос: а какой из них купить? Многие автолюбители предпочитают ставить ремни Bando (поскольку именно этими ремнями машины комплектуются на заводе). Также неплохо себя зарекомендовали изделия фирм Contitech, Gates и Dayco.
Необходимый инструмент
- Новый ремень ГРМ.
- Комплект рожковых ключей.
- Комплект торцовых головок с воротком.
- Отвёртка с плоским жалом (средних размеров).
- Плоскогубцы.
- Домкрат.
- Противооткатные башмаки.
Этапы: демонтаж, выставление меток, замена
- Капот автомобиля открывается, с аккумулятора снимаются клеммы. Затем с помощью ключа на 10 снимается пластиковый декоративный кожух двигателя.
Декоративный верхний кожух снимается ключом на 10 - Теперь с помощью торцовой головки на 10 снимаются верхняя и средняя крышки защитного кожуха ремня ГРМ.
Торцовой головкой на 10 снимается верхняя часть защитного кожуха ГРМ - Под задние колёса автомобиля подкладываются противооткатные башмаки, после чего правое переднее колесо поддомкрачивается и снимается с помощью комплекта торцовых головок. Открывается доступ к пластиковой панели, защищающей двигатель. Панель снимается с помощью торцовой головки на 10. Появляется доступ к нижней части кожуха ремня ГРМ. Он снимается, открывая доступ к шкиву коленвала. Шкив коленвала, доступ к нему получен после снятия колеса и пластиковой панели
- Ослабляются 4 болта на шкиве водяной помпы, также ослабляется болт под генератором (он там один). В результате этого натяжение генераторного ремня ослабевает, и он легко снимается вручную.
- Теперь есть полный доступ к ремню ГРМ. Но перед его снятием все валы в двигателе выставляются по меткам. Это обязательное условие. На двух верхних больших шкивах ГРМ есть буквы «I» и «Е». Шкивы устанавливаются буквами вверх так, чтобы буквы совпали с рисками на корпусе ГРМ. При правильной установке валов между рисками должно помещаться ровно 17 зубцов ремня. Правильное положение верхних меток: буквы совпадают с рисками на корпусе
- На шкиве коленвала тоже имеется метка, которая совмещается с треугольной риской на корпусе.
Правильное положение: метка на шкиве совмещена с треугольной риской на корпусе - После полного совмещения меток с рисками ослабляются обводной и натяжной ролики (они находятся внизу, под большими шкивами ГРМ). Натяжение ремня ослабевает, и он свободно снимается.
- Устанавливается новый ремень, обводной и натяжной ролики ставятся на штатные места, после чего валы двигателя проворачиваются на 3–4 оборота. При этом положение меток тщательно отслеживается. Если после 4 оборотов метки на шкивах точно совмещаются с рисками, производится обратная сборка всех узлов автомобиля.















