установка электрических стеклоподъемников на газель
Электрические стеклоподъемники «ФОРВАРД» для ГАЗ-3302 «ГАЗель»
Электрические стеклоподъемники «ФОРВАРД» для ГАЗ-3302 «ГАЗель»
Реечные электрические стеклоподъемники «ФОРВАРД» R151 и R151-01 предназначены для установки в двери кабины автомобиля ГАЗ-3302 «ГАЗель» и модификаций (ГАЗ-3310 «Валдай», ГАЗ-2217 «Баргузин», ГАЗ-2752 «Соболь» и др.) при наличии установленной на автомобиле электропроводки для подключения стеклоподъемников. В случае отсутствия установленной электропроводки стеклоподъемники рекомендуется использовать совместно с комплектом электромонтажным.
Стеклоподъемник представляет собой единый блок механизма перемещения стекла и моторедуктора. В конструкции стеклоподъемника применен зубчатый реечный механизм, компактно размещенный внутри направляющей стекла, на которой неподвижно закреплен моторедуктор, чем определяются основные потребительские качества.
Стеклоподъемник не имеет составляющих, например, троса, подверженных вытягиванию, перетиранию, появлению люфтов. Все компоненты стеклоподъемника имеют ресурс работы превышающий уровень традиционных требований к аналогичным изделиям и нечувствительны к уровню нагрузки, что подтверждено ресурсными испытаниями в различных условиях. Потери на трение в механизме перемещения стеклоподъемника сведены к минимуму, за счет чего в процессе эксплуатации практически полностью отсутствует износ его элементов.
Специально подобранные пластики, использованные при изготовлении стеклоподъемника, имеют диапазон рабочих температур от -45 о С до +100 о С.
Неподвижно расположенный электродвигатель исключает риск повреждения питающих проводов стеклоподъемника.
Моторедуктор обладает свойством самоторможения, за счет чего исключается перемещение стекла при воздействии вибрации, а также обеспечивается необходимый уровень защиты от вскрытия автомобиля злоумышленником.
Обмотка двигателя стеклоподъемника защищена самовосстанавливающимся биметаллическим предохранителем .
Монтаж стеклоподъемника понятен на интуитивном уровне (на место центральной направляющей стекла заменяемого стеклоподъемника), использует минимальное число крепежных деталей. Радиус кривизны направляющей соответствует радиусу кривизны стекла.
Доработка двери для большинства моделей стеклоподъемников не требуется. При необходимости она заключается в сверлении двух отверстий.
Все металлические детали имеют покрытие Ц12.хр. (оцинкованы).
При производстве стеклоподъемников применяется система менеджмента качества соответствующая требованиям ГОСТ Р ИСО 9001-2001 подтвержденная cертификатом соответствия.
Технические характеристики
Диапазон рабочего напряжения Номинальное усилие на ведущей пластине Допустимое усилие на ведущей пластине Время перемещения пластины из одного крайнего положения в другое при напряжении питания 13,5 В и номинальном усилии Потребляемый ток при напряжении питания 13,5 В и номинальном усилии, не более
Комплектность
Электростеклоподъемник R151 передний правый Электростеклоподъемник R115-01 передний левый Заглушка декоративная Фиксатор заглушки Винт самонарезающий крепления заглушки Пластина переходная Болт М6 со стопорной юбкой Упаковка Паспорт
Электромонтажный комплект в подарок от Стеклоподъем.РФ.
Гарантийный срок работы изделий — 3 года с момента изготовления.
Габаритные размеры в упаковке: 72*17,5*7 см.
Паспорт электростеклоподъемников «ФОРВАРД» R151 для ГАЗ 3302 «ГАЗель»
Видеообзор электрических стеклоподъемников «ФОРВАРД» для автомобиля ГАЗ-3302 «ГАЗель»
Съем и установка боковой двери
Имея под рукой необходимый инвентарь, помощников и помещение для работы, съем конструкции происходит в несколько этапов:
- Демонтаж средней направляющей – снимается облицовочная панель. Для этого потребуется ключом на 14 снять винты, затем удерживающие пластины.
- Чтобы извлечь средний механизм, дверь удерживается на весу.
- Шестигранником откручиваются верхние болты, которые соединяют створку с основной опорой.
- Дверца немного опускается. Это позволяет вывести рычаг механизма, который расположен в нижней части.
- Проводится съем полотна после откручивания и снятия трех винтов на рычажном крепеже.
Как снять обшивку
Тонкой отверткой поддеваем 2 заглушки ручки.
Головкой или трубчатым ключом на 10 отворачиваем 2 болта и снимаем ручку.
Отворачиваем винт крепления розетки ручки замка.
Снимая розетку, ручку оттягиваем на себя.
Отжав резиновую розетку ручки стеклоподъемника, иглой выдавливают и вынимают из отверстия стопорный штифт.
Снимается ручка с розеткой.
Поддев отверткой, снимают 8 пластиковых фиксаторов обивки.
Снимается обивка двери.
Осторожно снимается шумоизолирующая прокладка, которая приклеена на герметик.
Можно заменить старую обшивку на такую же, как и обшивка двери у ГАЗель Некст.
Снятие механизмов открывания сдвижной двери
Отсоединяем верхнюю опору от каретки.
Снимаем каретку с роликом с верхней направляющей.
Снимаем верхнюю направляющую.
Тем же ключом отворачиваем два болта крепления опоры верхней направляющей к кузову.
Снимаем среднюю направляющую.Между направляющей и кузовом установлена резиновая уплотнительная прокладка.
Отверткой поддеваем и снимаем заглушку (или плафон) в облицовке ступеньки кузова.
Снимаем нижнюю направляющую.Устанавливаем направляющие сдвижной двери в обратной последовательности и покрываем смазкой Литол-24 или ШРУС-4 их рабочие поверхности, а также оси малых роликов средней направляющей и подшипник верхнего ролика.
Регулировка сдвижной двери
После монтажа конструкции потребуется настроить механизм. Самостоятельная регулировка провисшей сдвижной двери на Газели потребует наличие того же комплекта инструментов и одного помощника. Необходимость регулировки возникает сразу после установки и в случае, когда требуется исправление дефектов. Алгоритм действий:
Иногда автолюбители дополнительно подкладывают шайбу под крепежные винты, которые удерживают опору вверху или внизу.
Чтобы заменить все полотно, проводится съем старой конструкции и установка новой. После проверяется исправность закрывания, положение приводов и шипов фиксатора.
Регулировка положения двери по высоте
Выставив дверь в требуемое положение, затягиваем контргайку регулировочного болта.
Ослабив контргайку регулировочного болта верхней опоры двери и перемещая опору в пределах регулировочной прорези, сдвигаем верхнюю кромку в горизонтальной плоскости, после чего затягиваем контргайку.
Если описанных регулировок недостаточно, производим дополнительные регулировки.
Замена шкворня и втулок
Шкворень 11 и втулка заменяются тогда, когда их суммарный износ достиг величины 0,5 мм.
Шкворень и втулки можно заменить, не снимая переднюю ось с автомобиля, в такой последовательности: — приподнять автомобиль за переднюю балку таким образом, чтобы колеса не касались пола, установить на подставки и снять передние колеса;

— снять тормозную скобу и положить ее на раму; снять ступицу 6 в сборе с диском 1 и подшипниками; — отвернуть болты и снять верхнюю и нижнюю крышки шкворня; — отвернуть гайку, снять шайбу и выбить бородком стопорный клин 12;
Рис. 3. Выколотка-оправка шкворня — с помощью специальной выколотки ( ) со сменными головками выбить шкворень из поворотного кулака вниз; — снять поворотный кулак и упорный подшипник; — зажать поворотный кулак в тисках и с помощью оправки выбить втулки шкворня; — зачистить отверстия под шкворень в поворотном кулаке; — с помощью оправки установить новые втулки; — развернуть втулки на проход с помощью специальной развертки до х25 мм; — очистить втулки от металлической стружки и нанести на каждую втулку тонкий слой смазки; — установить поворотный кулак на балку передней подвески; — в верхнюю бобышку кулака вставить новый шкворень, установить упорный подшипник с защитным колпаком и продвинуть шкворень до совпадения лыски с отверстием в балке.
Перед установкой поверхность шкворня смазать тонким слоем смазки; — выполнить все последующие операции сборки в последовательности, обратной разборке; — после сборки смазать шкворень поворотного кулака через пресс-масленки и проверить схождение колес.
Замена упорного подшипника шкворня
Упорный подшипник заменяется в том случае, если его износ по высоте достиг более 1 мм. При зазоре меньше 1мм между верхней бобышкой кулака и бобышкой балки устанавливается стальная прокладка соответствующей толщины. Для замены упорного подшипника и установки регулировочной прокладки необходимо вначале выполнить операции в последовательности, указанной для замены шкворня
После того как шкворень будет выбит из зоны упорного подшипника снять изношенный поставить на место новый подшипник приподнять поворотный кулак до плотного прижатия подшипника к балке, замерить при помощи щупа зазор между верхней бобышкой кулака и бобышкой балки.
Если последний превышает 0,15 мм, установить в зазор регулировочную прокладку, далее собрать ось в последовательности обратной разборке.
Съем и установка боковой двери
Имея под рукой необходимый инвентарь, помощников и помещение для работы, съем конструкции происходит в несколько этапов:
- Демонтаж средней направляющей – снимается облицовочная панель. Для этого потребуется ключом на 14 снять винты, затем удерживающие пластины.
- Чтобы извлечь средний механизм, дверь удерживается на весу.
- Шестигранником откручиваются верхние болты, которые соединяют створку с основной опорой.
- Дверца немного опускается. Это позволяет вывести рычаг механизма, который расположен в нижней части.
- Проводится съем полотна после откручивания и снятия трех винтов на рычажном крепеже.
Снятие стеклоподъемника
Снимаем обивку двери (смотрим статью – «Снятие обивки двери»).
1. Опускаем стекло в среднее положение и головкой «на 10» отворачиваем два болта крепления стекла к кулисе стеклоподъемника.
2. Поднимаем стекло в верхнее положение и фиксируем его (например, скотчем). Ключом «на 10» отворачиваем три болта крепления редуктора стеклоподъемника
3. Отворачиваем гайки верхнего крепления стеклоподъемника
4. Отворачиваем гайки нижнего крепления стеклоподъемника.
5. Отсоединяем тягу внутренней ручки от замка (см. Снятие замка передней двери). Вынимаем стеклоподъемник из двери.
Устанавливаем стеклоподъемник в обратной последовательности, смазав тросы, оси роликов и шестерни редуктора любой пластичной смазкой.
Замена стекол передней двери
Поднимаем стекло в верхнее положение.
Снимаем обивку двери.
1. Отверткой отворачиваем винт крепления направляющего желобка (в торце двери).
2.
Снятие и установка стеклоподъемника
Потребуются инструменты: ключи TORX T25 и на 10, специальная пластиковая монтажная лопатка или плоская отвертка.
Опускаем стекло примерно до половины его хода.
Снимаем обивку двери и шумоизоляционную прокладку
Ослабляем затяжку двух болтов крепления и отсоединяем стекло от ползуна
Поднимаем стекло и фиксируем его скотчем в верхнем положении
Выкручиваем болт крепления передней направляющей стекла
Поворачиваем направляющую так, чтобы ее можно было вынуть через монтажное отверстие в двери, и извлекаем ее из двери
Откручиваем нижнюю гайку направляющей стеклоподъемника
Откручиваем верхнюю гайку крепления направляющей стеклоподъемника
Откручиваем три гайки крепления механизма стеклоподъемника
Отжимаем фиксатор и отсоединяем колодку проводов от электродвигателя стеклоподъемника
Вынимаем стеклоподъемник через монтажное отверстие внутренней панели двери
Устанавливаем стеклоподъемник в обратном порядке
Неисправности и ремонт
При дребезжании и провисании возможен такой ремонт:
- замена уплотнителей;
- подделать петли, чтобы не было люфтов.
Сдвижная дверь в ГАЗели может плохо открываться и закрываться или заклинивать. При сильных хлопках все регулировки могут нарушаться. Если не открывается дверь, можно попытаться устранить проблему самому.
Для этого надо вставить тягу от ручки в прорезь планки с помощью гвоздя со шляпкой. Ручку из салона максимально натянуть на себя и аккуратно направить тягу в прорезь.
Как снять обшивку
Тонкой отверткой поддеваем 2 заглушки ручки.
Головкой или трубчатым ключом на 10 отворачиваем 2 болта и снимаем ручку.
Отворачиваем винт крепления розетки ручки замка.
Снимая розетку, ручку оттягиваем на себя.
Отжав резиновую розетку ручки стеклоподъемника, иглой выдавливают и вынимают из отверстия стопорный штифт.
Снимается ручка с розеткой.
Поддев отверткой, снимают 8 пластиковых фиксаторов обивки.
Снимается обивка двери.
Осторожно снимается шумоизолирующая прокладка, которая приклеена на герметик.
Можно заменить старую обшивку на такую же, как и обшивка двери у ГАЗель Некст.
Регулировка
Регулировка дверей ГАЗели:
- Ослабляются крепления.
- Регулируя ролик верхней опоры, устанавливают правильное положение зазора.
- Нужно отрегулировать кронштейн каретки средней направляющей, пока все зазоры будут параллельны. Для этого надо снять обшивку и ослабить крепление каретки. Приподняв край дверцы до параллельности зазоров, затянуть крепеж.
- Регулируется задний край болтом.
- Шип не должен на полную глубину входить в гнездо. Если входит, то нужно под гнездо шипа на стойке положить прокладку.
- Ослабляются болты на гнезде шипа на стойке, чтобы их можно было двигать с усилием. Гнезда становятся на нужные места, их следует зафиксировать. При подъезде к стойке центры шипов должны оказаться над центрами гнезд.
- Нижняя направляющая не должна ничего задевать и царапать, а подшипник должен катиться по направляющей.
Установка стеклоподъемников ГРАНАТ на ГАЗель-Бизнес
Шаг 1
Шлицевой отверткой ослабьте винт крепления ручки штатного стеклоподъемника.
Шаг 2
Снимаем все что может удерживать обивку.
Шаг 3
Шаг 4
Снимаем обивку двери получив доступ к механизму тросового стеклоподъемника.
Шаг 5
Откручиваем винты крепления стекла к каретке.

Шаг 6
Выводим П-образную планку, она еще нам понадобиться.
Шаг 7
Зафиксируйте стекло в верхнем положении и приступайте к демонтажу штатного механизма. Откручиваем верхнюю гайку крепления рейки.

Шаг 8
Откручиваем нижнюю гайку.

Шаг 9
Отвинчиваем 3 болта крепления ручки тросового механизма.
Шаг 10
Через технологическое окно выводим тросовый механизм из двери.
Шаг 11
Заводим в дверь электрический стеклоподъемник.
Шаг 12
Сборка происходит в обратном порядке, фиксируем нижнее крепление рейки.
Шаг 13
Шаг 14
Устанавливаем ранее снятую планку на ролики, обратите внимание, как правильно она устанавливается!

Шаг 15
Фиксируем стекло, установка механизма завершена, можно переходить к подключению электропроводки.
Основные причины заклинивания
Газель – это автомобиль, который в основном приобретается для бизнеса. В России его используют в качестве маршрутного такси для личных целей или перевозки большого количества людей в виде частного извоза. Чтобы открыть конструкцию без повреждения полотна, когда направляющая боковой двери Газель заклинило, нужно выбрать подходящий способ процедуры. Он вычисляется в зависимости от ситуации и характера неисправности. Причины:
- Поломка фурнитуры. Дверь может заесть. Иногда слетает собачка, которая создает плавный ход каретки.
- Западает средний или задний штырь, отвечающий за фиксацию полотна во время открытия.
- Перегорел один из электронов пассажирской дверцы. Он может замкнуть из-за частой мойки транспорта или климатических условий.
- Неаккуратное обращение с конструкцией. Пассажиры часто с силой хлопают дверью, когда покидают салон транспорта.
- Отсутствие ухода за сдвижным полотном. Дверца может заклинивать. Регулярно следует проводить диагностику, профилактику, смазочные и регулировочные работы.
Рекомендуется обратить внимание на положение двери: наличие деформации, размер зазора между полотном и кузовом, свисание или перекос. Деформация может произойти, если Газель принимала участие в ДТП
В таком случае сначала конструкцию рихтуют, затем ремонтируют механизмы.
Другие материалы раздела
Регулировка и установка боковой двери
Регулировки установки боковой двери предназначены для надежной работы ее механизмов, обеспечивающих перемещение, закрывание — открывание и надежное.
Стеклоподъемник двери
Рис. 10.18. Стеклоподъемник двери: 1 — винт; 2 — розетка ручки; 3 — штифт; 4 — ручка стеклоподъемника; 5 — буфер; 6 — механизм подъема; 7 —.
Замки дверей
Замки служат для удержания дверей в закрытом положении во время движения, на стоянке и при дорожно-транспортном происшествии. Замки дверей —.
Наружные зеркала заднего вида
Рис. 10.21. Зеркало заднего вида: 1 — заглушка; 2 — кожух; 3 — зеркало заднего вида; 4 — стойка; 5 — втулка; 6 — винт крепления зеркала; 7.
Двери
Замки дверей Возможные неисправности замков, приводов замков и способы х устранения Навеска задних дверей Снятие боковой двери Регулировка и.
Навеска капота
Рис. 10.19. Навеска и замок капота: 1 — упор капота; 2 — болт крепления петли к капоту; 3 — петля капота; 4 — болт крепления петли к кабине.
Замок капота
Рис. 10.19. Навеска и замок капота: 1 — упор капота; 2 — болт крепления петли к капоту; 3 — петля капота; 4 — болт крепления петли к кабине.
Навеска двери кабины
Рис. 10.20. Навеска двери кабины: 1 — петля двери; 2 — болт крепления петли; 3 — кронштейн ограничителя; 4 — палец; 5 — стопор ограничителя.
Возможные неисправности механизмов перемещения боковой двери и способы их устранения
Причина неисправности Способ устранения Дверь выходит из контакта со средней направляющей Сломана или погнута ось направляющих роликов.
Снятие боковой двери
Рис. 10.15. Механизмы перемещения боковой двери: 1 — средняя направляющая; 2 — верхний механизм; 3 — ось верхней каретки; 4 — ролик с.
Съем и установка боковой двери
Имея под рукой необходимый инвентарь, помощников и помещение для работы, съем конструкции происходит в несколько этапов:
- Демонтаж средней направляющей – снимается облицовочная панель. Для этого потребуется ключом на 14 снять винты, затем удерживающие пластины.
- Чтобы извлечь средний механизм, дверь удерживается на весу.
- Шестигранником откручиваются верхние болты, которые соединяют створку с основной опорой.
- Дверца немного опускается. Это позволяет вывести рычаг механизма, который расположен в нижней части.
- Проводится съем полотна после откручивания и снятия трех винтов на рычажном крепеже.
Регулировка
После монтажа конструкции потребуется настроить механизм. Самостоятельная регулировка провисшей сдвижной двери на Газели потребует наличие того же комплекта инструментов и одного помощника. Необходимость регулировки возникает сразу после установки и в случае, когда требуется исправление дефектов. Алгоритм действий:
Снимаются фиксирующие элементы с замка. Ослабляется затяжка контргайки инструментом на 17.
Болты верха ослабляются 14 ключом. Теперь дверь подвижна и возможна регулировка. Для этого полотно приподнимается или опускается, в зависимости от характера неисправности
Важно добиться равномерного зазора.
После того как дверь выставлена правильно, все крепления хорошо затягиваются. Если пренебречь этим правилом, то створка может слететь с петель или самостоятельно открыться во время движения
Регулировка верхней части проводится аналогичным способом, только ослабляются винты опоры внизу.
Если требуется регулировка «по глубине», то после ослабления механизмов требуется перемещать опору, сдвигая кромку вверх в горизонтальной плоскости. Для сдвига вниз откручивают крепления нижнего рычага с роликом.

Иногда автолюбители дополнительно подкладывают шайбу под крепежные винты, которые удерживают опору вверху или внизу.
Чтобы заменить все полотно, проводится съем старой конструкции и установка новой. После проверяется исправность закрывания, положение приводов и шипов фиксатора.
Фотоотчет об установке электростеклоподъемников «ФОРВАРД» на ГАЗ-3302 «ГАЗель»
Решили поставить на рабочую ГАЗель эл. стеклоподъемники, т.к надоело веслами крутить. Заказали на сайте Стеклоподъем.РФ. Обошлись они нам с доставкой почти 3000 рублей, когда в магазинах стоили под 4000. Доставили примерно за неделю.
2. На штатные места прикрутили новые электрические стеклоподъемники ФОРВАРД.
4. Вставили на место предохранитель 20 Ампер.
5. Минусовой (белый) провод из проводки стеклоподъемников прикрутили на массу под панелью.
6. Еще там есть провод подсветки кнопок (сине-зеленый). Его мы решили запитать к подсветке прикуривателя, тем более крышка, закрывающая печку, у нас уже снята. Для удобства вытащили колодку прикуривателя и соединили наш сине-зеленый провод с коричневым проводом подсветки прикуривателя. Колодку на место.
8. Проводку проведенную под панелью закрепляем на хомутики через просверленные отверстия.
READ Как подключить наушники с микрофоном к андроид
10. Ну и, наконец, последний штрих – установка обшивки дверей. Решили заодно и новые динамики вставить.
Демонстрация работы электростеклоподъемников на ГАЗели:
Надеемся, что этот фотоотчет будет кому-нибудь полезен!
А мы просто уверены, что этот отчет будет полезен многим нашим покупателям.
Благодарим Вас, Егор Анатольевич, за его подготовку и перечисляем обещанный приз на счет Вашего мобильного телефона.
Источник
Девушка с татуировкой дракона, Мила и «Газель-бизнес» в новой инструкции об установке электростеклоподъемников «ФОРВАРД» на «ГАЗель». Смотрим и наслаждаемся!
Краткое содержание видеоролика и последовательность установки электростеклоподъемников:
READ Openbox x800 как подключить к компьютеру
Источник
Требуется совет (электро стеклоподъемники, спидометр) ⇐ Баргузин, Соболь
Сообщение Петров Василий » 05 апр 2015, 12:17
Сообщение sheff105 » 05 апр 2015, 19:50
Сообщение Петров Василий » 05 апр 2015, 21:52
Сообщение Рощин Игорь » 05 апр 2015, 22:09
Сообщение Прохоров Николай1 » 06 апр 2015, 08:34
Сообщение Петров Василий » 06 апр 2015, 08:48
Сообщение tколёк64 » 06 апр 2015, 12:06
Петров Василий, простой способ проверить спидометр не углубляясь в разбор,- загляни под панель приборов в районе педали газа ( точнее выше неё) из общего жгута проводов выходят 4 провода (желтый зеленый синий черный ,- связаны в один жгут) уходят за утеплитель передней стенки кабины. Там есть разъём и его будет видно. Разъедини его и проверь короткими быстрыми замыканиями на массу зеленого провода, стрелка спидометра должна подниматься в зависимости от частоты замыканий. Под соединять надо к той части разъема которая уходит под панель. Зеленый провод — сигнал с датчика скорости, желтый — питание датчика +12в, черный масса, синий- +12в на фонари заднего хода.
Добавлено спустя 13 минут 43 секунды: Зажигание должно быть включено. Если есть все плюсы и минусы, можно проверить датчик скорости: соединить разъем и подключить лампочку к томуже зеленому проводу только идущему от кпп (из под утеплителя) , второй контакт лампочки подсоединить к +12в. На ходу лампочка будет мигать в соотношении со скоростью авто.
Источник
Советы бывалых
Чтобы увеличить грузоподъемность машины, пришлось усилить рессоры. Многие владельцы добавляют к штатным рессорам дополнительные, что делает подвеску непробиваемой. Но ездить на таких — мучение для водителя и большая нагрузка на кузов.
Усиленные рессоры служат намного дольше штатных.
Разобравшись в его устройстве, решили проверить сначала состояние винта, ограничивающего поперечный ход рычага. Сняли его и оттяжную пружину, воспользовавшись шилом с загнутым концом. А чтобы подобраться к регулировочному винту, просверлили в тоннеле кузова отверстие под торцевую головку. Вывернув винт, увидели, что он погнут, а рабочий конец обломан или сточен рычагом. Поставили новый винт, вернули на место рычаг и пружину, и все передачи стали исправно включаться. Отверстие в тоннеле заклеили.
-
Дэу нексия нет компрессии в одном цилиндре причины
-
Страхование от потери права собственности на автомобиль
-
Скончалась пострадавшая в дтп
-
На стенде генератор работает а на машине нет приора
- Кипятильник 12 вольт от прикуривателя своими руками
Ремонт ГАЗ 3302
Конструкции у Газелей 2705 и 3302 схожие, да и условия, в которых их используют, примерно такие же, поэтому водители двух разных машин наверняка столкнутся с одной и той же проблемой — ремонтом ходовой. У модели 3302 проблемы те же: прогибаются и ломаются рессоры, слетают и раскручиваются крепления на стремянках, ломаются амортизаторы, изнашиваются шкворни. На ГАЗ 3302, как и на ГАЗ 2705 ремонт своими руками проводится одинаково: ищем поломку, демонтируем деталь, заменяем новой.

Внешний вид грузовика ГАЗ 3302
- Перегрев и поломка коммутатора зажигания.
- Перегрев двигателя с пробоем прокладки в блоке цилиндров.
- Утечка антифриза.
- Выжимной подшипник вместе с диском сцепления ломаются. Менять их нужно очень-очень часто.
- Происходит прогар прокладки в приемной трубе глушителя.
С подобными проблемами справиться самостоятельно не получится по причине того, что одной замены деталей не хватит. Придется обращаться на проверенную СТО, где помогут решить проблему. Некоторые из проблем считаются общими для всего семейства ГАЗ, поэтому советы других водителей Газелей могут пригодиться в дальнейшем.
Регулировка
После монтажа конструкции потребуется настроить механизм. Самостоятельная регулировка провисшей сдвижной двери на Газели потребует наличие того же комплекта инструментов и одного помощника. Необходимость регулировки возникает сразу после установки и в случае, когда требуется исправление дефектов. Алгоритм действий:
Снимаются фиксирующие элементы с замка. Ослабляется затяжка контргайки инструментом на 17.
Болты верха ослабляются 14 ключом. Теперь дверь подвижна и возможна регулировка. Для этого полотно приподнимается или опускается, в зависимости от характера неисправности
Важно добиться равномерного зазора.
После того как дверь выставлена правильно, все крепления хорошо затягиваются. Если пренебречь этим правилом, то створка может слететь с петель или самостоятельно открыться во время движения
Регулировка верхней части проводится аналогичным способом, только ослабляются винты опоры внизу.
Если требуется регулировка «по глубине», то после ослабления механизмов требуется перемещать опору, сдвигая кромку вверх в горизонтальной плоскости. Для сдвига вниз откручивают крепления нижнего рычага с роликом.

Иногда автолюбители дополнительно подкладывают шайбу под крепежные винты, которые удерживают опору вверху или внизу.
Чтобы заменить все полотно, проводится съем старой конструкции и установка новой. После проверяется исправность закрывания, положение приводов и шипов фиксатора.
Снятие сдвижной двери и разборка механизма ее перемещения
Работаем вдвоем или втроем, так как дверь тяжелая.

1. Ключом или головкой «на 14» отворачиваем два болта крепления механизма открывания двери средней направляющей. Снимаем болты вместе с пластиной.

2. Удерживая дверь на весу, вынимаем из нее средний механизм открывания двери.

3. Шестигранным ключом «на 6» отворачиваем два болта крепления двери к верхней опоре.

4. Немного опустив дверь (на 2–3 см), выводим рычаг нижнего механизма открывания двери из зацепления с нижней направляющей

6. Ключом «на 14» отворачиваем три болта крепления рычага
7. Снимаем рычаг нижнего механизма с двери.
Устанавливаем дверь в следующей последовательности.
Сначала закрепляем на двери верхнюю опору.
Затем устанавливаем на дверь механизм средней направляющей.
Устанавливаем на дверь рычаг нижнего механизма, предварительно заведя ролик рычага в зацепление с нижней направляющей.

После установки регулируем положение двери.
Снятие замка правой задней двери
Когда водитель смог попасть внутрь, необходимо открыть замок. Если стандартным способом сделать это не удалось, придется разбирать дверную карту. Для этого потребуется набор отверток, торцевой ключ номер 10, 8, пассатижи. Алгоритм:
- Снять заглушки, чтобы открутить крепежи ручки.
- Ключом выкрутить болты.
- Отвернуть винты, которые удерживают зажим ограничителя.
- Демонтировать кронштейн ограничителя.
- Снять розетку внутренней ручки.
- Отстегнуть верхний ряд клипс, которые фиксируют обшивку.
- Отключить тягу выключателя.
- Вынуть шплинт крепления поводка.
- Ослабить крепления выключателя замка ключом на 8.
- Открепить нижний ряд клипс. Извлечь панель.

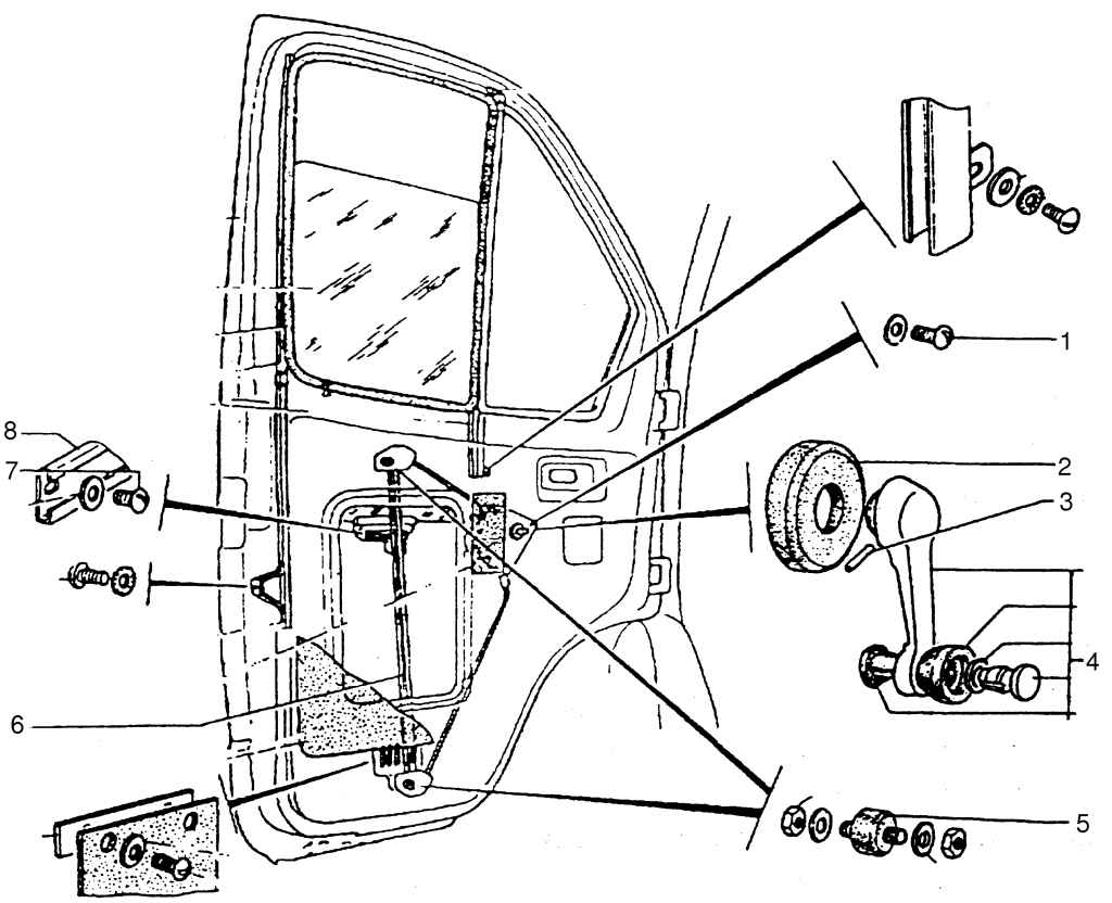
Стеклоподъемник двери ГАЗ 2705
|
|
Рис. 10.18. Стеклоподъемник двери: 1 — винт; 2 — розетка ручки; 3 — штифт; 4 — ручка стеклоподъемника; 5 — буфер; 6 — механизм подъема; 7 — винт; 8 — кулиса |
Для перемещения опускного стекла и удержания его в любом положении служит стеклоподъемник (рис. 10.18) — тросового типа, самотормозящий, с центральной направляющей.
Стеклоподъемник состоит из следующих основных деталей: корпуса редуктора, крышки корпуса валика тормозного механизма, пружины тормозного механизма, шестерни малой, троса, барабана, колеса барабана, втулок и оболочек троса, направляющей с роликами, ползуна направляющей, камня кулисы. Для перемещения стекла вверх или вниз необходимо повернуть ручку стеклоподъемника в соответствующем направлении. При этом усилие от ручки стеклоподъемника будет передаваться через валик на шестерню малую, а затем — на колесо барабана и сам барабан, который перемещает трос (наматывает и освобождает трос) и, следовательно, ползун направляющей с камнем кулисы. Отличительными особенностями стеклоподъемника является применение шестерни и колеса из металлокерамики, что повышает долговечность узла; отсутствие дополнительных регулировок после установки его на двери. Правильно собранный стеклоподъемник не требует в эксплуатации дополнительного обслуживания.
Для замены или ремонта стеклоподъемника работу производить в следующем порядке:
— снять ручку 4 (см. рис. 10.18) стеклоподъемника, для чего следует нажать на розетку 2 ручки к обивке, освободить доступ к цилиндрическому штифту 3 и вытолкнуть его из ручки;
— снять розетку ручки внутреннего привода;
— снять поручень на двери;
— снять обивку двери, противошумную прокладку и освободить монтажные люки;
— опустить стекло так, чтобы в монтажном люке было видно кулису стеклоподъемника 8, отвернуть винты крепления кулисы 7;
— поднять руками стекло в верхнее положение и застопорить его с помощью деревянного клина;
— отвернуть винты 1 и гайки крепления стеклоподъемника и вынуть стеклоподъемник из двери вместе с кулисой;
— заменить или отремонтировать стеклоподъемник, установить кулису 8 и собрать дверь в обратной последовательности.
После установки стеклоподъемника в двери и присоединения стекла пpoвepить eгo работу, перемещая (вращая) ручку в обоих направлениях.
Для ремонта стеклоподъемника, замены пружины тормозного механизма необходимо отвернуть 4 винта крепления крышки редуктора и снять крышку вместе с малой шестерней
Затем снять малую шестерню с валика тормозного механизма и обратить при этом внимание на установку хвостовика шестерни; вынуть валик тормозного механизма и сломанную пружину. Заменить пружину и сборку произвести в обратной последовательности; перед установкой место для пружины обильно смазать смазкой ЦИАТИМ-201, ЛИТА или Литол-24
После сборки проверить работу стеклоподъемника вращением ручки в обоих направлениях.
Видео про «Стеклоподъемник двери» для ГАЗ 2705
Замена стеклоподъемника ГАЗель
Установка стеклоподъемников ФОРВАРД на ГАЗель
https://youtube.com/watch?v=5mEdZjByn9g
Ремонт стеклоподъемника газели, соболя
Газель Некст не работают стеклоподъёмники

Первая и самая главная причина почему на Газель Некст не работают стеклоподъёмники. Заключается в обрыве проводов. В месте где они выходят из рамки двери и заходят в дверь. Проывода изгибаются тянутся поэтому и рвутся в этом месте.
Достаточно сдвинуть защитную резинку.

Можно увиденть следующую картину. Как с правой стороны двери так и с левой.


Если провода оборваны то их необходимо спаять между собой, согласно цветов проводов. Желательно вставить вставку чтобы удлить провода хотя бы на 2 см. Они не будут больше перетираться и рваться.
Но возможно что провода окажутся в порядке. В этом случае необходимо искать другую причину по которой не работают стеклоподъёмники.
Центральная система запирания дверей
Центральный замок работает только при наличии электропитания (заряженной батареи).
Центральный замок позволяет одновременное блокирование (запирание) и разблокирование (отпирание) всех дверей.
Запирание.
Снаружи: закройте двери и поверните ключ в замке водительской двери влево до упора. Верните ключ в исходное положение и выньте его.
Изнутри: на закрытых дверях нажмите вниз кнопку блокировки на водительской двери — кнопки блокировки опустятся на всех дверях.
Отпирание.
Снаружи: поверните ключ в замке водительской двери вправо до упора. Верните ключ в исходное положение и выньте его.
Изнутри: потяните на себя внутреннюю ручку водительской двери один раз. Кнопки блокировки поднимутся на всех дверях, замки всех дверей будут разблокированы. Для открывания двери потяните на себя внутреннюю ручку еще раз.
Подведем итоги
Что касается АКПП, данная коробка сложная, так как включает в себя целый ряд механических, гидравлических и электронных компонентов. При этом выход из строя различных элементов и систем может приводить к тому, что машина с АКПП не едет вперед/назад, отдельные или все режимы и передачи не включаются и т.д.
В подобной ситуации нужно доставить машину в сервис, после чего специалисты проведут углубленную диагностику коробки автомат, проверят работу гидроблока, гидротрансформатора, ЭБУ АКПП и самой трансмиссии, а также различных электронных компонентов и систем. В одних случаях бывает достаточно заменить датчик или восстановить проводку, тогда как в других требуется дорогостоящий ремонт АКПП или ГДТ.
Причины затрудненного включения передач на заведенном моторе. Трансмиссионное масло и уровень в КПП, износ синхронизаторов и шестерен коробки, сцепление.
Передачи (скорости) МКПП не включаются после замены сцепления: основные причины, настройки и регулировки. Диагностика неполадок, полезные советы.
Передачи включаются туго или не включаются скорости на механической коробке передач: основные причины неисправности и возможные неполадки.
Задняя передача не включается, включение задней скорости происходит через раз: основные причины выхода из строя задней передачи на МКПП и АКПП, диагностика.
Почему передачи на механической коробке передач включаются туго: основные причины затрудненного включения передач МКПП. Поломки сцепления и трансмиссии.
Передачи на горячую не включаются или включение передачи затруднено: основные причины и способы устранения неисправностей на механической коробке передач.
Замок задней двери автоматического действия. Он соответствует нормам безопасности. Запорный механизм состоит из:
- основания механизма;
- ротора с пальцем;
- кулачка с пальцем;
- возвратных пружин;
- буфера;
- облицовки основания;
- распорных втулок.
Замок имеет в своем составе наружный и внутренний приводы. Устройство замка и его приводов:
- Тяги.
- Зажимы.
- Привод замка стопора.
- Корпус стопора.
- Защелки стопора.
- Прокладки регулировочные.
- Кнопка выключения.
- Рычаг.
- Рычажный механизм.
- Запорный механизм.
- Розетка наружной ручки.
- Защелка.
- Наконечники.
- Ползун стопора.
Замки используются для того, чтобы избежать похищения предметов из салона автомобиля и несанкционированного доступа в транспортное средство.























