Компьютерное управление
В современных автомобилях Hyundai Accent Tagaz применяется компьютерное управление топливной системой. Это позволяет достичь более точной и эффективной работы двигателя, а также обеспечить более низкий уровень выбросов.
Компьютерное управление включает в себя сбор информации от различных датчиков, которые мониторят работу двигателя и окружающих условий. Эта информация передается на центральный процессор, который анализирует ее и принимает соответствующие решения.
Центральный процессор контролирует такие параметры, как подача топлива, впрыск топлива, зажигание и другие. Он также адаптируется к изменениям в условиях езды, например, изменению высоты над уровнем моря или температуры внешней среды.
Компьютерное управление позволяет точно регулировать смесь топлива и воздуха, что ведет к более эффективному сгоранию и повышению мощности двигателя. Он также помогает уменьшить выбросы вредных веществ, таких как оксиды азота и углеводороды.
Преимущества компьютерного управления:

1. Точность и эффективность: Благодаря компьютерному управлению, можно добиться более точного контроля над работой двигателя, что приводит к повышению эффективности и экономии топлива.
2. Адаптивность к условиям: Компьютерная система адаптируется к изменениям в условиях езды, что позволяет обеспечить стабильную работу двигателя в любых ситуациях.
3. Снижение выбросов: Благодаря более точному контролю смеси топлива и воздуха, компьютерное управление помогает снизить выбросы вредных веществ, что является важным фактором для защиты окружающей среды.
В итоге, компьютерное управление топливной системой Hyundai Accent Tagaz является важной составляющей современных автомобилей, обеспечивая точность, эффективность и экологичность их работы
Компоненты системы питания автомобиля
Система питания автомобиля отвечает за подачу топлива в двигатель, обеспечивая его нормальную работу. Она состоит из нескольких компонентов, каждый из которых выполняет свою роль в этом процессе.
Топливный бак
Основным элементом системы питания является топливный бак, в котором хранится топливо. Обычно он расположен на задней части автомобиля и имеет определенную емкость.
Топливный насос
Топливный насос отвечает за подачу топлива из бака к двигателю. В зависимости от типа транспортного средства и его характеристик, топливный насос может быть электрическим или механическим.
Топливный фильтр
Топливный фильтр очищает топливо от различных примесей, которые могут попасть в него из бака или топливных линий. Он предотвращает попадание грязи и посторонних частиц в систему питания и защищает форсунки от засорения. Регулярная замена топливного фильтра необходима для поддержания нормальной работы системы.
Топливные линии и форсунки
Топливные линии служат для передачи топлива от бака к двигателю. Они переносят топливо под давлением, создаваемым топливным насосом. Форсунки отвечают за распыление топлива и его подачу в цилиндры двигателя. Они открываются и закрываются в определенный момент, обеспечивая правильное смешивание топлива с воздухом.
Датчики системы впрыска топлива
В системе питания присутствуют различные датчики, которые отвечают за контроль и регулировку процесса впрыска топлива. Например, датчик количества воздуха измеряет количество впускаемого воздуха, а датчик положения дроссельной заслонки определяет степень нажатия на педаль газа. Эти данные необходимы для корректного смешения топлива с воздухом и обеспечивают оптимальную работу двигателя.
Электронный блок управления (ЭБУ)
Электронный блок управления (ЭБУ) является мозгом системы питания. Он получает данные от различных датчиков и принимает решения о впрыске топлива в двигатель. ЭБУ также контролирует работу топливного насоса, форсунок и других компонентов системы.
Все эти компоненты взаимодействуют в системе питания автомобиля, обеспечивая нормальную работу двигателя и эффективное потребление топлива. Регулярное обслуживание и замена изношенных деталей позволят поддерживать систему в хорошем состоянии и предотвратить возможные поломки.
Характеристики
Так как на различных модификациях машины устанавливается единый двигатель, перечислить его основные характеристики не составит труда. Двигатель Акцент G4EC имеет следующие технические характеристики:
- Объем двигателя Хендай Акцент составляет 1,5 л
- Рабочий объем: 1 495 куб. см
- Количество клапанов: 16 (4 на цилиндр)
- Мощность двигателя 75 кВт или 102 л.с
- Тип: четырехтактный бензиновый
- Частота вращения коленвала: 5800
- Степень сжатия: 9,5
- Макс. крутящий момент – 136 Нм
- Зазор свечей зажигания – от 1,0 до 1,1
- Тип системы питания – впрыск топлива распределительный
- Тип топлива – бензин неэтилированный с октановым числом 92-95
Где посмотреть номер двигателя на своем Акцент, смотрите здесь.
Где находится фильтр топлива?
Для снятия и ремонта топливного фильтра в Хендай Акцент ТагАЗ 1995, 2007, 2008, 2011 и другого года выпуска полезно знать, где расположен этот элемент на дизельном или бензиновом двигателе. Устройство устанавливается в специальный отсек под задним пассажирским сиденьем и закрепляется с помощью кронштейна, который фиксируется на бензобаке. Чтобы получить доступ к детали, передние кресла водителя и пассажира надо максимально отодвинуть вперед и снять задние. На дизеле и бензине фильтрующий элемент находится немного левее устройства топливного насоса, который по конструкции включает в себя компонент очистки и контроллер уровня горючего в баке.
В модели Хендай Акцент Tagaz схема его работы фильтрующего устройства такова:
- Процедура первичной прочистки горючего осуществляется тогда, когда топливо впервые попадает в бак из канистры или на АЗС. На топливопроводе имеется специальная сетка для очищения бензина.
- Процесс грубой очистки осуществляется непосредственно в насосном устройстве. Здесь устанавливается фильтр.
- В работе системы есть еще один процесс фильтрации — точечная прочистка. Это происходит в основном устройстве, которое находится дальше насоса по магистрали.

Месторасположение топливного фильтра
Когда нужно менять?
По официальному техническому руководству Hyundai Accent снимать и менять фильтрующее устройство надо не реже чем каждые 25-30 тысяч км пробега. При этом производитель рекомендует выполнять диагностику топливного фильтра каждые 8-16 тысяч км. Если вы обратитесь с таким вопросом к официальному дилеру, то вам скажут, что ресурс эксплуатации детали составляет 10 тыс. км пробега. Это делается для получения дополнительной прибыли с потребителей. Необходимость замены может возникнуть раньше, если вы регулярно заправляете свою машину низкокачественным горючим.
Причины быстрого загрязнения
По каким причинам топливный фильтр выходит из строя раньше положенного срока:
- Появление коррозии внутри конструкции в результате длительной конденсации воды.
- Скопление загрязнений в конструкции устройства, появляющихся в результате химических реакций горючего с кислородом и металлическими составляющими.
- Образование смолянистых отложений.
- Постоянное использование низкокачественного топлива.
- Закупорка магистралей топливной системы льдом и кристаллами застывшей воды, образующихся при пониженных температурах воздуха.
Пользователь Андрей Флорида в своем видео показал, как самостоятельно выполнить смену фильтрующего устройства в Акценте.
Виды топлива: особенности использования
Вид топлива, которым пользуется автомобиль, играет важную роль в его работе и эффективности. От правильного выбора топлива зависит производительность двигателя, его надежность и срок службы. В настоящее время существуют различные виды топлива, каждый из которых имеет свои особенности использования.
1. Бензин
Бензин является самым распространенным видом топлива для автомобилей. Он имеет высокую энергетическую ценность и хорошую горючесть, что обеспечивает высокую производительность и ускорение автомобиля. Бензин также отличается отличной работой при холодных погодных условиях.
Однако, бензин имеет свои недостатки, такие как высокая цена, большее количество выбросов вредных веществ и низкая эффективность использования топлива. Кроме того, использование неподходящего бензина может повлиять на работу двигателя и привести к его поломке.
2. Дизельное топливо
Дизельное топливо обладает более низкой ценой по сравнению с бензином и хорошей экономичностью. Оно также обеспечивает высокий крутящий момент и мощность двигателя, что делает его особенно подходящим для больших грузовых автомобилей и длинных поездок.
Однако, дизельное топливо имеет свои недостатки. Во-первых, оно более загрязняющее для окружающей среды из-за большего количества выхлопных газов. Во-вторых, рабочий процесс сжатия дизельного двигателя требует большего усилия для запуска, особенно в холодные месяцы. Кроме того, дизельное топливо может иметь более низкую цетановую число, что может негативно сказаться на работе двигателя.
3. Газ
Газ является одним из альтернативных видов топлива для автомобилей. Он обеспечивает высокую экономичность и низкое содержание вредных выбросов. Использование автомобилей на газе также может существенно снизить затраты на топливо.
Однако, использование газа имеет свои особенности. Система газового оборудования требует дополнительной установки и обслуживания, что влечет за собой дополнительные расходы и сложности. Кроме того, заправочные станции на газе могут быть недоступными в некоторых географических областях.
- Бензин — самый распространенный вид топлива для автомобилей с хорошей производительностью, но с высокой ценой и низкой эффективностью использования.
- Дизельное топливо — экономичное вид топлива с высоким крутящим моментом и мощностью, но более загрязняющее для окружающей среды.
- Газ — альтернативный вид топлива с высокой экономичностью, но требует дополнительной установки и обслуживания.
Гул погружного насоса: когда стоит насторожиться
По сути, это нормальное состояние работы насоса, возникающее после поворота ключа в замке зажигания. Пока создаётся давление, требуемое для нормальной подачи жидкости по всей магистрали, негромкое жужжание и гул неизбежны. Однако этот процесс продолжается не больше 3-4 секунд, после чего задействуется реле.
Главное – это громкость жужжания моторчика. Если она повышена, и в момент поворота ключа в замке ещё и посвистывает, это повод задуматься. Как правило, такое происходит чаще на подержанных автомобилях, на которых ресурс деталей уже подходит к концу. Своевременная диагностика поможет выявить проблемы на ранней стадии. Параллельно с этим возможно увеличение расхода горючего, сложности с запуском, «тупение» педали акселератора и другие неполадки. Однако в целом автомобиль пока не потерял былую динамику, и ездить с «шумным» насосом можно ещё не одну тысячу километров.
А вот усиливающийся свист и гул должны насторожить водителя. Как правило, это свидетельствует о загрязнении фильтра грубой очистки. Но возможны и другие причины.
- Загрязнение всей топливной магистрали или её части.
- Порча моторчика насоса.
- Забитость форсунок.
- Неисправность РДТ.
Почти всегда перечисленные неполадки имеют неразлучную свиту: трудности запуска, нестабильная работа мотора на ХХ и под нагрузкой. Не исключение провалы и рывки, поздняя реакция при ускорении и маневрах. Автомобиль в такой ситуации надо срочно везти на техосмотр, так как эксплуатировать его небезопасно. На такой машине легко попасть в аварию, ведь двигатель может заглохнуть совершенно неожиданно.
Непонятки с бензонасосом
Номинальное значение напряжения 12 В. Разница чуть ли не вдвое, а характеристики одинаковые.
Что делать, если на автомобиле Хендай Акцент не работает бензонасос. Установить, что причиной неработающего автомобиля…
В том случае, когда после проделанных действий насос начинает работать — значит, устройство исправно. Проверка электродвигателя Чтобы произвести проверку движка бензонасоса, нужно дать напряжение на клеммы прямо с АКБ. Для этого снимаем заднее сиденье и крышку люка, чтобы добраться до колодки бензонасоса, разъединив которую увидим пять клемм.
Мотор не заводится, либо глохнет сразу же после запуска. Топливо не поступает в камеры сгорания и рампу. Свечи зажигания исправны, искра присутствует.
При некоторых поломках холостой ход стабилен, но при увеличении скорости мотор глохнет, так как ему не хватает бензина. Перестает работать бензонасос при включении зажигания — отсутствует характерный звук. Сильный шум скрежет, рев со стороны насоса.
Как проверить бензонасос на Хендай Акцент
При езде ощущаются провалы и дергания, уменьшается мощность двигателя. Но в некоторых магазинах цена товаров может отличаться и окажется так, что десяточный стоит больше, чем оригинальный Хендай.
Насоса десятки — рублей. Насоса Хюндай — рублей. Разница чуть ли не вдвое, а характеристики одинаковые.
Да и ресурс достаточно высокий, поэтому лучше приобретать неоригинальное изделие. А ходит топливный насос десятки столько же, сколько и Акцента. Диагностика бензонасоса своими руками Выполнить все работы по диагностике устройства сможет любой водитель, который умеет обращаться с мультиметром и гаечными ключами.
На Хендай Акцент не работает бензонасос – причины
Нужно обратить внимание на то, что причиной вышеприведенных симптомов может послужить загрязненный фильтр. В таком случае неизбежно загрязнение топливных форсунок
Не включается бензонасос. Как найти причину
Прислушайтесь, есть ли звук насоса при включении зажигания. Если его нет, то проверьте предохранитель — находится он в монтажном блоке моторного отсека. Реле топливного насоса имеет светло-синий окрас, находится примерно в середине левого ряда.
Самый простой способ проверить реле — установить заведомо исправное. Но можно подать напряжение на обмотку, если есть щелчок, то проверить коммутацию тестером.
Советы для автомобилистов
На Хендай Акцент не работает бензонасос — причины Современный легковой автомобиль имеет сложное устройство и состоит из множества агрегатов. Установить, что причиной неработающего автомобиля стал именно топливный насос, можно по следующим признакам: Машина не начинает движения, но при этом свечи в порядке, искра нормальная, мотор работает, а вспышек в цилиндрах не появляется.
Отдельные вспышки в цилиндрах есть, но двигатель не заводится. Мотор работает, холостые обороты стабильны, однако, при увеличении оборотов или когда машина начинает движение, силовой агрегат останавливается. Наблюдаются дергания авто, провалы в работе двигателя, машина перестает тянуть.
Не качает бензонасос на Хендай Акцент. Громко шумит бензонасос на Хендай Акцент Последнее — громкий шум — обычно говорит о том, что насос в скором времени придется менять. Оригинальный стоит достаточно дорого, поэтому можно выбрать альтернативу — на Акцент подходит бензонасос от ВАЗ , который в разы дешевле.
Некоторые из них могут возникать, например, при сильном загрязнении фильтра тонкой очистки, при отказе датчика расхода воздуха или в следствии засора форсунок. Когда не работает топливный насос Хендай Акцент, он не жужжит и не включается. Как проверить бензонасос на Хендай Акцент Обычно при работе бензонасоса слышен характерный шум — звук работающего двигателя насоса.
Длится он недолго, всего пару секунд после запуска двигателя. Если это так, потребуется проверка насоса.
Разберем, как проверить бензонасос на Акценте самостоятельно. Проверка реле бензонасоса Когда появилась проблема с бензонасосом, в первую очередь необходимо проверить его реле.
Оно расположено в монтажном блоке, который можно найти под капотом. Если смотреть со стороны переднего левого колеса, реле бензонасоса на Акценте расположено в середине крайнего левого ряда, оно светло-синего цвета.
Технические операции на автомобиле
Проверка давления топлива
1. Для предотвращения разбрызгивания топлива стравить остаточное давление из линии высокого давления топлива.
2. Отсоединить фланец топливного шланга высокого давления от топливного коллектора.
Внимание: Накройте место соединения фланца шланга высокого давления с топливным коллектором ветошью, чтобы избежать разбрызгивания топлива из-за остаточного давления в линии высокого давления. 3
Отсоединить муфту и перепускной болт от специального инструмента и вместо них подсоединить специальный инструмент (переходник манометра 09353 — 38000)
3. Отсоединить муфту и перепускной болт от специального инструмента и вместо них подсоединить специальный инструмент (переходник манометра 09353 — 38000).
4. Закрутить манометр для измерения давления топлива в шланг переходника, собранный в п.3. При этом обязательно установить подходящее уплотнительное кольцо (прокладку) между штуцером манометра и спец. инструментом, чтобы не допустить утечек топлива.
5. Установить спец. инструмент, собранный в п. 3 и 4 между топливным коллектором и фланцем топливного шланга высокого давления.
6. При помощи провода с разъемом «крокодил» соединить положительную (+) клемму аккумуляторной батареи с выводом 2 3-х контактного сервисного разъема топливного насоса, как показано на рисунке, включив тем самым последний. Проверить (при наличии давления в линии высокого давления) отсутствие утечек топлива в местах соединений манометра и специальных инструментов.
7. Для остановки топливного насоса отсоединить провод с разъемом «крокодил» от аккумуляторной батареи.
8. Запустить двигатель и дать ему поработать на холостом ходу.
9. Во время работы двигателя на холостом ходу измерить давление топлива.
Номинальное значение: Приблизительно 265 кПа при базовой частоте вращения холостого хода
10. Отсоединить вакуумный шланг от регулятора давления топлива, прикрыть его отверстие пальцем и измерить давление.
Номинальное значение343 кПа при базовой частоте вращения холостого хода
11. Проверить, что давление топлива на режиме холостого хода не падает даже после нескольких нажатий на педаль акселератора.
12. Несколько раз подряд нажимая на педаль акселератора, слегка зажать шланг возврата топлива пальцами, чтобы ощутить наличие давления топлива в шланге.
Примечание: Если расход топлива мал, то в шланге возврата топлива не будет ощущаться давления.
Устройство
Установленный на Акценте двигатель G4EC является четырехтактным бензиновым рядным. Устройство оснащено четырьмя цилиндрами, имеет 16 клапанов и два распредвала (один из них отвечает за работу впускных, второй – за работу выпускных клапанов). Отсчет в порядке работы цилиндров начинается со шкива коленвала и считается 1-3-4-2. Силовой агрегат установлен в моторном отсеке и напрямую связан с КПП и сцеплением. Он крепится четырьмя резинометаллическими эластичными опорами. Правая опора идет непосредственно к двигателю, остальные – к коробке передач.
В правой части двигателя располагаются следующие приводы:
- распредвала выпускных клапанов
- ГУРа (гидроусилителя руля)
- компрессора кондиционера
- насоса охлаждающей жидкости
- генератора
Под пластиковой крышкой над силовым агрегатом в колодцах, расположены:
Блок цилиндров
На Акценте блок цилиндров изготавливается из цельнолитого чугуна, являя собой единую конструкцию. Блок состоит из самих цилиндров, рубашки охлаждения, а также каналов масляной магистрали. В его нижней части установлены 5 опор коренных подшипников коленвала со съемными крышками, крепящимися к блоку болтами.
Устройство ГРМ Хендай Акцент 1.5 литра
Привод газораспределительного механизма комбинированный, поскольку там одновременно используется и ремень ГРМ и небольшая цепь. Ремень передает крутящий момент от шкива коленчатого вала на один распределительный вал, а с противоположной стороны стоит небольшая цепь, которая связывает, через звездочки, второй распределительный вал, тем самым синхронизируя работу ГРМ.
Замена ремня ГРМ на Акцент 1.5 литра требуется раз в 50 тысяч километров, цепь необходимо менять раз в 100 километров. Обычно бряканье растянутой цепи слышно уже на 80-90 тысячах пробега.
Схема ГРМ Hyundai Accent 1.5 литра далее.
1 – зубчатый шкив привода распределительного вала выпускных клапанов; 2 – болт; 3 – промежуточный ролик; 4 – ремень привода газораспределительного механизма; 5 – метка на передней крышке блока цилиндров; 6 – метка на зубчатом шкиве коленчатого вала; 7 – зубчатый шкив коленчатого вала двигателя; 8 – болт натяжного ролика; 9 – проставка натяжного ролика; 10 – пружина натяжного ролика; 11 – натяжной ролик; 12 – метка на зубчатом шкиве; 13 – метка на опоре распределительного вала
Характеристики двигателя Хендай Акцент 1.5 литра
- Рабочий объем – 1495 см3
- Количество цилиндров – 4
- Количество клапанов – 16
- Диаметр цилиндра – 75.5 мм
- Ход поршня – 83.5 мм
- Привод ГРМ – ремень (DOHC)
- Мощность л.с.(кВт) – 102 (75) при 5800 об. в мин.
- Крутящий момент – 134 Нм при 3000 об. в мин.
- Максимальная скорость – 181 км/ч
- Разгон до первой сотни – 10.5 секунд
- Тип топлива – бензин АИ-92
- Степень сжатия – 10
- Расход топлива в городе – 9.9 литров
- Расход топлива по трассе – 6.1 литра
- Расход топлива в смешанном цикле – 7.5 литра
Схема электрооборудования автомобиля Hyundai Accent (хендай акцент)
Для удобства поиска в пределах страницы, фрагмента схемы, ниже представлены ссылки. Возврат на начало страницы, клавиши Ctrl+Home.
- Питание и блок предохранителей в моторном отсеке.
- Замок зажигания.
- Блок предохранителей и реле в моторном отсеке.
- Колодка диагностического разъема.
- Схема пуска двигателя.
- Соединение с корпусом 1.
- Соединение с корпусом 2
- Соединение с корпусом 3.
- Соединение с корпусом 4.
- Схема генератора и системы охлаждения.
- Система управления двигателем.
- Система управления двигателем (продолжение).
- Система определения скорости автомобиля и система зажигания.
- Система управления автоматической коробкой передач.
- Система управления автоматической коробкой передач ( продолжение).
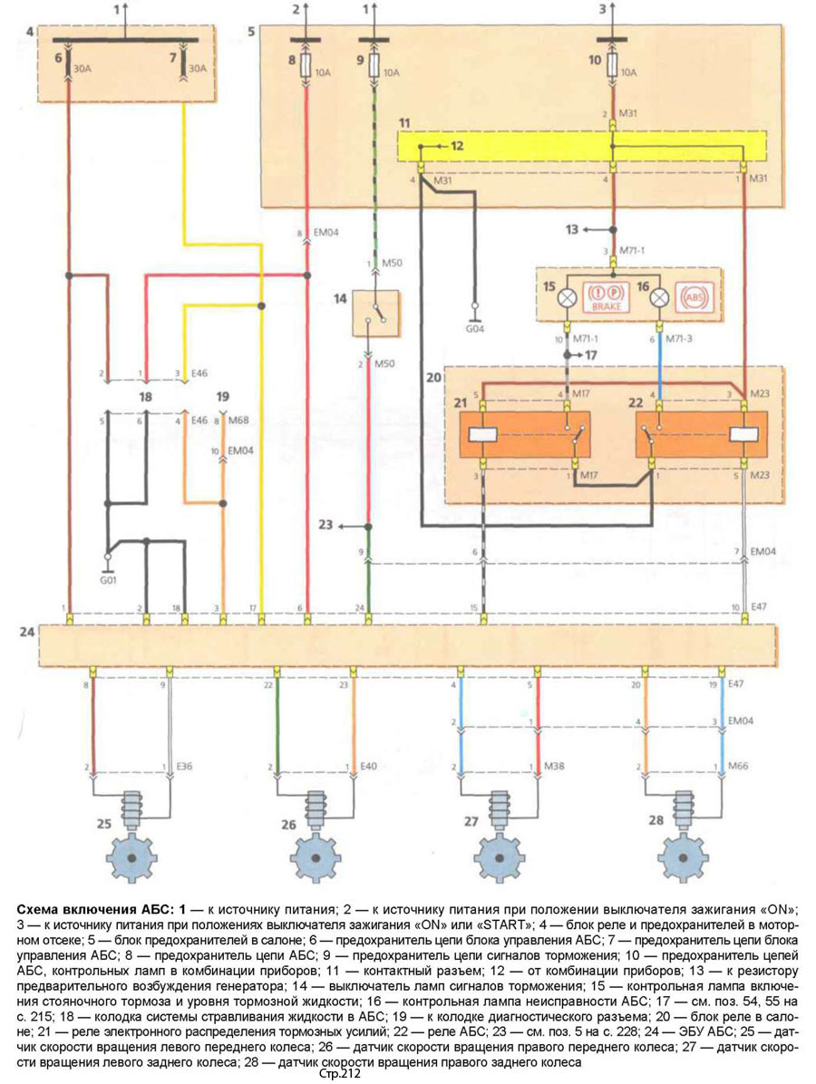
- Включение АВС.
- Контрольные указатели
- Контрольные указатели (продолжение).
- Схема включения очистителя и омывателя ветрового стекла.
- Схема включения привода блокировки дверей.
- Схема включения электростеклоподъемников.
- Схема включения электростеклоподъемников. ( продолжение)
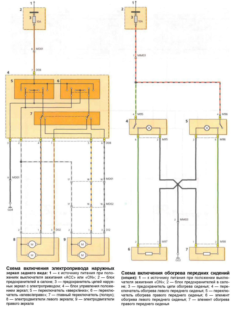
- Схема включения электропривода наружных зеркал. зеркал
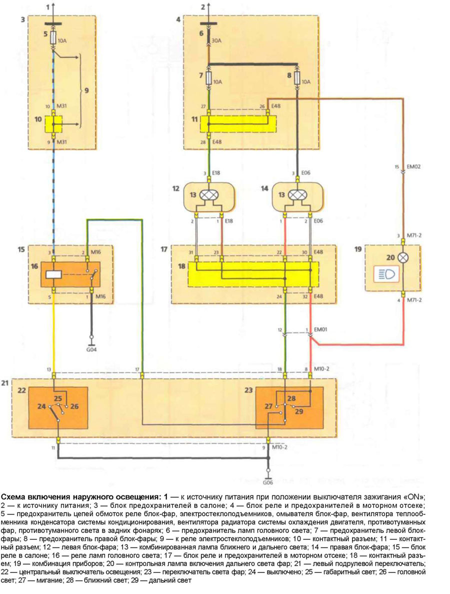
- Схема включения наружного освещения.
- Схема включения регулятора направления лучей света фар.
- Система звуковоспроизведения.
- Схема включения звукового сигнала.
- Схема включения указателей поворота и аварийной сигнализиции.
- Габаритный свет и освещение номерного знака.
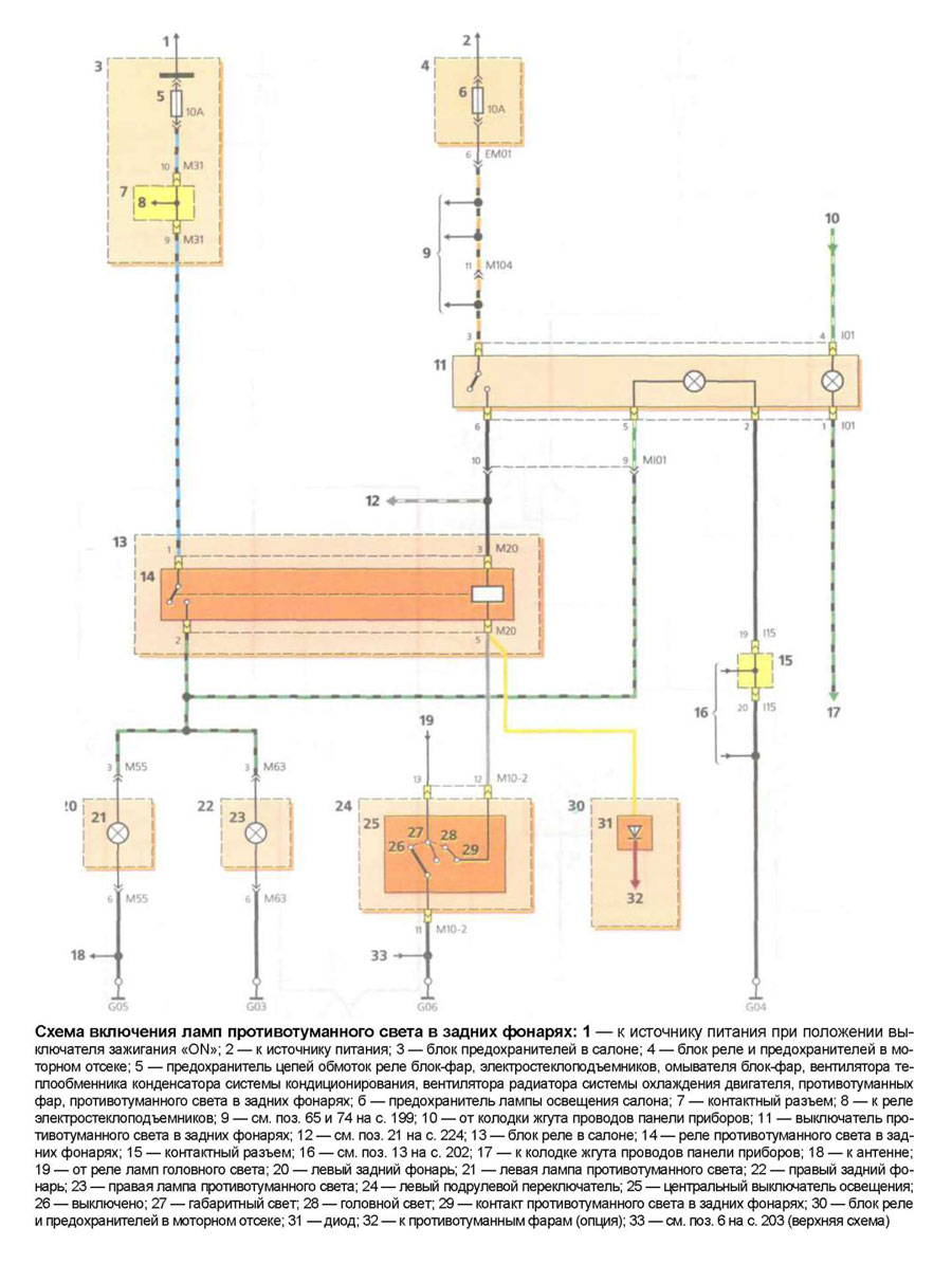
- Противотуманный свет в задних фонарях.
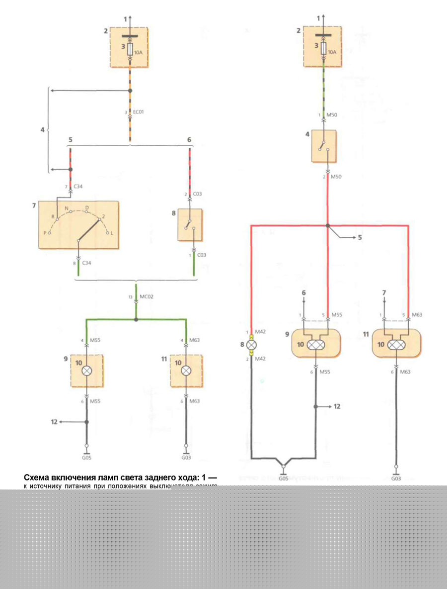
- Свет заднего хода и сигналы торможения.
- Лампы освещения салона и подсветка багажника.
- Схема включения вентиляции, отопления и кондицианирования.
- Расположение жгутов проводов.

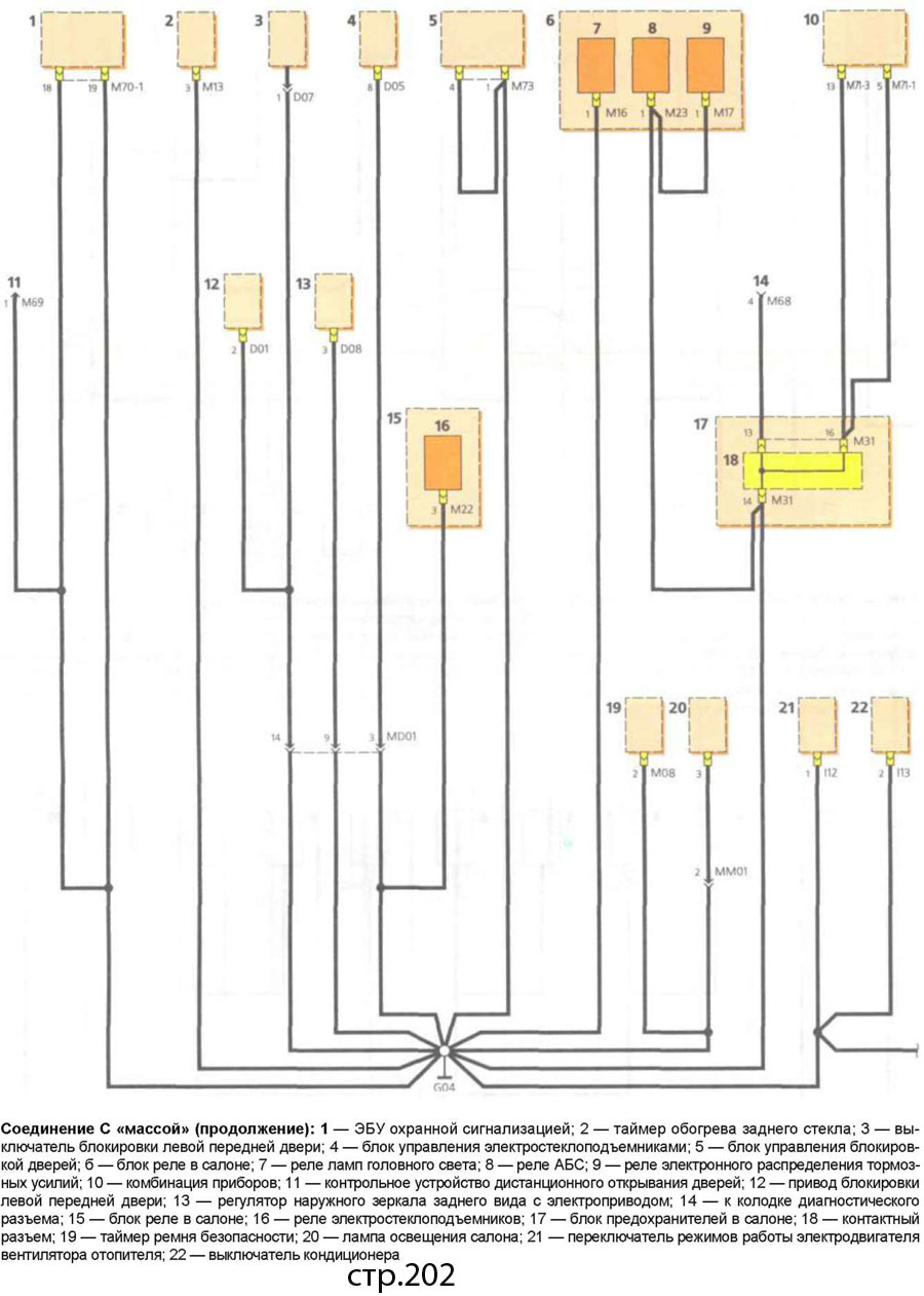
Питание и блок предохранителей в моторном отсеке.


Блок предохранителей и реле в моторном отсеке.
Колодка диагностического разъема.

Схема пуска двигателя.

Соединение с корпусом 1.

Соединение с корпусом 2

Соединение с корпусом 3.

Соединение с корпусом 4.

Схема генератора и системы охлаждения.

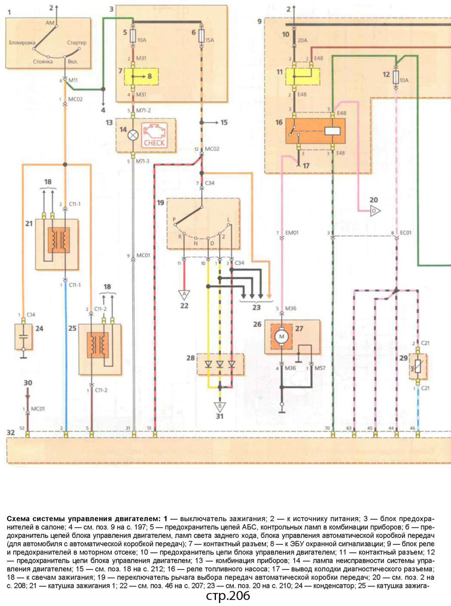
Система управления двигателем.

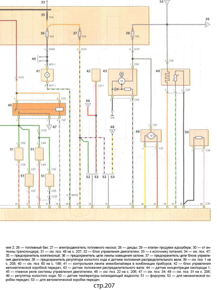
Система управления двигателем (продолжение).
Система определения скорости автомобиля и система зажигания.

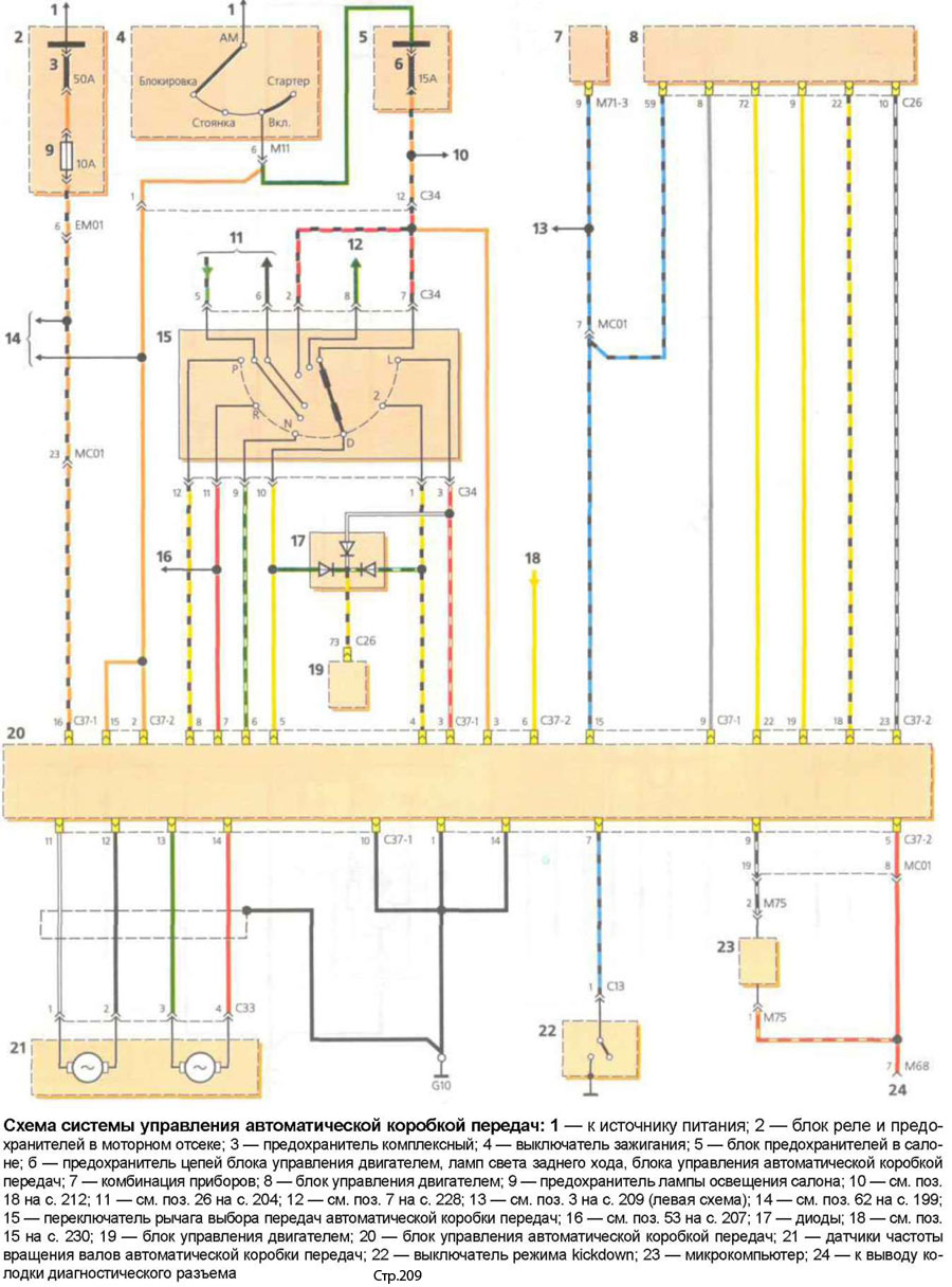
Система управления автоматической коробкой передач.

Система управления автоматической коробкой передач ( продолжение).



Контрольные указатели (продолжение).

Схема включения очистителя и омывателя ветрового стекла.
Схема включения привода блокировки дверей.

Схема включения электростеклоподъемников.

Схема включения электростеклоподъемников. ( продолжение)

Схема включения электропривода наружных зеркал. зеркал

Схема включения наружного освещения.

Схема включения регулятора направления лучей света фар.

Схема включения звукового сигнала.

Схема включения указателей поворота и аварийной сигнализиции.

Габаритный свет и освещение номерного знака.

Противотуманный свет в задних фонарях.

Свет заднего хода и сигналы торможения.

Лампы освещения салона и подсветка багажника.

Схема включения вентиляции, отопления и кондицианирования.
Источник
Диагностика и устранение неисправностей топливной системы
Проблема: Отсутствие топлива или слабое давление
Если автомобиль не запускается или теряет мощность при движении, причиной может быть отсутствие топлива или недостаточное давление в системе. В таком случае, стоит проверить уровень топлива в баке и убедиться в работоспособности топливного насоса. Неисправность может быть вызвана засором воздушного фильтра, в таком случае его следует заменить.
Проблема: Неровная работа двигателя
Если двигатель работает неровно или подхватывает при ускорении, причиной может быть плохое смешение топлива и воздуха. В таком случае, следует проверить состояние датчика кислорода и очистить форсунки от нагара. Также, стоит проверить состояние свечей зажигания и заменить их при необходимости.
Проблема: Плохая экономичность топлива
Если автомобиль стал потреблять больше топлива, чем обычно, причиной может быть неисправность в системе впрыска топлива или датчика расхода. Для диагностики рекомендуется использовать специализированный сканер для обнаружения ошибок и устранения проблемы.
Проблема: Затрудненный запуск двигателя
Если при запуске двигателя возникают сложности или он не запускается с первого раза, причиной может быть неисправность в системе зажигания или системе впрыска топлива. Рекомендуется проверить состояние свечей зажигания, бензонасоса и датчика положения коленвала.
В случае возникновения проблем с топливной системой акцент тагаз, важно обратиться к специалистам для проведения детальной диагностики и ремонта. Самостоятельная диагностика и устранение неисправностей могут привести к дополнительным повреждениям или неправильному ремонту



















