Схема подключения генератора КамАЗ
Схема подключения генератора КамАЗ Евро 3, работает по следующему принципу. Контакты «АМ»/«КЗ» замыкаются при активации разъединителя приборов и устройства пуска «ВПС». Упорядоченное движение активных частиц от аккумулятора идёт на элемент защиты 60А. После, поступает на клеммы реле, отключающего возбуждающую обмотку (РООВ), затем подходит пятну контакта «Ш», которое имеет связь с клеммой «В». За счёт упорядоченного движения частиц происходит срабатывание силового транзистора VT2.
Схема подключения генератора КамАЗ 65115:

В это же время упорядоченное движение частиц проходит защитный элемент на 8А и подаётся на участок F3 реле выключения массы «РВМ». Точки соприкосновения реле срабатывают, упорядоченное движение частиц сквозь реле на 60А попадает на лампу контроля состояния аккумулятора «КЛ». Лампа срабатывает на точку «+D» после чего попадает на возбуждающий моток – клемма «Ш» настройки напряжения потом сквозь транзистор VT2 на корпус.
Возбуждающая катушка соединена с сетью проводов машины, генератор эксплуатируется в классическом режиме. Когда устройство вырабатывает порцию упорядоченного движения частиц, напряжения клемм «+D» и «+» имеют равное значение. Результатом становится исчезновение тока в цепочке начального возбуждения – лампа гаснет, катушка питается от блока вспомогательных диодов. Рост оборотов стимулирует вступление в действие механизма регулировки напряжения.
Схема изображает устройство, в котором реле, размыкающее возбуждающую обмотку, применяется в моторах с факельным механизмом. Суть в том, что свечи розжига потребляют напряжение в 19В. Запуск агрегата, и начало выработки генератором электричества, провоцирует сгорание свечей. Таким образом, реле разрывает контур размыкания аккумулятора, сразу после срабатывания пускателя, что бы при активном агрегате не отключиться от сети. Так же реле включает обмотку первичного возбуждения, что бы разгрузить контакты срабатывания приборов и пускателя.
Некоторые машины оборудованы генератором, без включения в схему электрического факельного устройства. Например, схема подключения генератора КамАЗ 5320, 4310.
Лампочка выполняет контролирующую функцию, работа изделия свидетельствует, что процесс эксплуатации цепи первоначального возбуждения происходит в нормальном режиме. Когда мотор завёлся, лампа гаснет, в противном случае, устройство генерирующее энергию не справляется с функцией.
Схема подключения генератора КамАЗ 4310, 5320:
На схеме обозначено:
- G – Обозначение механизма, генерирующего упорядоченное движение частиц;
- GB – Источник аккумулирующий электрическую энергию;
- Q – Пусковой разъединитель;
- C – Компонент электрической цепи, обладающий ёмкостью 2,2 мкФ;
- EL – Контрольная лампа 2 Вт;
- R – Шунтирующее сопротивление 50 Ом;
- KV – Устройство, регулирующее напряжение (интегральное);
- «Ш», «+», «W», «+D» – выходы генератора.
| Эксплуатационные показатели генератора КамАЗ 4310, 5320 | |
| Разъяснение | Показатель |
| Напряжение, В | 28 |
| Упорядоченное движение частиц нагрузки, А | 50 |
| Направление импульса вращения (вал) | право |
| Класс безопасности | IP-10 |
| Вес изделия, кг. | 6,2 |
| Предел регулировок, В | 27,8-29,0 |
Схема подключения генератора КамАЗ 43118:
Обозначения:
- G – Обозначение механизма, генерирующего упорядоченное движение частиц;
- GB – Источник аккумулирующий электрическую энергию;
- Q1 – Разъединитель приборов пускателя;
- Q2 – Разъединитель возбуждающей катушки;
- C – Компонент электрической цепи, обладающий ёмкостью 2,2 мкФ;
- EL – Контрольная лампа 24В, 2 Вт;
- R – Резистор, мощностью не менее 2Вт, 100 Ом;
- KV – Устройство, регулирующее напряжение;
- «+», «D», «W», «В», «Ш» – выводы генератора.
КамАЗ на базе шасси 43118-15:
| Характеристики генератора КамАЗ 43118 | |
| Разъяснение | Показатель |
| Напряжение, В | 28 |
| Упорядоченное движение частиц нагрузки, А | 80 |
| Направление импульса вращения (вал) | право |
| Класс безопасности | IP-1X |
| Вес изделия, кг. | 6,5 |
| Предел регулировок, В | 27,95-28,85 |
Изделие используется, как производитель энергии упорядоченного движения частиц, одновременно с устройствами накопления. Схема подключения генератора КамАЗ 43118 аналогична схеме подключения машин, работающих на моторах стандарта Евро 2.
Как правильно подключить аккумуляторы на Камазе

Корректное подключение аккумуляторов на Камазе является важным аспектом надежности и безопасности автомобиля. Неправильное подключение может привести к неисправностям электрооборудования, выходу из строя аккумуляторов и даже возникновению пожара. При подключении аккумуляторов необходимо следовать определенным шагам, чтобы избежать негативных последствий.
Перед подключением аккумуляторов следует убедиться, что двигатель и все электроустройства автомобиля выключены
Также важно проверить, насколько заряжены аккумуляторы, чтобы избежать короткого замыкания при подключении их к силовой сети
Далее, необходимо подключить клемму положительного полюса одного из аккумуляторов (+) к клемме положительного полюса другого аккумулятора с помощью провода указанного сечения, чтобы минимизировать потери электрического тока. Убедитесь, что клемма цепно-шаровая плотно закреплена на клемме аккумулятора.
После этого, подключите клемму отрицательного полюса (-) полностью заряженного аккумулятора к клемме отрицательного полюса аккумулятора со слабым зарядом. Такое подключение позволит реализовать параллельное соединение аккумуляторов.
После выполнения всех предыдущих шагов, убедитесь, что все соединения надежно закреплены, чтобы исключить перекачку электрического тока и предотвратить деформацию клемм аккумуляторов. Затем можно приступать к включению электрооборудования и запуску двигателя.
Необходимо помнить, что при подключении аккумуляторов на Камазе следует соблюдать полярность: положительный полюс к положительному, отрицательный к отрицательному. В противном случае возможно возникновение короткого замыкания и нештатные ситуации.
В случае сомнений или незнания, как правильно подключить аккумуляторы, рекомендуется обратиться к руководству по эксплуатации автомобиля или к специалистам сервисного центра для получения квалифицированной помощи.
Генератор Г273А
Продольный разрез генератора Г273А: 1 — шкив; 2 — вентилятор; 3 — крышка со стороны привода; 4 — подшипник; 5 — регулятор напряжения с щеткодержателем; 6 — ротор; 7 — статор; 8 — выпрямительный блок; 9 — крышка со стороны контактных колец; 10 — крышка подшипника
Схема включения генератора Г273А в цепь электроснабжения автомобиля: 1 — аккумуляторная батарея; 2 — выключатель массы; 3 — кнопка дистанционного выключателя «массы»; 4 — выключатель ЭФУ; 5 — контактор; 6 — реле отключения обмотки возбуждения генератора; 7 — генератор; 8 — предохранитель; 9 — выключатель приборов и стартера
Детали генераторной установки Г273А: 1 — шкив; 2 — вентилятор; 3 — крышка со стороны привода; 4 — шарикоподшипник; 5 — регулятор напряжения с щеткодержателем; 6 — ротор; 7 — статор; 8 — выпрямительный блок; 9 — крышка со стороны контактных колец; 10 — крышка подшипника
Генератор подлежит замене:
- — при износе или разрушении подшипников вала;
- — обломе крышек в случае повреждения обмоток, а также при пробое выпрямительного блока
Признаки неисправностей:
- — посторонние шумы в работе генератора или заклинивание вала;
- — отсутствие зарядного тока при работе двигателя с частотой вращения коленчатого вала более 600 мин -1 при исправных регуляторе напряжения, аккумулятора, цепях генератора и нормальном натяжении приводных ремней
Установка генератора на двигателе: 1 — регулировочная планка; 2 — генераторная установка; 3 — приводной ремень; 4 — регулировочный болт
Снятие генератора
Отключаем аккумуляторные батареи автомобиля
Поднимаем кабину в первое положение
Отсоединяем штекерную колодку и электрические провода от выводов генератора
Выкручиваем на 1-2 оборота стяжной болт разрезной опоры кронштейна генератора и ослабляем гайку шпильки
Выкручиваем болт крепления натяжной планки и ослабляем болт крепления натяжной планки к генератору
Повернув генератор вниз, ослабляем приводные ремни
Выводим ремни из ручьев шкива и снимаем генератор, отвернув гайку шпильки и вывернув стяжной болт
Установка генератора
Устанавливаем генератор на кронштейн, надеваем на шпильку пружинную шайбу, накручиваем от руки гайку и вкручиваем стяжной болт
Устанавливаем в ручьи шкива приводные ремни
Вкручиваем, не затягивая, болты крепления натяжной планки
Переместив генератор вверх, натягиваем ремни
Затягиваем болты крепления натяжной планки, затягиваем гайку шпильки крепления генератора к кронштейну и стяжной болт разрезной опоры
Правильно натянутый ремень при нажатии на середину наибольшей ветви с усилием 39,2 Н (4 кгс) должен иметь прогиб 15-22 мм
Подсоединяем провода к выводам генератора и штекерную колодку
Опускаем кабину
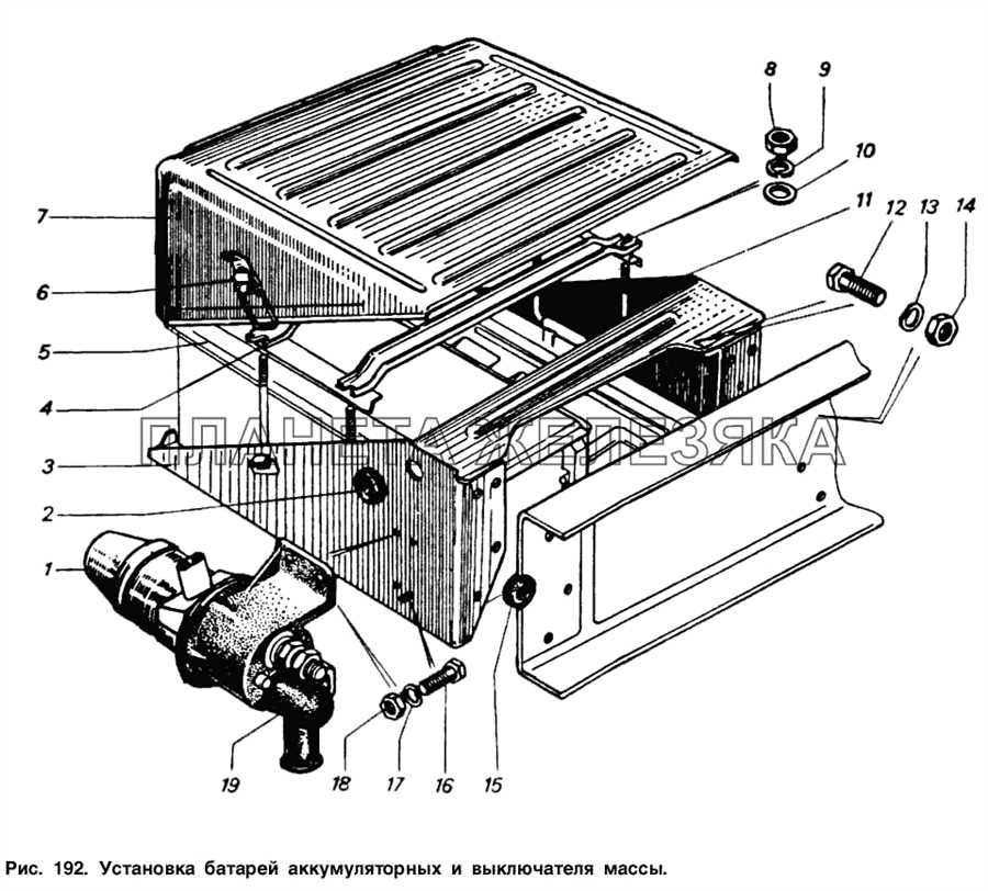
Аккумуляторы
Аккумуляторная батарея: 1 — выключатель массы; 2 — блок батареи; 3 — крышка аккумуляторного ящика
Аккумуляторные батареи свинцово-кислотные напряжением 12 В и емкостью по 190 А- ч.
Две батареи соединены между собой последовательно и обеспечивают напряжение 24 В.
Каждая батарея состоит из шести аккумуляторов, соединенных между собой межэлементными соединениями с медными вставками для уменьшения внутреннего сопротивления.
Марка аккумуляторных батарей автомобилей КамАЗ — 6СТ-190Т (6СТ-190А).
Такие батареи изготовляют несколько заводов. Товарный знак завода-изготовителя наносится на межэлементном соединении между третьим и четвертым аккумуляторами.
Снятие аккумуляторных батарей
Отключаем аккумуляторные батареи автомобиля
Открываем защелки крепления крышки ящика аккумуляторных батарей и снимаем крышку
Ослабляем гайки стяжек крепления прижимных рамок батарей, снимаем рамку
Снимаем крышки батарей
Выкручиваем болт крепления защитных планок и снимаем планки
Откручиваем гайки болтов крепления наконечников электрических проводов к выводам батарей и отсоединяем провода
Снимаем аккумуляторные батареи с автомобиля (снимаем с помощником)
Установка аккумуляторных батарей
Устанавливаем аккумуляторные батареи в ящик
Подсоединяем наконечники проводов к выводам аккумуляторных батарей и закрепляем их болтами с гайками
Аккумуляторные батареи соединяются между собой последовательно
Отрицательный вывод подсоединяем через выключатель аккумуляторных батарей
Выводы покрываем смазкой ВТВ-1
Устанавливаем и закрепляем защитные планки
Устанавливаем крышки батарей и закрепляем их прижимными рамками
Устанавливаем и закрепляем крышку ящика аккумуляторных батарей
Включаем аккумуляторные батареи и проверяем работу аккумуляторных батарей, запустив двигатель
Модельный ряд КАМАЗ и используемые двигатели
Выбирая аккумулятор для машины, нужно отталкиваться от используемого на ней типа двигателя, объёма и количества электропотребителей на борту. Опираясь на эти исходные данные, подбирается подходящая АКБ.
Если вам нужен аккумулятор на КАМАЗ, тогда нужно понимать и знать, какую батарею на машину ставят с завода. В большинстве случаев установку батареи осуществляют исходя из двигателя, который предусмотрен для конкретной модели КАМАЗа.
Весь модельный ряд грузовиков КАМАЗ делится на следующие категории:
- бортовые грузовики;
- самосвалы;
- седельные тягачи;
- вахтовые автобусы;
- изотермические фургоны;
- лесовозы;
- контейнеровозы;
- пищевые цистерны и молоковозы;
- рефрижераторы;
- цементовозы;
- тентованные грузовики;
- эвакуаторы.
Список более чем внушительный.

Что же касается двигателей, то все они дизельные с турбонаддувом, если говорить про актуальные ДВС, используемые на заводе КАМАЗ.
К числу основных силовых установок относятся такие:
- Cummins 6lSBe 210 л. с.;
- Cummins 6lSBe 285 л. с.;
- Cummins 6lSBe 300 (Евро 3);
- Cummins 6lSBe 245 (Евро 3);
- 30-260;
- 63-400;
- 31-260;
- 740-37-400;
- 31.240;
- 55-300 (Евро 3);
- 62-280 (Евро 3);
- 55-300 (Евро 3);
- 740-632-400 (Euro 4);
- 735-400 (Евро 5);
- Daimler OM 457/LAV/3;
- Daimler OM-457;
- Daimler OM457LA и так далее.

Гамма моторов действительно внушительная. Есть множество модификаций популярных двигателей. По мощности эти моторы для КАМАЗов варьируются от 154 до 428 лошадиных сил.
Для разных вариантов побирается соответствующая версия аккумулятора, подходящий размер и прочие характеристики, удовлетворяющие требования автомобиля КАМАЗ.
Виды схем подключения аккумуляторов на Камазе
На Камазе существует несколько видов схем для подключения аккумуляторов, каждая из которых имеет свои особенности и применяется в различных условиях эксплуатации. Рассмотрим основные из них:
1. Параллельное подключение аккумуляторов. В этой схеме оба аккумулятора соединяются положительными клеммами с одной стороны и отрицательными клеммами с другой стороны. Такое подключение позволяет увеличить емкость и длительность работы системы питания, а также повысить стартовый ток при пуске двигателя. Однако, в случае выхода из строя одного из аккумуляторов, весь ток будет идти через оставшийся аккумулятор, что может привести к его перегреву и выходу из строя.
2. Последовательное подключение аккумуляторов. В этой схеме положительная клемма одного аккумулятора соединяется с отрицательной клеммой другого аккумулятора. Такое подключение позволяет увеличить напряжение системы питания, но при этом емкость остается неизменной. Эта схема особенно полезна при использовании большого количества электропотребителей, так как позволяет равномерно распределить нагрузку на аккумуляторы. Однако, выход из строя одного из аккумуляторов может привести к полной неработоспособности системы.
3. Комбинированное подключение аккумуляторов. В этой схеме комбинируются параллельное и последовательное подключение. Например, два параллельно подключенных аккумулятора могут быть соединены последовательно с другими двумя аккумуляторами. Эта схема позволяет достичь как увеличения емкости, так и повышения напряжения системы питания, при этом имеет свои преимущества и недостатки, схожие с перечисленными выше.
Вид схемы подключения аккумуляторов на Камазе следует выбирать исходя из особенностей эксплуатации автомобиля и конкретных требований пользователя. При правильном подборе схемы и регулярном обслуживании аккумуляторов можно обеспечить надежную работу системы питания и продлить срок службы аккумуляторов.
Что выбрать для замены
Приобрести аккумуляторы для замены на автомобиле КАМАЗ не составит большого труда. Ассортимент грузовых АКБ довольно внушительный.
Рассмотрим несколько вариантов батарей от более дешёвых к более дорогим. Для наглядности предлагаем изучить основные характеристики и цены по таблице.
| Модель аккумулятора | Ёмкость, Ач | Пусковой ток, А | Стоимость, руб |
| Smart Element TT 6СТ-190N3 Росс | 190 | 1250 | 6600 |
| Uniforce Rush 190R+ Euro | 190 | 1100 | 7500 |
| Giver 190R+ Рос | 190 | 1250 | 8200 |
| SGT 12V 190Ah+R | 190 | 1150 | 9900 |
| Tumen Premium 6CT 200L+ | 200 | 1360 | 12100 |
| Cene Delkor 200.3 4D1100R Euro | 200 | 1100 | 16700 |
| Cene Delkor 200.3 4D1100L Рос | 200 | 1100 | 16700 |
Учитывайте также, что в большинстве случаев придётся приобретать одновременно 2 батареи для замены.

Бывает так, что пара батарей имеют разный уровень выработки ресурса. Вообще это не совсем нормально.
По этой же причине не рекомендуется ставить одну новую и одну старую АКБ. Ёмкость у них одинаковая только на этикетке. На самом же деле у подержанного устройства реальная ёмкость упала.
Шаг 6. Проверка работоспособности
Подключение мультиметра
Перед проверкой работоспособности аккумуляторов на Камазе, необходимо подключить мультиметр к автомобилю. Сначала проведите проверку напряжения на клеммах аккумуляторов: черный провод мультиметра подключите к отрицательной клемме, а красный – к положительной.
Если напряжение на вскрытой батарее было около 12 вольт, то на клеммах должно быть не менее 11 вольт, а если батарея была закрыта, то немного меньше, около 10 вольт.
Проверка зарядки
При заведенном двигателе проверьте напряжение на клеммах батареи. Напряжение должно быть в пределах 13 — 14 вольт. Если напряжение меньше, значит, АКБ не заряжается.
Если после запуска моторного отсека напряжение на клеммах батареи наоборот падает и продолжает с каждой минутой дальше падать, то, вероятно, генератор неисправен.
Проверка работы мотора
После запуска двигателя проверьте работу автомобиля. Если машина не работает или работает плохо, то достаточно часто причиной является именно неисправность АКБ.
Если у вас установлены несколько АКБ, то при прохождении этого этапа проверьте работоспособность каждой из батарей по очереди.
Основные проверки после подключения аккумуляторов на Камазе
После подключения аккумуляторов на Камазе необходимо выполнить ряд проверок, чтобы убедиться в правильности подключения и готовности автомобиля к работе. В этой статье мы рассмотрим основные проверки, которые следует провести:
1. Проверка напряжения аккумуляторов
Одной из первых проверок, которую следует выполнить, является проверка напряжения аккумуляторов. Для этого можно использовать вольтметр. Правильное напряжение должно быть в пределах нормы, указанной в технической документации для вашей модели автомобиля. Если напряжение ниже нормы, это может свидетельствовать о проблемах с аккумуляторами или их подключением.
2. Проверка контактов и соединений
Проверка контактов и соединений является также важным этапом. Убедитесь, что все контакты и клеммы аккумуляторов плотно прикреплены и не имеют признаков коррозии. При необходимости очистите контакты от окислов и подсоедините их снова. Помимо этого, проверьте состояние кабелей, убедитесь, что они не повреждены и не имеют обрывов.
3. Проверка работы электрооборудования

Чтобы убедиться, что аккумуляторы подключены правильно и готовы к работе, проверьте работу всех основных систем электрооборудования, таких как фары, сигналы поворота, стеклоочистители и другие. Если какая-либо из систем не работает должным образом, это может указывать на проблемы с аккумуляторами или их подключением.
Выполнение этих основных проверок после подключения аккумуляторов на Камазе поможет вам убедиться в правильности подключения и готовности автомобиля к работе. Если вы обнаружите какие-либо проблемы, рекомендуется обратиться к специалисту для дальнейшей диагностики и решения проблемы.
| Название проверки | Описание |
|---|---|
| Проверка напряжения аккумуляторов | Используйте вольтметр для измерения напряжения аккумуляторов и сравните результат с нормой. |
| Проверка контактов и соединений | Проверьте плотность прикрепления контактов и отсутствие коррозии. Очистите контакты от окислов, если необходимо. |
| Проверка работы электрооборудования | Проверьте работу фар, сигналов поворота, стеклоочистителей и других систем электрооборудования. |
Для чего стоит мощный резистор на регуляторе напряжения генератора Г273?
Первоначальное возбуждение, как для всех автомобильных генераторов, происходит от аккумулятора. При включении выключателя приборов и стартера (ВП и СТ), плюс 24В, приходит на точку В регулятора напряжения, регулятор открывается, и ток идет от плюса аккумулятора, на плюс генератора. Если на обмотку возбуждения 14 вольтового ротора попадет 24 Вольта, то обмотка почти сразу сгорит, поэтому далее, ток возбуждения идет через мощный резистор 75 Ом. Когда генератор заработал, ток возбуждения идет уже не от выхода генератора, где, действует 28 Вольт, а от средней точки обмотки, где как уже было сказано, напряжение пониженное (этот ток замыкается через диодный мост, поэтому выпрямляется).
То есть, резистор 75 Ом при первоначальном возбуждении ограничивает ток в обмотке ротора, рассчитанной на 12 В. Этот резистор, также, защищает обмотку возбуждения и регулятор напряжения от перегрева при включенном зажигании и неработающем двигателе.
Положительный опыт использования схемы генераторов с дополнительными диодами, определил выпуск следующего поколения генераторов для КАМАЗа. Регулятор напряжения Я120М1, позволяет разделить ток возбуждения и ток управления регулятором. В схеме с дополнительными диодами генератор возбуждается через лампочку маленьким начальным током, а потом, когда генератор заработал, ток возбуждения идет от обмотки генератора и выпрямляется дополнительными диодами. Так возникает короткий путь тока возбуждения. Схема не боится разрядки аккумулятора через обмотку возбуждения, когда включен ВП и СТ, а двигатель не работает.
Применение таких генераторов требует, применение лампочки для ограничения тока первоначального возбуждения. Лампочка стоит в панели приборов и позволяет контролировать работу генератора. В этой схеме появляется дополнительный провод от панели приборов к генератору.
Регуляторы напряжения КАМАЗовских генераторов
Я120 М1, аналоги 77.3702 , 443.3702 412.3702
Я120М1И2 аналог 77.3702-02
Я120М12 , аналог 77.3702-01
регулятор генератора Г273 с гасящим резистором 75Ом Внутри установлен регулятор Я120М1
Регулятор генератора с доп диодами 1312.3771. Внутри установлен регулятор Я120М1 или Я120 М12
Регулятор напряжения рекомендуется Я120М12, хотя работает и Я120М1
Нужно ставить на генератор только тот регулятор напряжения, который стоял, другой не подойдет. То есть, на Г273В1 не подойдет регулятор от генераторов 1312 (без резистора). На генераторы 1312.3771 и его его односхемные модели, нельзя ставить генератор с резистором, или надо его переделывать, проще купить такой какой нужно.
Генераторы С доп. диодами
3112.3771 аналог 6582.3701 Генераторы большого размера , но выполнены по такой же схеме с доп. диодами, и их, в крайнем случае, тоже можно заменить на Г 273В1
Есть еще «Ураловский» генератор 1702.3771
Теперь основной вопрос темы.
Можно. Провод лампочки остается лишним. Лампочка престает работать, но контролировать зарядку можно по амперметру.
Можно. Провода от лампочки нет, но первоначальное возбуждение генератора можно сделать прямо от аккумулятора, для этого надо подсоединить вход доп. диодов (куда должен подключаться провод лампочки) прямо к выходу генератора, к этой точке подключен и аккумулятор.
Аккумулятор при таком подключении не разрядится если выключен ВП и СТ, регулятор будет закрыт и ток через обмотку возбуждения протекать не будет.
Нужно ставить на генератор только тот регулятор напряжения, который стоял, другой не подойдет. То есть, на Г273В1 не подойдет регулятор от генераторов 1312 (без резистора). На генераторы 1312.3771 и его его односхемные модели, нельзя ставить регулятор с резистором, или надо его переделывать, проще купить такой, который нужно.
-
Замена передней опоры ваз 21099
-
Ремонт задней юбки нива
-
Ваз 2107 камуфляж своими руками
-
Как залить масло в раздатку в уаз
- Поставить 32 колеса на уаз
Руководство по подключению
Для успешного подключения генераторной установки необходима схема подключения.
Электрическая схема подключения
Кроме того, для правильной работы установки, нужно строго соблюдать ее подключение согласно схеме выводов:
- к выводу «+» подключается аккумулятор и нагрузка;
- к выводу «-» необходимо подключить массу автомобиля;
- вывод «В» или «Ш» предназначен, чтобы подключиться выключателю приборов и стартера.
- вывод «W» или «~» – это вывод фазы, которому подключаются тахометр и реле, блокирующее стартер;
- вывод «+D» или «Д» от дополнительных диодов для подсоединения контрольной лампочки.
Виды устройства
Техника марки КамАЗ использует для питания бортовой сети установки, генерирующие ток на три фазы, вырабатываемое направленное движение частиц переменного характера, возбуждение — электромагнитное или самовозбуждение. В работу изделие приводится за счёт коленчатого вала, вырабатываемый ток напряжением 27-30 В. За счёт того, что часть направленных частиц теряется при прохождении выпрямителя и регулятора, бортовая сеть получает 24 В. Схема генератора КамАЗ, конструкция, привод и др. у современных механизмов, генерирующих ток, различаются.
Конструктивно генерирующие устройства подразделяют: изделия, оснащенные блоком выпрямления, регулировка представлена в виде обособленного узла; изделия, имеющие встроенный блок выпрямления и регулировку напряжения. Современные машины укомплектованы установками, простые генераторы используются на ранних модификациях КамАЗ. Иногда классические устройства устанавливают и на новую технику, поскольку изделия дешевле по себестоимости и легко обслуживаются.
Выводы генератора КамАЗ:

По приводу generator делят: введение в действие за счет клинового ремня, действие за счёт много клиновых ремней. Классический привод установлен на первых автомобилях, а так же на машинах с силовой установкой КамАЗ-740. Ремни с несколькими клиньями применяют на грузовиках с силовой установкой Cummins, а так же на двигателях с классом Евро-2 и выше.
Сегодня рынок насыщен моделями генераторов, отличающихся конструктивно. Однако, базовыми изделиями для установки на КамАЗ считаются: Г-288, Г-273-А, Г-288Е, Г-273-В1. Первые две модели устанавливаются на грузовики с момента выпуска (1970 года). Г-288Е применяется с 1985 года, в 90-х и 2000-х машина КамАЗ использует изделие Г-273-В1. Часто встречается импортная продукция, такая как Bosch.























