Отсутствие массы
Это весьма частая проблема. Дело в том, что минус у Волги, как и большинства других машин, идет по корпусу (некоторые машины до 1960 г.в. имеют на кузове плюс), соответственно, к фарам минус приходит по крыльям, а они на Волгах не приварные, а съемные, и крепятся на болтах. С годами коррозия нарушает контакт между кузовом и крылом, и в цепи фар возникают потери. Именно поэтому у некоторых Волг фары не горят, а тлеют. Кстати, иногда после серьезного кузовного ремонта, свет может и вовсе пропасть. Мастер из лучших побуждений добротно обработал крылья, снятые с машины, отгрунтовал их, покрасил и даже покрыл с обратной стороны мастикой. Разумеется, контакт пропал.
Лучше всего, конечно, не заниматься процарапыванием грунта под болтами до чистого металла. Просто проложите к фарам отдельные минусовые провода, взяв массу или с кузова, или с двигателя. Кабель используйте сечением 1,5 мм. Этого более чем достаточно, нагрузка всего 120-140 Вт.
Кстати, эта же причина, скорее всего, создает вам проблемы с корректностью работы указателей поворотов. Проложите минус и к поворотникам.
Проверка уровня охлаждающей жидкости
Уровень охлаждающей жидкости в системе охлаждения двигателя Газ 31105 требуется проверять регулярно, чтобы избежать перегрева и поломки двигателя. Для этого необходимо выполнить следующие шаги:
Шаг 1: Подготовка автомобиля
Перед проверкой уровня охлаждающей жидкости убедитесь, что двигатель полностью остыл. При работающем двигателе проверка будет не точной и опасной.
Шаг 2: Нахождение расширительного бачка
Расширительный бачок охлаждения обычно находится возле радиатора двигателя. Его можно найти, следуя открытому концу прозрачной трубки, прикрепленной к радиатору.
Шаг 3: Проверка уровня жидкости
Откройте крышку расширительного бачка, когда двигатель остыл. Вам необходимо проверить уровень охлаждающей жидкости, который должен быть выше минимальной отметки и ниже максимальной отметки на мерной шкале.
Если уровень охлаждающей жидкости находится ниже минимальной отметки, долейте охлаждающую жидкость до необходимого уровня. При этом используйте только специальную охлаждающую жидкость, рекомендованную производителем.
Если уровень охлаждающей жидкости выше максимальной отметки, сливите часть жидкости, чтобы уровень стал правильным.
Важно проверять уровень охлаждающей жидкости регулярно и при необходимости доливать или сливать жидкость, чтобы обеспечить нормальное функционирование системы охлаждения и предотвратить перегрев двигателя. Кроме того, постоянно отслеживайте утечки или другие проблемы в системе охлаждения и немедленно обращайтесь к автомеханику для их устранения
Исправление регулировки фар
Если вы заметили, что фары на вашем Газ 31105 необходимо перестроить, вот пошаговая инструкция, которая поможет вам выполнить эту задачу:
- Подготовка: Проверьте, что автомобиль находится на ровной и горизонтальной поверхности. Убедитесь, что передние резиновые заглушки регулировки фар находятся в правильном положении.
- Инструменты: Получите необходимые инструменты для регулировки фар, включая отвертку с плоским и крестовым шлицем, а также шуруповерт (если необходимо).
- Приступайте: Находясь перед автомобилем, найдите отверстия в металлическом кожухе фары. Эти отверстия ведут к регулирующим болтам.
- Вертикальное регулирование: При помощи отвертки с плоским шлицем вы можете подстроить вертикальную ориентацию фар. Для этого вращайте регулирующие болты по часовой стрелке, чтобы повысить свет, и против часовой стрелки, чтобы опустить его.
- Горизонтальное регулирование: Для горизонтальной регулировки используйте отвертку с крестовым шлицем. Вращайте регулирующий болт по часовой стрелке, чтобы переместить фару вправо, и против часовой стрелки, чтобы переместить ее влево.
- Проверка: После каждого изменения проверьте свет фары на ровной поверхности. Убедитесь, что лучи света находятся на желаемом уровне, чтобы предотвратить засветку других водителей.
- Закрепление: Когда окончательная настройка произведена, закрепите регулирующие болты, чтобы предотвратить откручивание в процессе движения.
- Проверьте снова: Повторите проверку фар после регулировки, чтобы убедиться, что они настроены и функционируют правильно.
Следуя этому руководству, вы сможете исправить регулировку фар на вашем Газ 31105 и гарантировать безопасное и эффективное освещение на дороге.
Порядок настройки фар на ГАЗ 31105
Для эксплуатации автомобиля ГАЗ 31105 в темное время суток необходимо правильно настроить фары, чтобы обеспечить оптимальное освещение и обеспечить безопасную езду. В этом разделе приведены правила и порядок настройки фар на ГАЗ 31105.
1. Подготовка к настройке фар
Перед началом настройки фар рекомендуется:
- Очистить стекла фар от грязи, пыли и налета, чтобы избежать искажения светового луча;
- Убедиться в исправности и правильной установке ламп фар;
- Проверить и, при необходимости, отрегулировать давление в шинах автомобиля, так как это также может влиять на положение фар.
2. Настройка вертикального и горизонтального угла фар
Настройка вертикального и горизонтального угла фар производится с использованием рукоятки регулировки фар, которая располагается на панели приборов автомобиля.
Для настройки вертикального угла фар необходимо подъехать к горизонтальной прямой поверхности, расстояние от которой до фар составляет около 5 метров. При этом автомобиль должен быть нагружен до нормативного уровня, а фары должны быть включены на дальний свет.
Вращая рукоятку регулировки фар в одну или другую сторону, достигните такого положения фар, чтобы освещение на дороге было равномерным, с явно выраженной границей между светлым и темным участками.
Для настройки горизонтального угла фар обратите внимание на положение луча света на горизонте. Он должен быть направлен чуть ниже горизонта и немного влево от него
Это позволит избежать ослепления встречных водителей.
Важно: При настройке фар необходимо установить рукоятку регулировки фар в том положении, в котором она находится после настройки до выключения автомобиля. Благодаря этому фары сохранят настроенное положение при повторном включении
3. Проверка качества освещения и регулярная проверка настройки фар
После настройки фар рекомендуется провести контрольное испытание на дороге для проверки качества освещения. При необходимости можно отрегулировать фары повторно.
Кроме того, регулярно следует проверять настройку фар на предмет смещения или сдвига. Это особенно актуально после прохождения ударных или вибрационных нагрузок, например, после проезда через яму или неровность дороги.
Важно: Правильная настройка фар ГАЗ 31105 является неотъемлемой частью безопасной эксплуатации автомобиля. Ненадлежащее освещение может привести к созданию аварийной ситуации на дороге или ослеплению водителя другими участниками движения
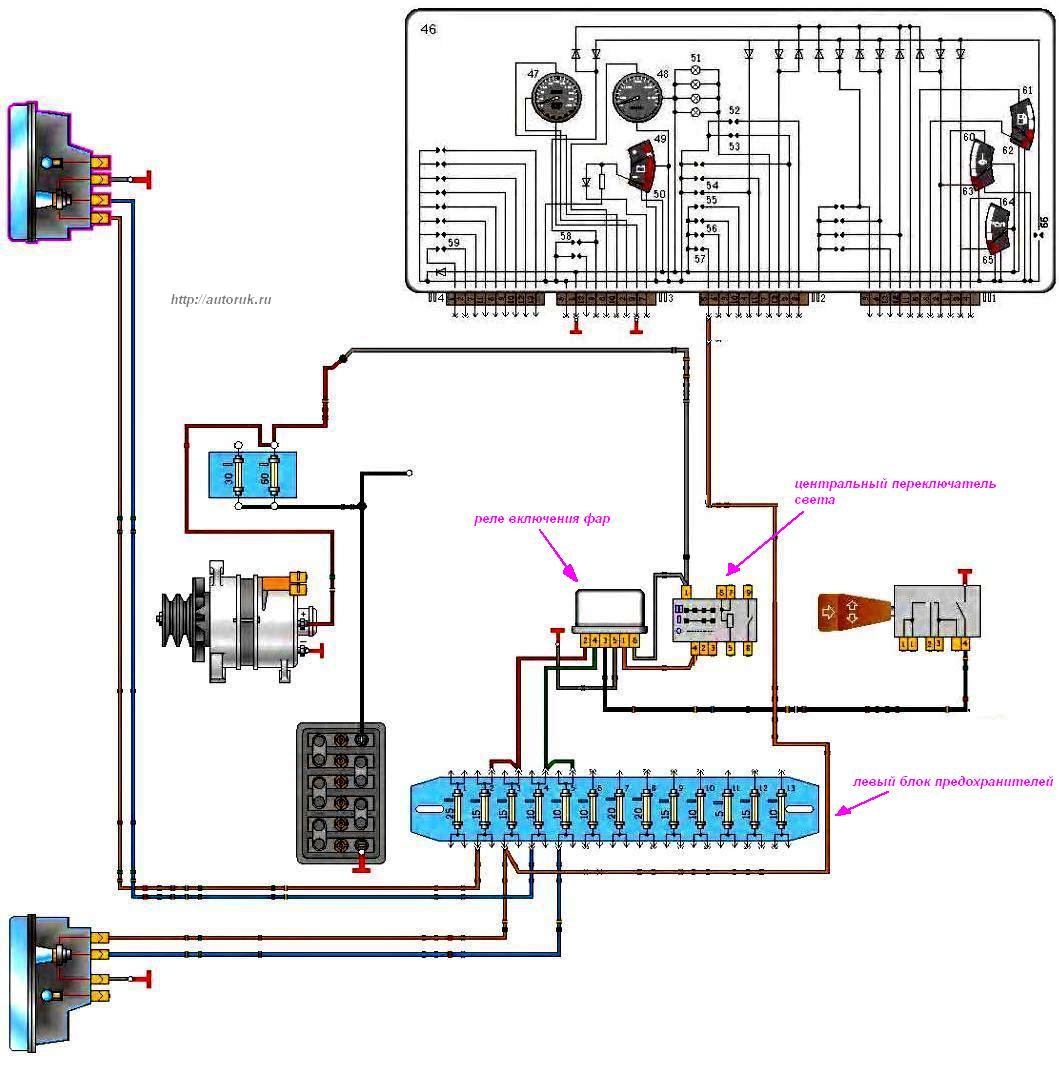
Проблемы с ЦПС
К сожалению, это у Волги и Победы — очень больное место. Переключатель коммутирует нагрузку напрямую, и так как она не такая уж и маленькая, он закономерно подгорает.
К слову, аналогичная проблема есть и у подавляющего большинства американских автомобилей выпуска вплоть до 2000 года, так что не нужно думать, что наши инженеры дураки, просто так строились все машины того времени.
К счастью, доступ к ЦПС вполне удобен, и обслуживать его не сложно.
- Найдите фиксирующий винтик на ручке переключателя, ослабьте его и снимите саму ручку.
- Скрутите декоративную гайку и извлеките ЦПС из-под торпеды. Провода не особенно длинные, и работать с ним будет удобнее, если вы совсем снимите его с машины. Обязательно промаркируйте все провода, а еще лучше дополнительно сфотографируйте все до разборки.
- Теперь можно спокойно разобрать переключатель, зачистить его контакты, придав им совершенно плоскую форму. Смажьте контакты токопроводящей смазкой или просто литолом и соберите все в обратном порядке.
- Дополнительно проверьте состояние ножного или подрулевого (в зависимости от модели) переключателя ближний/дальний.
Фара ГАЗ-3110
На автомобиль устанавливаются две прямоугольные фары с галогенной двухнитевой лампой АКГ12-60+55-1, мощностью 55/60 Вт (ближний/дальний свет) и лампой габаритного света А12 мощностью 4 Вт
На части автомобилей устанавливается электрокорректор фар, позволяющий регулировать направление лучей в зависимости от загрузки автомобиля.
Ручка управления электрокорректором расположена на панели приборов с левой стороны.
Габаритное освещение, освещение приборов и свет фар включаются центральным переключателем света, в котором имеется резистор для регулировки яркости света ламп освещения приборов.
Свет фар с ближнего на дальний переключается левым подрулевым переключателем через реле РС711, которое установлено в блоке реле.
Замена лампы фары
1. Отсоединить провод от «минусовой» клеммы аккумуляторной батареи.
2. Повернуть в любую сторону и снять крышку 1 корпуса фары.


3. Отсоединить колодку с проводами от патрона лампы.
4. Отжать пружинную скобу

2. Вынуть патрон 1 с лампой.
5. Заменить лампу, вставить патрон на место и зафиксировать его пружинной скобой.
При установке галогеновой лампы, чтобы продлить ее срок службы, нельзя касаться пальцами колбы, брать лампу за колбу необходимо только в чистых перчатках или с помощью чистой тряпки.
6. Подсоединить к патрону колодку с проводами и установить крышку корпуса фары.
Замена лампы габарита
1. Отсоединить провод от «минусовой» клеммы аккумуляторной батареи.
2. Повернуть в любую сторону и снять крышку корпуса фары.

3. Вынуть патрон, повернув его на 90°. Заменить лампу, вставить патрон на место и повернуть на 90°. Установить крышку корпуса фары.
Снятие фары
1. Отсоединить провод от «минусовой» клеммы аккумуляторной батареи.

2. Отсоединить колодки с проводами от разъема 1 на корпусе фары и от корректора 2.

3. Отвернуть болт 1 крепления кронштейна фары к кузову, отвернуть два болта 2 верхнего крепления фары и снять фару
Установка
Устанавливают переднюю фару в порядке, обратном снятию. После установки необходимо отрегулировать свет фар
Регулировка света
Разметка экрана для регулировки фар.
1. Разметить экран, как показано на рисунке. При этом линию центров фар M наносить на экране на расстоянии h, равном высоте расположения центров фар над уровнем пола.
Расстояние h необходимо измерять на снаряженном автомобиле с дополнительной массой, равной 75 кг на месте водителя.

2. Проверить и при необходимости довести до нормы давление в шинах.
3. Установить автомобиль на горизонтальную площадку перпендикулярно экрану на расстоянии 5 м. При этом продольная плоскость симметрии автомобиля должна проходить по линии 0 на экране.
4. Установить ручку корректора фар, расположенную в комбинации приборов, в положении «0».
5. Включить ближний свет.
6. Направление светового пятна рекомендуется регулировать для каждой фары отдельно. Вторую фару во время регулировки закрыть непрозрачным материалом.

7. Отрегулировать винтами 1 (в горизонтальной плоскости) и 2 ( в вертикальной плоскости) ручной регулировки пучка света положение светового пятна для каждой фары на экране, если расположение световых пятен на экране не соответствует рисунку.
8. Фары считаются отрегулированными тогда, когда верхние границы левых частей световых пятен совпадают с линией N, а вертикальные линии А и В проходят через точки С1 и С2 пересечения горизонтальных и наклонных участков световых пятен.

Электрическая схема ближнего и дальнего света
Источник
Инструкция по регулировке фар на ГАЗ 31105
1. Подготовка к регулировке
Перед началом работы необходимо убедиться, что автомобиль ГАЗ 31105 находится на ровной горизонтальной площадке, а также что перед вами находится мерный экран, расположенный на расстоянии 7.5 метров от автомобиля.
2. Регулировка фар
Начните с закрытия правых фар противотуманных фар. Затем, при помощи отвертки, найдите регулировочные винты на каждой фаре и выполните следующие действия:
- Винт вертикальной регулировки фары позволяет изменять наклон луча света. Поворачивая винт по часовой стрелке, луч будет опускаться, а против часовой стрелки — подниматься.
- Винт горизонтальной регулировки фары позволяет изменить направление луча света в горизонтальной плоскости. Поворачивая винт по часовой стрелке, луч будет перемещаться влево, а против часовой стрелки — вправо.
Подгоните лучи света таким образом, чтобы они были параллельны поверхности мерного экрана и разделены вертикальной чертой на половину расстояния между верхним и нижним краями экрана.
После проведения регулировки установите крышку фары и проверьте, что регулировка была выполнена правильно, освещая мерный экран. Лучи света должны быть равномерно распределены по всей поверхности экрана и не должны ослеплять водителей других автомобилей.
Подобная процедура регулировки следует проводить регулярно или после замены фар или нарушения правил дорожного движения.
Нарушена проводка
К сожалению, стареет все, а особенно быстро это происходит с теми вещами, которые подвергаются воздействию агрессивных факторов.
Проводка автомобилей ГАЗ выполнена предельно просто, и разобраться в ней труда не составит. Смонтирована она на виду, гофрами не закрыта, и наша задача сводится к отслеживанию проводов нужного цвета и их прозвонке на предмет слишком высокого сопротивления.
- Открываем капот и находим на переднем брызговике (телевизоре) распределительные колодки.
- Ставим мультиметр в режим измерения сопротивления и начинаем прозванивать провода (для определения нужных, удобно воспользоваться цветными схемами электрооборудования). Сопротивление во всех случаях должно быть близким к нулю. Если на каком-то из проводов оно сколь-нибудь значительное, значит, провод или имеет разрыв, или за годы эксплуатации его съели окислы.
Далее поочередно отпустим винты на распределительных колодках и очень хорошо зачистим зажимаемые ими клеммы. Смажем их литолом и аккуратно все соберем обратно.
Также имеет смысл провести ревизию разъемов ламп. Бывает, что подгорают и они.
Для ГАЗ 31105, характерная проблема — подгорание патрона лампы габарита. От температуры патрон разрушается и не держит лампу. Как вариант решения проблемы — замена лампы габарита на светодиодную.
Руководства на все автомобили
1. Общие сведения об автомобиле
2. Рекомендации по эксплуатации и техническому обслуживанию
3. Неисправности в пути
4. Двигатель
5. Трансмиссия
6. Ходовая часть
7. Рулевое управление
8. Тормозная система
9. Электро-оборудование
9.0 Электро-оборудование
9.1. Аккумуляторная батарея
9.2. Предохранители и реле
9.3. Генератор
9.4. Стартер
9.5. Система управления двигателем
9.6. Освещение и световая сигнализация
9.6.1 Освещение и световая сигнализация
9.6.2 Регулировка света фар
9.6.3 Замена ламп
9.6.4 Замена фары
9.6.5 Замена заднего фонаря на крышке багажника
9.6.6 Замена заднего фонаря на крыле
9.6.7 Замена дополнительного сигнала торможения
9.6.8 Замена плафона освещения салона
9.7. Замена выключателей
9.8. Звуковой сигнал
9.9. Стеклоочиститель
9.10. Омыватель ветрового окна
10. Кузов
11. Уход за автомобилем
12. Покупка запасных частей
13. Поездка на СТО
14. Зимняя эксплуатация автомобиля
15. Приложения
16. Схемы электрооборудования
17. Табличные данные Ссылки на другие сайты
Проблема в самих фарах
Сам рассеивающий элемент или стекло фары автомобилей Волга выполнен весьма добротно и из хорошего стекла. В отличии от пластиковой оптики современных машин, оно не подвержено матированию и свойств своих с годами не меняет. А вот отражатель на уже немолодых машинах, фары которых не обслуживались с момента их установки на заводе, со временем приходит в негодность. Бывает, что он мутнеет и уже не отражает свет лампы так, как должен, а иногда зеркальный слой просто отслаивается. Метод лечения только один — замена. Стоят они не дорого, а сама операция займет не более 10 минут.
Процедура аналогична для всех моделей ГАЗ с круглыми фарами.
Снизу на декоративном ободке вывинчиваем винт под шлицевую отвертку (на ГАЗ 24 и 2410, придется снять решетку).
Снимаем ободок.
Вывинчиваем три винта, крепящие рамку фары
Внимание! Не перепутайте крепежные винты с регулировочными (на регулировочные надеты пружины).
Выньте фару из «глазницы» и отсоедините от нее разъем.
Установите новый элемент в обратном порядке.. Когда вы пойдете в магазин приобретать новую оптику, вполне вероятна встреча с некомпетентностью продавца
То есть, вам просто скажут, что фары для Волги или, тем более Победы, у них в продаже отсутствуют. В этой ситуации, вам необходимо изобразить на лице снисходительное терпение и объяснить, что вас интересуют фары от любой машины Советского или российского производства с круглой оптикой, кроме ВАЗ 2103 и ВАЗ 2106. Все они по посадочным размерам и крепежу идентичны
Когда вы пойдете в магазин приобретать новую оптику, вполне вероятна встреча с некомпетентностью продавца. То есть, вам просто скажут, что фары для Волги или, тем более Победы, у них в продаже отсутствуют. В этой ситуации, вам необходимо изобразить на лице снисходительное терпение и объяснить, что вас интересуют фары от любой машины Советского или российского производства с круглой оптикой, кроме ВАЗ 2103 и ВАЗ 2106. Все они по посадочным размерам и крепежу идентичны.
Но, есть и некоторые различия.
Есть оптика под вакуумные лампы (она маркируется Е2) и под галогенные лампы (маркировка Н4). Разница — в теплостойкости отражателя и расположении точки фокуса. У Н4 температурный режим выше. Учитывайте это.
Для некоторых машин головная оптика идет с дополнительным гнездом под установку лампы габарита (ВАЗ 21011, ГАЗ 2410).
Есть исполнение фар с экраном перед лампой и без него
Обратите на это внимание, если меняете только одну фару.
Как настроить фары на ГАЗ 31105 своими руками

- Подготовьте автомобиль: установите машину на ровную поверхность и аккуратно закройте капот.
- Включите фары вашего автомобиля и установите их на режим ближнего света.
- С помощью отвертки найдите винт регулировки высоты луча света, находящийся сзади фары. Поворачивая винт вправо или влево, вы сможете изменить направление светового пучка.
- Следите за показаниями фар на стене или специальной метке, которую необходимо поместить на стену.
- Последовательно отражайте световой пучок на характерные точки метки: центр, левый и правый край.
- Регулируйте световой пучок с помощью винта, чтобы он находился в пределах допустимой зоны.
- Повторите процедуру для другой фары.
Важно помнить, что правильная настройка фар ГАЗ 31105 позволит не только обеспечить безопасность на дороге, но и предотвратить возможные штрафы за неправильную настройку. Используя представленные в таблице значения, вы сможете определить, насколько корректно настроены фары вашего автомобиля
Таблица допустимой зоны настройки фар ГАЗ 31105
Расстояние до стены, м
Высота пятна света, мм
2.5
1100
5
2000
10
2900
Используя представленные в таблице значения, вы сможете определить, насколько корректно настроены фары вашего автомобиля.
Следуя приведенным инструкциям, вы сможете произвести настройку светового пучка фар вашего ГАЗ 31105 своими руками, что значительно улучшит качество освещения дороги и повысит безопасность во время ночной поездки.
Выкуп битых авто в любом состоянии
1. Разметьте экран, как показано на рис. 9.10 . При этом линию центров фар M наносите на экране на расстоянии h, равном высоте расположения центров фар над уровнем пола. Расстояние h необходимо измерять на снаряженном, но ненагруженном автомобиле.
3. Установите автомобиль на горизонтальную площадку перпендикулярно экрану на расстоянии 5 м. При этом продольная плоскость симметрии автомобиля должна проходить по линии 0 на экране.
6. Направление светового пятна рекомендуется регулировать для каждой фары отдельно. Вторую фару во время регулировки закройте непрозрачным материалом.
7. Отрегулируйте винтами 1 (в вертикальной плоскости) и 2 ( в горизонтальной плоскости) ручной регулировки пучка света положение светового пятна для каждой фары на экране, если расположение световых пятен на экране не соответствует рис. 9.10 .
8. Фары считаются отрегулированными тогда, когда верхние границы левых частей световых пятен совпадают с линией N, а вертикальные линии А и В проходят через точки С1 и С2 пересечения горизонтальных и наклонных участков световых пятен.
Copyright 2007-2022 Все права защищены. Все торговые марки являются собственностью их владельцев.
1. Разметьте экран, как показано на рис. 1. При этом линию центров фар M наносите на экране на расстоянии h, равном высоте расположения центров фар над уровнем пола. Расстояние h необходимо измерять на снаряженном, но ненагруженном автомобиле.
2. Проверьте и при необходимости доведите до нормы давление в шинах.
3. Установите автомобиль на горизонтальную площадку перпендикулярно экрану на расстоянии 5 м. При этом продольная плоскость симметрии автомобиля должна проходить по линии 0 на экране. Для точной регулировки света фар на автомобиле ГАЗ 31105 можно посадить помощника на место водителя и несколько раз качнуть автомобиль для самоустановки подвесок.
5. Направление светового пятна рекомендуется регулировать для каждой фары отдельно. Вторую фару во время регулировки закройте непрозрачным материалом.
6. Отрегулируйте винтами 1 (в вертикальной плоскости) и 2 ( в горизонтальной плоскости) ручной регулировки пучка света положение светового пятна для каждой фары на экране, если расположение световых пятен на экране не соответствует рис. 1.
Винт 1 приводится во вращение угловой шестеренчатой передачей.
Ведущую шестерню передачи вращайте отверткой.
Показана левая фара, регулировочные винты правой фары расположены симметрично.
7. Фары считаются отрегулированными тогда, когда верхние границы левых частей световых пятен совпадают с линией N, а вертикальные линии А и В проходят через точки С1 и С2 пересечения горизонтальных и наклонных участков световых пятен.
В статье не хватает:
- Фото инструмента
- Качественных фото ремонта
Как улучшить свет на Волге
Если все описанные мероприятия мы провели, и свет все равно нас не удовлетворяет, можно дополнительно произвести следующие действия.
Замена Оптики на фары под галогеновые лампы
Как уже говорилось выше, простая установка галогенок в старую оптику — шаг бесполезный. Во-первых, отражатель очень быстро выйдет из строя, а во-вторых, лампы типа Е2 и Н4 имеют разную форму, и нить накала находится в разной точке. Соответственно, рисунок рассеивателя фары тоже отличается. То есть, старая фара с галогеновой лампой будет просто светить в неизвестном направлении. Обязательно нужно ставить оптические элементы с маркировкой Н4.
Более никаких действий производить не требуется. Многие на форумах пишут об обязательной замене проводов на более толстые, так как лампы мощнее… Это заблуждение. Стандартные галогеновые лампы имеют точно те же самые 55/60 Вт мощности, то есть, суммарная мощность ламп на дальнем свете не превышает 120 Вт.
Разгрузка центрального переключателя света
Это, действительно, очень полезное усовершенствование. А в случае с машинами типа ГАЗ 20 и ГАЗ 21 это не только полезно, но и необходимо, так как в случае выхода ЦПС из строя, новый оригинальный вы будете искать долго и найдете не за дешево.
Переделка эта не сложная, больших вложений не требует и специальных навыков не предполагает.
Нам нужно:
- реле нормальноразомкнутое 4х-контактное на 30А — 2 шт;
- провод сечением 1,5 мм — около двух метров;
- колодка клеммная (без хвостиков) под реле; лучше взять именно голые колодки без проводов, обжать клеммы самостоятельно и вставить в колодки, так вы избавитесь от лишних скруток — 2 шт;
- клеммы типа «папа» — горсть;
- клеммы под винт «колечки» — горсть поменьше;
- кусачки;
- пассатижи;
- отвертка шлицевая;
- инструмент для обжимки клемм, если имеется; если такого нет, обойдетесь и пассатижами, просто не так удобно.
В сети есть несколько схем того, как можно врезать в цепи головного света реле, мы же пойдем по пути максимально рациональному и не требующему вмешательства в основные жгуты. Кроме того, мы сохраним в работе штатный тепловой предохранитель цепи фар, расположенный под торпедой, и избавимся от необходимости городить висячие дополнительные предохранители.

- Как и при всех прочих работах с электрикой, отключаем аккумулятор.
- Далее смотрим на левую коммутационную колодку фар на переднем брызговике. Определяем на ней подводящие провода, идущие от ЦПС. Их четко видно, они уходят не в крылья к фарам, а в общий жгут. Провода имеют разный цвет, сверяемся со схемой и определяем, какой из них идет на ближний, какой на дальний, а какой на габариты. Возможно, провода будут иметь цвет, отличный от указанного (последствия ремонта или просто злая ирония завода изготовителя), тогда определяем нужный провод экспериментально (отсоединяем один, изолируем, подключаем питание и проверяем, какой свет пропал: габариты, дальний или ближний).
- Маркируем подводящие провода и соединенные с ними хвосты от фар.
- Крепим реле к переднему брызговику так, чтобы подводящие провода до них доставали. Место это хорошее, влага сюда не попадает и доступ удобный.
- Контакт 85 соединяем с подводящим проводом дальнего света.
- Совершаем аналогичные действия для реле, которое будет управлять ближним.
- Контакт 87 реле дальнего света соединяем с 87 контактом реле ближнего света и тянем провод под торпеду в салон. Соединяем его с отводящим контактом теплового предохранителя или прикручиваем к вводному контакту ЦПС.
- Контакты 86 обоих реле соединяем с корпусом.
- Контакт 30 реле ближнего света соединяем с контактом распределительной колодки, на который ранее приходил подающий провод ближнего от ЦПС.
- Повторяем процедуру для реле дальнего света.
- Проверяем надежность всех соединений, сверяемся с нанесенной нами маркировкой, подключаем аккумулятор и испытываем нашу доработку.
Вот и все действия. По большому счету, вам даже и не понадобится схема.
Некоторые рекомендуют использовать 4 реле, то есть, по одному на каждую нить ламп. В этом есть определенная логика, так в случае внезапного отказа реле во время движения, вы не останетесь в полной тьме, так как хотя бы одна фара продолжит освещать ваш путь. Но на практике такая ситуация маловероятна.
Есть и еще одна проблема, влияющая на свет, характерная для ГАЗ 20 и ГАЗ 21. Это слабый штатный генератор этих машин, который не вытягивает одновременно включенные: печку, фары, дворники и приемник. Но установка современного генератора переменного тока — тема отдельного материала.Следите за своими машинами, вовремя обслуживайте их и ездите с удовольствием.
ГАЗ-3110
Ещё до начала выпуска машины за весь 1996 год была проведена модернизация производства, которая включала более семи тысяч единиц инструментальной оснастки, в том числе 190 — из одной пластмассы. Силами собственного станкостроения создана новая линия сборки и сварки кузова, в которой участвовало 38 роботов KUKA
Для удобства рычаг ручного тормоза был перемещён ближе к водителю, а на консоли появилось место с контейнером на шесть аудиокассет. Также появилась вторая пепельница для задних пассажиров на задней части консоли.
Новые передние сидения с высокими спинками стали значительно удобнее, а на заднем ряде сидений впервые были установлены подголовники. Новая обшивка дверей имела поручень, композиционно продолжавший подлокотник, сформированный в средней части обшивки.
Автомобиль Ручка Переключателя Регулировки Фары Крышка Отделки Противотуманные Фары Регулировка Ручки Крышки Наклейка для Volkswagen Vw Golf 7 Mk7 2012 2019 | |
~~~~~~~~~~~~~~~~~~~ ОПИСАНИЕ ~~~~~~~~~~~~~~~~ Особенности —Применение: —Состояние : 100% новый продукт — Материал: хром / алюминиевый сплав — Изготовлен на предприятии ISO 9001 для обеспечения хорошего качества. — Легко устанавливается и не требует модификации, двойная клейкая лента сзади. Установка 1, Пожалуйста, очистите место и удалите вещество перед установкой этого продукта. 2, Чтобы сначала проверить место установки в соответствии с автомобилем с этим продуктом, а затем освободить заднюю часть двусторонней ленты, удалите 3, Продукты оснащены на транспортном средстве точно, и используйте чистую ткань для равномерного нажатия. 4, Продукты в течение 24 часов после установки, пожалуйста, не мойте машину и не прикасайтесь к воде. Уведомление 1.Пожалуйста, используйте тепловой пистолет, чтобы нагреть клейкую ленту перед установкой, чтобы предмет плотно приклеился. 2. Не мойте автомобили в течение 48 часов после установки с этим продуктом, чтобы обеспечить лучший эффект установки.
В комплект входит: 1 штука
* 1 цвет на ваш выбор (серебристый), чтобы удовлетворить ваши различные требования, гладкая поверхность, оригинальная автомобильная форма, он прекрасно подойдет для вашего автомобиля. * С обратной стороны изделия имеется двойная клейкая лента, которую можно установить самостоятельно за несколько минут. * Очень привлекательный продукт, который может улучшить внутреннее убранство вашего автомобиля, а также защитить его от царапин. * Перед установкой нагрейте двойную липкую ленту на задней стороне изделия, она будет хорошо прикреплена. * Напоминание, пожалуйста, не мойте машину в течение 48 часов после установки.
HELP — регулировка фар 3110
Добрый день! Столкнулся с проблемой регулировки фар после замены ламп. По вертикали луч регулируется легко, а по горизонтали — ни в какую! На обоих фарах кручу ручки горизонтальной регулировки луча, но ничего не меняется. Лучи от фар сходятся в одну точку примерно метрах в 20 перед машиной (ближний свет). Лампочки — немецкие OSRAM.
Похоже неправильно меришь Не надо читать книжек. Особенно умных.
Фары регулируются не просто, а очень просто.
Темной ночью, подальше от фонарей ставишь авто на ровной площадке. В метрах 20-25 от авто кладешь кирпич. Включаешь ближний свет. Фанеркой закрываешь одну фару и выставляешь световое пятно по дальности на этот кирпич. То есть до кирпича светло должно быть, после — темно. Потом повторяешь эту же операцию с другой фарой (ближний свет только!). Потом убираешь фанерку, включаешь дальний свет и регулируешь параллельность и направление вперед пучков света. Все. После этого твои фары настроены. То есть в вертикальной плоскости ты регулируешь ближний свет, а в горизонтальной — дальний.
Спасибо за помощь, есть вопросы Предложенный метод заценил. И с радостью применил-бы. Да вот только горизонтальная регулировка обоих бошевсих фар не работает вообще.
То есть не работает горизонтальная регулировка пучка дальнего света на обоих фарах?
Либо не правильно выполняется замер при регулировке, либо сломался фиксатор в фаре. Правила замера есть в мануале.
Замер выполнялся по размеченной стене как в мануале и написано. Но вместо перемещения луча заметны только подергивания от шевеления ручки. А что, фиксаторы в обоих фарах могли сломаться? Может есть некая хитрость, типа горизонтальное перемещение надо делать при определенном положении ручек вертикальной коррекции?
хитростей нет, корпус фары пластиковый и возможно заржавела и потом провернулась гайка винта горизонтальной регулировки, лечится заменой фары…
А какие фары лучше брать Машинка 2002 года. У меня стоит рязанский БОШ. ОСВАРовские не лучше?
мне БОШевские стёкла больше нравятся
По-моему, счтекло на БОШе лучше будет
А по-подробнее Лучше чем? У тестя тоже 3110 2002 года с ОСВАРом — рисунок стекла другой и внутри фары стоит экран перед лампой — чтобы не слепила встречных. Хотя на нормальных лампах и так колба имеет зеркальнное напыление спереди. Но сравнить свет напрямую я не могу — у него стоят еще заводские лампы (отечественное потемневшее гуано).
БОШевские стёкла — менее мутные, что ли





















