На вкус и цвет — товарищей нет
Кто хочет более быструю, драйвовую и динамичную езду, выберет механическую коробку переключения передач, чтобы всегда вовремя и по своей воле переключать ступени. Тем самым, динамика во время езды и разгона до 100 километров в час будет очень хорошей.
Кто хочет более комфортную, спокойную езду без неудобств, выберет автоматическую или роботизированную коробку переключения передач. Однако на такой трансмиссии расход топлива будет достаточно высоким, и поездки будут обходиться дорого.
Поэтому для тех людей, для кого бензин — это непосильные затраты, предложена механическая коробка переключения передач, так как именно на ней расход топлива будет самым наименьшим. Дорожный просвет (клиренс) «Лада-Гранта» составляет около 190 миллиметров и позволит без труда преодолевать солидные неровности.

Однако такого комфорта и удобства при вождении не будет. Все таки придется шевелить руками и делать это постоянно.
Стоит отметить, что роботизированная коробка переключения передач также не очень много «поедает» лишнего топлива, так как на ней установлена новая прошивка, позволяющая немного экономить. За дополнительную плату вы сможете перепрограммировать коробку передач и мотор, чтобы уменьшить расход бензина. Однако в этом случае вы теряете гарантию на машину. И совершить эту процедуру можно будет лишь в неспециализированных центрах тюнинга автомобилей.
Результат стоит того, говорят отзывы владельцев «Лады-Гранты». Клиренс лифтбека составляет 190 миллиметров и позволяет проходить неровности, не тратя много топлива на их преодоление.

Технические характеристики Lada Granta hatchback
Новый кузов Лада Гранта хэтчбек по габаритам практически не изменился. Можно отметить только увеличение общей длины на 33 мм за счет других бамперов. Новый бампер спереди стал выпирать чуть больше прежнего. По ширине, высоте, те же самые показатели. Никаких изменений и в величине колесной базы.
Что касается механической коробки передач, то производитель объявил об оптимизации конструкции МКПП, увеличению передаточного числа главной пары с 3.7 до 3.9, плюс коробка станет меньше шуметь и пропадут излишние вибрации. Кроме механики будут доступны 4-диапазонный автомат и роботизированная АМТ. В этом плане полная унификация с Грантой. Видимо по подвеске и ходовой части теперь всё семейство будет пользоваться общим набором запасных частей.
Двигатели бюджетного хэтчбека сохранили свой объем в 1.6 литра и прежнюю мощность. 8-клапанный агрегат ВАЗ-11186 выдает 87 л.с. 16-клапанный ВАЗ-21127 развивает 106 лошадиных сил. Еще один 16-клапанник, который работает в паре с 4-диапазонным автоматом порадует 98 л.с. Казалось бы, моторы прежние – 4 цилиндровые с распределенным впрыском, чугунным блоком и ремнем в приводе ГРМ. Но и здесь производитель подготовил сюрприз. На смену старым поршням с плоскими днищами в движки будут устанавливать новые с выемками под клапаны. Такая конструкция поршней позволит избежать серьезной поломки двигателя в случае обрыва ремня ГРМ. Правда, когда такие моторы будут устанавливать под капот новинки пока неизвестно.
Под капотом появилась дополнительная шумоизоляция, замок капота переехал. Но самое главное на нижней части капота поставили резинку, что бы грязь не летела на двигатель. Ну и теперь у всех Грант багажник открывается с кнопочки, которую установили рядом с плафоном подсветки номерного знака.
Размеры, масса, объемы, клиренс новой Лада Гранта хэтчбек
- Длина кузова – 3926 мм
- Ширина – 1700 мм
- Высота – 1500 мм
- Снаряженная масса – от 1125 кг
- Полная масса – 1560 кг
- Колесная база – 2476 мм
- Колея передних и задних колес – 1430/1414 мм соответственно
- Объем багажника – 240 литров
- Объем багажника при сложенных сидениях – 555 литров
- Объем топливного бака – 50 литров
- Размер шин – 175/65 R14, 185/60 R14, 185/55 R15
- Дорожный просвет (клиренс) – 160 мм (с АКПП 145 мм)
Видео Lada Granta hatchback
Краткий видео обзор обновленного модельного ряда Гранта от журналистов издания “За рулем”.
Лада Гранта Лифтбек или Седан
Однозначного ответа на вопрос, что лучше — Лада Гранта лифтбек или седан, не существует, поскольку каждый автовладелец осуществляет самостоятельный выбор, внимательно изучив особенности обеих модификаций. Главное различие между этими разновидностями, по мнению экспертов, заключаются во внешнем дизайне. Многие считают, что по сравнению с лифтбеком Granta седан выглядит недостаточно презентабельно. Несмотря на то, что большинство отечественных автомобилистов отдают предпочтение седанам, владельцы четырехдверной модели признают, что поторопились с покупкой, не дождавшись появления такого удобного и представительного хэтчбека.
Технологические нововведения Лада Гранта лифтбек
Кроме усовершенствованного дизайна и пятой двери Гранта лифтбек может предложить потенциальному покупателю и ряд технологических нововведений
Ведущие специалисты завода-производителя приняли во внимание основные претензии к седану, основываясь на отзывах автовладельцев, и постарались устранить недочеты при разработке новой модели:
Например, была произведена замена крепежных саморезов, которые обладали недостаточными антикоррозийными свойствами и легко поддавались разрушительному действию влаги. Одним из наиболее полезных новшеств эксперты считают применение другого уплотнителя. Наряду с использованием ограничителя двери автомобиля с эффектом доводчика это позволило избавиться от скрипа при открывании и вибрации стекол. Отмечают также значительные улучшения, проведенные в системе шумоизоляции: во время движения водителю и пассажирам не приходится гадать над происхождением посторонних звуков и стуков. Оптимизация тормозной системы заключается во внедрении вакуумного усилителя тормозов. Благодаря этому нововведению педаль тормоза отличается особым комфортом в эксплуатации: при нажимании не проходится прилагать какие-либо усилия
При этом отмечают более плавное торможение, чем на седане
Пристальное внимание при разработке лифтбека отводилось проблеме с жесткостью кузова, поскольку этот вопрос особенно актуален для автомобилей с пятью дверьми. У классических хэтчбеков нет укрепляющей переборки задней части, поэтому проблема достижения необходимой степени жесткости решалась за счет усиления пола, крыши и определенных изменений в строении среднего ланжерона
Усовершенствования ходовой части
Ключевым аргументом, позволяющим будущим автовладельцам определить, что лучше — Гранта седан или лифтбек, являются доработки в системе ходовой части. Благодаря усовершенствованной подвеске с жидкостными амортизаторами можно избежать нещадной тряски на проблемных дорогах, несмотря на менее точное управление. Следует отметить, что эти усовершенствования коснулись не только топовой разработки, но и модификаций средней и минимальной комплектации этого транспортного средства. Кроме того, Лада Гранта лифтбек класса «люкс» может похвастаться использованием более надежных стабилизаторов поперечной устойчивости, определяющих повышенную жесткость подвески.
Несмотря на более совершенную управляемость, инженерам-разработчикам пришлось в какой-то степени поступиться удобством пассажиров. Среди положительных последствий усиления подвески автомобиля Лада Гранта лифтбек — повышенная устойчивость транспортного средства на крутых поворотах, снижение крена и амплитуды раскачивания. Такие нововведения непременно оценят представители более молодой возрастной категории, которые ставят хорошую управляемость машины превыше личного комфорта.
Подводя итоги, следует заметить, что большинство технологических усовершенствований лифтбека, которые являются решающими при выборе, что лучше, в скором будущем будут включены в разработку седана. Представители завода-производителя заявили о грядущем рестайлинге всех модификаций Гранты, поэтому вопрос о том, что лучше, все еще остаётся открытым и должен решаться в частном порядке. Просмотрев тематическое видео, можно сделать предварительные выводы насчет того, какая модель вам импонирует больше
При затруднении с выбором следует обратиться к квалифицированным специалистам, которые помогут с покупкой, приняв во внимание ваши личные предпочтения
o-ladagranta.ru
Обошлось без жертв
Не забывая об ограничениях в бюджете, инженеры и дизайнеры все-таки внесли немало изменений, превращая трехобъемный кузов в двухобъемный. Оригинальный передний бампер с черными вставками сделал машину визуально шире — нелишняя доработка для представителя В-класса с большим клиренсом и высоким салоном. Такая же деталь скоро достанется и седану, но с одним исключением: Granta в комплектации «Стандарт» сохранит прежний некрашеный бампер. Изменены боковые зеркала. В топовой комплектации на них переехали дублеры указателей поворотов, как это уже сделано на «Приоре». Позднее такие же зеркала появятся и на трехобъемнике.
Лифтбек или универсал: что лучше
Первые поколения легковых машин типа «универсал» появились очень давно. В течение многих лет они оставались на пике популярности и выпускались под различными брендами. В последние годы ситуация заметно изменилась и популярными машинами этой группы стали только дорогие варианты. С чем это связано? Автомобиль совершенно не удобен для повседневного использования, он крупногабаритный и со сниженной маневренностью. Отдельные модели отличаются высоким расходом топлива в пределах города.
Как выглядит универсал
По размерам, классический универсал превосходит седаны. В среднем он длиннее на 100-200 мм, что усложняет вождение и парковку. После появления на рынке лифтбеков, часть универсалов утратили свой спрос. Сейчас производятся только премиальные варианты в этой серии.
Объем багажника Лады Гранта седан: реальные показатели
Лада Гранта – один из лучших бюджетных автомобилей России. Он заслужил свою популярность благодаря выгодной цене и неплохой надежности при минимальной стоимости технического обслуживания
В условиях кризиса, продолжающегося с 2014 года, россияне вынуждены были обратить внимание на отечественный автопром, и Лада Гранта стала признанным лидером в категории автомобилей, выпуск которых был начат в 2010-х годах
Россияне покупают Гранту как для семейного использования, так и для работы. Однако одним из решающих факторов при выборе являются технические параметры автомобиля, в том числе и объем багажника. Нередко жителям нашей страны приходится пользоваться машиной для перевозок как малогабаритного, так и массивного груза, и автомобиль для этого должен быть пригоден. Сегодня поговорим о том, какой объем и вместительность багажника Лада Гранта седан.
Параметры багажника
Перед тем как говорить об объеме, сначала необходимо уточнить, какие же размеры имеет багажник автомобиля. Немало обладателей Лады Гранта в кузове седан уже производили замеры, и они плюс-минус подтверждают параметры, заявленные производителем. Рассмотрим их более подробно.
- Длина от двери до спинки заднего сиденья – 103 см.
- Длина без сиденья – 164 см.
- Высота от пола до потолка (без коврика) – 48 см.
- Ширина проема – 132 см.
- Ширина между проушинами – 94 см.
Объем багажника и реальная вместительность
Объем багажника у Лады Гранта, выполненной в кузове седан, составляет 480 литров. Это достаточно внушительные показатели, в сравнении со многими другими автомобилями. Например, еще один продукт АвтоВАЗ – Лада Калина – может похвастаться всего-навсего 350 литрами. Как видим, преимущество достаточно внушительное. Если же сравнивать с иномарками, то в качестве эталона можно взять автомобиль Рено Логан, который также является очень популярным в России. В данном случае показатели составляют 510 литров. Различие в данном случае не столь велико. Зато стоимость «француза» гораздо выше, чем у автомобиля отечественного производства. Стоит ли переплачивать за сравнительно небольшую разницу?
Если этого пространства вам недостаточно, тогда можно увеличить объем, просто убрав заднее сиденье. В таком случае объем составит 720 литров. Однако цифры остаются цифрами и многим людям они попросту ничего не скажут. Поэтому гораздо эффективнее рассматривать размеры автомобиля в натуральной величине. В данном случае можно рассмотреть универсальную величину: мешок с картошкой. Обыкновенный, стандартный мешок массой около 35 кг. В разных условиях в Гранту поместятся:
- при объеме 480 л – 4 мешка картошки;
- при объеме 720 л – 6 мешков картошки.
Помимо мешков с картофелем, в Гранте можно перевозить и другие вещи. Вместительность багажника позволяет перевозить самый разнообразный груз. Опытным путем доказано, что свободное пространство можно заполнить вещами, общей массой примерно 400 кг.
Лада Гранта – один из ведущих автомобилей, доступных в России. Высокая надежность, современные решения и выгодная стоимость сделали его бестселлером на российском авторынке. Вместительность у машины также достаточна для решения самых всяческих задач. Поэтому вы можете смело использовать свою Гранту как для поездок по городу или на дачу, так и для работы, требующей постоянной перевозки самого разнообразного груза.
https://www.youtube.com/watch?v=J3V-0SK8BXs
Особенности багажника
Лада Гранта в кузове седан имеет багажник с общим объемом 480 литров, тогда как у ближайшего конкурента Рено Логан вместимость равна 510 литрам. Французские инженеры предоставляют эти данные на основе теоретических показателей, исходя из того, сколько литров жидкости поместится в багажник. Их российские коллеги приводят более реальные цифры по объему.
Гранта приобретается как для работы, так и в качестве семейного автомобиля. Решающим фактором при выборе становятся не только технические характеристики, но и багажник, который важен для российских автолюбителей. Отечественный автомобиль нередко используется для перевозки всевозможных вещей, и он должен подходить для транспортировки не только мелкого, но и крупногабаритного груза. В руководстве пользователя нет информации о размерах багажника Лады Гранта кроме объема, но владельцы авто провели собственные замеры:
- длина от крышки до заднего ряда сидений – 103 см;
- длина от крышки со сложенным задним сиденьем – 164 см;
- высота до потолка – 48 см;
- ширина проема – 132 см;
- расстояние между торсионными проушинами – 94 см.
Преимущество в 480 литров весьма внушительное. У ближайшего конкурента Гранты по стоимости – Лады Калины – объем багажного отсека всего 350 литров.
Цифры без наглядности ничего не скажут, поэтому в качестве единицы измерения можно использовать стандартный мешок картошки:
- 480 литров позволяет вместить 4 мешка картошки;
- 720 литров – 6 мешков.
На основе отзывов автовладельцев в багажник может поместиться до 400 кг полезного груза. Другим показателем габаритов багажного отделения является возможность перевозки всех 4-х колёс.
https://youtube.com/watch?v=6P24JY_3CmE
Кроме традиционного четырёхдверного полноразмерного кузова седан Лада Гранта выпускается и в модификации лифтбек. Особенность заключается в уменьшенной длине кузова и в увеличенном дорожном просвете. В отличие от традиционного хэтчбека крышка багажника совмещена с большим задним стеклом, но главное достоинство не в этом, а в объеме багажного отделения.
Как и в случае с седаном, производитель не предоставляет информацию о размерах багажного отсека кроме объема в литрах. Как оказалось на практике, большой объем багажника не совсем так велик, как показано в рекламных роликах. Сложить задний ряд сидений можно только в том случае, если передние кресла будут подвинуты максимально вперёд. Подголовники задних сидений придется демонтировать.
При необходимости можно снять заднюю полку, например, при перевозке крупногабаритных грузов. Объем от этого не прибавится, но грузу ничего не будет мешать. Справа и слева предусмотрены ниши для перевозки различных вещей, например, дорожных сумок или необходимых инструментов. Над этими углублениями предусмотрены крючки для подвешивания пакетов – теперь они не будут мешаться на заднем сиденье.
Для меломанов станет неприятной новость о сложности установки сабвуфера в багажнике. Он съедает много полезного пространства, и объемный груз перевозить уже не получится. К тому же сабвуфер можно попросту повредить. Для блокировки пятой двери необходимо нажать кнопку на ключе. Автоматически она не открывается, значит, придется поднимать грязную крышку руками.
Ручка багажника неудобная и смахивает больше на углубление. При закрытии дверь не издает звука защелкивания замка – по неопытности придется перепроверять, закрыт багажник, или нет. Объединенная со стеклом крышка заметно тяжелее обычной пятой двери хэтчбека, поэтому для поднятия придется приложить усилие.
Иногда наблюдается сбой в работе замка – если водитель нажимает кнопку открытия из салона, крышка потом не закрывается. Приходится нажимать на кнопку несколько раз. Все эти недостатки мелкие, и, учитывая цену на автомобиль, ими можно пренебречь. Зато проем получился широким и не может не радовать владельцев. Инженерам пришлось внедрить большое багажное отделение в небольшую колёсную базу. С этим они справились, хоть и получились небольшие недостатки.
Плюсы и минусы
Планируя совершить покупку, стоит изучить основные достоинства и недостатки подобных моделей. К слову – плюсов, гораздо больше чем минусов. Перечень главных преимуществ выглядит следующим образом:
- Увеличенная маневренность и управляемость за счёт уменьшения заднего свеса. Автомобиль с лёгкость работает в сложных условиях, проще паркуется задом и проходит повороты.
- Над багажником находится большое стекло, улучшающее общий обзор, необходимый автомобилисту.
- Повышенная грузоподъёмность и большой багажник.
- Проще разместить объёмные грузы и положить их в багажник. В лифтбек можно разместить без проблем сложенную детскую коляску, стиральную машину или трёхколёсный велосипед.
- Спортивный и даже современный вид, чем-то напоминающий небольшие внедорожники.
- Облегчённый кузов и повышенные аэродинамические качества позволяют быстрее набирать разгон.
- Заднее стекло защищено от запотевания, обдувается, имеет дворник.
- Экономичность эксплуатации. За счёт снижения веса кузова заметно падает расход топливной смеси.
- При заклинивании дверей машины попасть внутрь салона можно через заднюю дверь.
- Компактный размер идеально подходит для городских условий.
- Автомобиль подходит новичкам, которым проще привыкнуть к размерам авто.
Лифтбек — отличный автомобиль для новичков, который идеален для городских условий
Недостатки у автомобилей с данным строением довольно весомые:
- снижается скорость прогрева салона зимой и охлаждения летом из-за совмещения с багажным отсеком;
- рулевая рейка начинает издавать скрипы и другие характерные звуки спустя 1—2 года, часто требуется её ремонт;
- внутрь салона из багажника проникает пыль и посторонние запахи;
- быстрое загрязнение заднего стекла (по сравнению с классическим седаном);
- повышается риск кражи вещей;
- комфорт пассажиров на заднем сидении немного уменьшен;
- низкая жёсткость кузова по причине отсутствия задней перекладины между стойками крыши. Из-за этого кузов может «ходить» под высокой нагрузкой;
- высокие риски травм для пассажиров в случае аварии (из-за предметов в багажнике), хотя по результатам краш-тестов седан и лифтбек набирают одинаковое количество баллов;
- лифтбек стоит дороже седана на 10% и более;
Лада Гранта: схема подключения приборов заднего жгута проводки
Задняя часть проводки автомобиля отвечает за оборудование кормы и боков автомобиля. все дополнительное оборудование подключается исключительно через эту часть магистралей:
- 1/2 – контактная группа на приборную панель;
- 3/4 – указатели поворотов;
- 5 – индикатор включения ручника;
- 6 – контакт подогрева заднего стекла;
- 7 – салонная лампа;
- 8 – индикатор положения водительского ремня безопасности;
- 9 – плафон подсветки грузового отсека;
- 10 – привод бензонасоса;
- 11/15 – кормовая часть габаритов для левой и правой стороны;
- 12 – привод блокировки крышки багажника;
- 13 – кнопка включения салонного фонаря;
- 14 – цепь дополнительного стопа;
- 16-19 – клеммные колодки дверей для задней левой, задней правой, передней левой и передней правой дверей;
- 20 – привод управления подушками безопасности;
- 21 – контактная группа осветителей номерного знака;
- 22 – на приборную доску;
- 23/24 – задние датчики указателей скорости;
- 25/26 – преднатяжители ремней безопасности;
- 27 – группа контактов приборной панели.

Какими внешними габаритами может порадовать Гранта?
Для наглядности приведем характеристики кузова в сравнении с родственницей – Ладой Калиной.
- Итак, в длину Лада Гранта побеждает свою соперницу с разницей в 220 мм, ведь этот параметр достигает 4260 мм.
- Ширина составляет 1700 мм, аналогичная показателю у Калины. Расхождения не большие, если брать версию седан.
- По высоте сохраняется паритет, поскольку этот показатель у обеих «россиянок» составляет 1500 мм.
- Аналогичная картина наблюдается и при сравнении баз – 2476 мм у каждой.
Благодаря приросту кузовной длины у Гранты багажное отделение обладает большим запасом свободного пространства, 440 литров в сравнении с 355 литрами у соперницы.
Лада Гранта габаритные размеры кузова
Габаритные размеры в любом автомобиле оказывают существенное влияние на комфорт. Если это касается базы, то первыми на себе ощущают удобство пассажиры под предводительством водителя, а когда речь заходит о багажном отсеке, тогда на первый план всплывает практичность авто. Клиренс позволяет чувствовать уверенность на проселочных участках. Так можно и дальше приводить массу примеров.
Такие утверждения не обходят стороной героиню сегодняшней статьи – отечественную модель Лада Гранта.
Если коснуться подробнее салона, то сразу замечаем похвальную конструкцию сидений, при построении которых производитель ставил целью обеспечение максимально комфортной посадки всех участников вояжа.
Какими внешними габаритами может порадовать Гранта?
Для наглядности приведем характеристики кузова в сравнении с родственницей – Ладой Калиной.
- Итак, в длину Лада Гранта побеждает свою соперницу с разницей в 220 мм, ведь этот параметр достигает 4260 мм.
- Ширина составляет 1700 мм, аналогичная показателю у Калины. Расхождения не большие, если брать версию седан.
- По высоте сохраняется паритет, поскольку этот показатель у обеих «россиянок» составляет 1500 мм.
- Аналогичная картина наблюдается и при сравнении баз – 2476 мм у каждой.
Благодаря приросту кузовной длины у Гранты багажное отделение обладает большим запасом свободного пространства, 440 литров в сравнении с 355 литрами у соперницы.
Величина задней колеи у Лада Гранта в версии лифтбек достигает 1414 мм. Это позволяет модели обладать хорошей устойчивостью и плавностью в движении по легким дорожным неровностям.
Габарит, заключенный между краем переднего бампера и центром оси передка составляет 804 мм, а аналогичный показатель в задней части – 980 мм.
Величина клиренса рассматриваемой здесь модели, так же как и в случае с кузовом седан, может похвастаться значением в 160 мм. Однако в модельной линейке Лада Гранта в версии лифтбек присутствуют версии, например, оснащенные автоматическими коробками, клиренс которых немного снижен, а точнее – до 140 мм.
Данный показатель по своему значению состоит в когорте лучших в плане проходимости и гордо перекочевал от предшественницы «Калины». Просвета хватит, чтобы гарантированно преодолеть:
- грунтовые направления с россыпью кочек и ям;
- городские участки;
- заснеженные места проселочных дорог;
- мелкие холмы с некритично крутыми склонами.
Каковы габариты Гранты внутри?
Как уже обозначалось, не меньшей важностью обладают внутренние габаритные размеры нашей LADA Granta. Именно данные показатели оказывают неподдельное влияние на обеспечение комфортности в дальних «круизах»
Гранта разъем диагностики
Гранта разъем диагностики
Незаменимым достоинством салона является способность кресел поддаваться множеству регулировок. Внутреннее пространство продумано с достаточной скрупулезностью, благодаря чему длительные поездки превращаются в забавные и комфортные мероприятия.
Если задаться значением высоты от стыка подушки сидения со спинкой до ближайшего габарита, то оно составит 910 миллиметр для передних седоков, а у пассажиров кормы в распоряжении будет на 80 миллиметров больше, то есть 990 мм. Ширина кресел соответственно составляет 490 мм и 510 мм. Свободное пространство для ног сзади сидящих участников ездового процесса может в максимуме достигать 335 мм.Высота размещения кресел относительно днища для переднего ряда составляет 285 мм, а для второго – 340 мм. Данный параметр может варьировать ввиду способности сидений к регулировке (спереди).
Кому интересно расстояние между педальным узлом и передним торцом водительского кресла, то он также благодаря регулированию может изменяться в пределах от 335 мм до 560 мм.
Некоторых будущих обладателей практичных LADA Granta наверняка заинтересуют рулевые габаритные размеры. Диаметр колеса руля оставляет 375 мм. Остальные показатели здесь не особо важны и заметим, что они не способны оказать ни малейшего негативного влияния на комфорт от езды.
Установка дефлектора и включение обдува потоками холодного воздуха в лицо
Каждый водитель желает, чтобы во время движения в жару потоки холодного воздуха дули прямо на него, отдавая всю прохладу от кондиционера. Это неэффективно. Продуктивность распределения воздушных потоков по салону таким образом нарушается.
Верное направление потока воздуха играет немаловажную роль
Для равномерного распределения прохлады внутри разогретого на солнце автомобиля рекомендуется направлять дефлекторы воздуховодов вверх. Благодаря этому температура в салоне будет снижаться намного быстрее и качественнее. Свежий воздух распространится равномерно по всему салону.
Профилактические меры
Для того чтобы заводская проводка Лада Гранта служила долго и не ломалась, опытные эксперты настоятельно рекомендуют выполнять ряд не сложных правил.
- Периодически проверять все контактные разъемы и клеммы на предмет окислений и ржавления. Подобные повреждения соединений могут вызвать короткое замыкание и критическое снижение проводимости магистрали, что воспринимается бортовым компьютером как ошибка или поломка.
- Использовать только оригинальные расходные материалы и элементы электроники. Применение поддельной продукции не дает гарантии работоспособности цепи. При этом некоторые элементы, при повреждении вызывают перепад напряжения в сети, что становится прямой причиной выхода из строя остального оборудования или пожара.
- Использовать специальное масло для обработки контактных групп. Жидкость продается в автомагазинах или магазинах электроники. После обработки, контакты покрываются влаго не проницаемым слоем, что в 2-3 раза увеличивает срок их эксплуатации.
- Тщательно следить за степенью зарядки и состоянием аккумуляторной батареи. Проводка Лада Гранта критично воспринимает значительное падение напряжения в бортовых цепях. Как следствие – это может стать причиной повреждения прошивки электронных блоков управления.
Распиновка приборов Гранта – схема приборной панели
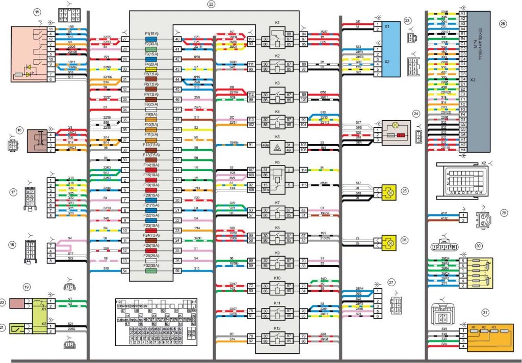
Указанная часть является самой сложной. Большое количество выводов и миниатюрный размер клемм значительно усложняет поиск необходимой группы:
-
- 1/2 – соединительные колодки на передний жгут электрооборудования;
- 3/4 – аналогично для кормового жгута;
- 5 – блок управления световыми приборами;
- 6 – модуль выключателя зажигания;
- 7 – бортовой компьютер;
- 8 – рычаг переключения положения дворников;
- 9 – приборка;
- 10 – управление режимами аварийки;
- 11 – замок крышки грузового отсека;
- 12 – диагностический разъем;
- 13 – колодка на привод воздухозаборников;
- 14 – кнопка выключения подогрева заднего ветрового стекла;
- 15 – контакт аварийки;
- 16 – переключатель стоп сигналов;
- 17/18 – контактная группа – вывод на радиооборудование (магнитола);
- 19 – вращающийся модуль оборудования;
- 20/41 – привод водительской/пассажирской подушки безопасности;
- 21 – питание клаксона;
- 22 – группа монтажного блока;
- 24 – группа прикуривателя;
- 25 – подсветка контроля печки;
- 26 – салонный плафон;
- 27 – контактная группа замка зажигания;
- 28 – контроллер;
- 29 – входящий разъем на заднюю часть бортовой сети;
- 30 – электронная часть педали газа;
- 31 – добавочный резистор;
- 32 – мотор печки;
- 33 – блок переключателей печки;
- 34 – модуль блокировки дверей;
- 35/36 – реле головного вентилятора системы охлаждения;
- 37 – проводка реле компрессора;
- 38 – дополнительное реле или катушка индикации заднего хода;
- 39 – клавиша включения кондиционера;
- 40 – привод автоматической коробки передач;
- 42 – термометр испарителя;
- 43 – вывод на задний жгут проводов.






















