Что такое цапфа?

Цапфа — это часть вала и вал в сборе, на котором размещен подшипник, или несколько подшипников. Поворотный кулак устанавливается как на переднюю, так и на заднюю ось. Существует множество исполнений цапфы в зависимости от типа подвески, применяются разные сплавы. Далее рассмотрим поворотный кулак со всех сторон.
Устройство цапфы
Чаще всего цапфа изготавливается из легированной стали, чугуна и алюминия. Главным требованием к изделию является прочность и способность выдерживать ударные нагрузки. Особенность поворотных кулаков, кроме алюминиевого, при повреждении они лопаются, а значит не поддаются ремонту.
Поворотный кулак делится на три категории:
- для передней оси независимой подвески;
- для задней оси полузависимой подвески;
- для задней оси независимой подвески.
Передняя ось
Цапфой здесь называют поворотным кулаком за возможность поворачивания колес. Кулак имеет ось для конических подшипников или отверстия под ступичный узел. Крепится к подвеске за счет шаровых опор рычагов:
- на двухрычажной подвеске (ВАЗ 2101-2123, “Москвич”) цапфа крепится к двум рычагам через нижнюю и верхнюю шаровую опору;
- на подвеске типа МакФерсон нижняя часть кулака крепится через шаровую к рычагу, верхняя часть предусматривает крепление к амортизатору, который держится за счет опоры на кузовном стакане.
Помимо прочего, на цапфе предусмотрены отверстия или сошки под крепление рулевого наконечника, за счет чего колеса способны поворачивать при усилии на руль.
Задняя ось
Кулак задней подвески имеет разные модификации:
- для балки (полузависимая подвеска) цапфа имеет несколько отверстий для крепления к балке, ось под ступичный узел, а также резьбу для крепления ступичного подшипника. Цапфа крепится к балке, ступичный узел выпрессовывается на ось цапфы, после зажимается центральной гайкой;
- для независимой подвески предусмотрена цапфа аналогичной конструкции, что и в передней подвеске. К кулаку крепится один или несколько рычагов, также есть модификации (алюминиевая цапфа), где в кулак выпрессовывается плавающий сайлентблок. Чаще всего в задний кулак подшипник не выпрессовывается, вместо это 4 или 5 болтами крепится ступичный узел.
Срок службы цапфы и причины поломки
Срок службы поворотного кулака рассчитан на всю эксплуатацию авто. Выход из строя цапфы может быть в нескольких случаях:
- ДТП, когда при сильном ударе происходит деформация подвески и разлом кулака;
- попадание в глубокую яму на высокой скорости, для алюминиевых кулаков приводит к их деформации, а значит невозможности стабилизировать развал-схождение колес;
- износ посадочного места под ступичный подшипник, возникает вследствие долгой езды с незатянутой ступичной гайкой, а также из-за эксплуатации авто с неисправным подшипником (сильный люфт создает сильное трение и вибрацию).
Крайне редко возникают ситуации, когда возникает выработка в посадочных местах под палец рулевого наконечника и шаровой опоры. В данном случае сильная затяжка не помогает, шарниры все равно болтаются в “ушах” кулака, эксплуатация авто при этом запрещена.
Передний кулак
Для замены кулака требуется сразу же заменить ступичные подшипники или узел в сборе. Перед демонтажом необходимо сразу сорвать центральную гайку ступицы (требуется длинное плечо), а также сорвать гайки крепления шаровых опоры, рулевого наконечника. После колесо вывешивается, снимается. Первым разъединяется наконечник рулевой тяги, за счет этого цапфа будет свободно вращаться. Далее демонтируется шаровая опора (если привод передний, то снимается амортизатор) и кулак снят
Важно заранее обработать соединения “жидким ключом”, так как болты и гайки подвески часто подвергаются коррозии. Монтаж цапфы производится в обратном порядке
Задний кулак
Если подвеска независимая, то принцип демонтажно-монтажных работ одинаков. Для цапфы полузависимой балки достаточно снять колесо, после открутить 4 болта, которыми крепится кулак. Если вы оставляете старую ступицу, ее следует выпрессовать, но это возможно при наличии трехлапого съемника или гидравлического пресса. При установке новой цапфы болты крепления должны быть новыми, обязательно обработаны медной смазкой.
После монтажа нового кулака обязательно отрегулируйте подшипники, а также обеспечьте ступичный узел достаточным количеством смазки.
» Статьи » Что такое цапфа?
Слайд 18Для валов, имеющих круговое или кольцевое (для полых валов) поперечное сечение,
из (3.1) получаем; (3.2)где D – внешний диаметр вала; β = d/D – относительный диаметр осевого отверстия полого вала (d – абсолютное значение диаметра этого отверстия). Для β ≤ 0,5 расчёт полого вала как сплошного даёт погрешность менее 2,5% от диаметра вала, что позволяет рассчитывать толстостенные валы как сплошные (выражение в скобках принять равным 1).Полученный таким расчётом диаметр вала округляют до ближайшего большего значения из рядов нормальных линейных размеров по ГОСТ 6636-69. Диаметры других ступеней вала и продольные размеры устанавливают из конструктивных соображений в процессе эскизного проектирования механизма.

Слайд 153.4 Критерии работоспособности и расчет валов и осейВ процессе работы валы
и оси испытывают постоянные или переменные по величине и направлению нагрузки. Прочность валов и осей определяется величиной и характером напряже-ний, возникающих в них под действием нагрузок. Постоянные по величине и направлению нагрузки вызывают в неподвиж-ных осях постоянные напряжения, а во вращающихся осях (и валах) — переменные.Поломки валов и вращающихся осей в большинстве случаев носят усталостный характер. Причины поломок:а) неудачный выбор конструктивной формы и неправильная оценка влияния концентрации напряжений;б) концентрация напряжений, вызванная обстоятельствами технологического или эксплуатационного характера: надрезы, следы обработки и др.в) нарушение норм технической эксплуатации: неправиль-ная регулировка затяжки подшипников, уменьшение необхо-димых зазоров.

Конструкция — цапфа — Большая Энциклопедия Нефти и Газа, статья, страница 1
Конструкция — цапфа
Конструкция цапфы должна быть сообразована с конструкцией опоры.
Конструкции цапф определяются величиной и направлением опорных реакций. В большинстве случаев шипы и шейки имеют цилиндрическую форму ( рис. 108, а), как наиболее — удобную для изготовления и пригонки к опорам.
Некоторые конструкции цапф у шаровой опоры показаны на рис. 128, а-г. Цапфа, у которой конец заточен по сферической поверхности, показана на рис. 128, а. На рис. 128, б дан пример составной цапфы, когда ось сделана из мягкого материала, е имеющего необходимой прочности, а в ее конец вставлен стальной штифт с закругленным по сфере концом.
Некоторые конструкции цапф у шаровой опоры показаны на рис. 128, а-г. Цапфа, у которой конец заточен по сферической поверхности, показана на рис. 128, а. На рис. 128, б дан пример составной цапфы, когда ось сделана из мягкого материала, не имеющего необходимой прочности, а в ее конец вставлен стальной штифт с закругленным по сфере концом.
Какие различают по конструкции цапфы и пяты и где применяют различные виды их.
Обращает на себя внимание конструкция цапфы соединения стрелы с рамой экскаватора. Цапфа представляет собой шарнирное соединение на роликовых опорах.
Греющий пар поступает в цилиндр, а образующийся там конденсат — через пароконденсатную головку и полую цапфу, расположенную с приводной стороны. Конструкция цапф различна в зависимости от скорости машины, давления пара и способа удаления конденсата. Они опираются на роликовые подшипники, один из которых делается плавающим, допускающим компенсировать температурные деформации ци-линдоа.
Контейнеры-цистерны конусного типа с круглым сечением в плане разработали Хабаровский и Ангарский НПЗ и институт Гипроникель. Контейнеры имеют вместимость 2 0 — 2 5 м3 и различаются между собой конструкцией цапф, днища, наличием паровой рубашки. Практическое применение нашел контейнер-цистерна конструкции Гипроникеля, используемый для перевозок нефтебитума в железнодорожно-водном сообщении в Норильск. В полувагоне размещается 14 контейнеров с суммарным полезным грузом 28 т нефтебитума. До отправки контейнеры находятся на складе НПЗ до полного застывания битума. Разгрузка осуществляется путем опрокидывания контейнера после разогрева нефтебитума до жидкого состояния.
Барабаны соединяются с торцовыми стенками. Последние представляют собой плоские круглые листы, к которым приварены цапфы. В некоторых конструкциях цапфы барабанов насажены на валы, не имеющие разрывов ( фиг. Для барабанов малых диаметров используют трубы или отливки; для средних и больших диаметров корпусы барабанов свальцовываются из одного или нескольких листов.
Части валов и осей, покоящиеся в опорах, называются цапфами. Если цапфа расположена на конце вала, то ее называют шипом. Промежуточную цапфу называют шейкой. Выбор конструкции цапфы зависит от диаметра вала, характера нагрузок и учета экономических соображений. Различные конструкции цапф под подшипники скольжения приведены на рис. 4.30, под подшипники качения — на рис. 4.31. Конструкции цапф приборных осей показаны на рис. 4.32. На рис. 4.32, а показана цилиндрическая цапфа с заточкой. Если диаметр цапфы находится в пределах 0 15 — 1 мм, цапфу выполняют отдельно от оси и за-прессовывают в последнюю. Такая конструкция экономичнее сплошных осей, так как позволяет применить для оси менее дорогой материал, чем это требуется для цапфы.
Страницы: 1 2
Материалы валов и осей
Требованиям работоспособности валов и осей наиболее полно удовлетворяют углеродистые и легированные стали, а в ряде случаев – высокопрочные чугуны. Выбор материала, термической и химико-термической обработки определяется конструкцией вала и опор, техническими условиями на изделие и условиями его эксплуатации. Для большинства валов применяют стали марок Сталь 45, Сталь 40Х и др., а для ответственных конструкций – Сталь 40ХН, Сталь З0ХГТ и др. Рабочие поверхности валов из этих сталей подвергают термической обработке (улучшению, поверхностной закалке ТВЧ и др.).
Быстроходные валы, вращающиеся в подшипниках скольжения, требуют высокой твердости цапф, поэтому их изготовляют из цементируемых сталей марок Сталь 20Х, 12Х2Н4А, 18ХГТ или азотируемых сталей марок Сталь 38Х2МЮА и др.
Обычно валы подвергают токарной обработке, термической обработке с последующим шлифованием и отделочной обработке посадочных поверхностей и цапф. Для этого посадочные поверхности и галтели подвергают суперфинишной обработке или полировке.
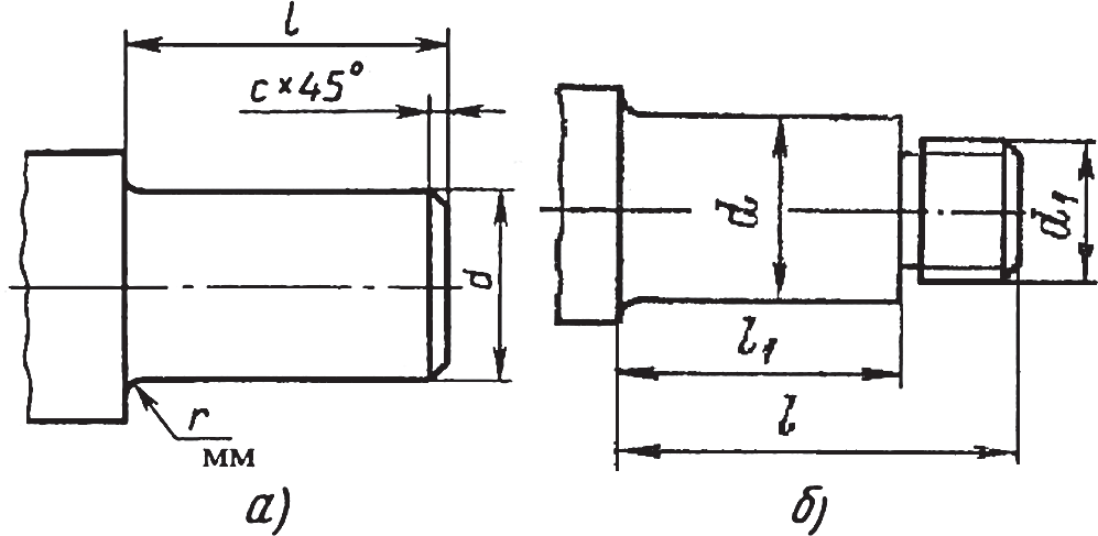
Концевые участки валов выполняют цилиндрическими (рис. 4) или коническими (рис. 5). Посадка деталей на конус обеспечивает легкость сборки и разборки, высокую точность базирования, возможность создания любого натяга. Поэтому консольные концы валов редукторов серийного производства, как правило, делают конусными. Поскольку цилиндрические концы валов проще в изготовлении, то при единичном и мелкосерийном производствах они имеют преимущественное распространение.

Рис. 4. Концы валов цилиндрические: а – шейка; б – шейка с наружной резьбой

Рис. 5. Концы валов конические с конусностью 1:10: а – с наружной; б – с внутренней резьбой
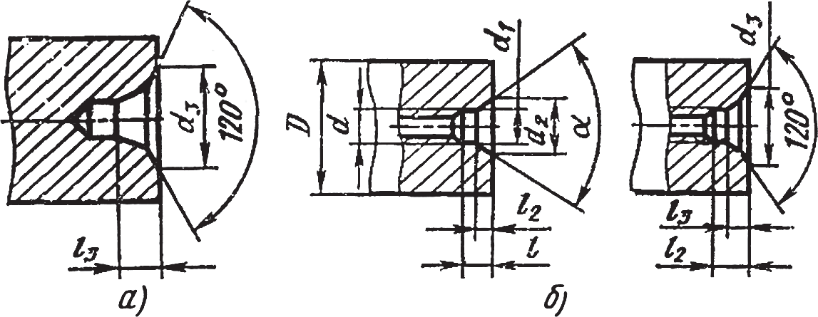
На торцах валов располагают центровые отверстия с углом конуса α=60° (рис. 6), которые используют в качестве технологических баз при изготовлении валов и осей и при проверке погрешностей, которые образуются при обработке и эксплуатации валов и осей (а), а также применяют для монтажных работ, транспортирования и хранения в вертикальном положении (б). Фаска под углом 120° защищает резьбу и конусную поверхность центрового отверстия от забоин (см. в конце табл. 1).

Рис. 6. Центровые отверстия на торцах валов
Форма вала по длине определяется конструктивно с учетом распределения нагрузок, т. е. эпюрами изгибающих и крутящих моментов, условиями сборки и технологией изготовления. Однако следует стремиться к форме профиля вала, приближающегося к форме бруса с равнопрочными сечениями или равного сопротивления изгибу.
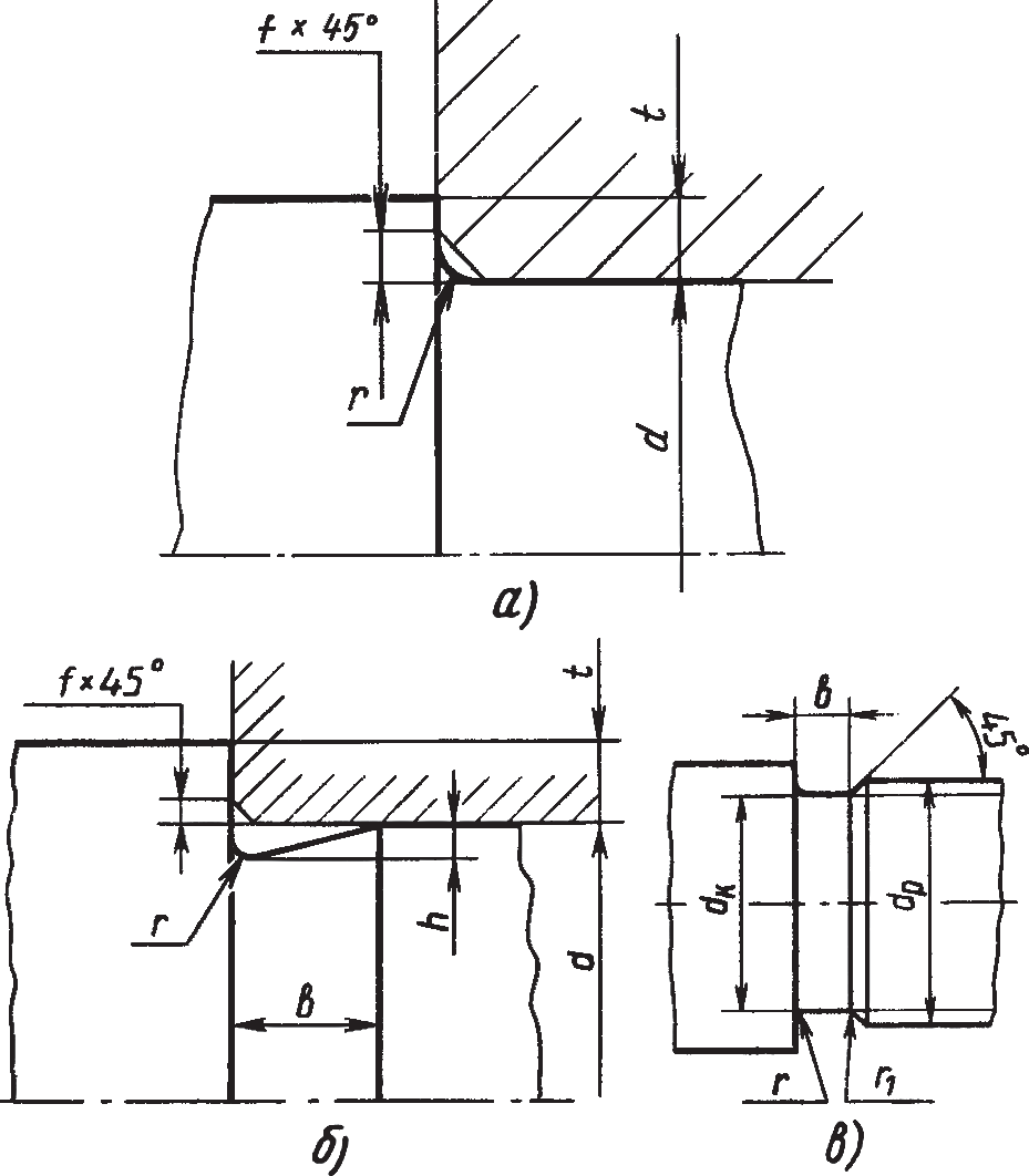
Поверхности валов, предназначенные для установки деталей, передающих вращающий момент в машинах, механизмах и приборах, выполняют по форме и по размерам с допусками, которые обеспечивают сопряжение валов с этими деталями.
Требования к шероховатости поверхности деталей и посадки деталей на валах приведены в табл. 1 и 2.
Таблица 1. Рекомендуемая шероховатость на различных участках вала
| Поверхности посадочных мест валов, мм | Шероховатость, Ra | ||
| квалитет точности | Шот | Шдо | |
| 11-й | 30 | 500 | 6,3 |
| 12-й | 6 | 80 | 2,5 |
| 9-й | 80 | 500 | 2,5 |
| 11-й | 3 | 30 | 2,5 |
| 7-й и 8-й | 6 | 80 | 1,25 |
| 6-й | 10 | 120 | 0,63 |
| Шейки валов с манжетными уплотнениями | 0,32 | ||
| Шейки валов с фетровыми уплотнениями | 1,25-0,63 | ||
| Рабочие поверхности шпоночных пазов | 3,2-6,3 | ||
| Нерабочие поверхности шпоночных пазов | 6,3-10 | ||
| Фаски, отверстия из-под сверла, торцы | 10-20 |
Таблица 2. Посадки деталей на валах
| Закрепляемые детали | Режим работы | |
| нормальный | тяжелый | |
| Зубчатые колеса до Ш120 мм | H7/p6 | H7/r6 |
| Зубчатые колеса св. Ш80-500 мм | H7/r6; H8/s7 | H7/p6; H8/u8 |
| Зубчатые колеса при частом демонтаже | H7/n6; H7/m6; H7/k6 | |
| Муфты св. Ш80-500 мм | H7/n6; H7/m6;
H7/k6 |
H7/p6; H7/r6 |
Валы и оси конструктивно связывают через подшипники вращающиеся детали с корпусными деталями. Предварительные размеры шеек валов определяют расчетом, затем после определения способа соединения вращающихся деталей с валом (шпоночным, шлицевым или др.) уточняют размеры посадочных мест и конструкцию валов.
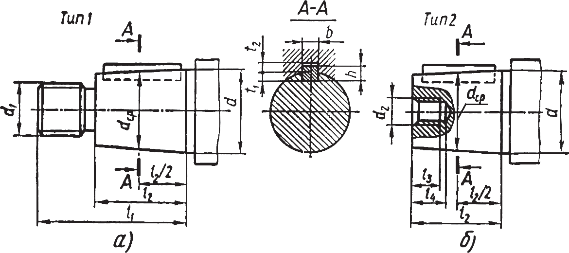
В местах изменения диаметра вала или оси делают переходы. Конструктивно они должны быть выполнены так, чтобы прилегание детали к буртику или торцу переходной поверхности было плотным, без зазора. Если переход от цилиндрической поверхности к вертикальной торцевой поверхности буртика или к торцу переходной поверхности выполнен по радиусу, то такой переход называют галтелью (рис. 7, а), а если с проточкой, в виде канавки, то называют поднутрением (рис. 7; б, в).

Рис. 7. Конструктивные переходы в местах изменения диаметров вала
Подробное описание действий по ремонту
Внутри единого корпуса находятся дифференциал вместе с центральной передачей. Потому их и надо рассматривать в совокупности. Технический осмотр предполагает внимательное изучение следующих сведений:
- Уровень масла.
- Текущее состояние полуоси.
- Зазоры между осями.
Данный этап предполагает дополнительную регулировку для крепежа конструкции. Пришедшие в негодность части снимаются, заменяются новыми.
На уровень масла стоит проверить и колёсные редукторы. Эти детали постоянно трутся друг о друга и о то, что находится рядом. Быстрый износ появляется, если используется небольшое количество смазки. Если деталь ломается, то ремонт не помогает, требуется только полноценная замена. Не стоит применять передний мост ГАЗ 66 на МТЗ 80, велика вероятность несовместимости.

Схема переднего моста
Функционирование редукторов при любых обстоятельствах связано с наличием серьёзных нагрузок. Регулировки не требуют только шестерёнки, имеющие форму конуса. Это действие выполняется только при необходимости заменить все детали, провести капитальный ремонт.
Обязательно почитайте: Гур трактора Т 40: разборка, сборка, ремонт своими руками
Шестерня изнашивается, потому что принимает нагрузку от основных частей. Зубцы элемента из-за этого изнашиваются спустя некоторое время. Что способствует увеличению расстояния между составными элементами. Если наличие подобного состояния долго не берётся в расчёт, то вероятность поломки всего трактора увеличивается. Затяжка соединительной гайки помогает отрегулировать конструкцию.
Достаточно закрепить гайку, чтобы провести ремонт таких деталей, как конические шестерёнки, подшипники
Во время затягивания важно правильно установить подшипники на место. После чего осуществляется постепенное поворачивание, пока позиция детали не будет устраивать полностью
Далее происходит закрепление крепежа в окончательном положении, когда основные работы заканчиваются.
Предполагается использование керна. Цена переднего моста МТЗ 80 остаётся одинаковой вне зависимости от условий.
Многие мастера выбирают для установки двигатели от других тракторов. Это позволяет найти доступную альтернативу для замены. Вариант вполне допустим, если есть полная уверенность в совместимости. Если нет – рекомендуется отдавать предпочтение родным конструкциям. Тогда ремонт передней балки не доставит хлопот.
Ремонт цапфы МТЗ 80
Со временем на некоторых механизмах возникает люфт. Убрать его с цапфы передней МТЗ 80 нужно следующим образом:
Поменять все втулки (скорее всего, детали износились);
При поврежденных втулках вы будите периодически замечать небольшие стуки в поворотных кулаках или же мотание трактора.
Посмотрите на состояние цапфы трактора.
Если запчасть изношена, лучше всего купить новую деталь. В крайнем случае, некоторые мастера рекомендуют наварить место износа, а затем тщательно его расточить.
Не забывайте, что ремонт цапфы МТЗ опасен. Если вы неправильно наварите, деталь ходовой трактора может лопнуть. Поломка случиться и при недостаточной наварке. Поэтому будьте внимательны.
Лучше всего не рисковать и купить новую деталь, тем более цена цапфы МТЗ 80 не столь высока.
Источник
Слайд 10Гибкие проволочные валы применяют для передачи движения между деталями, оси вращения
которых расположены так, что осуществить жёсткую связь между ними невозможно, или в тех случаях, когда в процессе работы взаиморасположение осей изменяется.Гибкий вал состоит из ряда последовательно навитых друг на друга слоёв стальной углеродистой или бронзовой проволоки. Первый, считая от центра слой проволоки навивается на центральную – сердечник, который может быть извлечен из вала либо оставлен внутри его. Толщина проволок обычно возрастает от центра к наружному слою. Число проволок в слое – от 4 до 12, максимальное число слоев – 8, толщина проволоки от 0,5 до 3 мм. Различают три типа передач гибким валом: силовые, приводы управления и приводы контрольных приборов. Во всех случаях передача состоит из следующих основных элементов: гибкого вала, наконечников вала, брони и арматуры брони.

Срок службы цапфы и причины поломки
Срок службы поворотного кулака рассчитан на всю эксплуатацию авто. Выход из строя цапфы может быть в нескольких случаях:
- ДТП, когда при сильном ударе происходит деформация подвески и разлом кулака;
- попадание в глубокую яму на высокой скорости, для алюминиевых кулаков приводит к их деформации, а значит невозможности стабилизировать развал-схождение колес;
- износ посадочного места под ступичный подшипник, возникает вследствие долгой езды с незатянутой ступичной гайкой, а также из-за эксплуатации авто с неисправным подшипником (сильный люфт создает сильное трение и вибрацию).
Крайне редко возникают ситуации, когда возникает выработка в посадочных местах под палец рулевого наконечника и шаровой опоры. В данном случае сильная затяжка не помогает, шарниры все равно болтаются в “ушах” кулака, эксплуатация авто при этом запрещена.
Передний кулак
Для замены кулака требуется сразу же заменить ступичные подшипники или узел в сборе. Перед демонтажом необходимо сразу сорвать центральную гайку ступицы (требуется длинное плечо), а также сорвать гайки крепления шаровых опоры, рулевого наконечника. После колесо вывешивается, снимается. Первым разъединяется наконечник рулевой тяги, за счет этого цапфа будет свободно вращаться. Далее демонтируется шаровая опора (если привод передний, то снимается амортизатор) и кулак снят
Важно заранее обработать соединения “жидким ключом”, так как болты и гайки подвески часто подвергаются коррозии. Монтаж цапфы производится в обратном порядке
Задний кулак
Если подвеска независимая, то принцип демонтажно-монтажных работ одинаков. Для цапфы полузависимой балки достаточно снять колесо, после открутить 4 болта, которыми крепится кулак. Если вы оставляете старую ступицу, ее следует выпрессовать, но это возможно при наличии трехлапого съемника или гидравлического пресса. При установке новой цапфы болты крепления должны быть новыми, обязательно обработаны медной смазкой.
После монтажа нового кулака обязательно отрегулируйте подшипники, а также обеспечьте ступичный узел достаточным количеством смазки.
Цапфа на Уаз Патриот
Ступица (кулак цапфа) BMW 5-Series E39
В общем, запомните, у большинства авто с передним приводом, цапфами оснащаются задние колеса. Модели с задним приводом, имеют конфигурацию сзади через шрусы (модели БМВ), но с втулками цапфы, спереди классическая повортная цапфа. В полноприводных авто, как НИВА и УАЗ, на цапфу подшипники устанавливаются, как снаружи, так и внутри.
Усиленная цапфа на Уаз Патриот
Устройство цапфы
Устройство и конфигурации детали, могут отличаться, причины этого разобрали выше. У некоторых автомобилей, например, где из опций представлена автоматическая подкачка шин, строение оси другое, причем, независимо от привода. В таких случаях, в полостях между втулкой и вращающейся полуосью, шрусом, создается закрытое пространство, отделенное сальниками, для предотвращения утечки воздуха. Далее, по специальным трубопроводам воздух подается в шину.
Ресурс и неисправности
Вполне вероятно, что может заклинить подшипник, отчего пойдет неравномерная выработка цапфы, после чего необходима наплавка металла и поиски хорошего токаря, либо покупка новой детали.
Как уже поняли, основные неисправности – это появление дефектов на оси из-за подшипников и срезание резьбы, из-за чрезмерного воздействия на гайку фиксирующую ступицу. Проблемы могут быть вызваны попаданием колес в глубокие выбоины и ямы.
Срезало резьбу на цапфе поворотного кулака УАЗ 3303
Определим, какие симптомы могут встречаться с такой деталью:
1. Появившийся люфт ступицы.
2. Доносящийся стук во время поворота руля.
3. Стуки даже во время езды по прямой дороге, с небольшими ямками.
Как снять деталь:
• Первым делом, ставим автомобиль на ровную площадку и снимаем колесо.
• Откручиваем суппорта, снимаем мешающиеся датчики.
Кстати, нужно снять тормозной диск, он явно будет мешать.
• Выкручиваем ступицу с помощью болтов крепящих колесо. Зачастую необходимо приложить несколько легких ударов молотком, чтобы дело пошло легче.
Уже сняли ступицу
• Теперь все внимание на конструкцию цапфы, если она спереди расположена, то осмотрите её, возможно, она впрессована и составляет единое целое с поворотным кулаком. Если задались ремонтом задней цапфы, то в большинстве случаев, производители делают их съемными
-
Можно ли на рено логан поставить шины 195 65 r15
-
Что надо смазывать на ниве
-
Какие стойки поставить на ниссан блюберд силфи
-
Ford fusion как раскладывается
- Чем отличается опель корса от опель корса д
Поломки и особенности ремонта
Особенно повышенную нагрузку на передок испытывают трактора с передним фронтальным погрузочным оборудованием и интенсивность износа деталей в таком рабочем режиме значительно выше. Исправное состояние переднего моста МТЗ 80 характеризуется ровным ходом управляемых колёс без виляния, без подклинивания при поворотах.
Основными неполадками узла являются:
- Износ шарнирного сочленения балки с остовом
- Выработка отверстий для фиксации положения выдвижных кулаков
- Износ втулок и выход из строя упорного подшипника цапфы
- Поломка амортизирующей пружины
- Увеличенный осевой зазор или поломка подшипников ступиц
Появление зазоров в результате износа в соединениях моста с трактором и втулок поворотных валов цапфы даёт нестабильность положения рулевых колёс трактора, что ускоряет износ подшипников ступиц и провоцирует неравномерный износ шин передних колёс. А также делает невозможным использование трактора на пропашных полевых работах.
В самой чугунной балке изнашивается центральное посадочное отверстие под ось качения и отверстия под болты, которые фиксируют выдвижные кулаки. Учитывая сложность наварки чугуна эллипсность разбитых отверстий лучше всего устранить расточкой под больший диаметр с одновременной выточкой пальцев или осей соответствующего диаметра для плотного соединения без зазора.
В конструкции переднего моста МТЗ 50 левая и правая цапфы взаимозаменяемы и отличаются от МТЗ 80 формой и размером полуосей. Также взаимозаменяемость мостов МТЗ 80 и МТЗ 50 часто приводит к путанице при покупке ремонтных деталей. Для простого определение модели моста ориентируются на размер затяжной гайки ступицы. Гайка под ключ 46 соответствует МТЗ 80, на 41 –МТЗ 50.
Порядок разборки цапфы:
- Поддомкрачивают мост и снимают передние колёса.
- Отсоединяют сошку от поперечной тяги рулевой трапеции.
- Откручивают гайку крепления сошки и снимают её со шлицов поворотного вала.
- Откручивают два нижних болта фиксирующих нижнюю втулку цапфы.
- Выбивают цапфу из корпуса кулака, предварительно накрутив гайку на резьбовой конец поворотного вала для защиты резьбы от повреждений.
- Предварительно подготовленной соответствующего диаметра трубчатой наставкой выбивают изношенные втулки.
При сложности выпрессовки изношенных втулок часто применяют прогрев корпуса кулака, используя газовую горелку или паяльную лампу. Добившись разности в линейном расширении, ослабляют плотность посадки, прикипевших деталей. А также при использовании мощных ударных инструментов кулачков или кувалд нужно помнить, что литые чугунные части моста довольно хрупкие и могут не выдержать резких ударных нагрузок.
После ремонта обязательно производят настройку схождения управляемых колёс для обеспечения ровного хода и равномерного износа шин с оптимальной нагрузкой на подшипники ступиц.
Устройство цапфы

Чаще всего цапфа изготавливается из легированной стали, чугуна и алюминия. Главным требованием к изделию является прочность и способность выдерживать ударные нагрузки. Особенность поворотных кулаков, кроме алюминиевого, при повреждении они лопаются, а значит не поддаются ремонту.
Поворотный кулак делится на три категории:
- для передней оси независимой подвески;
- для задней оси полузависимой подвески;
- для задней оси независимой подвески.
Передняя ось
Цапфой здесь называют поворотным кулаком за возможность поворачивания колес. Кулак имеет ось для конических подшипников или отверстия под ступичный узел. Крепится к подвеске за счет шаровых опор рычагов:
- на двухрычажной подвеске (ВАЗ 2101-2123, “Москвич”) цапфа крепится к двум рычагам через нижнюю и верхнюю шаровую опору;
- на подвеске типа МакФерсон нижняя часть кулака крепится через шаровую к рычагу, верхняя часть предусматривает крепление к амортизатору, который держится за счет опоры на кузовном стакане.
Помимо прочего, на цапфе предусмотрены отверстия или сошки под крепление рулевого наконечника, за счет чего колеса способны поворачивать при усилии на руль.
Задняя ось
Кулак задней подвески имеет разные модификации:
- для балки (полузависимая подвеска) цапфа имеет несколько отверстий для крепления к балке, ось под ступичный узел, а также резьбу для крепления ступичного подшипника. Цапфа крепится к балке, ступичный узел выпрессовывается на ось цапфы, после зажимается центральной гайкой;
- для независимой подвески предусмотрена цапфа аналогичной конструкции, что и в передней подвеске. К кулаку крепится один или несколько рычагов, также есть модификации (алюминиевая цапфа), где в кулак выпрессовывается плавающий сайлентблок. Чаще всего в задний кулак подшипник не выпрессовывается, вместо это 4 или 5 болтами крепится ступичный узел.
Что такое цапфа и для чего она нужна SYL.ru
На любом автомобиле находится такой механизм, как цапфа. Что такое цапфа? Некоторые подшипники оборудованы специальным устройством, которое чем-то похоже на ось, именно этот механизм называется цапфой. Деталь может располагаться не только на подшипнике, но также и на краю вала или на его середине. Название цапфы меняется от ее расположения. Та цапфа, которая находится на краю вала, именуется шипом, а если она на середине, то уже называется шейкой. Что такое цапфа «пята»? Она может быть концевой, в этом случае изделие подвергается осевым нагрузкам, поэтому и называется «пята».
Конфигурации поворотной цапфы
Она используется как в полноприводных машинах, так и в обычных. В этом разделе мы узнаем, что такое цапфа в полноприводных машинах и чем она отличается от остальных.
Цапфа, которая установлена в полноприводных автомобилях, имеет свои конструктивные отличия. У нее есть шаровая опора и сам корпус.
Шаровая опора служит барьером, который не позволяет мусору попасть внутрь и обеспечивает поворот. Именно поворотная цапфа служит надежным креплением между опорой и ступицей. Некоторые автомобили оснащены системой автоматической накачки колес и имеют специализированные цапфы, которые осуществляют непосредственно саму накачку шин. Такие детали имеют резьбовую часть, втулку для сальников, вилки и опорную шайбу.
Функциональность
Благодаря резьбовой части обеспечивается максимально качественное натяжение при регулировке ступицы. Для того чтобы резьбовая поверхность работала более качественно, шаг при нарезке резьбы должен составлять не более двух миллиметров.
Втулка, которая располагается под сальником, поможет сэкономить водителю не только финансовые затраты, но также и моральные беспокойства. Если не использовать эту втулку, то нужно наплавлять дополнительный слой на рабочую поверхность, после чего полностью ее обточить, а в конце зашлифовать. Но мудрее всего будет просто заменить негодную втулку на новую.
Состав
Перед изготовлением поворотной цапфы изготовители уделяют большое внимание не только ее размеру, но и качеству. Для более качественных и долговечных запчастей используют такой металл, как 35ХГСА. Что такое цапфа 35ХГСА? В ее состав входит: углерод, сера в соединении с фосфором, кремний и марганец
Что такое цапфа 35ХГСА? В ее состав входит: углерод, сера в соединении с фосфором, кремний и марганец.
Такой набор элементов в значительной мере улучшает все характеристики цапфы, что, в свою очередь, увеличивает ее срок эксплуатации. Изделие прочное и надежное, приспособлено для длительного использования.


























